Fórum témák
» Több friss téma |
- Ez a felület kizárólag, az elektronikában kezdők kérdéseinek van fenntartva és nem elfelejtve, hogy hobbielektronika a fórumunk!
- Ami tehát azt jelenti, hogy a nagymama bevásárlását nem itt beszéljük meg, ill. ez nem üzenőfal! - Kerülendő az olyan kérdés, amit egy másik meglévő (több mint 17000 van), témában kellene kitárgyalni! - És végül büntetés terhe mellett kerülendő az MSN és egyéb szleng, a magyar helyesírás mellőzése, beleértve a mondateleji nagybetűket is!
Köszönöm a segítséget mindkettőtöknek,így már világos.
Sziasztok!
Tudna valaki segíteni abban, hogyan jött ki a tanár által megadott eredmény?
Megint egy megdöbbentő következtetést vontam le.
Vettem egy elvileg Németországban gyártott lézermodult.Olyan 3V -os.3mW. jó 5000 Ft. Később a Hestore elektronika boltban 240Ft ért egy 5mW os modult 5V. és igen,a 240 Ft os kínai kisebb,és erősebb lézer, mint az állítólag német.Jó feszültségszabályozós,majdnem annyit tud mint a kínai,de fényerőben verte a kínai lézer,meg foltnagyságban is. Ugyanígy megemlíthetném ezt a tanulságot cipőkben,és fúrógépekben is. Tehát jó a magyar mentalitás minél olcsóbb legyen,úgyis mind kínai.
Sziasztok.
Szerintetek ez így működni fog. A lényeg annyi, hogy egy szenzor kimenete + (pozitív) és ebből kellene - (negatív) kimenetet csinálni. Egy motor sebesség szenzora ez és az új digitális óra a bemenetére - (minusz) jel kell, hogy mérjen. Kb. 400 jel/ másodperc Szenzor nem lehet cserélni, mert csak ez a fajta van. Szimulátorban működik…. Előre is köszönöm a segítséget
A kollektoron lévő 10 kΩ helyett inkább 1 kΩ legyen. Az eszköz, ami adja a jelet, nullára is tudja húzni a tranzisztor bázisát? Ez lényeges kérdés. Ha nem, a bázis és az emitter közé is tegyél ellenállást.
A kapcsolás nem csinál pozitív jelből negatívat, hanem invertálja a bemenő jelet. A kettő nagyon más, ne keverd.
Először 10K volt, de akkor a szimulátorban nem ment le nullára, csak 0.41V-ra.
Lehuzza nullára, ha nincs a szenzor előtt semmi. Nekem pont pozítívból kellene negítiv jel. A sok kapcsolgatás miatt a relé sajnos kiesett. Erre keresnék megoldást.
Még annyi.
Amikor a senzor ON akkor a kimenet 4.8V felett. Amikor a senzor OFF akkor a kimenet 0.6V alatt. A hozzászólás módosítva: Jan 5, 2018
A feladatban ott van a válasz. Alkalmazd a szuperozíció tételét. Az egyik esetben 1A a másik esetben pedig 2A folyik a 2 ohmos ellenálláson.
A szimuláció nem feltétlen fedi mindig a valóságot. A kollektor és az emitter között mindig lehet feszültséget mérni, nullára semmilyen tranzisztor nem tud lemenni. BC547 esetében ez a legrosszabb esetben 0,7 V is lehet, legjobb esetben pedig 90 mV.
A kisebb ellenállás jobb jelalakot ad és zavartűrőbb. Ha egy tranzisztor bázisa lebeg, akkor elméletileg a tranzisztor zárva van, gyakorlatilag a legkisebb zavar is kinyithatja. Ha a bázison hosszú vezeték van, akkor ez hatványozottabban igaz. Rakj egy 10 kΩ-os ellenállást az R1 elé és a GND közé. Jobb lenne a bázis és az emitter közé, úgy csökkenne az egész érzékenysége zavarok ellen is, nem nyitnak ki a tranzisztor már 0,5 - 0,7 V környékén. Ha a jel 12 V-os amit invertálni akarsz, akkor bőven van tartalék.
köszi. Keresek itthon alkatrészeket és összerakom, aztán majd kiderül.
Ha ezeket a feszültségeket a szenzor kimentén mérted, akkor tegyél be oda egy osztót, pl. 2k2-2k2-t a gnd felé és az osztáspont menjen a tranyó bázisára.
Lerajzoltam Tinában a lényeget. Itt még jobban látszik a feszültség és az áramgenerátor közötti különbség. Nagy számolókészség nem kell a feladat megoldásához. Elég annyit tudni hozzá, hogy a feszültségek és az áramok az ellenállások arányaiban oszlanak meg.
A hozzászólás módosítva: Jan 5, 2018
Köszönöm szépen a segítséget!
Sziasztok!
Szeretnék hozzáértőktől kérdezni valamit, ami lehet, hogy óriási hülyeség... ![]() Adott egy kis 2.1es gagyi hangrendszer, amiben egy TEA2025B végfok IC van, viszont a szub kimenetet rákötöttem egy 250W-os autós mélyládára, amit meglepően jól (!!!) meghajt! Viszont ha nagyon feltekerem már betorzít, gondolom a csekély teljesítmény miatt. Olvastam, hogy ez az IC 2x2.3 W tud... ![]() A kérdésem igazából az, hogy ha veszek mégegy ugyanilyen IC-t, és lábhelyesen (!) összekötögetem a benne lévővel, akkor elérhetek teljesítmény duplázást, vagy be sem fog kapcsolni, mert akkor már kevés lesz neki az adott feszültség, vagy esetleg tönkrevágom az egészet? ![]() Vagy netán létezik ugyanilyen lábkiosztású IC, csak mondjuk legalább 4-5 w környékén, amit egy az egyben betehetnék a mostani helyére? Vagy teljesen baromságokat gondolok? ![]() Ha valaki tudna ebben segíteni, nagyon megköszönném!
Közben sikerült megoldani egy ilyen fet modullal. Ez negativot kapcsol így pont jó lett nekem.
Azért köszönöm a segítésget mindenkinek.
A párhuzamos kötést felejtsd el, és jó eséllyel a táp sincs annyira túltervezve, hogy 2x-es teljesítményt elvigyen. (A 2 "szatelit" teljesítménye gondolom kerekítési hiba.)
Viszont az IC ha jól tudom stereo, szóval érdekes lehet, hogy hogy hajt meg 3 csatornát. Ha nagyobb teljesítmény kell, akkor külön erősítőre kell tenni a mélyet, ennek viszont megfelelő táp is kell.
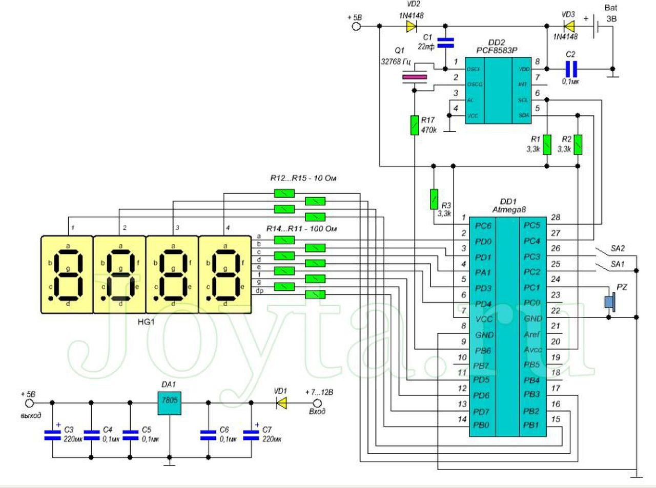
Üdv! Meglévő alkatrészek felhasználásával készítenék egy órát. Közös anódos kijelzőhöz lett tervezve. Működhet-e közös katódos kijelzővel a rajz alapján?
Mukodhet, de lehet "szellemkep", ha tul gyors a multiplexeles. A telitesbe vitt tranzisztorok eleg lassan zarnak le. Szellemkep alatt azt ertem, hogy ha pl. az egyik kijelzon 0 van, a kovetkezon 1, akkor az 1-es mellett a tobbi szegmens is vilagithat nagyon halvanyan. Ez az egesz nagyban fugg attol, hogy hogyan van megirva a szoftver. A tranzisztorokhoz a bazis-emitter koze mindenkeppen betennek ellenallasokat.
A hozzászólás módosítva: Jan 6, 2018
Köszi! De miért nem lehet kapni..
Hát passzolom, esetleg a boltot megkérdezheted, hogy aput tudnak-e hozzá szerezni. Vagy keresel máshol, vagy másmilyet.
A hozzászólás módosítva: Jan 6, 2018
Melyik?
- A közös anóddal feliratúval az a gondom, hogy nem vagyok benne biztos, hogy a uC kimenete meg tudja rendesen hajtani a kijelzőket. - A közös katóddal, meg egyszerűen hibás. Idézet: A fotodiodas resz nem jo, de a lenyegi kerdes nem arra vonatkozott, hanem a tranzisztoros inverterekre.„- A közös katóddal, meg egyszerűen hibás.” Az vitathatatlan, hogy az eredeti rajz nem jo, mert ekkora aramot nem visel el a uC kimenete. A hozzászólás módosítva: Jan 6, 2018
Az Atmega8 elviseli a túlterhelést a lábain, csak csökkenni fog a kimenő áram a számítottnál, a kimenetén nem a szokásos tápfeszültség mérhető magas kimenet esetén, hanem kisebb, ez a feszültség és az áram szorzata fogja melegíteni az IC tokját. Nekem van ilyen megoldás alkalmazva, évek óta megy. Az AVR pedig csak kicsit melegebb, 5V-os tápról hajtva...
Idézet: Sajnos az általad említett veszteségi teljesítmény az IC-t magát (a chip-et) fogja melegíteni, és csak közvetve a tokot. Lehet, hogy neked, az a példány évek óta működik, de attól még ez helytelen tervezői gyakorlat. Ennek a szakmának is vannak szabályai. Az egyik ilyen alapszabály, hogy az alkatrészek adatlapjaiban megadott határértékeket nem szabad túllépni. Egy kezdőknek szóló fórumon ezt kell szem előtt tartani, és nem azt bizonygatni, hogy egy hibás kapcsolás jó, mert nekem is működik évek óta. „és az áram szorzata fogja melegíteni az IC tokját.” A hozzászólás módosítva: Jan 7, 2018
Teljesen igaz, hogy hibaás a kapcsolás, az AVR-t túlterhelik, de ki lehetne számolni a túlterhelés mértékét, plusz soros ellenállásokkal be is lehetne állítani egy maximális áramot lábanként.
Csak annyit akartam mondani, hogy az Atmega8, 168, 328, 128 ARV-ek nagyon strapabíróak, és túlterhelhetőek is akár. Ez olyan, mint felhúzni az órajelét 16MHz-re 3.3V-on, vagy 20-25MHz-re 5-5.5V-on. Csak érdekességképpen. A hozzászólás módosítva: Jan 7, 2018
Sziasztok!
Kérlek segítsetek, hogyan jön ki a vx=25V eredmény? Előre is köszönöm! |
Bejelentkezés
Hirdetés |




















