Fórum témák
» Több friss téma |
Fórum » Ki mit épített?
Ez a téma ha úgy tetszik a mi "kiállítótermünk", nem pedig a ki mit csinált volna másképpen, mások helyett, és legfőképpen nem javítós téma.
Minden készüléknek van saját témája, ott kell kitárgyalni a részleteket!
FONTOS! A kapcsolási rajzok keresésére is van saját téma, ott keressetek rajzokat!
Bocs az off-ért!!!
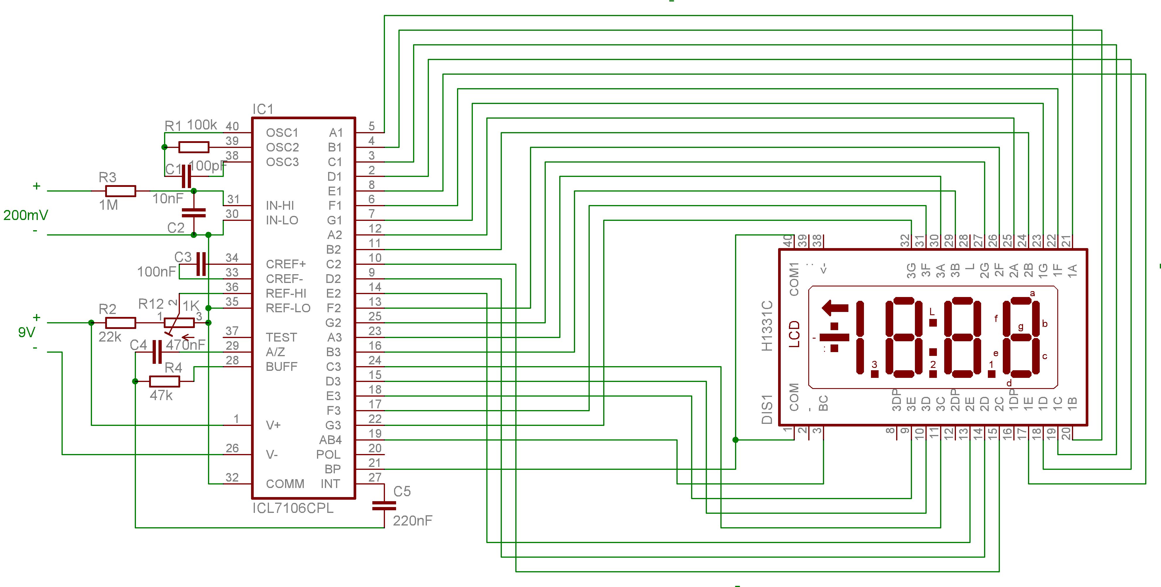
Az a probléma, hogy ez a két ic áll rendelkezésemre. Ezek lcd-t hajtanak... nem? A 7106-s egy MASTECH M92A, a 7136-s meg egy ELEKTRINIX BD303-s multibol vannak... melyik témába fojtassam, hogy ne offoljak?
Szerintem meg mondjuk itt:
7106/7107 Ja bocsi, te 7106-ot írtál. Az igen, LCD kijelzőkhöz van. Ahhoz sajnos nincs paneltervem, csak ledes kijelzőhöz.
Szia!
Nekem van 7106-hoz nyáktervem. Az IC-t a kijelző alá tettem így az egész áramkör csak akkora helyet foglal mint maga a kijelző. Az 1Kohm-os helitrimmer lábait kihajtottam és SMD-ként forrasztottam be. Természetesen ha más mérési tartományokat szeretnél egy feszosztóval ki kell egészíteni a bemenetet.
Sziasztok! Az előző oldalon feltűnt a "moodlamp" szócska. Gyorsan átolvastam, megnéztem a hozzátartozó linkeket és rájöttem, hogy én is készítettem egy ehhez hasonló áramkört!
A kapcsolás alapja a BSS-en megtalálható "színkeverő LED-ekkel" nevű kapcsolás. Hál' istennek panelt nem kellett terveznem hozzá, mert a NYÁK-terv könnyen beszerezhető volt a tanár-diák kapcsolat révén A "dobozolást" egyik asztalos barátom végezte. Az üveghengert egy porcelánboltban szereztem be. Az üvegbe belekerült "gyöngyöket"pedig egy dekor boltban kaptam potom 400 HUF-ért! Ezt fel kell önteni vízzel és majd' egy nap után az apró gombostű-fej nagyságú piszokból egy borsószem nagyságú "gyöngy" lesz. A kész áramkört elláttam egy alkonykapcsolóval is. Amik képek készültek, azon még sajnos nem "oldódott" fel teljesen a gyöngy, mert az alja még homályos képet ad!
Illetve egy video. (csak 3gp-ben tudom felrakni, mert a konvertáló progimmal ha átkonvertálom, kb feleannyi a lejátszási idő...
) A színkeverés eléggé random, persze ez most csak két helyen látszik: először szépen váltják egymást a színek, majd a vidi végén hirtelen vált pirosból fehér-kékké.
kedves modik! nemtudom miért, de a második és az utolsó (ami nem is jelenik meg) képpel valami gikszer van. Felteszem mégegyszer azt a kettőt és legyetek szívesek módosítani ezekkel az előzőt, illetve ezt a HSZ-t törölni! Előre köszönöm!
A filenévből hiányzott a "." a kiterjesztés előtt --vicsys
Mint ahogyan ígértem, igaz egy kicsit megcsúszva de itt a színváltós lámpámról 2 kicsi videó.
Ez csak a vezérlőpanel Összeépítve működés közben A NYÁK alján lévő nyomógombbal tudom a PIC-ben lévő progikat váltani.
Tök jó ez is, azok a gyöngyök pedig ötletesek. Gratula, jólett nagyon.
Sziasztok
Elkészültem ma a forrasztópáka állomásommal. Van benne egy sima forrasztópáka meg egy vákuumos kiforrasztó páka, már kezdtem megunni az ónszippantós bontogatást ezért készítettem egy ilyet
Ez nem semmi! Ilyen egy profi készülék belső! :kalap:
Hi
nagyon király lett!!! ez a ónszippantós vákumszivattyú engem is érdekelne, írnál a működéséről?? üdv
Nagyon igényes! Gratula!
Az utolsó képen milyen hegy van a pákába?
Hello
Az elszívott ón a pákában lévő üvegcsőbe kerül, ilyen páka van rajtailyen páka van rajta vicsys Ami a pákában van az egy tűhegyesre faragott hegy, tegnap LQFP48-as tokot forrasztottam. A pákáról itt minden megtalálható Köszönöm szépen ezt a sok dicséretet
-Még egy kérdés : a vákuum szivattyú kiszívja egy tartályból a levegőt és a vákuumot mágnesszeleppel
engeded a pákára ? vagy állandó vákuumot kap a páka és abban van a szelep?
Ügyes munka! A vákum szabályzódik valahogy?
Csatlakozom Kakukkhoz, a mágnesszelep helyett egy visszacsapó szelep is lehetne?
Üdv mindenkinek!
Elkészültem a labortápomba szánt műszerrel! 7106-ra épül... Nagyon köszönöm FERKÓGYEREK minden segítségét a megvalósításhoz... Íme néhány kép a műröl...
És még néhány...
igen van egy tartály és abból szívja ki a szivattyú a levegőt, a tartály másik végén meg egy mosógépbe való mágnes szelep. A pákában csak egy mikro kapcsoló van ami nyitja a szelepet. Külön vákuum kapcsoló nincsen, hanem egy meghatározott ideig megy a szivattyú, megnyomom a pákán a gombot akkor megnyit a mágnes szelep és elindul a szivattyú 10s-ra.
Vagyis a mágnesszelep szabadítja rá a vákumot a pákára?
Nagyon tetszik az egész látszik hogy átgondolt
profi konstrukció . Gratulálok .
Szia!
Egész jó lett a nyák.
Hellóztok!
A hétvége folyamán készen lettem az Attila által készített kapcsolóüzemű tápegységgel! Jelenetem az áramkör elsőre beindult,és csak kisebb hibák voltak elrejtve benne,ami kifejezetten csak az én figyelmezetlenségemből adódott!Persze! Itt van pár kép a tápról! És persze várom a kritikákat is! Táp 1Táp 2Táp 3Táp 4Táp 5
Köszi!
Az után építéssel nincs gondom csak az a fránya tervezés... |
Bejelentkezés
Hirdetés |






A kapcsolás alapja a BSS-en megtalálható


) A színkeverés eléggé random, persze ez most csak két helyen látszik: először szépen váltják egymást a színek, majd a vidi végén hirtelen vált pirosból fehér-kékké.



















