Fórum témák
» Több friss téma |
Mielőtt kérdezel, a következő két dolgot ellenőrizd!
I. A helyes tápfeszültségek megléte.
II. A kimeneten van-e egyenfeszültség.
Élesztés.
Nem írtad, hogy van-e hangerőpoti a bemeneten. A videón a te erősítőd van, vagy csak azért linkelted, mert neked is ilyen van?
A tápegység többnyire drágább mint a végerősítő, ezért lehetne ez a kiindulási alap.
A 8 Ω-os terhelésre leadott 20 W-os teljesítmény 18 V amplitúdójú szinuszos jelet igényel. Ezt elérheted 1x36 V, 2x18 V tápfeszültséggel vagy 1x18 V, 2x9 V hídkapcsolással. Erre még a félvezetők maradékfeszültsége és a tápesés miatt pár voltot rá is kell számolnod. Rendelkezel olyan forrással mely a fentiek valamelyikét kielégíti és 20-30 W-tal terhelhető?
A videón az én erősítőm látható jelenleg van poti elötte
Sziasztok!
Adott az előzőekben már leírt Ágota 1200-as erősítő. Az első élesztés sajnos kudarccal végződött, újra elszállt pedig az tápba kötött izzó(60W) azt mutatta rendben van. A második élesztésnél a teleképen lévő bal oldal reléje behúz, az izzó (15W) azt mutatja rendben van. Viszont a jobb oldali (csak félképes) oldal reléje nem húz be, viszont az izzó itt is szépen elhalványodik. Mit mérjek illetve ellenőrizzek még le, nehogy az izzó kiiktatásával megint elküldjem a feteket.
Válogatad a Feteket nyitó feszültség alapján ?
Nem, mert Pestről rendeltem a HEStore-ból és ott csak személyesen van erre lehetőség.
Akkor tedd meg ! Különben úgyan úgy csatt lesz !
Ha nullára letekert potival dugod rá a telefont akkor is pattan?
Csak pár apróság, mielőtt több FET-re dobsz ki pénzt potyára. Ha javítás alatt tesztelsz a panelt külön tápról tápláld amin van áramkorlát (fontos a közös földpotenciál!) vagy ha a végfok tápjáról tudod csak meghajtani a tápbiztosítékok helyére egy minimum 5 de inkább 10 wattos (vagy nagyobb) ellenállást tegyél. Ennek értéke a tápfesztől függ. Ildomos legalább 50 ohmosat rakni ekkora tápfesznél mint a DS 1200-ban van. A kimeneteken ne legyen terhelés és a bemenetet pedig rövidre kell zárni! Ezzel kizárod a zajokat és a nem kívánatos gerjedést. Innentől indulhat a mérés, jó ha van oszcilloszkópod mert a fellépő tüskéket és gerjedéseket csak ezzel látod, multiméterrel nem a mintavételezési idő miatt. Ami pozitívuma az áramkorlátnak hogy problémás a helyzet beesik a feszültség...
Remélem tudtam pár támpontot adni!
Mondtam hogy válogasd össze...Egymással párhuzamos feteket pláne,az egymással szemben lévők P-N -+ oldal nem muszáj hogy egyezzenek...
A hozzászólás módosítva: Jan 31, 2018
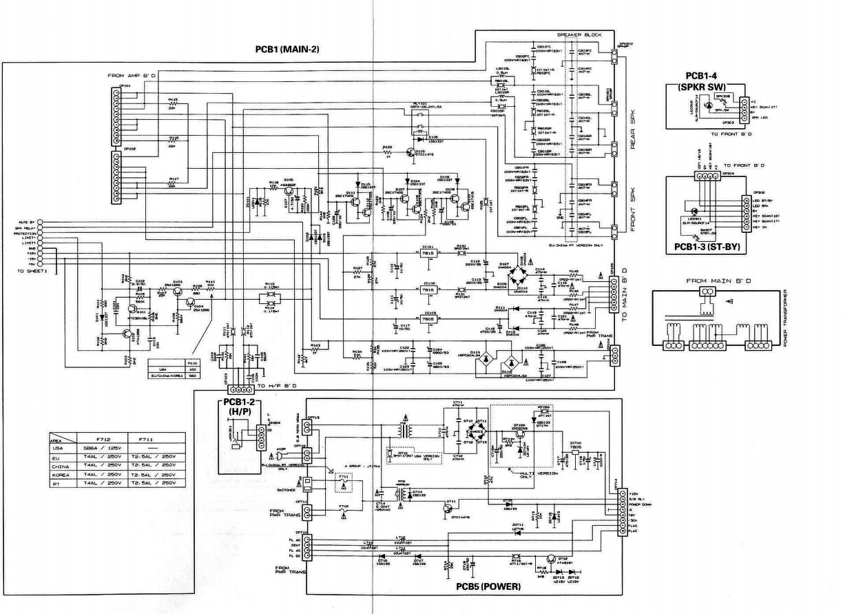
Szia! Köszönöm a választ. Költözésben vagyok, és mint kiderült, az elhozott multiméterem rossz, random számokat ír ki. Berajzoltam az egyik oldalt, a zöld sávok a NYÁK tetején, a narancssárgák alul futnak. Ebből remélem ki lehet indulni, hogy mit kellene cserélni, változtatni.
Ha jól vettem ki, akkor +- táp van benne egy MC34063-mal megoldva. A hozzászólás módosítva: Jan 31, 2018
Néztem a rajzot, és van pár gondom. A cső 9 lábú, viszont a 6j6 az 7 lábú. Tehát a cső kivezetéseit nem tudtam azonosítani. Ha normál mezei ikertriódaként nézem, akkor kissé zavaros a bekötése. Ezért még a cső belső bekötése kellene. De a baj nem ez, mert a DAC kimenetéről a hangerő poti után van a csöves rész. Így a Windows hangerő szabályzója lejjebb vett poti állásban nem szabadna torzításba vezérelnie a kimenetet. Tartok töle (közben angolra váltott a billentyüzetem), hogy a hiba a hangerö poti elött van.
Sziasztok!
Játszadoztam még a 2-3mp után kikapcsoló sherwood 5.1-es erősítővel. Az erősítő rész kap +/- 40V-ot. A kimeneteken, ha minden jól le van földelve, akkor nem mérek egyen feszt. Az alaplapon a két stab 15v-os tranzisztor nagyon melegszik, jó tudom, hogy nem véletlenül van hűtőbordája, de inkább éget, mint meleg és így van ezzel a TC9273-as IC is. Na jó az lehet nem süt, de nagyon meleg. Továbbá, nem tudom, hogy működnie kellett e volna, de ami az erősítőre mennek csatorna jelek, megpróbáltam felerősíteni másik erősítővel, de akkor is csak búgás volt az eredmény. A hozzászólás módosítva: Jan 31, 2018
Valamelyik csatorna meglehet halva és ezt érzékeli a védelem tehát kikapcsol. Megvédi a hangszóródat. Nekem ilyen gondom volt szintén 5.1 es erősítővel ott az egyik 3 csatornás STK egyik csatornája durrant be.
Sziasztok! Hozzám került egy keenwood kA-5010. Az a problémám vele, hogy gondol egyet és le old a relé és elhalgat. Kikapcsolom várok vele egy kicsit vissza kapcsolom vissza behúz a rélé és megint jó kb 5-10 percig valmikor több ideig is (30perc-kb 1 óra). Lekaptam a tetejét és bele kukantottam egy alkatrész volt már cserélve az egyik oldalt a végtranzisztor előtt találahtó teljesítmény ellenállás. Még arra lettem figyelmes, hogy ha mozgatom a macagokat benne akkor egyből leold, utána nehezen akar már vissza kapcsolni pihentetés ellenébe is. Valaki tudna segíteni?
Ahol mozgatod a macagokat na ott kell keresni a kontakthibát.
Most használom kb 30 perce megy eddig és még nem kapcsolt ki. Most érdekes módon hiába mozgatom a macagokat, nem kapcsol ki
Inkább d - vel és z -vel.
A hozzászólás módosítva: Feb 1, 2018
Még arra lettem figyelmes, hogy nagyobb hangerőn egyből leold. Lejjebb veszem a hangot várok kb 5mp behúz a relé és megy megint a zene
Úgy is próbáltam, hogy kikötöttem a hangfalakat. Ahogy tekerem a hangot rá kb féluton jár és ott leold a relé. Visszább tekerem vissza kapcsol A hozzászólás módosítva: Feb 1, 2018
Ha a pirossal jelölt vonal mentén egy vezetékdarabbal áthidalod a cső két lábát ( persze cső nélkül), akkor csak a NE5532 lesz a körben. Annak az erősítése ((47+33)/33)+1, tehát 3,4 szeres. Meg kellene nézni, hogy az áthallás csökken-e. Elképzelhető, hogy a mély hangok ereje csökkenni fog, mert a két piros 1µF-os vima kondi most nem az 1MOhmos rácslevezető, hanem a 4,7KOhmos katód ellenállásra dolgozik. Így az alsó töréspontot 35-40 Hz között lesz valahol. Viszont az áthallás és az ebből fakadó egyéb probléma le kell hogy csökkenjen. Egyébként szépen látszik, hogy a képen a jobb oldali cső kimeneti pontja nagyon közel van a bal oldalinak a bemenetéhez (rácsához), így érthető lenne az áthallás. Ha jól kalkulálom, a cső nem a visszacsatolásban van, hanem a DAC, és a kimeneti fokozat között egy csöves fokozat.
A kimeneti NE fokozat erősítését szükség esetén egyébként például az R13, illetve az R16 módosításával lehet befolyásolni.
A relé kontaktor részét is csiszold fel, vigyázz! Csak finom polírpapírral 1 et húzz a pogácsáján míg le nem jön róla a szenesedés/korrózió.Ezek a szakaszos hibák általában kontakthibák..Akár a relé is lehet a ludas mivel ilyenkor jócskán megnő az átmeneti ellenállása, erre a védelem leoldással válaszolhat.
A hozzászólás módosítva: Feb 1, 2018
Sziasztok!
A SAP08P02822/SAP08N02719 végtranyókat ki lehet mérni valahogy, hogy tennék a dolgukat, vagy már jobb létre szenderültek-e?
Köszi. Holnap megoldom
Jobban szétnéztem benne és találtam forrasztás hibát.Kijavítottam és azóta több óra hossza üzemelés közbe se old már le, csak kb ha több mint a fele hangot ráadom, de tudom korrigálni a mély basszus potival. (Teljesen letekert basszusnál tovább is bírja) Teljes basszusnál kb félhangerőig. Azért írom le hátha jelent valamit
Szia! Az egyenfeszültség-védelemben van egy C42 pozíciószámú 100 µF kondi. Elképzelhető, hogy ki van száradva. Mivel ez egy polaritásfüggetlen elkó, 2db 220 µF sorosan, polaritással szemben kötve tudja pótolni.
Relé kontaktust nem csiszolgatunk, mert rontjuk a felület nagyságát, és beéghet!
Bocsi Én a védelmeket, főleg más okból ugyan, de saját tápról járatom. A hozzászólás módosítva: Feb 1, 2018
Persze, nem ez a módszer a legjobb (sőt kontár is), de volt hogy nem akadt relé a fiókban..Akkor ideiglenes megoldásnak megteszi. De legjobb ha cserélve van ha már az a rossz.Mindenesetre zárt állapotban egy egy érintkező ellenállást mérnék.A védelmeket jobb is külön járatni sok esetben, én is így csinálom segédtáppal.
Van hogy több segédtáp is helyet foglal egy dobozban.
Kedves Zotya,
kontakt hibát jelfogónál, jusztírozó fogóval illene áthúzni, ami nem sérti fel a felületét. Tudod én nem tudom elfogadni, hogy a 'barbárságot' türelmetlenséggel magyarázod, és pláne, hogy mindezt követendőnek ajánlod, már csak azért sem, mert nem gondolnám költséghatékony megoldásnak. |
Bejelentkezés
Hirdetés |








Ha jól vettem ki, akkor +- táp van benne egy 










