Fórum témák
» Több friss téma |
Szia. Szerintem az a tekercs egy fojtó az FM antenna és az AM bemenet között. Arra szolgálhatott, hogy csak egyedül az FM antennával is bejöjjön a rövidhulámú sáv (Ha van olyan ebben a rádióban), de mindenesetre a menetszáma alapján csak valamilyen fojtóként funkcionálhatott. Esetleg annak a keverőnek a tápfeszültség szűrésére szolgált, amit kivettél. Nem tudom hol laksz, de minálunk jó rádión már akkor is bejön a műsor tükörfrekin, ha az éppen OIRT hangolású, ha meg a sávban vagy, legalább valamelyik szélén valami biztos bejön. Fehér zajnak már tuner nélkül is kellene lennie. A KF szűrő bemenete csavarhúzóval, vagy egy méteres dróttal megérintve hogy reagál? Rövidhullámú prüttyögésnek kellene hallatszania 10,7 MHz-en, legalábbis a zajszint változásának. Ha mindenhol süket a rádió, volt tanítómesterem mondta, az oszcillátor nem megy (tuti 100%). Ha nagyon érzéketlen, akkor esetleg a nagyfrekvenciás előerősítő rossz(Ez az antenna bemenetre kapott villám, vagy nem oda való dolog bedugása követketménye miatt megy általában tönkre). Amit most írtam, az alapján már 1 db csavarhúzó és multiméter birtokában semmilyen leírás, rajz, komolyabb műszer nélkül tudnám, hol kellene keresgélni a hibát.
Nos a te kedvedért letöltöttem magamnak a készülék dokumentációját. Úgy van, ahogy gondoltam, az AM és az FM antennahüvelyek között van az a fojtótekercs csak akkor érdemes vele foglalkozni, ha rövidhullámon is akarod használni az FM antennájával, amit nem igazán hiszek. Ha nincs rendes zaja, lehet, hogy már a KF sem megy.
Jó napot.
Ezt a cikket ezermesterben találtam remélem használható.
Kis tekercs AM és az FM antennacsatikat kötötte össze, ki is hagyhatod.
Tuner tápfeszültségeit ellenőrizd.
Adjisten.
Nagyon köszönöm a fotókat! Kinyomtatom, áttanulmányozom.
Kihagyni épp nem célszerű (már ha a bemenetek egy antennán vannak), az azért van ott, hogy a bemenetek ne söntöljék egymást.
Jobb ha kihagyja, FM vétel a lények, AM-re használhat egy darab vezetéket is.
Egyébként sincs semmi értelme KH sávot használni.
Nagyon köszönöm a részletes választ.
"A KF szűrő bemenete csavarhúzóval, vagy egy méteres dróttal megérintve hogy reagál?" - megmondanád, hogy megmondod, a rajzon melyik az a pont? Amúgy Kelet-Budapesten lakom, a hely nem lehet probléma szerintem.
Az igaz, de ha bent van, ha nincs, nem oszt nem szoroz, nem ettől nem megy. Valószínűleg csak újra kéne hangolni. (nem a KF -t)
Múltkor már beszéltünk róla, oszcillátor működését ellenőrizd, akkor említett módon..
Rendben. A képen (már amennyire ki lehet venni) a "Dr102" jelű az a tekercs, amit meg kell érintenem? Köszönöm.
Nem, L103 az oszci, ha forgó 3. kamrájában az állórészt megérinted az is jó.
A hozzászólás módosítva: Máj 25, 2017
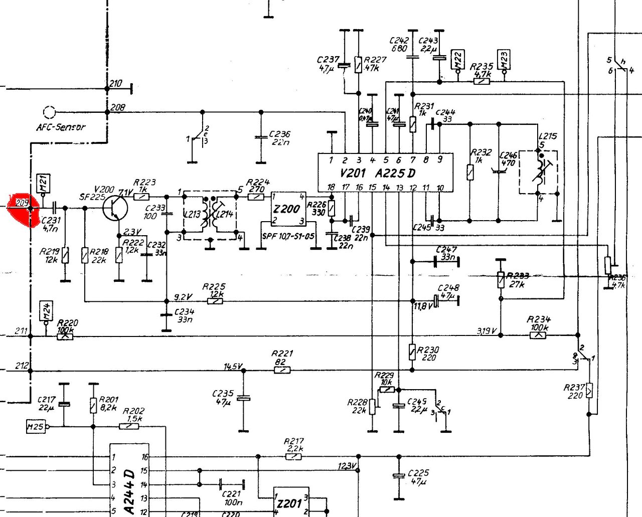
Felteszem ide a tuner és a KF erősírő rajzát. A KF bemenetet és az oszci tranzisztort pirossal megjelöltem rajtuk. A KF mire reagál, azt az A 225D IC 18 lába és az előtte levő tranzisztor M21 jelölésű mérőpont között próbálgathatod. A tranzisztorok hibáját a rajtuk levő egyenfeszültség méréssel is meg lehet állapítani. Esetleg egy másik, működő zsebrádióból is át lehetne lógatni a KF jelet bár mondom ha a bemenetekhez hozzáérsz, a zaj megváltozása már a működés jele lehet. Az oszci működéséről szkóp vagy frekvenciamérő nélkül minimum azt kellene megtudni csak, hogy megy-e? Aztán hogy milyen frekvencián, azt meg lehetne tippelni, ha venne valamit. Az a kis tekercs az L903 a rajzon, egyelőre nem kell vele foglalkozni.
A hozzászólás módosítva: Máj 25, 2017
Még azt vettem észre a tuner rajzon a zárójelben levő kondenzátor értékek helyett kell a zárójel nélkülieket betenni.(C102, C110, C122)
Ha hozzányúlok, határozottan változik a zúgás. Ha hozzáér a kezem, akkor van az az igazi "fehér zaj" jellegű zúgás, mint amikor két adó között vagyunk.
A keresőt végigtekerve sajnos így sem jön be semmi.
Nagyon köszi a kiegészített, bejelölgetett rajzot!
Gyanús az a tekercs a kék trutyival, a kettő közül a képen a közelebbi. Kicsit olyan, mintha piszkálták, feszegették volna (mintha sérült lenne a kék festék).
Lehetséges, hogy valaki anno így próbálta át-/behangolni? Lehet, hogy azért nem jön be semmi adás? A hozzászólás módosítva: Máj 25, 2017
Mérni kell, tápfeszültségeket, tranyók feszültségei.
Nekem az gyárinak tűnik. Épp kék zománcuk volt kéznél, avval próbálták rögzíteni a dolgokat benne. Határold be, mije nem megy. Vagy egy antenna (drót) amivel lépkedsz a KF IC bemenetétől (18. láb) az antenna bemenet felé fokozatonként egyesével, vagy egy rádióból lógatod át a KF jelet, ha van olyan zsebrádiód, amit nem nehéz szétkapni, és nem sajnálsz e célra. Ha megvan, mi nem működik, akkor mindenképpen feszültségeket kell méregetni a tranzisztorokon, mondjuk a zárlatosat én hidegen is megtalálom ellenállásmérővel (félvezető vizsgálóval). Esetleg szakadás is lehet valahol, vagy egy zárlatos kondenzátor.Az előbbi a panel és a huzalozás alapos átnézésével, utóbbi már inkább csak méréssel deríthető ki. Feszültségértékek ott vannak a rajzon. A tranzisztorok E-B lába közt 0,5-0,75 Voltot, E-C lába közt legalább 1,5 Volt illetve tápfesz közeli értékig mérsz, akkor nem hibásak. Az IC-t meg kellene kínálni egy kis KF jellel, ha az jónak tűnik, akkor csak a tunerben kell tovább keresgélni. Így távolról tényleg nem lehet a tutit megmondani. Sok mindennel találkoztam már pl: nyomtatott áramköri fólia hiba, hidegforrasztás, szakadt ellenállás (mostanra korrodált el a kivezetés, ami gyárilag se lehetett jó) zárlatos kerámia kondi nem beszélve az ilyen idős készülékekben gyakori tranzisztor hiba ( akkor még elég gyerekcipőben volt a tranzisztorgyártás). Ezeken kívül, ha valaki látványosan belepiszkált, az is lehet hibaok, nincs -e valami vezeték leszakítva?
A hozzászólás módosítva: Máj 26, 2017
Szaktudás hiányában nem másztam bele jobban a javításba, viszont "ismerős ismerőse" megjavította olyan szintig a rádiómat, hogy szól végre az FM (zajmentesen, jó minőségben), de úgy, hogy az állomáskereső jobb oldali végkitérésénél valamivel visszább a Petőfi jön (94,8 MHz). (Tehát az e fölöttiek nem elérhetők.)
Én úgy gondolom, hogy egyrészt itt bejátszhat az, hogy az OIRT sáv kisebb tartományt fogott be, mint a CCIR, ill. valószínűleg el is van csúszva a 88 -->108 közötti 20 MHz. Mi a véleményetek? Innen hogyan tovább? Köszönöm a válaszokat előre is. Idézet: Erről én ezek után azt gondolom, hogy az az ismerős nem hangolta ténylegesen vissza a rádiódat, csak addig tekergette benne a trimmer kondenzátorokat, mígnem tükörfrekvenciásan, nem felső, hanem alsó keveréssel a fogható adókat behozta rajta. C102, C110, C122 kondenzátorok értéke mennyi? Ki lettek cserélve? Végül is mit akarsz? Ráolvasással vegyük rá a rádiódat innen távolból, hogy fogjon át 20 MHz-et?„"ismerős ismerőse" megjavította olyan szintig a rádiómat, hogy szól végre az FM” Idézet: Kapcsolási rajz viszont rendelkezésedre áll, de te azt sem tudod, az ismerős hogyan "hangolta" vissza a rádiót, ezek után én nem tudom, ki és hogyan segítsen innen. „Szaktudás hiányában nem másztam bele jobban a javításba,”
Kedves Fecameca, ki fogom deríteni, mit csinált vele, ill. a három kondi jelenlegi pontos értékét is megadom. Köszi a segítségedet.
![]() Idézet: Tudom, hogy nem így értetted kérdésed, de végül is azt szeretném, ha ezzel a tunerrel tudnék rádiózni 88 és 108 MHz között. „Végül is mit akarsz?”
Csak a rajz szerinti kondenzátor cserével 88,7 és 104 MHz között fog menni. Ahhoz, hogy 108 MHz -ig menjen, meg kell növelni a hangolt körök átfogását, első sorban az oszcillátorét.
Sziasztok.
Valaki Miskolc körül nem tudna erre a videoton rm 5642-re ránézni esetleg megmondani mi lehet a baj? Rádiókat alig fogja,pedig próbáltam szabad téren is...recseg,zajos nagyon. Most szereztem "alkalmi" áron szóval az előéletéről nem tudni semmit. videoton
Sziasztok! Van egy Vef 222 rádióm, de csak az OIRT nomájú sávot fogja. Tükörszelektivitással bejön a Petöfi de más nem. Át lehet ezt hangolni CIRR sávúra?
Persze. A forgókondival párhuzamosan kötött plusz kondenzátorokat kell általában kidobálni. Ha szerencséd van, talán még a sávátfogás is rendben lesz. Konkrétan ezzel a VEF-fel még nem volt dolgom, de már hangoltam át orosz rádiót, meglepően jó eredménnyel. Ezeket a készülékeket a tajgába tervezték, érzékenyebbek, mint a távol-keletiek minimum egy nagyságrenddel.
sziasztok,
lenne egy olyan kérdésem, hogy tudnátok e segítséget adni abban, hogy videoton R4932-es rádiót hogyan lehetne áthangolni nyugati URH-ra. Azt az SO42-es átalakítót megcsináltam, de nem igazán vált be, az igaz, hogy az antennacsati alsó részébe dugtam és nem árnyékoltam le a panelt, na de mindegy. Esetleg ha tudnátok abban is tanácsot adni, hogy hogyan lehetne kicsit felújítani elektronikailag a rádiót, mert hát ad ki mindenféle sípolást, meg el is hangolódik. Köszi előre is!
Ez egy teljesen elektroncsöves rádió variométeres hangolással. Soha nem találkoztam még vele. Erősen gyanús, hogy csak a tekercsek újratekercselésével lehetne megoldani. Amúgy a radiomuseum.hu oldalon ott a rajza pdf.-ben
|
Bejelentkezés
Hirdetés |


















