Fórum témák
» Több friss téma |
Fórum » ATX-táp problémák, meghibásodás
Öszintén én inkább kidobnám a tápot a kukába
. nem ér annyit a javitása amennyi kárt okozhat egy hibás táp..(szamtech szerviz tapasztalat)...meghát a mercury márka is magáért beszél
Sziasztok
Olyan problémám lenne, hogy a nemrég vásárolt ATX tápom tönkrement. Amit eddig sikerült kimérnem, hogy nem megy a készenléti trafója. A PS-ON vezetéken nincs 5v. És a vezérlő ic (SG6105) sem kap tápfeszt. Eddig amit cseréltem rajta, az a készenléti trafó meghajtó tranzisztora, és az azt meghajtó kisebb tranzisztort cseréltem, de továbbra is semmi. Mit kellene még megnézenem, mi lehet a gond?
-Biztosíték?
-Trafó menetzárlata? -Van ott egy Zener is a "kistranzisztor" CE-jén. Azzal mi van? -A Pufferen a nagyfeszültség megvan? -Optó nem kakukk? Anélkül, hogy látnánk nem lesz egyszerű jó tanácsot adni.
Biztosíték: OK
Trafó: OK Nagyfeszkó: OK Opto, nem tudom, elvileg jó, megmértem, nem zárlatos, és nem is szakadt. Valahol a tranyók környékén lesz a gond, mert az eggyik kettő volt törve mikor kiszedtem, kicseréltem de még nem okés.
Készenléti tápok kondijai rendben vannak?Elsösorban a kiskapacitásuak!
Még azt nem nézttem. De feltettem egy képet, eddig hol volt a hiba. A rajzon mindkét tranyót kicseréltem, a táp halkan zúg, tehát gondolom jár benne valami, de az optocsatolónál nem mérek semmilyen feszkót, egyik oldalán se. Bár lehet azért mert itt gondolom pár khz-es jelnek kéne lenni-e, a multiméter meg max 50hz tud mérni.
A másik hogy a képen látható T1 tranyó gondolom "fel van húzva" a pozítívra, csak már most itt mindig 0v mérek. Pedig a T2-es bázisán sincs feszkó.
Ez a rajz biztosan jó ?
Ha zúg benne valami az nem a készenléti táp? Túlterhelten cicereg vagy csak cicereg? Ezeknél a tápoknál ha a bizti nincs kiolvadva általában a szekunder oldalon a kapcs ic tápjában lévő kondikat érdemes kicserélni megnézni (esr). Esetleg a feteket vezérlő trafó és az ic közötti kondikat. Ami még gyakori hiba a kimeneti diódák zárlata. Ha a bizti nem volt kiolvadva szerintem rossz nyomon jársz a primer köri tranzisztor cserével.Ha ez felrobban szinte biztos hogy viszi a biztit is. Kondik nem puposak? (ha sok akkor lehet olcsobb egy új táp mint az összeset kicserélni) A gépet kipróbáltad másik táppal? (ha nem működik akkor ezt a "tápot" sürgősen elhajítanám)
Esetleg a lerajzolt körben ha van kondi azokat is megnézném.
Ezt biztosan elrajzoltad...
1/ Az optó kivezetett bázisa nem lehet összekötve a kollektorral, hisz' akkor örökké nyitva lenne a tranyó. 2/ Az optó kollektora biztos, hogy nem mehet a +310V körüli pufferre (trafó felső kiv.) Ha ez így lenne, rögtön meghalna. Itt egy rajz, talán valamennyire hasonlít.
Kondinak alkatrész az lenne, mert van itthon pár AT-s táp alkatrésznek valami csak jó belőle.
A gépnek semmi baja nem lett, kipróbáltam másik táppal is. Kondikat + didódákat most nézem át, majd írok mit sikerült kihozni belőle.
A készenléti táp primer oldalán szokott lenni a "kis" tekercsnél egy diódás egyenrányítás és egy puffer. Erről a pontról kap a kapcsolótranyó negatív előfeszítést. Ez a pufferkondi (22-47u) előszeretettel megszakad vagy kapacitáshiányossá válik, ami által a negatív előfeszítés elégtelen lesz, megnövekszik az áram a kapcsolótranyón és egy idő után elszáll. Elég sok tápban találkoztam már ezzel a hibával. Sajnos van, hogy a túláram viszi magával a készenléti trafó primer oldalát is.
Megnéztem azt a bizonyos kondit.
Tehát ha jól értelmeztem, akkor: Van egy kondi a tranzisztor bázisán, ami nullára van kotve, eddig OK ott nincs hiba. De nekem a tápba 2 db tranzisztor van kotve, kb berajzoltam hogy mi mire van kötve (Az R3-mas részt nem tudtam végig kinyomozni az nem 100% hogy úgy van) Tehát a T1-es tranyó bázisán folyamatosan 0,6V van tehát a T2 tranyó nem üzemel, mivel ennek a bázisán nincs feszkó, a nullára húzó kondi meg jó, akkor talán az optocsatoló a rossz? De az optocsatolo mintkét felén 0V mérek. Mi lehet a baj?
Tanulmányozd ezt a rajzot. Elég tipikus megoldás a standby oldalon.....
A kondikat mivel nézed ?(van LSR mérőd ? kapacitás mérő csak nagyon ritkán mutatja ki a hibát.) Ha nincs hozzá műszered saccra úgy lehet, hogy kb a névleges feszültségére (én max 30V szoktam ) feltöltöd utána egy hegyes tárggyal kisütöd, ha nem szikrázik egy picit sem akkor szinte biztos hogy kuka bármekkora a kapacitása a mérő szerint (min 1mF 16 V ig használható),Bizonytalanság esetén kontrol mérés egy biztosan jóval .(itt szinte minden kondit low LSR esre érdemes csak cserélni.)
Én nem tudom ti hogy vagytok vele, de én nem méregetem hanem kicserélem. Filléres tétel.
Azért szeretem tudni, hogy várható e tőle eredmény. Az ismertebb esetekben meg, gondolkodás keresgélés nélkül csere.
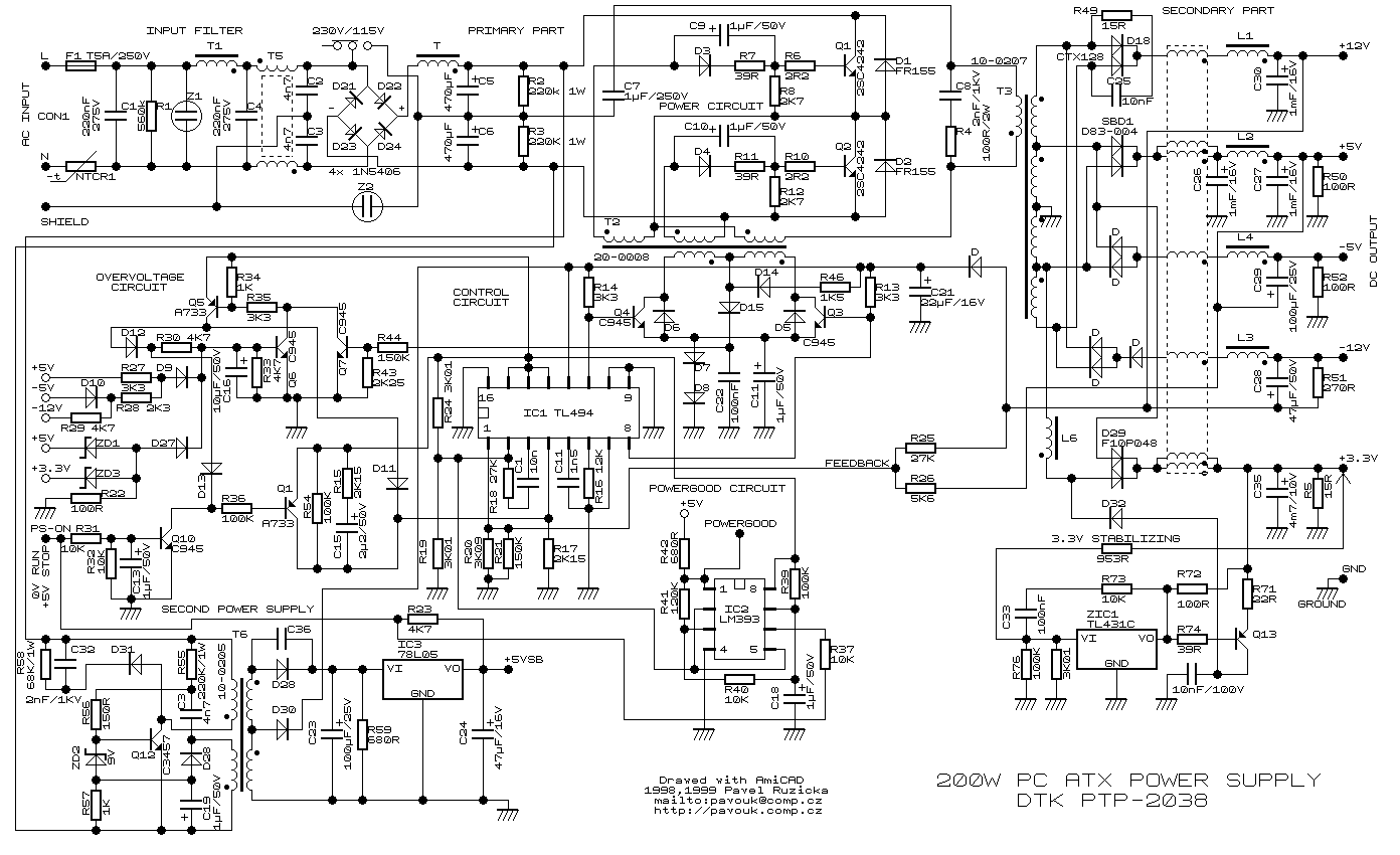
Lehet, hogy ez a kép már járt itt a topicban, mert nagyon sok helyen lehet találkozni vele a neten. A bal alsó sarokban van a készenléti táp, a rajzon a C19 pozícióban lévő kondiról beszélek.
Egyébként tranzisztoros készenléti tápnál én pont ezen a rajzon lévő elrendezéssel találkoztam a legtöbb tápban, azért is raktam fel. Persze ahol van optós visszacsatolás a szekunder oldalról, ott valahogy a szabályozást bele kell vinni a rendszerbe, erre kellhet a második tranzisztor. Ha nem megy a készenléti táp, akkor jogos, hogy a szekunder oldalon nullát mér az ember az optocsatolón, de vissza kell rajzolni rendesen, hogy a primer oldalra tudjon valamit mondani, hogy ott melyik ponton minek illene lennie. Gondolom, például az impulzustrafónak is van még egy plusz tekercse a primer oldalon a nagyfeszültségű mellett.
Ez egyébként igaz, ha jót akar magának az ember, akkor cserél mindent, amire a legkisebb gyanú vetődik.
Mostanában nem láttam ilyen megoldást, a FET+Bipoláris+Optós megoldás dominál azokban amiket javítottam, mint a belinkelt rajzon.
Ezen az 1 tranzisztor + szekunder oldalon stabilizátoros megoldásnál, ha rendben vannak a kapacitások és az aktív elemek a 2 db. nagyértékű ellenállást is megnézném nincsenek-e megnyúlva.
Sikerült megcsinálni a készenléti tápot
a mellékelt rajzon lévő kapcsrajz segített nagyon hasonló az egyémhez. szinkód alapján egy 100 ohm-es ellenálásból képződött 6.5kohm ezt kicseréltem és most működik. De nem indul el a táp, a készenléti részen kijön az egyik szálon +5 volt viszont a másik szálon +12volt ez jó? És még vajon hol lehet a hiba, hogy nem indul be a táp. Remélem nem a vezérlő ic nyiffant ki.
Hello!
(Szörnyű ez a rajz! Mint ha, egy részeg gépész rajzolta volna.) Ez az" egyik szál - másik szál" nem túl érthető. Elvileg a készenléti +5V van kint egy lila dróton, a kapcsoló szál meg zöld, de ott is 5V szokott lenni. A zöldet kell a földre húzni, arra indulel a táp. - A KA7500 (TL494) 12-es lábán mérd meg a feszültséget, minimum 9V-nak kell lenni. - A 14-es lábon +5V-os referenciának kell lenni. - A 4-es lábon (Dade Time bemenet) közel nulla volton kell lenni. Ha magasan van (5V), a védelmi áramkör tiltja az IC működését. (LM339-LM393-tranyós...) üdv! proli007
hali
Olyan problémám lenne hogy van egy számítógéptápom(atx 2.03(P4) model 300xx) és leveri a biztosítékját. Semmi égés vagy ilyesmi. Mi lehet a problémája? Mi mehetett benne tönkre? ha tudtok segítsetek előre is köszönöm!
Mármint az olvadóbizti kiég?
nézegesd az elejében a diodákat lehet egyik átment rövidzárba, de szerintem kb 10 topic foglalkozik már pc tápokkal oda kellene irnod. szerintem a modik mindjárt zárolják.
sok jot hozzá
Hello!
Húha! Elég kellemetlen kis IC. Ezt sem a javításra készítették. Itt minden be van itegrálva, és szinte semmi nem férhető hozzá. Itt vagy minden jó, és akkor nézheted, hogy jó, vagy valami roszz és akkor áll az egész buli. Hiba esetén az időzítések néhány milliszekundum alatt lejárnak és leállítják a tápot. (Aztán már "üzemszerű" a helyzet.) A diagrammokon valamit lehet bogarászni, de ott szinte csak az üzemszerű állapotot látod. A tömbvázlaton meg végig menni, hogy időre ki mikor működik? - Ezzel közelebről és behatóan meg kellene ismerkedni, vagy kutyákat dobálni vele. De amit Te referenciának nézel, az nem az! Ebben ai IC-ben van beintegrálva, 2db. TL431. Szerintem Te azt nézed referenciának. - De az egyik a segédtápfesz szabályozására van beidomítva, (és szerintem ha az megy, akkor Te ott látod a 2,5V feszültséget) - A másikkal a +3,3V-ot szabályoznák, (mert azt külön kell) de mivel szerintem nincs kimenő feszültséged, így ott sincs feszkó. - Az egész indítása a PSon láb lehuzására indul, és a valódi referencia, amihez képest az 5 és 12V szabályozása történik, az a 18. láb SS feszültségén látnád, de azt is kapcsolja egy tranyó. (ott a rajz szerint csak egy kondi van) de ez is csak akkor jelenik meg, ha a feszfigyelők nem intenek be neked. Ha igen, leszabályozza a PWM fokozatot. Szóval, félek, hogy a vaktyúk módszerrel hamarabb eredményt tudsz elérni, mert a feszfigyelő fokozatok kimenetét nem látod, így nem tudod mi tiltja le az IC-t, ha az, egyáltalán jó. Még két lehetőséget látok: - Beadni minden feszt a kimenetekre, ami megközelíti a valós állapotot (plusz mindre terhelés) és így megpróbálni elindítani. - Többcsatornás tárolós szkóppal figyelni a feszültség felépülését. (de gondolom az meg nincs) Esetleg nyomkodni a PS-on-t és tapizni szkóppal, hogy egyáltalán akar-e beindulni vagy sem. Szóval sok kacsám nincs. üdv! proli007
Üdv mindenkinek!
Vagy egy érdekes történetem avagy kérdésem! Adott egy "fullos" gép, 550W Chiftech táppal! Többbször, megfagyott ok nélkül a gép, még kékhalállal is fenyegetett! Aztán meghalt a gép! Szervízben, megálpították hogy a egyik memória és a videókártya nembírta a strapát, meg a táp! Előse, arra gondoltam, hogy a táp hibájából, következett be mindez! Aztán 2 teljes hónap mulva, megkapom a gépem, tökéletesen működik, de ami már az elején, felhívta a figyelmem, az a tápból jövő zaj! Akkor mér csak arra gondoltam, hogy lazábban, olt tekercselve, és ezért "zizegett" a szűrőtekercselés. De ez túl egyelenletesnek hallatszott (és 50Hz esnek tünt), aztán még egy hét sem telt el, és megint megdöglött a gépem! Nagyon valószínű, hogy a táp miatt megint! Kérdem én hogy mi lehetett a konkrét hibája? Amikor még működött, akkor a BIOS -ban néztem az adatokat, és csak arra emlékszem, hogy a 12V=11,57; 5V=5,11 körül mozgott, néha pontosan is beált, tized pontossággal. Csak informálódok, nem akarom szétszedni a tápot, csak a boltos fejét holnap a boltban! ![]() Ja és még egy furcsa jelenség, amikor teljesen jó volt a tápom, akkor semmit nem zavart, de mielőtt előszőr meghalt volna a gépem, előtte 2héttel kezte ezt a zavar keltést, csak akkor még nem derült fény hogy a tápom adja! Konkrétabban, bekapcsolom a gépet, és egyszerűen, a ábeltv -n az össze URH sávot, megzavarta, olyannyira hogy az egészképet interferencia csíkok "járták" át, miközben a hang az tisztán hallható! Hoppá és most is ez van, jelenleg!!! Kiváncsi vagyok ehhez ki, mit fog hozzá szólni?!
Upsz és a kép...
(m TV, éppen nincsen adása, valamiért nincsen ott a monoszkóp,de így jobban látszik az interferencia csíkozások) Még annyit, hogy az egész lakásban tapasztalható ez a jelenség, de olyannyira, hogy tő falszomszédunk kihívta a kábeltvseket, hogy javítsák ki az antennájukat (mert ezek a csikozódások is jelen voltak), közben én meg nem mondtam el neki, hogy az tuljdonképpen az én gépeből származik! (az antennávalsemmi gond nincsen, bár nincsen EPH -ba bevonva, de nem ez az oka)
Egyáltalán védőföld van a szgépnek?
Szia!
Szerintem nagy eséllyel kiszáradt valamelyik, a 230V-os bemeneten lévő pufferkondi (vagy rossz forrasztás miatt levált az egyik lába). Ott legalább 470u/200V-osból kellene kettőnek lennie. Nekem nemrég egy monitor tápegysége produkált hasonlókat, a hálózatot egyenirányító graetz utáni puffer volt szó szerint kopogósra kiszáradva, egyik lába a kifolyó elektrolittól teljesen elrohadva - csoda, hogy a tápegysége egyáltalán működni tudott valahogy. Ugyanilyen jellegű zavart tolt a 230V-os hálózatra, és azon keresztül a környéken lévő minden vevőre. Kicseréltem és minden jó lett. |
Bejelentkezés
Hirdetés |




. nem ér annyit a javitása amennyi kárt okozhat egy hibás táp..(szamtech szerviz tapasztalat)...meghát a mercury márka is magáért beszél











