Fórum témák
» Több friss téma |
Fórum » Elektronikus előtét fénycsőhöz
Témaindító: Dr.God Man, idő: Feb 22, 2010
Témakörök:
A téma hozzászólásai áthelyezésre kerültek ide » Elektronikus előtét fénycsőhöz
Hello!
Milyenek azok a csövek? Ha ilyenek, mint a fotómon... ..vagy effélék lennének? A hozzászólás módosítva: Feb 15, 2017
Szasztok!
"effélék" lennének, van amikor kapcsolgatásra két cső begyújt, de a következőre megint csak vibrál.
Azoknak a csöveknek az élettartama: "500 üzemóra"
"Miben?"...hát a fiókomban! Meg bizonyos típusú műkörmös UV-s lámpákban...
Sajnos a készülék pontos típusáról nincs tudomásom...de lehet mégsem "körömszárító" Bővebben: Link
A hozzászólás módosítva: Feb 15, 2017
Ez nekem is tetszik. Muszáj lesz belőle beszerezni
Sziasztok! Volt egy 40 Wattos kopakt fénycsö nem sokat ment, mert a seprö nyele eltörte a buráját. Mikor új volt akkor megmértem a fogyasztását analóg villany órával, és 39,5 Watt jótt ki! Kiszereltem belöle az elektronikát és most egy T8 36 Wattos fénycsövet hajt de csak lassan, csak 28 Wattot mérek rajta nem 40-et! Miért ilyen kicsi a teljesitmény amikor kp fénycsönél 40 Watt volt?
Szia!
Mert nem csak az elektronika számít, hanem a fénycső kialakítása is. A vékony rövid üvegburához jobban passzol az a fajta nagyfrekvenciás táplálás, mint a normál csőhöz. Ráadásul a töltetük sem egyforma.
Szerintetek azt meg lehet javítani ha a fénycső trafója bemelegedés után megszakad és ezért a lámpa átmegy egy időzített nemvilágítok továbba ?
Sziasztok! Lenne egy germicid fénycső, típusa: GPH436T5VH/4. Adatai: 21W, 425mA, 62V. Ehhez milyen előtét lenne jó? Amiket nézek a neten T5-ös előtéteket, ott mindnél csak 200mA körüli áramot ír. Nem jót nézek vagy az a 230V-ról felvett áram?
Köszi! Ilyet nem is találtam, pedig már mennyit néztem!!
Megosztanék két elektronikus előtéttel kapcsolatos esetet:
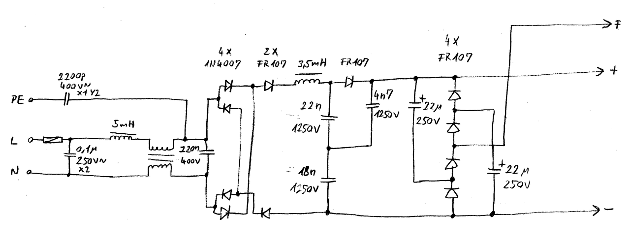
A típusuk STG8-36 A neten nem találtam róluk rajzot, így kirajzoltam. A két előtét szinte azonos, jelentéktelen eltérések vannak a panelen, a dobozuk teljesen egyforma. A tranzisztorok zárlatosak voltak, pár ellenállás elégett. A hibás alkatrészek cseréje után egyből működött. A végén lévő kondi (10 n / 1250 V nem volt hibás, pedig az előző hozzászólásoknál ezt sokszor emlegetitek) Valaki meg tudná magyarázni a táp résznél a 5 dióda - 2 elkó - 3 kondiból álló komplexum működését? Miért kell a graetz után két dióda nyitó irányban a + - táp ágakba? Ennek mi értelme? (Az egyik előtétben csak a pozitív ágban volt dióda, azt sem teljesen értem, mert ott a graetz, azon úgysem folyhat visszafelé áram) A leírtak alapján után is építhető. 1 db T8 36 W-os csőhöz való. Rába-lux típusú (többnyire konyhai pult megvilágításra használt) lámpatestben volt.
Üdv: Mindenkinek! Javított már valaki ODYSSEA T5 HO-54W-2 előtétet? Az lenne a kérdésem hogy milyen értékű ellenállás megy a MJE13009-es tranzisztor emiterére. Sajnos olyan mértékben el füstölt az egész hogy nem lehet beazonosítani. Ha tudna valaki segíteni, esetleg kapcsolási rajzot feltenni azt nagyon meg köszönném. Sajnos képet nem tudok mellékelni, de ha sikerül megoldani akkor ezt pótolom.
Szia!
Ezt a típust ugyan nem ismerem, de 2x36 wattosban 0R68 van, 13 wattosban 1R. Saccold hozzá a tiédet. Az 54 watt szerint 0R68 lehet. A hozzászólás módosítva: Feb 2, 2018
Sziasztok,
ehhez a lámpához keresek alkatrészt vagy megoldást. A probléma az előtét (el van törve a nyák). Mivel tudnám helyettesíteni? Csatolva a képek. Köszi
Ha még aktuális a dolog: a 4db dióda a két pufferkondival egyfajta passzív (ill.. félig aktív) PCf áramkört valósít meg. A két kondi sorosan töltődik fel, és párhuzamosan sül ki, de a fénycső árama is visszatölt valamennyit a kondikba.
Szia! Nem lehet összedrótozni a panelt vagy alul is van felületszerelt alkatrész? Itt Magyarországon nem kapható ilyen előtét? Neten nem láttam. Miben van ez a 12V-ról működő fénycső?
Persze aktuális, köszönöm Skori a segítséged!
Na, akkor ennek fuss neki még egyszer, immár érthetően leírva, mit szeretnél, és a helyesírásra is figyelve!
Ujragondolva, be kell valljam marhaságot irtam, már a tekintetben, hogy a fénycső bemenő két pontjára, ha rákapcsolunk 220V-t, akkor a fénycsőelőtét valamilyen módon befolyásolja ezt a mérést, én nem tudtam ott a kapcsoló felkapcsolása után 220 V-t mérni, azért nem,- legalábbis igy gondolom- mert akkor törött le a müszer tapogatóérinkezője a huzal végéről (gyenge kinai minőségü forrasztás volt a másikat előtte 2 nappal forrasztottam meg) és igy a hajlékony vezeték végéről kilogó rézszálak voltak a tapogató érintkező, igy bizonytalan volt a kontaktus, ezért jelenhetett meg 60V meg 100V értékek a kijelzön. Bocsánat ha a hozzászolásommal zavart okoztam. Ha a fénycsőelőtét javitására sor kerül szeretnék segitéget kérni.
Üdv: Mindenkinek! Az lenne a kérdésem, hogy 2x54wattos előtétnek mennyi a kimenő fesz vége? Milyen módon tudom meg állapítani hogy sikeres volt-e a javítás? Véleményeket válaszokat előre is köszönöm!
Üdv mindenkinek!
Egy - lehet, hogy buta - kérdésem lenne. Adott egy 2 db 18 W-os fénycsövet tartalmazó és elektronikus előtéttel ellátott mennyezeti lámpatest. A fénycsövek rendben világítanak, de viszonylag erős zúgó hang hallható bekapcsolt állapotban. Származhat ez az elektronikus előtétből? (Jelenleg nincs olyan magas létra, így most nem tudom megnézni közelről.) REX EB T8 218 az előtét típusa, ezt régebbről tudom. Köszönöm.
Sziasztok!
Nekem még butább kérdésem van!!! Miért van a fénycső azon lábai közt ahol "régen A Gyújtó volt " 630V vagy 1200V-os kondenzátor? Na, és ez mitől megy tönkre? Én most cseréltem egy 3,3nF/630V-os helyett egy 4,7nF/1000V-ost. Pöcc-röff indul vele, semmi gond, azt leszámítva hogy nem fér bele a tokba. Ami beleférne az 4,7nf/400V (ez van itthon), ebből kiindulva rámértem a működő kondi kivezetéseire ( még az 1000V-os van benne) váltón 750V méréshatárral 2V-ot mérek. 200V méréshatárral egyik irányban 100V, másik irányban 96 ,2V. Egyenáramú 1000V-on semmi, 200V-on 0,2-0,3 V. Azt hiszem , sőt tutti, hogy beleteszem a 400V-ost, de miért van benne nagyobb feszűltségű kondi???
A kérdés csak az, hogy mekkora frekvenciájú, milyen alakú jel van ott és azt, ebben a formában milyen pontosan tudja mérni a műszer.
Ez számomra rejtély marad, mivel se frekimérőm , se oszcilloszkópom nincs, de a 400V-os kondival mindenesetre működik. lásd 010.kép.
Azért kíváncsi vagyok rá hogy mi a szerepe az áramkörben ennek a kondinak.? Tulajdonképpen sorba van kötve a két fűtőszállal. 005a.kép A hozzászólás módosítva: Ápr 2, 2018
Úgy gyújt be a fénycső, hogy az előtét tekercs és az említett kondi soros rezgőkörként rezeg, és felszalad rajta a feszültség kb 600....1200V-ig, akkor a cső begyújt a nagyfesztől, és lerontja ennek a rezgőkörnek a jóságát, a feszültség pedig visszaesik az üzemi értékre. A kondi azért megy tönkre mert sokszor alulméretezik, célszerű 1200V-os kondit használni. Ha nagyobb kapacitást teszel be, akkor nagyobb áram folyik a fénycső fűtőszálain, azaz hamarabb tönkremegy.
Nem csak a soros rezgőkör a lényeg, hanem a kondi által a körben folyó áram. Ez előfűti az elektródákat, mint egykor az 50 Hz-es gyújtótrafó. Ha begyújt a cső, leesik a feszültség, csökken a kondin folyó és az elektródákat fűtő áram. Innentől a gáztöltésen átfolyó áram fűt és könnyíti meg az elektronok kilépését. Mint az elektroncsőben.
A kondi a gyújtási időszakban az általad említett magas feszültséget kapja, ezért 1000-1200 V-os ajánlott, de láttam már 1500 V-osat is. Eldurranva. A hozzászólás módosítva: Ápr 2, 2018
Ez végülis elektronika függő. Amelyikben van PTC, vagy intelligensebb frekiszabályozás, ott lassabban kúszik fel a feszültség, és közben előfűti a csövet. Ilyenkor alacsonyabb feszültségen is begyújthat a cső. Amelyik azonnal gyújt, ott is átfolyik ugyan a kondi árama az elektródákon, de azoknak nincs ideje felmelegedni, mert a feszültség nagyon hamar eléri a fénycső átütési feszültségét. A gyújtás után viszont az előfűtő áramot meg kellene szüntetni, pl. az izzószálak rövidre zárásával, de ezt szinte egyik elektronikus előtét sem oldja meg, kivéve azokat amelyek eleve rövidre zárt fűtőszálak mellett gyújtanak Régen építettem ilyet is, kb 40...50kHz-es, 900V körüli csúcsértékű, szinuszos feszültségről, (FKP) előtétkondikkal korlátozott árammal ment a 3db 36W-os cső.
A hozzászólás módosítva: Ápr 3, 2018
Én úgy vettem észre, amelyikben PTC van, nemcsak lassabban gyújtanak be, és ráadásul több közöttük a halott, mint amelyikben csak kondi van (volt).
|
Bejelentkezés
Hirdetés |

























