Fórum témák
» Több friss téma |
Kis türelmedet kérem, meglátjuk mit találok előbb, adatot, vagy működő panelt. Hétvégén utánanézek. Addig próbálj együtt élni a 370°C beállítással - ólommenteshez épp jó - pont ezért volt lockolva, hogy a dolgozó ne tudja feljebb csavarni. Persze neked ez nem vigasz, ha nagyobb földfelület viszi el a hőt. Ami az ofszet állítást illeti, 5-10 fok között szokott lenni az eltérés. Tehát ezt kéne fixen használni. Ha ennél több, akkor az a hegy érintkezőfelületének szennyezettségéből adódik.
Természetesen türelemmel megvárom amíg lesz egy kis időd, és meg tudod keresni a programot vagy a panelt, és előre is köszönöm, hogy segítesz.
Persze, ezzel a beállítással is együtt tudok élni, csak én is a nagyobb földfóliák miatti magasabb hőmérséklet igény miatt szeretném állíthatóvá tenni. Tehát hogyha rátöltjük az alapprogramot, akkor ha jól értem, a tiszta érintkezés esetén csak 5-10 fok lesz az eltérés a beállítotthoz képest? Hogy lehet mentesíteni a szennyeződéstől a hegy érintkezőfelületét? Jellemzően én azt láttam az összes DSX80-nál, hogy ahová be kell illeszteni a hegyet és csavarással rögzíteni a bajonett zárat, ott a páka testnél volt salakos, szennyezett. Láttam hogy van egy olyan hegy ami kékes színű, és olyan mint egy marófej, három vágóéle van. Ezt a hegyet sokáig nem tudtam, hogy mire való, most is csak sejtem, hogy ezzel kell kitisztítani a pákának ezt a részét ahol felfekszik a hegy, hogy tiszta legyen az érintkezőfelület?
A pákahegyhőmérséklet eltérést egyrészt az érzékelőtől való távolság, másrészt a fűtőbetét és a hegy közti hővezetés határozza meg. Ilyen szempontból a legrosszabb kialakítás a pdf-ben a 65-ös oldalon is látható LT típusú hegy. Kicsi a felület, új korában még jó, később ahogy eloxidálódik/szennyeződik, úgy romlik a hőátadás.
Találtam egy újnak kinéző, gyári, TCP-hez való állomást UK ebay-en. Megér ez ennyit + posta (ha egyáltalán elküldi)? Kábelvéget kell cserélni itteni szabványúra, de lehet kébelt is, látszólag összeolvadt a csomagolással (ez a legkisebb probléma).
Ha ez nem jönne össze, van ötletetek kompakt trafóra? (Most egy 100W-os van, nehéz, búg, macerás. Nincs bedobozolva ezért nehezen kezelhető, sérülékeny.) Apróhirdetéseket nézve 100W-osnál kisebbeket nem találtam, ezek pont olyanok, amim van is jelenleg. Esetleg arra ötlet, hogy a TCP-S pákán lévő csatlakozó ellenpárjának mi a típusa, hogyan keressem?
Kis alkuval megvettem az állomást 80 GBP-ért (postával együtt). A TCP páka állomásában lévő aljzat típusa még mindig érdekelne, ha tudja valaki. (Lehet, hogy lesz két pákám is.)
Talán 6 pólusú DIN anya ( female )..
aljazat Ne zavarjon, hogy a képen a dugó van. Nézz rá a vásárolt állomás képére, hogy egyezik-e. Lehet, hogy abban csak sima 3 pólusú tuchel aljazat van ( 3 pin ).. A hozzászólás módosítva: Máj 17, 2018
Ha a mostanin egy gumidugo van akkor semmi esélyed mert a Weller ki tudja miért lemásolta a DIN csatit, csak az osztokör átméröje mintegy 2 mm-l nagyobb mint a DINen. Ha bele is dugod (kiprobáltam) beletörik a dugo.
Elvileg ez a kábele. Erre értetted, hogy nincs ellenpárja?
A csatlakozóra keresve kibukott, hogy a megvásárolt állomásnak (képek egy ugyanolyanról) teljesen más a csatlakozója, mint a TCP-S 50W-os pákáé (fenti link) és csak 45W-os. Azt gondoltam, hogy TCP/TCP-S-ben csak egyféle volt. Visszamondom az üzletet, de a szállítást valószínűleg bukom.
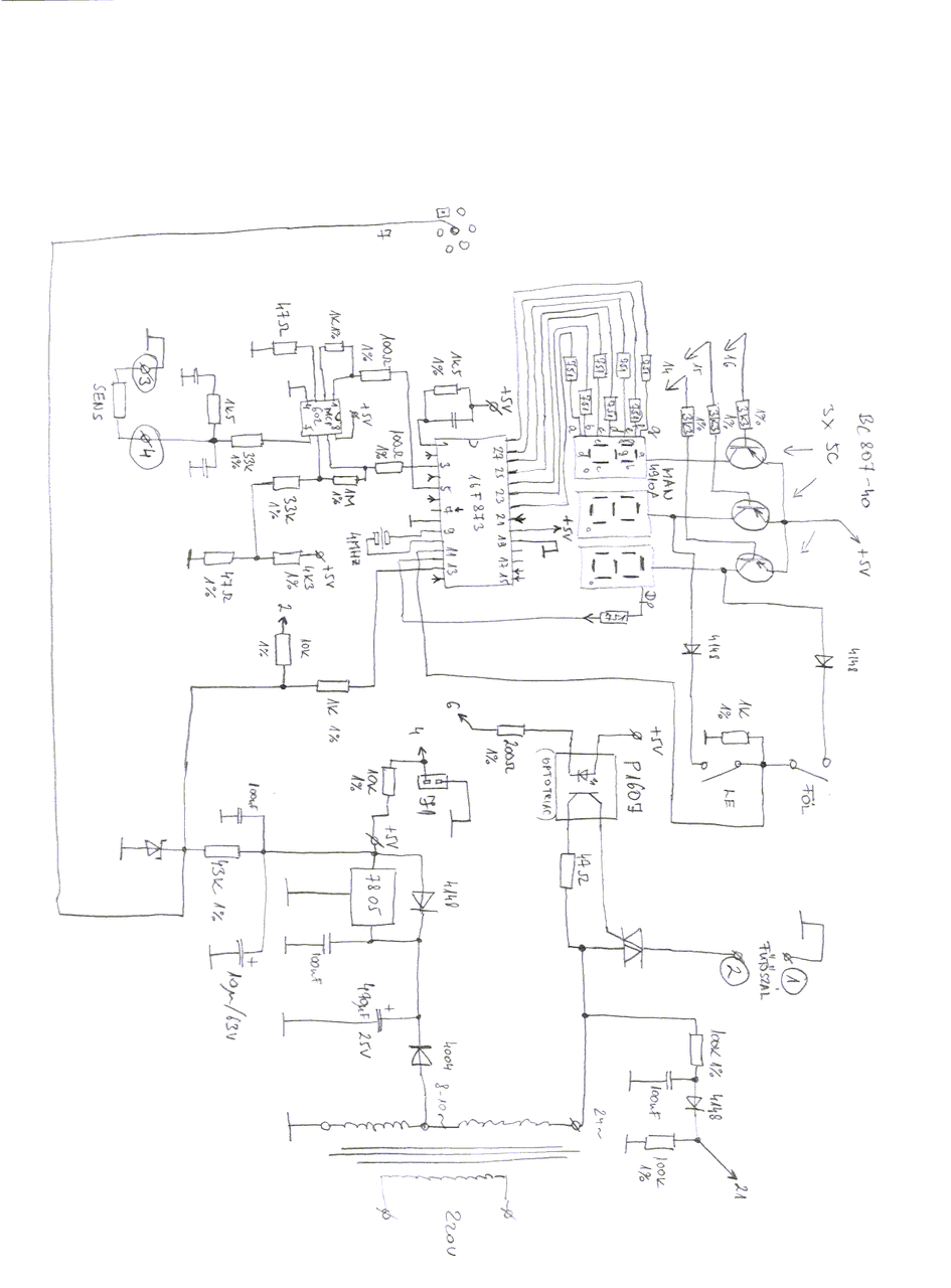
Küldöm amit felleltem. Keress közeledben lakót, aki tud PIC-et programozni, akár itt a PIC-es fórumon is. A mellékelt hex-et kell rátenni a régi helyett. Én jelenleg nem tudok programozni, több éve nem foglalkoztam vele, azóta gépcserék voltak, a softwert és a hardwert is elő kellene bányásznom valahonnan.
Nagyon ugy néz ki. Ha kézbe veszed és a fekete rész aránylag rugalmas müanyag a tük meg barna pertinaxlapbol állnak ki, akkor az.
Én azonnal eldobtam a szemétbe. Az egyikre rendes DIN került a másikra meg remek miöségü olcso kinai müszercsati.
Nagyon szépen köszönöm a segítséged, bízom benne, hogy így most már jó lesz a panel, ha rátöltjük ezt a HEX fájlt, amit küldtél. PIC programozót keresek majd itt a fórumon, aki jártas ebben, és tud segíteni. Megtaláltad a programot, vagy le tudtad esetleg tölteni egy másik állomásról? Szerintem nagyon sokunknak segítettél ezzel, akik pákát akarnak építeni.
Köszi!
Holnap talán már kézbe vehetem. Off kérdés: Ha úgyis újra meg kell venni a csatlakozó párt és a legjobb minőségű lengőcsatlakozót szeretném, milyet lenne érdemes (a TME kínálatából)? Van a DIN-nek modernebb alternatívája? Egyelőre nem lesz bedobozolva a trafó, lengőcsatlakozó kellene, de később talán dobozolom.
Miota ilyen tipusu konnektor egyszerüen hozzáférhetö, mást nem is igen kell keresni
Helló!
Nemrég váltottam kattogós weller-re, jelenleg 7-es hegyet használok, de ez sajnos olyan meleg, hogy felszedi a kémiai ónozást. Az lenne e kérdésem, hogy hányas hegy lenne jó erre a célra? Köszi!
Választanék, ha tudnám milyen hőfok az optimális a kémiai ónozáshoz.
Az előző állomásomon nem volt hőfokkijelzés, ezért nem tudom hány °C al forrasztottam.
Eső után köpönyeg de én az ilyen és ehhez hasonló gondok miatt ajánlom mindig a hőfokszabályzós pákákat. Viszont, ami érdekes a történetben az a kémiai ónozás leválása. Ez normálisnak mondható?
Ez is hőfokszabályzós ha úgy nézzük,
csak hegyet kell cserélni! ![]() Az a gond, hogy ha beteríti az ón a forrszemet, akkor a vezatősáv kezdeténél elpárologtatja (?) az ónozást. Alacsonyabb hőmérsékleten egyáltalán nincs ilyen gond.
Veszel egy 6-os hegyet, az a táblázat szerint 310 fokos és talán az beválik.
Gondolom, forrasztani is akarsz a pákával, nemcsak melengetni - és használhatsz alacsonyabb olvadáspontú cint is. A hozzászólás módosítva: Máj 18, 2018
Idézet: Mi a pontos típusa a képen látható konnektornak? Sietős volt a rendelés, fémházas DIN 5 pólusú csatikat rendeltem. Nem összecsavarozható, mégcsak nem is rögzíthető, de nem gondolom, hogy szétcsúszástól kellene tartani (illene legyen tartása alapból is). Ha mégis szétcsúszna, akkor ugyanennek a csatlakozónak van rögzíthető változata is.„Miota ilyen tipusu konnektor egyszerüen hozzáférhetö, mást nem is igen kell keresni” Megjött a páka, tényleg olyan csatlakozója van, mint a fenti képen. "Made in Mexico." Egy 60VA-es toroid trafót rendeltem a tévesen megrendelt Ebay-es állomás helyett.
Nincs tipusa, képre kell venni. Van 2,3,4,5 meg 6 polusu.
A DIN is már évek ota hibátlanul müködik. A hozzászólás módosítva: Máj 19, 2018
Ha valaki mégsem szeretné levágni az eredeti Weller TCP(-S) csatlakozót a gyári vezetékről (én sem tudtam rávenni magam), itt kapható az ellenpárja (Bajonett záras 3 pólusú DIN).
Mintha irtam volna, hogy abba nem passzol a Weller stekker mert az nem DIN..
Egy fórumon talált válasz alapján igen és formára is. A fórumon a páka végén lévő csatlakozót adták meg, ehhez kerestem ellenpárt.
Nemcsak én törtem össze a weller csatit amikor DINbe dugtuk, szoval ez a téma részemröl lezárva. Persze ha össze akarod te is törni, akkor fel a fejjel vegyél nyugodtan ilyen csatit.
Figyelmesen elolvastad, amit írtam? Nyilván eltörthet, ha nem a megfelelő csatlakozóba van beleerőltetve. Nem sima DIN, hanem Bajonett záras. Nekem úgy tűnik, hogy a a Weller TCP gyári csatlakozója ezzel és a Weller TCP gyári aljzata ezzel egyezik meg (ez nem pont ugyanaz a csatlakozó, de jobban látszik a kialakítása). Amint a kezemben lesz, megírom, hogy passzol-e.
Ember, nem a bajonettzárral van a gond - annyira hülyék nem vagyunk, hanem az osztokör nagyobb a welleren mint a DIN csatlakozon, azaz a lábakat amikor a lyukakba erölteted törnek ki a weller ocska pertinax lemezéböl. Olvasd el a külföldi forumokat is, mennyi káromkodás van emiatt...
A Weller csatlakozó ócskaságát nem vitatom, de tolomérővel lemértem a Weller csatlakozóján a két szélső érintkező távolságát és nem látok eltérést a szabványhoz képest. Amennyire pontosan lehet ilyesmit mérni, 7.00mm az osztókör (tévedés lehetőségét fenntartva). Az említett csatlakozókon adatlap szerint 7mm-es az osztókör. Wikipedia szerint: "The pins are 1.45 mm in diameter and equally spaced (at 90°, 72°, 60° or 45° angles) in a 7.0 mm diameter circle."
Nálad mekkora volt a Welleren az osztókör? Tudnál linkelni fórum hivatkozást, ahol erről volt szó? Idézet: „Nálad mekkora volt a Welleren az osztókör?” Akkora, hogy csak egyszer lehetett a DIN aljzatba dugni, másodszorra már a kukába ment. Ennyi. Még annyit sem ér meg az egész, hogy kézbe vegyem a sublert. De nyugodtan kisérletezhetsz te is. Ha van eszük, (ami majdnem kizárt) akkor talán az ujakra már szabványosat szerelnek. De én ilyesmivel már nem kisérletezek, csak a pákáért majdnem 100 dolcsit fizettem. Ha uj páka kell ( és megint ilyen lesz) az lesz megint az elsö dolgom, hogy levágom rola a csatit a szemétbe. |
Bejelentkezés
Hirdetés |




Persze, ezzel a beállítással is együtt tudok élni, csak én is a nagyobb földfóliák miatti magasabb hőmérséklet igény miatt szeretném állíthatóvá tenni. Tehát hogyha rátöltjük az alapprogramot, akkor ha jól értem, a tiszta érintkezés esetén csak 5-10 fok lesz az eltérés a beállítotthoz képest? Hogy lehet mentesíteni a szennyeződéstől a hegy érintkezőfelületét? Jellemzően én azt láttam az összes DSX80-nál, hogy ahová be kell illeszteni a hegyet és csavarással rögzíteni a bajonett zárat, ott a páka testnél volt salakos, szennyezett. Láttam hogy van egy olyan hegy ami kékes színű, és olyan mint egy marófej, három vágóéle van. Ezt a hegyet sokáig nem tudtam, hogy mire való, most is csak sejtem, hogy ezzel kell kitisztítani a pákának ezt a részét ahol felfekszik a hegy, hogy tiszta legyen az érintkezőfelület? 



csak hegyet kell cserélni!
