Fórum témák
» Több friss téma |
Fórum » Csöves erősítő készítése
Ne feledd betartani a fórum viselkedési szabályait, és a topik megmaradásának feltételeit. [link]
A téma átmenetileg fagyasztva lett, hozzászólni nem tudsz!
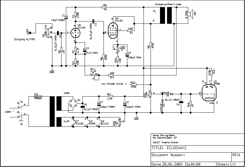
No, akkor nézzük, mit is kéne. Több megoldást is választhatsz. Ha ragaszkodsz az első két fokozat DC csatolásához, akkor a következő megfontolásra van szükséged.
Mi állítja be a feszültségeket az 1., ill. a 2. fokozatnál? Az 1 fokozat feszültségei a cső munkapontjától függenek, amit alapvetően az R2 470 Ohm-mal állítottak be. Ezt kell úgy módosítani, hogy ECC85-sel az anódfesz újra 95V közelében legyen (nagyobb ellenállás hatására növekvő anódfesz lesz a következmény). A 2. fokozat a 95V-os anódfesz hatására elviekben be kell álljon. A 100VA valószínűleg kevés lesz, mert Kb ennyi az anódteljesítmény, és még fűteni is kéne a csöveket. Szerintem a reális trafó 160VA tartományában mozog.
Megnéztem a másik rajzot: Bővebben: Link
Ez jó lenne nekem ECC85-tel? Azért ez mert nincs benne folytó.
Ha nem akarsz visszacsatolást alkalmazni , akkor ECC85 estén én inkább így csinálnám .
kb. 800mV- ról kihajtja a GU-t és katódból ami előnyös . Nagy fesz. erősítés nem igazán kedvező , zaj növekedés és könnyen túlvezérelhető ha CD szintű forrásról használod ....
Te ilyeneket szüretelsz az eperföldről? Még egy kicsit hagytad volna kifejlődni, meg, hogy ránőjön a búra, lehetett volna abból bármi.
Hát ha még meg is műtrágyáztad volna. Bár nem tudom melyik nitráttól nő a cső...Csapnivaló elektroncső kertész vagyok...
Ez is jó lenne ECC85-össel, de itt már mindkét katódellenállást kéne módosítanod. CHZ-nak (már megint) igaza van, csak arra gondolj, hogy a PCL-ed is kétfokozatú, és szépen ki tudod vezérelni, igaz, hogy ott a pentóda nem triódának volt kapcsolva. Az is igaz, hogy a katódkövető igen jó tulajdonságokkal rendelkezik (kis kimenő ellenállás, széles frekvenciasáv, igen kis torzítás). Az általad belinkelt rajz sem rossz, és ott is van mód erősítéscsökkentésre. Mégpedig roppant egyszerű módon, a triódák katódkondenzátorainak elhagyásával (C1, C2, C3). Vagy akár folyamodhatsz Djhans megoldásához is, ahol az ECC sztereó üzemben látja el feladatát, tehát az egyik fele az egyik, a másik fele a másik oldalt hajtja.
Az igazi SE triódás, annak minden hátrányával is, legalábbis audiofil körökben. Természetesen a konstruktőr feladata mérlegelni, hogy melyik szempont fontosabb neki. Gondolom, az előnyök-hátrányok dolgaival tisztában vagy.
Itt inkább arról van szó, hogy ez a cső már van olyan teljesítményű, hogy tisztességesen képes megszólalni triódás üzemben is. Erre egy EL84, vagy főleg PCL86 egyedül nem igazán képes.
Áhhá! Ígymár értem
Csak azért érdekelt, mert még sehol nemláttam szinte hangfrekis kapcsolást GU50-nel ahol pentódába lett volna.
Aszt szeretném megkérdezni,hogy a PPP milyen kapcsolásra utal tudom ,hogy PP push and pull üzemet jelet, de PPP nem vagyok tisztába? Kicsit meg magyaráznátok
Paralell Push&Pull
Többet énsem tudok :no:
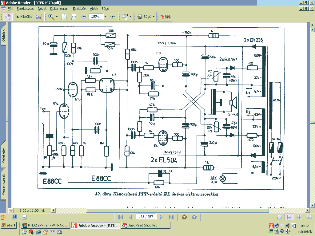
Jó pár oldallal korábban sokat foglalkoztunk ezzel a kapcsolástechnikával. Köbzoli el is határozta, hogy ilyet épít. A tervező törekvése arra irányult, hogy a nagy kimenő ellenállású anódkörből a katódkörbe helyezze a kimenőtrafót, mert ezáltal javulnak a feltételek, egyszerűbb trafó készíthető. A másik cél az - ellenütemű fokozatokhoz hasonló - előmágnesezés mentes állapot elérése. Ezt úgy sikerült elérni, hogy a kimenőn - ellentétes irányban - keresztül vezetik a tápáramokat. Itt egy rajz is hozzá, alaposan szemléld meg, nem bonyolult, csak elsőre.
![]() Szerk: A rajz hibás, a vízszintesen fekvő két trióda anódja nincs összekötve.
Ez már visszacsatolásra is alkalmas , nagy linearitás és kis torzítás jellemzi , katódból kicsatolt , ha nem is a hagyományos módon .GU meghajtására
bőven elegendő , akár trióda módhoz is , ( R10 nem kell csak a szimuláció miatt van benne ) . Én GU SE -be tettem kapcsolót trióda/pentóda váltására , érdemes , mert pentóda módban is jó a hangja 12W kivehető 420V táp. mellett
Sziasztok, közérdekű infó: Beszéltem köbzolival, sajnos baleset érte (fékolaj ment a szemeibe) ezért alíg lát szegény. Azt üzeni hogy legközelebb holnap után tud gépközelben lenni!
Azt kívánom, hogy Köbzoli minnél előbb gyógyuljon meg.
A mindenségit neki!
Szegény Zoli, reméljük, hogy gond nélkül rendbe jön a szeme. Zolikám, maradj az elektronikánál. Ott ilyen veszély nem fenyeget!
Felhívott mert kerestem őt, nem akartam növelni a telefonszámláját de alíg tudtam letenni mert azt mondta unatkozik és most legalább lefoglalja magát. Panaszkodott az ottani egészségügyi viszonyokra, hogy itt Budapesten mennyivel jobb a helyzet. "megnyugtattam" hogy itt is ugyan azt a "gondoskodást" kapná.
Nyugodtan csinálhatod ezt a kapcsolást , gyakorlatban is kipróbáltam , nem csak szimulálva .
Bemehet akár 3V feletti jelszint is , nem vezérlődik túl . GU50 PSE meghajtásához alkalmaztam kis kiegészítéssel , kapott + katódkövetőt és simán 2 GU-t hajtottam vele 18W-ra . Freki /fázismenet és 20KHz négyszög amit produkál ..
Nagyon sajnálom , gyógyuljon minél előbb !
Várjuk vissza !
Hajjaj Zoli! Egyik legszemetebb anyag a fékolaj!!!! Remélem nincs nagy gond! Mielőbbi jobbulást Neked!!!!!!
Most látom , hogy én a 2. kapcsást propagálom , Te meg az elsőt válsztottad , nem baj , csak nehogy félreértsd ... mint ahogy én .
Amit előzőleg írtam az a másodikra vonatkozik ....
Szegény Zoli
Biztos már megint a kocsijával bíbelődött egyedül :no:
Müszi! Itt tanulmányozhatod, hogy oldották meg a varázsszem meghajtását. Semmi FET ám.
Lefújtam a kimenők kupakjait és a doboz tetejét mattfeketével.
A csőgyűjteményemet átpakoltam, így egy földrengés esetén se potyognak le.
Jelenlegi állás: 516db Nagyon köszönöm mindenkinek az adományát. |
Bejelentkezés
Hirdetés |



Hát ha még meg is műtrágyáztad volna. Bár nem tudom melyik nitráttól nő a cső...
Csak azért érdekelt, mert még sehol nemláttam szinte hangfrekis kapcsolást GU50-nel ahol pentódába lett volna.





Biztos már megint a kocsijával bíbelődött egyedül :no: 





