Fórum témák
» Több friss téma |
Sziasztok!
A problémámmal nem akartam új topicot nyitni, mert Dunát lehet amúgy is rekeszteni a tápegységes kérdésekkel.. Talán itt a legmegfelelőbb: Fényképezőgéphez szeretnék tápegységet csinálni. Eddig egy otthon talált adapter + stabilizátor párosítást alkalmaztam. Ja, igen, az adatok: A fényképezőgépnek kell 3,15V és 1,5A :eek2: Na, a problémát az 1,5 A jelenti. A feszültség az én igényeimnek megfelelően azért kicsit eltérhet, meg azt amúgy is pontosan be lehet állítani LM317-el. Az LM317 1,5A-es terhelhetősége is OK. DE! Ami táplálja, az egy 5V 1A-es adapter. Ez pont itthon volt, gondoltam erre jó lesz... Bíztam benne, hogy a fényképezőgépnek nem kell 1,5A (A gyári adaptere 1,5A, de az sok modellhez jó, abban bíztam, hogy az enyém a kevésbé áramigényesek közé tartozik.) A lényeg: lemértem, és a csúcsáram, amit felvesz: 1,3A (már amit a multiméter le tud olvasni, valójában a csúcs ennél lehet valamivel nagyobb). Megépítettem 3,3V-os stabilizátorral, és akkor, amikor a csúcsáramot felveszi (fotózás), szépen ki is kapcsol. A kérdés: Hogyan lehetne ezt olcsón megoldani? Esetleg lehet-e kapni olcsón ~3V 1,5A (LM317 alkalmazása esetén 5V 1,5A) paraméterű tápegységet, adaptert? Tekercseléshez nem értek, nem is akarok saját trafót építeni, gyos és olcsó megoldás kellene. Minden javaslatot szívesen fogadok. üdv: fg
Sajnos már nem él a szerkesztés gomb.
A hozzászólás írása után persze a Google-ben is kerestem megoldást, és találtam is: 2900Ft-ért: "Rated supply voltage : 100-240VAC Rated output voltage : 3.0/3.3/5.0/6.0/6.5/7.0/8.4VDC Rated output current : 2500mA for 3.0/3.3/5.0V , 2100mA for 6.0/6.5/7.0V, 1500mA for 8.4V Rated output : 14.7VA(max) " klassz kis kapcsolóüzemű táp... és még LM317 se kell... még pákát se kell a kezembe fogni Mondjuk olcsóbb lett volna a saját, de ez van... Ígérem legközelebb előbb keresek, és aztán kérdezek! Persze, ha valakinek van jobb javaslata, akkor írjon.
Vannak LDO stabilizátorok, amiknek elég 0,7V körüli különbség a bemenet és a kimenet között. Nézz szét, hátha van valami beszerezhető. Ha elég olcsó, de nem tud mondjuk csak 0,5A-t, akkor vegyél belőle hármat, és kösd párhuzamosan őket.
De előtte nézd meg, hogy ha a tápodat megterheled 1,5A-el, akkor a feszültsége nem esik-e 4V alá. Ha igen, akkor nem fog menni LDO stabilizátorral sem.
Na igen, köszönöm szépen.
Az alapvető probléma, hogy hálózati adapterem (~trafó) nincs, ami bírná a 1,5A-t. Ami most van, az egy stabilizált 1A-es adapter. Szóval az teljesen érdektelen, hogy milyen stabilizátort veszek. Ráadásul ha megveszem a fenti, 3,3V-ot is tudó 2,5A-es hálózati adaptert, akkor stabilizátor se kell. De azért köszönöm, hogy írtál. Megnézem ezt az LDO stabilizátort, mert azét ilyen áramoknál jó, ha minnél kisebb a fesz. különbség a disszipáció miatt is. Bár a fesz. különbség általában adott, hiszen a már meglévő feszültségforrástól és a táplálni kívánt eszköztől függ.
helli mindenki
elég kezdő vagyok a témában de azért szeretném megtudni ![]() van itthon egy 400W-os számítógép tápom amibe a portól elfüstölt a venti. ez működés közben történt de a gép csak ujraindult és normálisan működött tovább ( azért a biztonság kedvéért vette másik tápot). szóval ha szereznék egy másik ventit bele utána lehetne használni 5V-os meg 12V-os stabil tápként ha kellene valamihez amit építek? ha igen akkor az alaplapi csatlakozók közül ( nekem ezen külön van a 20 és a 4 pin-es csatlakozó nem egyben) melyik vezetékeket kellene kapcsolóra kötnöm hogy elinduljon. gondoltam arra is hogy a táp hátulján a tápkábel csatlakozója alatt van ugye a tápnak a "főkapcsolója" : ha megoldható tápnak való átalakítás akkor ezt a kapcsolót használnám a ki és bekapcsoláshoz, (elképzeléseim szerint párhuzamosan kötném erre a kapcsolóra az alaplapi csatlakozóból a bekapcsoláshoz szükséges vezetékeket) hát naggyából ennyi lenne ![]() válaszokat előre is köszi Robi
Ha a zöld és egy fekete vezetéket rákötsz a főkapcsolóra akkor azzal birod ki-bekapcsolni. Persze ami rajta van azt vágd le és kösd össze.
Remélem érthető voltam.
Lehet használni, de ez attól függ, hogy mihez akarod használni. Az ATX táp kimenő feszültségei +-5% pontosságúak, és a kapcsolóüzem zaja is rajtuk van. Digitális áramkörök táplálására simán jó, de érzékenyebb cuccokhoz (erősítő, rádióvevő, stb.) nem biztos, hogy jó lesz, illetve további szűrésre lehet szükség.
Általában a zöld vezetéket kell az egyik feketével összekötni, akkor indul a táp. PS_ON jelzéssel van ez a kivezetés ellátva, az ATX csatlakozó lábkiosztásán így találod meg. Ezt belül nem nagy dolog bekötni a hálózati kapcsoló helyére, szóval megoldható.
köszönöm mindkettőtöknek
ja és még annyit szerettem volna hogy a piros-fekete az 5V, a sárga-fekete az 12V a tápcsatlakozókon ugye?
Igen, a narancs és fekete pedig a 3,3VATX-PINS
akkor mostmár kössz mindhármótoknak
amugy megcsináltam, már kész is ![]() amugy tudjátok mi a legviccesebb az egészben? kitakarítotam a ventit kapott egy kis olajat és jobb mint úrkorában, eskü aszittem lehidalok mikor elindítottam és semmi baja nem volt ![]() na de mind1 mostmár van egy kb stabilizált tápom jó kis 12 centis ventis tápból ![]() és mégyegyszer kössz mindenkinek
Sziasztok!
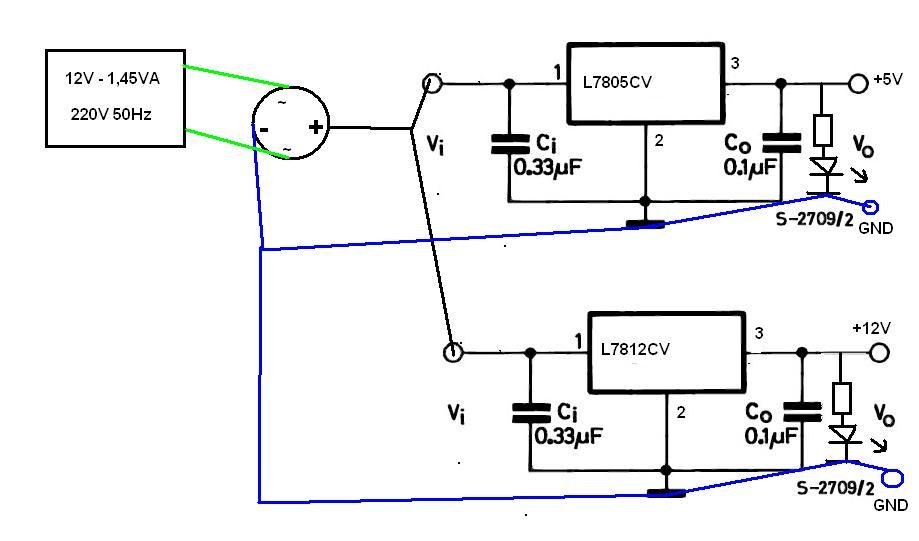
A dugaszolós próbapanelemhez készítettem egy nagyon egyszerű tápot. 12V-os 1,45 VA-s trafó van benne, DX W02 egyenirányító, L7805CV és L7812CV. A stabokat az adatlap által ajánlott tipikus bekötés szerint kötöttem be. A problémám az, hogy az L7812CV csak 10,34V-ot ad ki (csak 1 piros led van rákötve). Az in lábánál 17,04V-ot mértem. Volt itthon 78L12 is, ezért kipróbáltam azzal (adatlap szerint nem kell külső alkatrész, ezért a kondikat kiszedtem), de csak 10,11V-ot adott ki. Az L7805CV szépen kiadja az 5V-ot. Rövidzárat, szakadást, hibát nem találtam az áramkörön. Mi lehet a probléma? Előre is köszönöm a segítséget!
Ha biztos vagy benne, hogy jól kötötted be, és közvetlenül a stabilizátor lábán mérted azt a 17 V-ot, akkor az a ritka eset állhatott elő, hogy van két rossz stabod... Nincs mégis forrasztási vagy kontakthiba valahol? Ha kiveszed a 7805-öt, és átteszed a 7812 helyére, van 5 V?
Ja, a "nem kell külső alkatrész" így nem teljesen igaz; a rajzodon is látható kondik pufferelési és szűrési célzattal épülnek be, nélkülük is meg kellene lenni a kimeneti értéknek, de többnyire jobb, ha ott vannak.
Nincs mondjuk egy 10 V-os stabod még tartalékban? Ha volna, és az is menne a 7812 helyén, akkor mégiscsak rossz az eredeti.
A konditól nem nő meg a feszültség, csak egyenletesebbé válik, eltűnnek vagy mérséklődnek az esetleges tüskék stb.
A 8-ast, és ha megy, tegyél be a GND lába meg a föld közé két-három ledet is, sorba kötve; ha azok megemelik a kimenetet 12.5 ... 13 V környékére, akkor tuti a 7812 hibája.
ledek nélkül 7,40V-ot mértem
ledekkel 7,36V-ot
Biztos, hogy megvan az az említett 17 V a stabilizátor bemeneténél? Ha az 5 V-os ment, akkor 7 V megvan, a 8-as nem megy, tehát 10 már nincs.
Végignézném azt a panelt még egyszer, multiméterrel pontról pontra... Már ha valami elvi hiba nincs az egészben. Van komplett rajzod?
Mértem:
Az in lábánál csak 14,92V-ot (lehet, h először rosszul emlékeztem )5 V helyett 4,38V-ot Egyenyirányító ~ lábainál: 17,5V-ot. Csatolom a rajzot, bocs, de ezen a gépen csak paint van. A kondik tantálok. Ennyi fesz eshet az egyenirányítón? Sztem ő a bűnös. Csináljak inkább 1N4148-ból?
Hm... A rajz csúnya ugyan
, de jónak tűnik. Viszont elég kevéske az az 1.45 VA a trafónál, ha nem teszel a kimenetekre ledeket, vagyis nyitva maradnak, akkor mit mutat?Illetve, tantálkondinál a + pólust jelöli a csík, ellentétben a hagyományos polarizált kondikkal, jól vannak bekötve?
~-nál: 17,8 V
in lábnál: 15,30 V Én úgy tudom, az elektrolit kondin jelöli csík a negatív pólust. Ezeken nincs ilyen jelzés. Van egy 1,8VA-es trafóm, kicseréljem erre?
A 15 V már elég kellene, hogy legyen a 7812-nek is.
Tantál kondikon vagy "+" jelzés van, vagy csík, mindkettő a pozitív oldalt jelzi. Elektrolitkondikon a negatívat jelzik, "-" jellel, vagy arrafelé mutató nyilazással, alumínium elektrolitnál festéssel a házon. Mekkora értékűek a kondik a stab. előtt és után?
Stabok előtt: 330 nF
Stabok után: 100 nF
100 nF tantál? Ritka madár
A 330 nF-ot ki is cserélheted, 100 ... 1000 µF-ra. A bemenő oldalon a kondi szerepe a pufferelés, a diódahídról jövő lüktető egyenfeszültség simítása.
Elektrolit jó? (csak ilyen van itthon ekkora). Gondolom a 16V-os pici. Találtam 2db 100µF/25V-osat.
Rákerestem a tantál kondira, igazad van. Ezekszerint engem a boltban rendszeresen átvernek, mikor tantál kondit kérek.
A 100 µF/25V jó lesz; egyiket a 7805, másikat a 7812 elé tedd be, a 330 nF-osak helyére. A kimeneten maradhat a 100 nF, ami ezek szerint mezei kerámiakondi, a tranzienseket vágja le, ha lennének.
Én úgy szoktam (nem tudom, van-e erre elfogadott szabály), hogy a kimeneti terheléstől függően felrakok egy elkót a stab elé, tizedakkora értékű elkót utána, és megmarad a kisértékű kerámia is a kimeneten (plusz dióda záróban, de adatlapban találsz rajzot erre is).
Nem kerámia, nézegettem képeket, azok alapján fólia (műanyag téglatest alakú).
Kicseréljem kerámiára?
Nem kell, az is jó. Csak mérjünk már valamit
|
Bejelentkezés
Hirdetés |






)
, de jónak tűnik. Viszont elég kevéske az az 1.45 VA a trafónál, ha nem teszel a kimenetekre ledeket, vagyis nyitva maradnak, akkor mit mutat?




