Fórum témák
» Több friss téma |
Naná, már ha volt. Lehetett járkálni Budapesten a három ezermester, és a négy keravill között. Vagy volt az embernek személyes kapcsolata az Orion, és Videoton márkaszervizben. Vagy leutazhattál Székesfehérvárra az ottani márkaboltba.
Apropó Ezermester. Ott vásárolt 20 Ft-os OC26 tranzisztorok vannak benne, mert az eredeti tranzisztorok lábát letörtem, mikor ékszíjat kellett cserélni a magnóban.
Sziasztok. Kádár Géza könyv 1975-1977-ben ezt találtam: Sanyo M2420. Ugyanaz az évjárat, de nem egyezik az M4420-al. Bár egyidős az enyémmel, ennek már van AFC-je, Elég nagy ellenállásokkal, 5 pF csatolókondival, ismeretlen típusú varicap diódával. Van már benne SFE szűrő is, viszont nincs benne battery indicator deprez műszer, és csak monó a magnója. Azért küzdöttem meg az enyémbe az AFC beépítéssel, mert:
1. Ezt a rajzot eddig nem is néztem, hiszen nem is az én rádióm (Kicsit más). 2. Túl kis ellenállásokat, túl nagy csatolókondikat tettem bele. (A már említett 10 kiloohm, és 22 pF, utána 12 helyett 120 ! mert kissé kopott volt a felirata, csak tegnap jöttem rá, amikor már 4,7-re cseréltem, hogy lett sávátfogás). 3. Mindenképpen ragaszkodtam a telepjelző műszer hangolásjelzővé való átalakításához, ez viszont már plusz erősítő fokozatokat kíván, avval meg ismét indokolatlanul sokat hibáztam, s kínlódtam, de végül jó lett. Az M2420 rajzot beszkenneltem az én könyvemből, mert az Elektrotanyán levő Gelka szervizes rajz nagyon foltos, majdhogynem használhatatlan. Az AFC áramkör útját átszíneztem benne pirossal. A hozzászólás módosítva: Jún 27, 2018
URH hangolásjelzőnek középállású műszer lenne jó, az viszont nem jó a középhullámhoz. Meggondolandó, hogy a telepjelzőt kicserélni középállásúra, a középhullámnál a műszer az AGC -t mérné, és egy (esetleg rejtett) nyomógombbal a tápfeszt.
Nem kell az oda. A Videoton egyik rádiójában sincs olyan. Pedig sok asztali és hordozható készülékbe tettek műszert. Be kell állítani a műszer mutatóját az AFC 0 állásban középre. A telepjelzőnek ott egy fehér sáv a zöld és a piros között, trimmer potméterrel oda állítom a mutatót, már elkészültem vele, teljesen jól működik. Úgy is erősítő kell neki, ráadásul a varicap is csak + feszültségről működik, gondolj csak bele. Ha valakit érdekel, lerajzolhatom, már elkezdtem műveleti erősítőben gondolkozni, csak nem tudom, melyik a jobb 5 Voltra, az LM 358, vagy az LM386? De már évekkel ezelőtt megalkottam tranzisztorosra, azokból kellett kihajítanom tegnap kettőt, mert túlbonyolítottam, lehet, hogy még mindig sok (5 db) szerintem meg lehetett volna oldani csupán kettővel.
A hozzászólás módosítva: Jún 27, 2018
Idézet: Középhullámon nem hallgatjuk, telepről sem üzemel, a hálózati kábel be van forrasztva fixre. Csak azért lett fontos, mert a Junosztyot ki kellett dobnom az analóg adás megszűnése miatt, a nejem már nem nézheti többet Borbás Marcsit, miközben főz. „Meggondolandó, hogy a telepjelzőt kicserélni középállásúra, a középhullámnál a műszer az AGC -t mérné, és egy (esetleg rejtett) nyomógombbal a tápfeszt.”
Sziasztok
Adott egy sony asztali rádió, olyat csinál hogy bekapcsolom minden rendbe. Egy fél óra múlva elmegy a hang és kattog a relé, utána vissza jön és megint. Mi lehet a gond? Táp oldalon keressem a hibát? ST s590es
Ez csak tuner végfok nélkül? Akkor mit csinál benne a relé? Hozzám egyszer STK IC-s erősítőt hoztak ilyennel. Az IC belső kontakt hibája miatt végfok IC csere lett. De ez? Tuner és relé? Vagy a végfokban van hangszóróvédelem?
Igen a tunerben relé ha váltok másik antennára akkor is kattog lehet hallani.
Leírtam milyen típus nézz rá a képére neten.
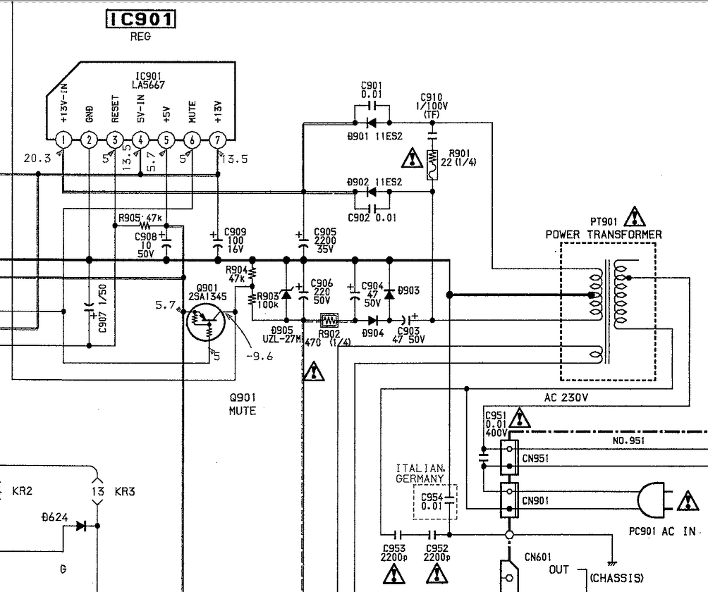
Letöltöttem a service manualt az Elektrotanyáról. Őszintén megvallom, ez a CPU, controller, komputer dolog nem az én műfajom. Ennek ellenére azt mondom, hogy az IC 901-en leellenőrizheted az 5V és 13 V tápokat, a Q151, 152 tranzisztorokon megnézheted a relék épp mit csinálnak, és a 80 lábú kontroller a 71, és 72 lábáról vezérli a relék tranzisztorait, megnézheted benne, túlzottan nem meleg valami, illetve kontakthiba, beázás gyanúja nem merülhet - e fel? Illetve ott az a Q 901 mute tranzisztor a táp IC közelében, ráadásul éppen a táp IC vezérli, ott lehet még méregetni. Ha már arra jársz, a D905 zénerre is rámérhetsz (Gondolom ennyi elég volt nekem egy olyan rádió rajzából, amit soha nem javítottam, és valószínűleg nem is fogok). Főleg az üzemszerűen is melegedő alkatrészek hajlamosak arra, hogy kihúzzák a lábukat a hideg-forrasztásból. Érdemes a forrasztásokat nagyítóval átnézni.
A hozzászólás módosítva: Jún 29, 2018
Köszi én is az LA5667 hibára tippelek mert elég meleg pedig van rajta borda, még az a szerencse hogy van másik. Egyébként ma is használtam és egy kis idő múlva ha jól bemelegszik akkor már hiba nélkül megy.
Idézet: „ha jól bemelegszik akkor már hiba nélkül megy.” Akkor én inkább elko hibára tippelek.
Azt mindet ki fogom cserélni meglátjuk mi lesz.
Van elko a hűtőborda mellett? Még ha nem is púpos, a meleg tönkreteszi őket.
Ha van lehetőséged, méréssel keresd meg az hibás kondit, felesleges mindet cserélni.
Azért amit írtam a hideg forrasztásról, sem felejtős ötlet. Amikor még tévéket, monitorokat javítottam, mindegy, hogy milyen nagynevű cég, (Philips, Grundig, LG, Sony, stb) Főleg a táp környékén, és a video erősítőnél tele voltak kirepedezett forrasztásokkal, amik azután a kontakt hibák tömkelegét okozták. A mellékelt kép csak illusztráció, ilyeneket keress, és forraszd át.
Végül is megoldódott minden kondit kicseréltem a tápban, meg átforrasztottam az LA5667 lábait, reggel óta megy hiba nélkül. Szóval a javítás sikerült köszi mindenkinek az építő jellegű hozzászólást.
Sziasztok!
Olyan problémám lenne,hogy van egy okean 214 (selena b216) típusú szovjet táskarádióm,de sajnos FM sávban nincs alapzaj,kitakarítottam a dobváltót,de semmi nem történt,annyi van,hogy az afc kapcsolójánál belülről az ujjammal a forrasztáshoz hozzáérek akkor nagyon halkan elkezd súgni,de ha benyomom pattan egyet és elhallgat... Gondoltam arra hogy esetleg kontakthibás de befújtam spray vel és akkor sem csinált semmit Nem tudna nekem valaki segíteni?
És mit szeretnél elérni az elindított "FM" sávval (ami amúgy URH sáv az FM a modulációs mód)? Csak mert a Selena-n ez a régi ú.n. keleti URH sáv ahol ma már nincsenek rádióadók így hiába is működne nem fognál semmit. Persze ha át akarod hangolni akkor meg kell javítani, már persze ha egyáltalán rossz. Attól hogy nem hallasz sávzajt még lehet hogy működik.
Valószínűleg ez az: A rádiómúzeum elküldi neked is az e-mail címedre, bár az eredeti pdf sem különb a belőle kimentett képnél. Át is kellene hangolni, + megnézni a KF-et, hogy elég érzékeny-e? Ha jól látom ugyanazok a tranzisztorok működnek benne az AM sávon is. Ott szól? Akkor már csak a rezgőkörök maradnak. Hangoltam már át orosz rádiót, de nem emlékszem hogyan hívták, csak tipp, az oszcillátor körben ha a C22-t kiharapod, majd az antenna kört is utána hangolod, majd csak sikerül.
iIgen, a többi sávon jó,_és szeretném áthangolni. Ffrekimérőn 69.9-79.9 volt az átfogás(próbálkoztam).
A hozzászólás módosítva: Júl 11, 2018
Moderátor által szerkesztve
Üdv Mindenkinek!
Egy régi lakásból került hozzám egy bolgár Budapest(RRG61) rádió. Kívülről nagyon szép állapotban van,érdemes lenne megmenteni. Viszont vannak hibái: a szembeötlő kontakthibákat (potméter, hálózati kapcs.) kiszáradt papír elkók, már kijavítottam, így most már ad némi életjelet. Nagyon búg lecsavart hangerőn hol erősebb, hol gyengébb formában, a hosszú, közép, rövidhullámú sávok nem szólnak, még csak sistergés szintjén sem. Az urh működik. A rajzon a pirossal jelölt elkók lettek cserélve, teljesen kiszáradtak. A táp 2x50µF-os elkója is már csak 2x44uF, de talán még annyira nem vészes. A többi kondi jónak látszik, műszer valamivel nagyobb értéket mutat a ráírtnál(van amelyiknél a dupláját). A trafó primer feszültségválasztója 240V-os állásba lett helyezve, mert így áll be a 6,3V-os fűtőfeszültség(egész pontosan 6,28V) 220V-os állásban 6,9V-ot mértem, az már sok lenne. A búgás külső jelforrásból (P.U.) is jelen van.
Ha csavaros a 2x50µF-os elkó, akkor nézd meg, hogyan van a negatív (ház) csatlakozása. Amennyiben egyszerűen a sasszihoz húzatták, akkor ott is lehet kontakhiba. Sokkal korrektebb megoldás, ha szigetelve és nagy átmérőjű forrfüllel van megoldva, mert akkor nem a sasszin folyik a brumm-áram.
Csavaros kivitelű, egy nagyméretű forrfüles alátét van a ház és a sasszi között.
Sziasztok
![]() Szédszedtem egy ilyen rádiót: Rádió. Elégett benne egy ellenállás és nem tudom mivel kellene kicseréljem. Sajnos a datasheet-jét sem találtam meg. Tda2228M az erősítő és a rádió részénél CD2003GP ic van. Ha valakinek van datasheet-je vagy tippje, hogy mekkora ellenállást kellene belerakjak azt megköszönöm ha megosztja Egy szép nepot
Úgy látom, az ellenállás a tápfesz ágban volt. Esetleg elkó (ott mellette), vagy a kis SMD kondi is lehet zárlatos- persze az IC-n kívül.
A hozzászólás módosítva: Júl 12, 2018
Legalább bekarikáztad volna a leégett ellenállást, vagy a helyét.
A két Ic adatlapján van kapcs rajz, azt letöltve be tudod azonosítani (talán) Bővebben: Link Bővebben: Link De, ha jól látom van rajta USB csatlakozás is. A leégett ellenállást inkább a 220 V -os tápegység, vagy az USB köreinél keresném.
Az ellenállás be van karikázva csak halvány egy kicsit.
|
Bejelentkezés
Hirdetés |























