Fórum témák
» Több friss téma |
Mielőtt kérdezel, a következő két dolgot ellenőrizd!
I. A helyes tápfeszültségek megléte.
II. A kimeneten van-e egyenfeszültség.
Élesztés.
ez nem hiba teljesen jól van be kőtve a dioda. A dioda katodja a negativ priodusokban nyit és feltőlti a puffer kondit
Igen, jó a rajz, az egy feszültségkétszerező kapcsolás, ezzel lehet dupla tápot csinálni egy szekunderes trafóval. Az egyik ilyen erősítőm ezzel a táppal megy 2*17V-on.
ezen a képen van ez a változat
Még mindig az a fránya hangerőszabályozó az, ami nagyon nem tetszik. Ha kh-s lesz a poti (erre komoly esély van, amilyen minőségűek a boltban kapható átlag potméterek), az OPA kiül valamelyik tápfeszre, a hangszóródnak annyi. Legalább egy ellenállást tégy már be a csúszka és a kimenetről jövő oldal közé, hogy a negatív visszacsatolás ne tudjon megszakadni hibás potméternél sem!
A másik bajom vele, hogy ha teljesen feltekered a hangerőt, akkor az erősítőd bemeneti impedanciája nulla lesz (erősítés végtelen), közvetlenül az OPA negatív bemenetére akarod a jelet vezetni. A bemenettel sorban legalább egy ellenállást illene betenni, ezzel korlátozni a maximális erősítést és a minimális bemeneti impedanciát. Arról nem is beszélve, hogy egy polarizálatlan kondenzátor is nagyon jót tenne a hangszóród védelmének, mert a jelen rajz szerinti felépítésben a műsorforrás kimenetén esetlegesen jelen lévő DC-t is erősíti a sámán.
ne haragudj ,de egy jól mükődő kapcsolást a végletekig le egyszerűsitesz a bd párnak nem tudsz elég nagy vezérlő áramot adni nagy jelek esetében a tl082 max.20mA. Erre találták ki a daringtonos kapcs. vagy a daringtonos tranyokat. A negatív vissza csatolást általában fix értéken tartják.
szilvának: A kimenő egyen feszültséget távol tartássa a hangszorótól már régota alkalazzák a szimetrikus erősítőkben a DC feszültség érzékelő relés kapcsolást. A kondi kicsatolás kis frekvencián annak reaktív ellenállása csökkenő frekvenciával nővekszik vagyis minőségi romlást okoz. Csatolom egy jó müködő erősítő rajzát
Olvasd el Mayan bemutatkozását, és megérted miért csinálja.
most már értem ,de azt a felet nem értem a mai világban nagyon olcsón hozzá lehet férni a félvezetőkhőz és nagyon jó müködő áramkörőket lehet csinálni megfelelő számú alkatrésszel és akkor ne sporoljunk ki ezzeket. Kockáztatva a megbizhatoságát a minőségi paramétereit leromboljuk stb...
Én is csak egyszer pl. a tda2030 erősítő táprészében a hidegitő kondezátorokat (74uF) nem tedem belé és 5drb icbe került a sporlás a gerjedés miatt ki égtek, a sporlásból plussz kiadás lett.
Nem kondis kicsatolásról írtam, hanem a bemenetről. Kb. úgy, mMint ahogy az a Te rajzodon is van. Ezt a kondis csatolást szerintem nem illik lespórolni az erősítőkről (pont, ahogy mint írtam, a hangszórók miatt), még a teljes lecsupaszításkor sem.
igaz és már irtam a negativ véleményemet a teljes lecsupaszításról
Ez nálam egyfajta elektronikai perverzió...
nem kell senkinek sem utánoznia, csak érdekességnek teszem fel ide a végletesen egyszerű cuccaimat, hogy ilyet is lássunk túlbonyolított-parasztvakító világunkban. És van egy olyan kényszerképzetem is hogy a kondikat mellőzni kell a jelútból, meg egy olyan is, hogy minél kevesebb alkatrészen megy át a jel, annál több éterikus töltés marad rajta. Hogy mi az az éterikus töltés, az itt sajnos offtopic, majd egyszer talán ez is része lesz az elektronikának... kicsit őrült vagyok, de ártalmatlan. :yes:
ha szereted az egyszerű kapcsolásokat az semi problémám vele és is tetem fel pár ilyen kapcsolást pl.tda7385,tda7386. gyári kapcsolási rajzok!!!
Ezzeket bátran ajánlom és rengeteg Ic-es rajzot lehet kapni a neten ami egyszerűek és biztonságosan működő képesek. A szemlélet mododat szeretném ezzel megváltosztatni egyszerűre vágy,de ez nem biztos hogy jó megoldás mindig! ut:"tudom mi az éter"
Sziasztok!
Van egy sony ta-f120-as erősítőm, és ha 4es hangerő felett hallgatom, akkor annyira felmelegszik, hogy pár mmásodpercre leold a relé. Mit lehet ezellen tenni? Mi okozhatja a hibát?
Ez ellen sok mindent lehet tenni.
1. Nem kapcsolod be. 2. 4-es hangerő alatt használod. 3. Megjavítod. 4. Megkérsz/megbízol valakit, hogy javítsa meg. Mi okozhatja a hibát? 1. Valami elromlott az erősítődben. 2. Túl nagy az áramerősség a végfokban. 3. Leégetted a hangfalad, most majdnem zárlatos. 4. Nagyfrekis gerjedés van az erősítődben. Ui: Az adatlapodon megadhatnád, hogy merre laksz, mert ezt egyedül nem hinném, hogy meg tudnád javítani. Még jobban elrontani viszont sokkal könnyebb. Reméljük, erre nem kerül sor. A javítás végéig szüntesd be a használatát.
Idézet: „"tudom mi az éter"” Most már Én is. Altató! üdv! proli007 Idézet: „És van egy olyan kényszerképzetem is hogy a kondikat mellőzni kell a jelútból...” Akkor mi az a 10u-os csatolo kondi annak a fetes erositonek a bemeneten??? Idézet: „...minél kevesebb alkatrészen megy át a jel, annál több éterikus töltés marad rajta.” Na ez mar perverz ... Nem azt mondom, hogy legyunk szemellenzos lovak es csipobol utasitsunk el mindenfele ma meg megmagyarazhatatlan jelenseget a fizikaban, de nem art, ha van egy eros alapunk amire lehet epitkezni, azaz eloszor az elektronika ismert es bizonyitott torvenyszerusegeit illene megtanulni majd lehet kiserletezni, kutatgatni az uj es ismeretlen dolgok vilagaban is Köszi a segítséget! Akkor viszem szerelőhöz.
Akkor ez is tetszeni fog , bár ebben van kondi , de a többi stimmel ....
http://diyaudioprojects.com/Solid/ZCA/ZCA.htm
Szia Benkutya! Olvastam a hozzászólásod itt az erősítős topikban. Írtad hogy építettél egy STK4191 II -es erősítőt.
Engem érdekelne a kapcsolás és a nyákrajz. Ha meg van neked akkor tedd már fel ide légyszi. Szeretném én is megcsinálni. Egyszer hallottam ilyet szólni és hát ordít rendesen ez a cucc. Köszi előre is! Üdv Szabinyo! UI: Ha esetleg nincs meg a rajz akkor jó lenne ha mégegyszer feltennéd a képet a tiédről csak kicsit nagyobba ha lehetne kérnem mert az előző sajna elég kicsi. Köszi!
Van két db 2X5v 2X5A-peres trafóm azt valahogy sorba lehet kötni? És ha igen meglehet vele hajtani vele ezt az erősítőt ?
http://www.hobbielektronika.hu/kapcsolasok/80w-os_hf_erosito_darlin...%3E%3E
Igen, sorba lehet kötni, de nem sokra fogsz menni vele. A primer oldalakat nyílván párhuzamosan kell kötni, mindkettő meg kell, hogy kapja a hálózati feszültséget.
A kimeneti tekercseket meg trafónként sorba tudod kötni, ebben az elrendezésben lesz két db 10V-os tekercsed a szekunder oldalon. Tisztességes egyenirányítással ebből az elrendezésből 2x13V körüli feszültséget tudsz előállítani, a belinkelt erősítőhöz az semmiképp nem elég. A legtöbb, amit ezekből a trafókból el tudsz érni, hogy az összes szekundert sorbakötve lesz 1db 20V- os tekercsed, amiből 2db egyutas egyenirányítással és jó nagy pufferekkel nagyjából 2x27V állítható elő. Ekkora tápfesszel talán már elindítható a belinkelt erősítő is, de közel sem fog 80W-ot leadni, jó, ha a harmadát megkapod. Azt tudni kell, hogy ez az utóbbi megoldás eléggé ellenjavalt, főleg erősítő táplálására. A pufferek nem 100-szor, hanem csak 50-szer fognak másodpercenként töltést kapni a trafó felől, ilyenkor viszont iszonyú nagy csúcsáramokkal töltődnek fel.
Köszi szal inkább ha lessz pénzem vegyek egy trafót
Sziasztok!
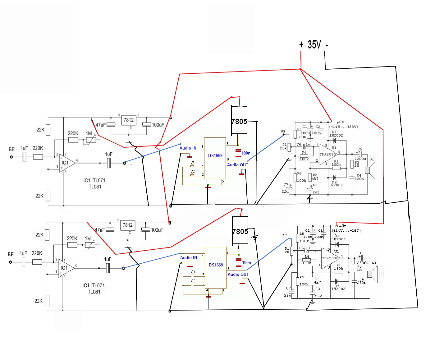
Láttam egy rajzot valahol itt a fórumon azthiszem, amiben egy TDA2030as volt és még két végtranyó. De nem a BD249/250 es hanem valami más, kicsit kisebb. Nem ismerős valakinek esetleg?? kössz: uli
Nem erre gondoltam, de ez is nagyon frankón néz ki
kössszKözbe megtaláltam (mellékeltem)Ezt, sé amit küldtél azért kerestem ,mert nem kell hozzájuk szimm. táp. Mert ha ugye bd249-250 el csinálom, akkor annak +- nem toom hány V kell. De ezek ezért jók, mert még nekem is sikerülhet ![]() Köszz Szabi ![]() A tiéd kb hány Wot tud leadni?? ha 50Wos hangszórók kellenek a végére akkor olyan 25-30Wot nem? Másik köv. képen van egy kicsit összevisszának tűnő kapcsolás. Szerintetek ez így működhet? (7812 valszeg nem bírja el a 35 Vot, 27van írva adatlapján. Mit tegyek???) Kössz: Uli
Szerintem bármilyen komplementer párral működhet.
Akár a BD249-250-nel is.
Sziasztok!
van egy sztereó végfokom, TDA7376B-vel, de kellene hozzá előerősítő is, mert az mp4 player túl kicsi jelet ad le. már meg van építve minden (elő- és végerősítő), csak azzal vagyok gondban, hogy hogyan adjak a TL072-nek szimmetrikus tápot úgy, hogy a TDA-nak se legyen baja? Van egy elgondolásom, miszerint a TDA IC belül hidalt, így a kimenetnek semmi köze nincs a földhöz, ezért a bemenő jelet le lehetne venni onnan, ahol van a TL072 (feszültségosztó által létrehozott) virtuális földje, és a TL072 kimenete közül? Lerajzoltam. Nektek mi a véleményetek? Hallottatok már hasonló megoldásról? működőképes lehet? Vagy inkább építsek egy negatív feszültséget előállítő kapcsolást NE555-el? ui:csak azzal kell vigyázni, hogy nehogy az mp4 lejátszó töltőjét az erősítő akkumulátorára csatlakoztassam, mert akkor füst lesz a vége szerintem!
Hali!
Szerintem ezt túlvariáltad. A +táp ok, a GND-t nyugodtan kösd össze a végfok GND-vel. Az 1 µF-os kondiról a C1-re ok. A C2 szabad lábát kösd GND-re. Rajzoljam?
Szia.Azt tudom, hogy alapesetben hogyan kellene bekötni egy előerősítőt egy végfok elé, de ez speciális eset, mert az előerősítő gnd-je nem egyezik meg a végfok gnd-jével (potenciálkülönbség van köztük!). Szerintem ebből füst lenne, ha így kötném össze (a tl072-nek a -vs-ét összekötném a végfok gnd-jével, és a c2-re pedig a -vs feszültségszintje jutna, nem pedig a tl072 virtuális földje (=a két 22k-ohmos ellenállás középpontja).) Vagy hü*séget mondok?
szerk: a tl072 a bemenő jelet a féltápfeszhez képest modulálja. tehát ha a 12voltot osztjuk félbe, és azt kapja virtuális földként az IC, akkor ha nincs jel, 6voltos jelet ad le tl072, ha van jel, akkor pedig 6volttól fog +-irányban eltérni a kimenő jel. Ezért kellene a végfok IC-hez illeszteni.
Mivel a Tl a két 22K-val és a csatolókondival be van állítva szólótáposra ergo nem +/- fesz kell neki így a negatívja ugyanaz kell hogy legyen mint a végfoknál.
tl072 és a tda7376-os is ebben a kapcs.rajzon aszimetrikus tápegységet kapnak igy probléma mentesen tudod használni.
Én a két ic közzé tenék egy hangerő szabályozó pot.méter |
Bejelentkezés
Hirdetés |





nem kell senkinek sem utánoznia, csak érdekességnek teszem fel ide a végletesen egyszerű cuccaimat, hogy ilyet is lássunk túlbonyolított-parasztvakító világunkban. És van egy olyan kényszerképzetem is hogy a kondikat mellőzni kell a jelútból, meg egy olyan is, hogy minél kevesebb alkatrészen megy át a jel, annál több éterikus töltés marad rajta. Hogy mi az az éterikus töltés, az itt sajnos offtopic, majd egyszer talán ez is része lesz az elektronikának... kicsit őrült vagyok, de ártalmatlan. :yes: 
Nem azt mondom, hogy legyunk szemellenzos lovak es csipobol utasitsunk el mindenfele ma meg megmagyarazhatatlan jelenseget a fizikaban, de nem art, ha van egy eros alapunk amire lehet epitkezni, azaz eloszor az elektronika ismert es bizonyitott torvenyszerusegeit illene megtanulni majd lehet kiserletezni, kutatgatni az uj es ismeretlen dolgok vilagaban is
kösssz








