Fórum témák
» Több friss téma |
Hát megint nem..
2 arányt figyel. A különbség adott időbeni emelkedését, vagy ha a visszatérő ntc melegebbet mutat mint az előre menő (ez fizikailag nem elérhető csak ha nincs áramlás, vagy rossz az ntc) A perlátorra max leszabályoz.. Nem szekunder oldali a hiba, hanem primeroldali. Nyilván szekunder oldalon előbb leszabályoz, mint hogy kiakassza magát hibára.. A hozzászólás módosítva: Júl 11, 2018
Sziasztok!
Biasi m90b24s kazán gyújtásvezérlő panelhez keresek kapcsolási rajzot. Esetleg van valakinek? email: tothattyla@gmail.com
Egyébként a hibajelenség a következő: Fűtésnél a begyújtás pillanatában időnként letilt, pár másodperc után újra gyújt, 2.-3. gyújtásnál már rendesen begyújt. Használati melegvíznél, kb 40l melegvíz kiengedése után, ha újra kinyitom a melegvizet, a gyújtás pillanatában letilt, 10-15 perc várakozás után ismét rendesen üzemel. A szakszervizes telefonon keresztül kapásból gyújtásvezérlő panelcserét mondott. Esetleg valami más ötlet?
Ha tudsz merni ionaramot az jo lenne egy multimeterrel
Sziasztok. Ma pont került egy kazánhibára.
A saunier duval combitek f05 differenciál hibára folyton megállt és melegvíznél botrányosan sok vizet elfolyattunk a késői gyújtás miatt és volt hogy beszappanozva nem indult újra. Szóval a hiba oka az indítóprofilban lévö szűkítő gyűrű volt. Kazán le a falról és a gyűrűt követtük. ..most jól működik .
Üdv!
Csak a hibamegállapítás végett érdekelne, hogy mióta működött a szűkítőgyűrűvel?
Sziasztok! Chaffoteaux Maury kombi gázkazán. Eddig tökéletesen üzemelt, sajnos az utóbbi napokban hibát jelez. Nem indul el a fűtése, hibakód: égési hiba. Valaki, valami segítség? Néha, áramtalanítás után elindul, 1,2 napig gond nélkül működik. Köszi a segítséget
Ezt a jelenséget több dolog is okozhatja. Első körben az ionizációs elektródát kellene megtisztítani. Ez egy "drótnak" kinéző, a lángba belógó elektróda. Ha ráég némi szennyeződés, akkor már nem tud kialakulni a megfelelő áram rajta, és ezt a vezérlőpanel nem érzi megfelelőnek, kiáll hibára.
Sziasztok!
Valaki találkozott vagy tudna megoldást a következő problémára? Ocean Eco 20 kombi gázkazán a következőt produkálja. Bekapcsolás után 15-20 percig remekül üzemel. Aztán a ventilátor "megakad szorul" nem akar felpörögni csak búg morog. Ha kihúzom áramtalanítom és hagyom pihenni ismét működik ugyan úgy 15-20 percig! Kondikat kicseréltem, ventilátor kipucolva lezsírozva! Azóta csendesen jár! Kézzel tudom pörgetni a ventilátort nem akad nem szorul ! Csak áram alatt szorul meg, és mivel szorul így nem kapcsolja a gázt nem gyújt a kazán. Remélem érthetően tudtam fogalmazni. Szerelő csak vakarja fejét! Elég tanácstalan! Köszönöm a segítséget! Üdv
Csak tipp! A tekercs lehet menetzárlatos a szigetelő műgyanta , lakk öregedése miatt, akár időszakosan is, pl. melegedés hatására. Ezt úgy lehet észrevenni, hogy a készülékről leválasztva külön járatod, ha menetzárlatos jobban melegszik, mint egy nem menetzárlatos. A melegedés mértéke függ a menetzárlatos rész menetszámától. Másik, körülményesbb módszer szerezni egy donor tekercset és azzal megpróbálni. Régen volt erre külön műszer és mérési módszer menetzárlat kimutatására, de ma ilyenről nem tudok. Javítása a tekercs újratekercselése, de manapság ezzel már kevesen, leginkább senki nem foglalkozik, mert időigényes, körülményes, olcsóbb a csere.
Valószínű ez fog következni! Csere! Köszönöm a választ!
Szia . Kb 4éve lett felszerelve de nem volt lakott a ház.....csak most fél éve adtuk ki albérletbe. Mindig is dobálta a hibakódot,de kezdetben a kéményben visszafolyó kondenzvíz okozott kellemetlenséget,amit egy golyós hl 21 bojlerszifonnal (mert sajnos nem csináltam külön kiállást) a mosógép 32-es elvezetőjébe dugtam és savmentes csővel az indító idomból elvezettem. Azt gondoltam hogy a víz abaj,de amikor beköltöztek a lakók hamar kiderült hogy nem,illetve nem csak az. Mostanság fűtésnél nem jelentkezett hiszen a láng modulál közben ,de melegvíznél amikor teljes teljesítményen ment azonnal jött a hibakód. Melegvíznél ha maxon megnyitottam kb fél percig próbálkozott és kiállt hibára....ha vékonyan folyattam a vizet akkor ált beindult .
Az igazsághoz hozzá tartozik, hogy a fűtésnél azért nem dobta a hibat mert lett neki adva egy kis levegő . Tudom nem szabályos de kellett a tél miatt. Ha kell valakinek egy differenciál nyomaskapcsoló akkor szóljon ,mert vettem egyet ....azt hittem az a baj. A hozzászólás módosítva: Júl 24, 2018
Egy HERMANN laser 24 E kombi kazánon van . A melegvíz készítés elindítása után erős kvartyogó hang jelentkezik , és a nyomásmérőn nagy ingadozás mutatkozik , mintha levegős lenne valami. ilyenkor a kazán kikapcsol majd újra beindul a víz melegítése .Azt sem értem hogy melegvízkészítés közben miért ingadozik a nyomásmérő ? Azt hittem idáig , hogy a nyomásmérő a radiátor kör nyomását mutatja !? , Kérem ha valakinek van ötlete mi lehet a baj ,segítsen .
Köszönettel : Nagy Zsolt
Üdv mindenki!
Ha valakit érdekel sikerült megoldani a problémát! Csapágycsere úgy fest megoldotta a problémát! Nagyon halkan jár úgy kell fülelni,hogy megy-e a venti! Egy ismerős ismerőse ajánlotta a cserét! Természetesen szakember!
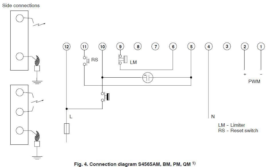
Sziasztok! Adott egy kazán égőfej, amit az alábbi elektronikával vezérelek. A kazán fő elektronikája ki lett herélve, ezért a bejövő- és kimenő víz hőmérsékleti szondák hiányoznak. Így az égőt beüzemelve a teljes teljesítményéhez képest 50%-on üzemel. Hogyan tudnám megoldani, hogy a teljesítményt tudjam szabályozni?
A bekötési rajzon lévő 1-2 állásokat nincsenek bekötve. A hozzászólás módosítva: Júl 26, 2018
Adott akkor ez az automatika, a másik kérdésem annyi lenne, hogy egy 5V-30V-os DC PWM jelgenerátor jó lehet-e ehhez az automatikához?
Üdv,
a következő kérdésben kérnék véleményt: kb 15 éves Junkers Euroline kombi kazán. HMV készítés. Csap nyitásra az áramlásmérő kapcsol, égés elindul, jön a meleg víz. Majd 15-20 másodperc múltán az égés kikapcsol, víz langyos majd kihűl, aztán égés újra bekapcsol... Két csap együttes nyitva tartásával sikerülhet folyamatos meleg vizet állítani. HMV hőcserélő, 3 járatú szelep, áramlásmérő tisztítva, kisavazva. LED-es hibajelzés nincs. Úgy tűnik, mintha nem igazán lenne láng moduláció - vagy ég, vagy nem. Már gyakorlott kazános sem tudott vele eredményt elérni - én épületgépész technikus vagyok, általános kazános ismeretekkel, barátaim a tulajok, miattuk néztem rá a berendezésre. Van esetleg hasonló tapasztalata valakinek itt?
1 csap kinyitasanal mennyi az atfolyo viz mennyisege? Ha ugy latod nem modulal le a kazan akkor a kazan gázcsapjat tekerd le addig amig alacsony lesz a lang magassaga. Ha ebben az esetben 1 csap folyamatos kinyitasanal nem kapcsok le a kazan es van melegviz akkor igazad van, modulacios hiba. Amennyiben kis langnal is ki be kapcsol a kazan áramlási hiba lehet. Ez az én velemenyem
Igaz, nem mértem meg pontosan- ha jól tudom, 1,5 l/perc átfolyásnál kapcsolna be az áramlásmérő és 1,3-nál pedig ki. Ez akkor egyezne meg a csapon kifolyó víz mennyiségével, ha tisztán a melegvíz csapot nyitjuk. Úgy gondolom, ez a másfél liter bőven megvan - de valóban, meg fogom mérni.
Ha jól tudom, az áramlásmérő csak kapcsolási jelet ad, hőmérséklet beállításban nincs szerepe. Köszönöm!
Jó reggelt!
Radiant RCM 20 cirkó ügyben kérek valakit,aki látott már ilyet közelről, a vezérlő panelen van-e és melyik trimmer lehet az amelyikkel a szivattyú motor működési idejét állítani lehet??
Sziasztok!
Másodszor írok ebbe a fórumba(az elsőt a segítségetekkel sikerült megoldani), igen sokat visszaolvastam, és nem találkoztam hasonló esettel az itteniek között. Van egy renova star f24 e bt jelzésű kazánunk, amin alacsony volt a nyomás, így Anyám a feltöltő csapot megnyitotta, és 1,5 bar-ig sikerült felnyomni vele a nyomást. De amikor kinyitotta a melegvizet (és ahányszor én is megcsinálom, ugyan ez történik) beindul a ventillátor, és a gyújtóelektróda elkezd szikrákat csinálni,majd leáll, és elkezd az üzemzavar lámpa villogni. Letisztítottam az elektródákat, illetve leengedtem a vizet, és a tágulási tartályt újratöltöttem 0,5bar-ra(aminél érdekes módon amikor fújtam,kb 1 percig nem tartotta a nyomást,utána viszont stabil maradt), de nem segített, ugyan az a helyzet. Bármilyen segítségért nagyon hálás vagyok, ha kell szétszedem, fotózom, vagy ha tudok,megpróbálok válaszolni a kérdésekre. Köszönöm szépen!
Gázcsap nincs elzárva? Gázszelep, szürő. Kap áramot a gázszeleped?
Sziasztok!
A minap rokonlátogatóban voltunk, és kiderült, hogy a Junkers Celsius WT 14 típusú cirkójuk nem működik már egy hete. Lelkes amatőrként szétszedtem, és találtam egy furcsa diódát (kép). Miután kiderült, hogy hol a reset gombja, sikeresen újraindítottam, és onnantól normálisan funkcionált, nekem viszont nagyon úgy tűnik, hogy túláramot kapott, és a képen lévő dióda épphogy életben maradt. Van javaslatotok, hogy amennyiben megadja magát, milyen típusúval érdemes cserélni? Illetve hogy valóban megállja-e a helyét ez a teória, vagy valami más lehetett a gondja? Előre is köszönöm a válaszokat!
Attól hogy valakinek hordóhasa van, még lehet normális
![]() Ha reset után működik, szerintem hagy a fenébe... |
Bejelentkezés
Hirdetés |





2 arányt figyel. A különbség adott időbeni emelkedését, vagy ha a visszatérő ntc melegebbet mutat mint az előre menő (ez fizikailag nem elérhető csak ha nincs áramlás, vagy rossz az ntc) A perlátorra max leszabályoz.. Nem szekunder oldali a hiba, hanem primeroldali.
Nyilván szekunder oldalon előbb leszabályoz, mint hogy kiakassza magát hibára.. 






