Fórum témák
» Több friss téma |
Fórum » Csöves erősítő készítése
Ne feledd betartani a fórum viselkedési szabályait, és a topik megmaradásának feltételeit. [link]
A téma átmenetileg fagyasztva lett, hozzászólni nem tudsz!
Mindazonáltal, hogy igen nagyra tartom Plachtovics Úr szaktudását, és munkásságát, mégsem mindig üdvözítő, ha egy kapcsolást szolgai módon lemásolunk. Pláne, hogy a nyomda ördöge is "belevisz" valamit.
A szövegkörnyezetben leírt, "loudness" áramköri megoldása, és a kapcsolási rajz, köszönő viszonyban sincs egymással. Szerintem, ezt az áramköri részletet - ahogy Sturbi is javasolta - nyugodt szívvel "lefelejthetjük" az áramkörről. Nem szükséges elemek: C9, C10, R15, R16, K2. Én valószínűleg - ugyancsak Sturbival egyetértve - elhagynám a hangszínszabályzót is. De, nyugodtan meg is lehet építeni, akkor sem követünk el nagy hibát. Amit hiányolok, az a magnókimenet. Egy komplett erősítőnél - vagy előerősítőnél - ez alap kéne, hogy legyen. Még egy gondolat. Ha átvariáljuk a V2 cső áramköreit, és R12-t elhagyjuk, akkor R11-et vegyük már kisebbre. Eddig avval kompenzálta a kapcsolás a Tuner - ami , szerintem a Tape esetén is indokolt lenne - kisebb jelszintjét, hogy kisebb ellenállást (R10) épített be. Ez semmilyen jelentőséggel nem bír, ha csak az R11 1M Ohm Van a rácskörben. Én 330k Ohm -ot tartanék reálisnak, mindenféle számolgatás nélkül, megsaccolva.
Sziasztok Csövesek!
elég rég jártam itt,sajnos nagyon leköt a szakdolgozatom írása.A háttérben azonban ott zenél a 6P14P SE így a munka is könnyebben megy. Most szert tettem SM65 hiperszilekre,amikből folytót tervezek tekerni az erősítőhöz,remélem hamarosan sor kerülhet rá. Látom Ti termeltetek,csak így tovább üdv Idézet: „amikből folytót” A fojtó nem folyik, hanem fojt...fojt...fojt... irgum-burgum.
Új vagyok még a csöves technikában, ezért kérdezem hogy miért van az hogy mondjuk egy csöves 50W-os erölködő jobban szól mint egy 50W-os tranyós? Valamint az előbb leírt rafilm erősítőmet szerintetek használhatnám gitárhoz?
Sziasztok! Horogra akadt egy beag ae211 erősítő. A trafói jók de a többi része enyhén szólva hiányos. Kérdésem,h ogy mit lehet kezdeni vele? Én most ismerkedem az erősítő készítéssel, és azt gondoltam, hogy nem áldoznék egyenlőre sok pénzt rá, ha a fenti dolgokból tudnék csinálni valamit az kezdetnek nem volna rossz. Köszi
Hello! Neked van eladó Volga autórádiód?
Sziasztok!
Titeket, csöves erősítőkben jártas embereket kérdeznék meg arról, hogy mi a véleményetek az OTL (kimenőtrafó nélküli) erősítőkről? Találtam egy nagyon "egyszerű" katódkövetők kapcsolási rajzot. 3db 6H23P vel működik, és 15ohm a kimenő impedancia.
A 211-es egy nagyon jól sikerült erősítője a BEAG-nak, aki ilyenhez hozzájut az szerencsésnek szokta érezni magát.
Mindenképpen érdemes a végerősítőjét felújítani (vagy az egészet), ha a trafói megvannak. Igazi hi-fi csemege. Könnyű eladni is.
Azért ennek ne dőlj be, jobban jársz. A 6N23P-t az ECC 83 és 88 helyettesítőjeként szokták használni leginkább. 300 mA a fűtése 6,3 V-on, 3 db-nak 900 mA. 100 V-os anódfesznél 15 mA katódáramot tud egy csőfél 2,4 K belső ellenállása (el kell gondolkodni miből is lesz a hangnyomás). 15 Ohmos felhallgatóhoz kondenzátoros kicsatolással valószínűleg használható (de inkább nagyobb ohmoshoz), hangszórót egész biztosan nem tud meghajtani.
Nem hangszóróhoz kell
![]() Hanem fejhalgatóhoz, de én úgy tudtam, hogy ha még sorba kötök 1 csövet, akkor csökken a kimenő impedancia, vagy nem? Ugyanis a fejesem 8ohm-os 6H23P 6N23P 6922 és az ECC88 tudom hogy ugyan azt a csövet jelenti, de a szovjet 6H23P legjobb közülük(szerintem).Az 1-es az eredeti, a 2-es a bővített verzió, a kérdés hogy jó-e, és hogy hány ohm lessz a kimenő.
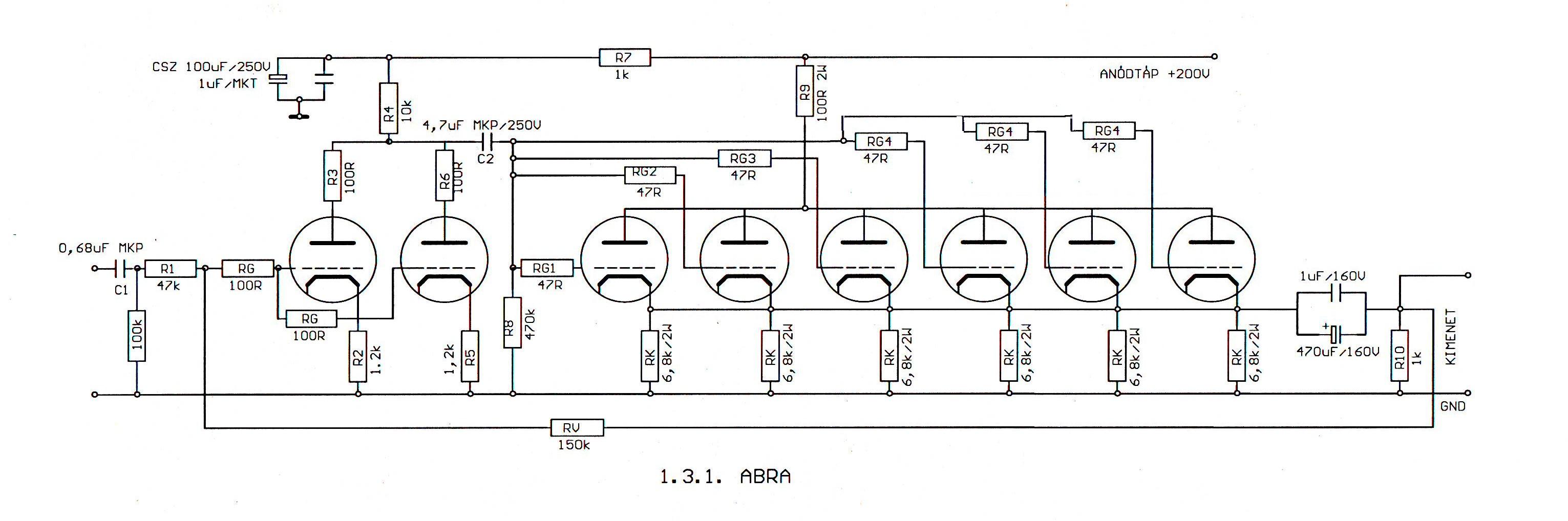
Nyilván, minél több csövet kötsz párhuzamosan, annál kisebb lesz a kimeneti impedancia, hiszen a csövek áramai összegződnek a munkaellenálláson, ami jelen esetben a katódellenállás. 6 cső párhuzamos kötésekor hatod része lesz a "csőkupac" belső ellenállása egyenáramúlag és váltóáramúlag is az egy csőfélhez viszonyítva. A 6 katódellenállás eredője 1,13 K, nem jó a kapcsolás...így, ha csövenként 7,5 mA folyik -50 V rácselőfesz jön ki, valószínűleg csak 680 Ohmosak a katódellenállások.....
El kell mennem, ha visszajöttem még ránézek.
Visszajöttem, szerintem nem jók a katódellenállások értékei. Aki tervezte az valószínűleg K68-at írt a rajzára, ami ugye 680 Ohm, nem 6,8 K (rosszul lett átrajzolva). 680 Ohmokkal kb. 4-5 volt közötti fesz. esik a katódkomplexumon 6-7,5 mA csőfelenkénti katódáramnál, ami jó értéknek tűnik (1,5 W körül tud disszipálni egy egy anód, ha jól emlékszem).
8 Ohmos fejhallgatóhoz amúgy szerintem nemigen érdemes csöves erősítőt építeni (nem szoktak audiofeel minőségűek lenni, bár egy stax...), Olyan 32 ohmtól felfele már van mit keresgélni. Ennek a kapcsolásnak 3 csővel is kevés a 8 Ohmos fejhallgató. "Puding próbája az evés", meg kell próbálni, ha nem jó szét is lehet szedni, de a katódellenállások biztos nem jók.
Azért szól jobban a csöves, mert a tranyós ezer olyan nyűggel küzd, amik jelentős részét nem sikerült a mai napig sem megoldani. Ezek nagy része a csöves technikában nem jelentkezik. Nem szeretném leírni az egészet, mert több oldal lenne.
Igen, jó lenne.
Örülök, hogy már jó a szemed, Zoli.
Tehát akkor 680 ohm -os ellenálásokat fogok használni.
Mindenféleképp kifogom próbálni, csak nem tudom hogy mikor Egyébként ez korrekt kapcsolás? Bővebben: Link Mert van ithon PCL86 és hozzá való kimenő.
Hát, elég bőven méri a konstruktőre az ellenállások teljesítményét. Sok helyre nem indokolt a 2W. Amúgy működőképes.
Köszönöm, azthiszem előbb ezzel próbálkozom, holnap meg is nézem miből élünk
és meglátom van-e ithon minden hozzá.
Nagyobb méretű ellenálások valami miatt szebbé teszik a hangot. A kapcsolás nem a teljesítményre van kihegyezve.
Pusztán gyakorlati megfontolásból (poti meghiásodás), én azt javaslom, hogy a trióda rácsára tegyél egy fix rácslevezető ellenállást (220K-1 M) is. Ha CD-ről akarod használni (DVD-ről, SAT-ról) nagy lesz így az erősítés (nincs visszacsatolva a kimenőről). Szerencsésebb lenne a triódának 2 K körüli katódellenállás, 50 K körüli anód munkaellenállással (a tápban 47 helyet lehet 100 K ekkor). A pentóda 330 Ohmos minkaellenállásáról arra lehet következtetni, hogy kisebb teljesítmény jobb hangminőség volt a célja a konstruktőrnek (kisebb nyugalmi áram kevesebb elektront von el a katód környezetéből), a csö csak 6,8 W-ot disszipál a szokásos 9 W helyett, a kimenőteljesítmény 1,5 W körül lehet. Ha csak a szokásos rádió-TV kimenőd van, a 180-220 ohm katódellenállást érdemesebb alkalmazni szerintem és az a rengeteg pufferkondi sem kell akkor. Ma semmi sem jó nekem.
Szia!
Nekemis van 211em, es csak biztatni tudlak hogy csinald vissza eredeti allapotaba, mert nagyon jo hangja van Ha nincs szukseged a hangszin szabalyzora, akkor erdemes elhagyni, az ecc82 elso felevel egyutt! Valogatott ecl86osokat nehezen fogsz bele talalni, uh egyszerubb lehet ha kicsereled oket pcl-re es raksz bele egy plusz trafot ezek futesere.Melyik valtozat van neked? Plexi elolapos vagy a fem?
A PCL86 adatlapját nézegetve merült fel bennem a kérdés: Müszi alkotása és ez a "Piccolo" is 110-150V anódfesszel kalkulál a cső trióda oldalán. Az adatlapon pedig 250V-ot nevez "tipikusnak". Van ennek racionális oka? Mármint, hogy a látott kapcsolások elég következetesen eltérnek a gyári "ajánlástól"... Pl. hogy a fokozatok kapcsolásmentesítése miatt alkalmatott, a két cső anódköre közötti szűrőellenállás miatt nehéz lenne az előfoknak is biztosítani kb. igyanazt az anódfeszt, mint a végcsőnek.
Mellesleg, mintha a neg. vcs.-t elkezdte volna a tervező, de nem fejezte be... A kimenő szekunderénél elindul a vonal felfelé, aztán vége... Ja, és a tápnál a sok 47µF-os elkó is picit mintha túlzásba lenne víve...
Szia Marci, minden beszerezhető hozzá. Én a legolcsóbban 2000-ért tudtam bontatlan dobozos ECH21-et meg EBL21-et szerezni (ha érdekel adok telefonszámot), és 1000-ért új AZ21-et a vaterán.
Szia Zoli! Tegnap napközben sokat aludt a gyerek ezért későn feküdt le este meg a tujákat is meg kellett locsolnom, utána már nem volt lelkierőm nekiállni. De szerintem ez a katódellenállás megoldja a problémát. Lehet hogy kiközepelem egy 1Kohm-os potival a 6,3-as fűtést hátha mégjobb lesz mint csak úgy simán leföldelve. Ma este ha kell éjfélkor is nekiállok mert nagyon izgat a dolog. És te hogy állsz a nixie-vel? Van már olyan a szemed hogy nekiállj összerakin?
Miután a katódot kifelejtetted a rajzból én meg észre sem vettem napokig csak azt hogy nem megy, jogosan hihetsz rólam bármit de azért a fűtéssel kapcsolatos variálás egyértelmű nekem is. Csak a lehető legkevesebb alkatrésszel akarom megúszni a dolgot. Ha egy elkó tönkremegy a nagy üzemi fesz miatt az mindenképpen pukkan vagy púposodik meg ilyesmi, vagy néha nem is látszik rajat külsőleg semmi?
Majd ma ráakasztok egy 100Kohm/5W-ot az első puffera párhuzamosan az gondolom elég? A katód dolog legalább annyira az én hülyeségem is.
Most AZ 1-az ei. Bekapcsolás után megjelenik kb 360V, majd mikor az EBL elkezd felfűteni és felvenni az ő kis 40mA-jét visszaesik kb 250V-ra az anódfesz.
Szia!
Köszönöm a biztatást. Nekem a plexi előlapos van. Az elejét nem lesz nehéz elhagyni mert nincs meg. A nyák lap is szakadozik. Én arra gondoltam, hogy a meglévő trafokkal más kapcsolást megépíteni. Esetleg egy plc86 SE-t. A végerősítő resz egyébként meg van.
Tehát akkor így kell kinéznie ugye?
Egyébként a tápban az egy 10Henry -s tekercs?? Azt nem tudom honnan fogok ilyet szerezni... Igen, sima TV-ből bontott kimenőm van, bár ahogy méregettem a hangszóró felöli oldal szakadt |
Bejelentkezés
Hirdetés |


6H23P 6N23P 6922 és az ECC88 tudom hogy ugyan azt a csövet jelenti, de a szovjet 6H23P legjobb közülük(szerintem).








