Fórum témák
» Több friss téma |
Fórum » Csöves erősítő készítése
Ne feledd betartani a fórum viselkedési szabályait, és a topik megmaradásának feltételeit. [link]
A téma átmenetileg fagyasztva lett, hozzászólni nem tudsz!
Miért PÜ?
A fórumunkra vonatkozó "netikett" szabályok, avagy a Hobbielektronika 27 parancsolata: I. Kérdésekre nem a privát üzenet való, arra ott a fórum. Oka: Az információ valószínűleg közérdekű, és későbbiekben maradjon visszakereshető mások számára is.
Idézet: „Jelenlegi állapotokról nem tudok, hogy most per/pillanat mi a helyzet.” "... baromi meleg ... itt fenn, ez a helyzet" ![]() Kakasos nyalókát kap, aki kitalálja, az előadót/címet
Hi!
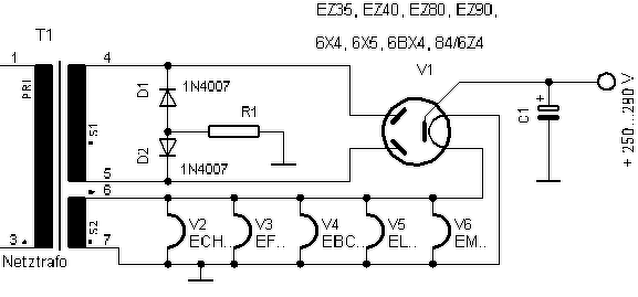
Ha a táptrafónak csak szimpla (tehát két kivezetése van) akkor tudok belőle EZ80-nal tápot csinálni az erősítőnek?? Amiket láttam azokon három kivezetéses a szekunder a közös ág van lent testen.
Elméletileg igen, de gyakorlatilag problémás. A graetz kis csővel éppen az elvárt előnyt (dinamika) nem fogja hozni. További hátrányok: kétszeres feszültségesés, dupla ár.
Én már láttam + 2 db szilícium dióda kiegészítéssel teljes hullámú egyenirányítást ilyen csövekkel.
Bezony.Valami ilyesmi lehet mind a fotón
Minden szempontból jobban járhat 4db félvezető diódából összerakott graetz híddal. Párszáz Ft-ért egész jó hangú gyorsdiódákat lehet kapni (és persze nagyon sok rosszat).
Az R1 testre kötött oldala a sasszira van kötve?? Ebben az esetben a sasszit lehet földelni? Az R1-et mi alapján kell méretezni?
A hozzászólás módosítva: Aug 17, 2018
Nincs jelentősége az ellenállásnak.(Akár el is hagyható.)
A diódák közös negatív pontja a táp negatív pontja is egyben. Úgy képzeld el a kapcsolást, mint egy "hibrid" graetz hidat, ahol a negatív ágat félvezető diódákkal, a pozitív ágat csővel oldották meg. Idézet: „Nincs jelentősége az ellenállásnak.(Akár el is hagyható.)” Szerintem van, kompenzálható vele a félvezető és a cső paraméterei közötti különbség. Bár ez sem igazán jó megoldás...
A sasszira kötés és a földeléssel kapcsolatban tudnál valamit tanácsolni?
Építés, vagy javítás?
Ha magánban adsz egy publikus e-mail címet, küldök szakirodalmat. (Morgan Jones E-könyvek)
Jelenleg csak a "tervezés" mert nem szeretnék "meglepit"
A kérdésed kapcsolódik a restaurálós topichoz?
Rádiójavítás?
Ha jó száraz tölgyfapadlón rakom össze hol a sasszi??
Idézet: „Bár ez sem igazán jó megoldás...” Miért? Milyen hátránnyal kell számolni?
Inkább csak áramhatárolás, ha akarjuk hasogatni a szőrszálat.
De gyári áramkörben sehol nem láttam ellenállást. Elég a cső által biztosított késleltetés a puffer/szűrő kondi(k) feltöltéséhez. Ennek a kapcsolásnak az előnye hogy egy csővel, középleágazásos trafó nélkül is megvalósítható a "full-wave" egyenirányítás, a félhullámú (half-wave) helyett. Természetesen nem a legtökéletesebb, de működik.
Ennél már csak az az előnyösebb (Si-diódát is tartalmazó) hidas megoldás, amiben 0db egyenirányítócső van
Közvetett fűtésű csöves végfokozathoz nem kell anódfesz. késleltetés.
Valóban.Az a legegyszerűbb ha bepattintunk egy graetz-et, úgy "autentikusan", és nyomunk mellé egy Wass Albert idézetet oszt jóvan
![]() Csak az eredeti kérdés ez volt,én meg erre reagáltam: Idézet: „Ha a táptrafónak csak szimpla (tehát két kivezetése van) akkor tudok belőle EZ80-nal tápot csinálni az erősítőnek?? Amiket láttam azokon három kivezetéses a szekunder a közös ág van lent testen.” Remélem nem gond, ha Én másképp látom a dolgot.
Az elmaradt előny a hátránya. Abból nem nagyon lesz csöves hangtisztaság, hogy 2 kutyaközönséges 1N4007-tel sorbakötünk 2 vákuumdiódát...
Erre regáltam én is: lehet, de nem érdemes (+ hogy mit érdemes helyette). Persze mindenki azt csinál, amit akar...
Már többször is kérdeztem, mi a csuda ez a csöves hangtisztaság? Jó lenne, ha leírnád definíció szerűen.
Igazad van abban, hogy ma már korszerűbb félvezetőkkel nagyon jó tápokat lehet készíteni.
(Gyors, ultragyors, hexfred stb diódák) Persze annak is van létjogosultsága ha valaki-akár nosztalgiából-más utat választ. Abban a szerencsés korban vagyunk, hogy többféle úton is el lehet jutni a célig, ez a csöves elektronikára fokozottan igaz.
(Nem csak a) Csöves erősítőknél fontos a tápegység minősége.
Ez tény. Tehát alap elvárás, a tiszta, zaj, AC komponens mentes feszültség/áram. Ha Pl. egy SE erősítőt nézünk, gyakorlatilag a tápfesz van modulálva, az van kicsatolva a hangsugárzókra. Tehát a tápfeszültség tisztasága beleszól a hang minőségébe.
Ez rendben van, fontos, hogy kis belső ellenállású, kis zajú táp legyen. (párszáz voltos anódfesz mellet, a néhány voltos ripple)
De a kérdés továbbra is, mi az a csöves hangtisztaság?
Talán a csöves erősítőkre jellemző jellegzetesen "tisztának" hallott hangról van szó aminek a titkát a második felharmonikusoknak tulajdonítják.
Itt jellemzően nem mérhető, inkább hallható dologról van szó. Az biztos, aki hallott már jó csövest annak feltűnik hogy -laikusokat idézzek: "másképp, szebben szól", "melegebb hangja van", "tisztán szól". De szerintem csak szeretnél bevinni az erdőbe. Tudod hogy miről van szó, ezen vitázni felesleges Idézet: „De gyári áramkörben sehol nem láttam ellenállást.” Gyári áramkörben láttál ilyen hibrid egyenirányítást? Ellenállás nélkül is működik, csak a negatív félhullám nagyobb lesz, aszimmetrikus lesz az egyenirányítás.
Cső és Si dióda kombinációja rosszabb megoldás, mint a teljes félvezetős egyenirányítás. Eltérő paraméterek miatt, nem szerencsés párosítás. Terhelhetősége kisebb, brumm esélye nagyobb.
Ha ehhez a megoldáshoz ragaszkodsz, akkor inkább 2db ellenállást javasolnék, diódák anódjaiba bekötve, katódok ellenállás nélkül földre. A hozzászólás módosítva: Aug 18, 2018
Idézet: Ezt elmagyaráznád? „Ellenállás nélkül is működik, csak a negatív félhullám nagyobb lesz, aszimmetrikus lesz az egyenirányítás.” |
Bejelentkezés
Hirdetés |





Közvetett fűtésű csöves végfokozathoz nem kell anódfesz. késleltetés. 




