Fórum témák
» Több friss téma |
Fórum » Csöves erősítő készítése
Ne feledd betartani a fórum viselkedési szabályait, és a topik megmaradásának feltételeit. [link]
A téma átmenetileg fagyasztva lett, hozzászólni nem tudsz!
BEAG APX 100 alapbol annyi változott hogy 3 darabból lett 2 kimenő .
Csináltam uj csévéket a kibővitett pakettekhez. De ha siman csak marad az eredeti is ok. Az albumban ahhoz van a terv.
A BEAG legnagyobb gyári trafója 70mm-es pakett, ezt "C" változatnak hívják.
A 100V-os trafói ekkorák, M102C. Persze ettől nagyobbat is össze lehet rakni, de 40W-oshoz például elég a "B", 53 mm-es pakett is.
Sziasztok!
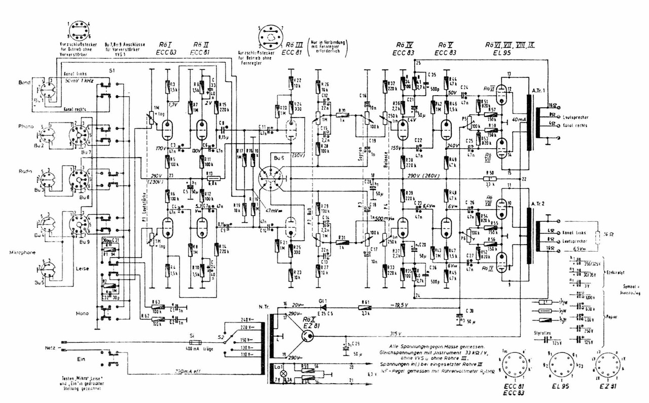
Hozzàm került javításra egy Sennheiser vks 203 erösítő. A tulaj azt mondta, hogy egyszer amikor bekapcsolta füst szállt fel belőle. ez jó régen volt. Azóta porosodik. Valaki már belepiszkált. Néhány csatoló kondi ki lett cserélve. Én nem láttam égésnyomot sehol. Szét szedtem. A kimenők rendben, Mind a primeren, mind a szekunderen ugyan olyan ellenállásokat mérek. Csövek nélkűl bekapcsoltam. A feszültségek mindenhol rendben. Egy ECC83 hiányzott, valamint az EZ81 helyett EZ80 volt benne. Nem csoda hogy nem működött. Az eredeti kondik gyengélkedtek, így azokat cserélem. A tulaj nem akarja restaurálni, csak szoljon. Most veszek bele új EL95-öket és EZ81-et. Az eredeti 50+50µF táp kondit 100+100µF-ra cserélem. Ez talán nem árt a hangnak. Szeretnék segítséget kérni tőletek, hogy hogyan állítsm be a szimmetriát a végcsöveknél. Nincs katód ellenállás, amihez lehetne menni. A hozzászólás módosítva: Júl 30, 2018
Az egyeniránító után ne tegyél 100 mikróst a cső nem szeretia többi lehet nagyobb. A trimmerrel lehet beállítani a két cső szimmetriáját egy végnél, ott a rajzon P5 fix előfeszültséggel üzemel.
Idézet: „Az eredeti 50+50µF táp kondit 100+100µF-ra cserélem. Ez talán nem árt a hangnak.” A hangnak nem, de a csőnek igen.
Erről elfeledkeztem, hogy egyenirányító cső után nem lehet bármit tenni.
Mondjuk másutt is értelmetlen az irdatlan méretű pufferkondik használata, de a csöveknél a katód véges elektron termelő képessége (emissziója) korlátozza a csúcsáramot. Jelentős túllépést tönkremenéssel díjazza.
Félvezetőknél az átlag, és csúcsáram aránya ugyan sokkal nagyobb, de ott sem kéne a határig elmenni. (aztán jön a siránkozás, hogy hamis az egyenirányító)
Azon gondolkodom, hogy 1 Ohmos ellenállást rakok a katódra. Így állitanám be a nyugalmi áramot. Tudtok tanácsot adni, hogy mennyire állírsam? A rajzon van egy 40mA felirat a rajzon az egyik kimenő mellett. Ez lenne a beálítandó érték?
Akár 10 ohmot is tehetsz, azon könyebb mérni és a rajta levő feszültségesés nem zavaró még, szoktak akkorát is tenni
Nyugalmi áram nem állítható, csak a szimmetria.
Már rájöttem én is. Fix -21V van a rajzon. Ami nálam -19.
Idézet: „"Ez talán nem árt a hangnak"” Nem mindegy, hogy milyen volt benne (tönkrement, vagy csak formázni kellett volna?), és mire lett cserélve. Szélsőséges esetben éppen annyira megárthat, mint egy csatolókondi cseréje...
Ha a hangminőséget akarja bemutatni egy fülbemászó zenével, ami vagy 10 fajta torzításon/fokozaton ment át, mire hozzám visszért az interneten a tengeren túlról/űrből, akkor szimpla parasztvakítás. Esetleg Csalás. Ha a külcsíny a lényeg, akkor dupla sajtb... bocs parasztvakítás.
Azon a zenén igenis lehet jól tesztelni, különösen ferdecsöves erősítőt!
Az I. tétel muzsikáját rövid bevezető zene előzi meg (ez az Adagio); szerepe: előkészíteni a tétel, az Allegro indítását. Rövid bevezető zene szerepel a IV. tétel előtt is. -> tuc-tuc Az első téma könnyedén lendülő, ismétlésre majd egyik motívumából lezárásra kerül. -> tuc-tuc-tuc Rendkívül energikus az átvezető rész zenéje, mely akár önálló témának is beillene, ami szintén lezárásra kerül, s rögtön kezdődik → TUCTUCTUCTUCTUC a második téma, ami könnyed, játékos; először a szinti, majd a szintisek adják elő; a téma másodszor is elindul, anyagából lezárásra kerül. Tucturutuctuc-tuc-tuc Isteni...
Röhej. Vagy inkább szomorú. Sajnos ez van.
A hozzászólás módosítva: Aug 1, 2018
Nem a hangminőség bemutatása volt a lényeg, arra nem a youtube való, hanem a csöves erősítők illetve a csöves kivezérlésjelzők szemléltetése, amiket épített!
Sziasztok!
Építgetek egy kis EL84 pp erősítőt, és az egyik csatorna mindenhogy gerjed majdnem kerek 100kHz-n. Jelenlegi kapcsolás, már teljesen visszabutítva képként csatolva. De még így is hozza ugyan azt a gerjedést. Ha a trafó bármely bekötésé megfordítom, akkor a tipikus pozitív visszacsatolásos gerjedést kapom. Több csővel is próbáltam, az eredmény mindig ugyan ez. Másik csatorna ugyan ez, ott semmi gond. Kábelkötegeket szétbontottam, bármit csinálok, a gerjedés egy kHz-t sem változik. Tápfesz 300V kimenő 8k Raa ( prim: B+ - A1 7,5H 160R, A2 szintén ) Mi lehet a gond ? Mit tehetek ellene ?
Nincs semmi baj, a zene és a dizájn a legtökéletesebben harmonizál egymással.
Nálam akkor jelentkezett ez, amikor a trafón fordítva kötöttem be a 2 cfb tekercset.
Cseréld át a 2 kimenőt, ha akkor meg a másik oldal fog gerjedni, akkor ráhibáztam.
Rendben. Végül is igényesen megépített készülékeket látni.
Attól is lehet, hogy a cfb tekercs fordítva lett beforrasztva a trafóban, ezt is érdemes ellenőrizni.
Ezt megnézem! Köszi!
Addig következő találós kérdés. 6L6GC PP. Csövek akárhogy variálva , nem változik a hiba. Kimenők toroidok. UL bekötés. Táp 350V Egyik csatorna nagy kivezérléskor recseg párat és halkabb lesz, kis idő múlva helyrejön. Munkapontok jók. A hozzászólás módosítva: Aug 2, 2018
Lehet, hogy át-átüt a kimenő a kérdéses oldalon. Vagy valamelyik kondi.
Kimértem a toroidot. Menetzáras :/ 1 évet állt az erősítő, előtte hibátlan volt..
Sziasztok!
Az lenne kérdésem hogy kis hazánkban foglalkozik valaki csöves erősítőhöz trafó vagy trafószett gyártással?(hálózati,kimenő,fojtó) Köszönöm a választ
Szerintem nem. Gyártanak páran csöves erősítőt, magyar fizetésekhez viszonyítva drágán, nem fognak eladni alkatrészként. Pár amatőr tud tekerni, jól. Mazsolázni kell!
a felhozatalban. Ami gyakorlatilag jelenleg zéró. Kellően elvettem a kedvedet? Pü.
Itt a csoportban is vannak szép számmal azért akik tekergetnek.. Olyan is aki megrendelésre csinálja, csinálta.. Jelenlegi állapotokról nem tudok, hogy most per/pillanat mi a helyzet.
A H&M Trafó KFT gyárt rendelésre transzformátorokat, bármilyet.
Ahhoz, hogy valami konkrétabbat tudjunk mondani, ismerni kellene az igényedet, hogy milyen csőhöz, milyen végfokhoz, milyen transzformátorokat szeretnél. Üdv!
Ugyanezt írtam pár sorral feljebb, ha elolvasod..
![]() Idézet: Hiba. Ez a lényeg. Ha hallgattál volna, bölcs maradtál volna...A pillanatnyi helyzet aktuális általában. „Jelenlegi állapotokról nem tudok, hogy most per/pillanat mi a helyzet.” A hozzászólás módosítva: Aug 16, 2018
|
Bejelentkezés
Hirdetés |









