Fórum témák
» Több friss téma |
Az a korrekt. Ha az elkó jó, akkor az áramfelvételt kell először megvizsgálni. A végfok képes akkora áramot felvenni, hogy az üzemi körülményekre méretezett szűrés elégtelen.
A nyíllal jelölt ellenállást kivéve csak az erősítő kap tápot. A hozzászólás módosítva: Júl 12, 2018
Valamint ajánlatos a 16µF-okat is megvizsgálni. A hangregisztert én kiiktatnám, így jóhangú lesz az erősítője.
No, igen... Egy időben nagyon szerették ezt a hangregisztert. Pedig az erősítő ultralineár kapcsolású, szépen szólhat.
Persze a 16µF-ok is lehetnek szárazak, de attól (a felsőtől) inkább huppogni szokott kivezérlésnél.
Az áramfelvétel az ellenállás lekötése után 3,2mA, ha visszaforrasztom akkor kb. 30mA körül mozog. A 16µF is jónak néz ki, valamivel többet mutat rá a műszer.
Sziasztok
Egy Videoton RM 4640 típusú táskarádióval van problémám. Valamiért FM sávon nem fog semmit, MW, SW1 és SW2 csatornákon fog jelet. Mi lehet a probléma / mit nézzek meg benne? Még nem volt a panelekhez nyúlva benne, csak a kazetta része hiányzik.
A mellette lévő diódát( D8) nézd meg, nem zárlatos-e? Zener, talán 5V-os lehet?? Ha igen, tegyél helyette másikat, anélkül ne indítsd, mert tönkremehet az IC. Elvileg 7V-ot bír, nem tudom mekkora a táp.
FM-en melyik sávot veszi? OIRT, vagy CCIR?
Ha OIRT (kb. 60-77 MHz), akkor onnan már minden adó kihalt. Nem csoda, ha FM-en nem fogsz semmit...
Elvileg mindkettő sávot venné, igaz csak 104MHz-ig.
A rajz erre vonatkozó része azonos. Mivel nem ismerem a rendelkezésedre álló múszerparkot és tapasztalatodat az elektronika terén, így elég nehéz segítenem...
Van- e valami URH-zaj egyáltalán? Be van nyomva a CCIR/széles sáv nyomógomb? Mondhatnám, hogy 10,7MHz-el kínáld meg az IC121 16-os lábát. Ellenőrizni kell T14, T31, T83 tranzisztorokat - különös tekintettel az elsőre, mert ha egy műszálas pulóvert a fején áthúzva vett le valaki az antenna közelében, akkor ez meghalhatott. A hozzászólás módosítva: Júl 15, 2018
URH zaj van.
FM1 gomb benyomva végigtekerve semmi vétel. FM1 + FM2 gomb benyomva végigtekerve semmi vétel. FM1 + RIF FM LOCAL gomb benyomva végigtekerve semmi vétel. FM1 + FM2 + RIF FM LOCAL gomb benyomva végigtekerve semmi vétel. T14, T31, T83 tranzisztor BF241 ellenőrizve Univerzális mérőműszerrel (Képet mellékeltem).
Budapest rádió folytatás: Meglett az erős búgás oka, a végfokban a 3db 22nF-os kondiból kettő átvezetett valamennyire, mind a három kicserélve. A kimenőtrafó primer körében a soros (4,7k - 1,5nF) is beteg lehett a kondi, cseréjével most már jó hangerővel szól. Valószínű, hogy lesz még a készülékben több ilyen kondi(papír vagy bakelit hüvelyes kondi, két végük bitumennel kiöntve). A rádió rész se makulátlan, szép lassan ahogy az idő engedi folytatom.
Sziasztok!
A segítségeteket szeretném kérni egy Globephone icf 2003 dx rádióval kapcsolatban. A rádió VHF sávokban tökéletesen működik a skála is pontos de AM sávokban jelentős csúszás van a ténleges frekvenciák és a skála között( egy szintézeres rádióval ellenőriztem) továbbá a BFO sem működik .Összefügghet a két hiba egymással illetve hogy tudnám kimérni a BFO-t hogy működik e ?Az 1. rajzon látható a BFO kapcsolása s a dióda két lábán (mivel csak ehhez fértem hozzá leginkább) a poti középállásában megkozelítőlen 455 khz középfrekvenciát mértem multiméterrel mivel oszcilloszkópom nincsen.De a 12. csatlakozó ponthoz kapcsolódó csatoló tekercsnél nem tudtan semmit se mérni valószínüleg a kis jelerősség miatt. Érdeklődnék ,hogy milyen irányban induljak tovább? Találtam hozzá kapcsolási rajzot is :
Helló.Nincs meg valakinek a Smarton SM 9488 tipusu rádiónak a kapcsolási rajza?Szépen szól Am.Az Fm része teljes hangerőn alig hallható az adás ugy lehalkult.Nincs baja a tranzisztoroknak,elkóknak.
Sziasztok!
Nem tudom hogy jó topicba írok, ha nem akkor irányítsatok át a megfelelőbe nyugodtan. Van egy régi szalagos visszhangom és az egyik lejátszófej megadta magát (vagyis eleve hibásan vásároltam). Egy részről letört az egyik csatlakozója, de eleve félig-meddig már mozgott és multiméterrel mérve mindig szakadást mutatott, amíg a társán 400 omhot mérek. Szerintetek szét lehet szedni és meg lehet javítani vagy lehet ilyesmit venni még valahol vagy bontottan érdemes körbenézni? Ez a 400 ohm mennyire ritka érték az ilyen lejátszófejek között? Itt találjátok a kapcsolási rajzot. A rajzon a Playhead 2 néven találjátok. Köszi előre is a meglátásaitokat! András A hozzászólás módosítva: Aug 4, 2018
Sziasztok!
Elkezdtem folytatni a Budapest rádiót. A hf része tökéletes, az urh is jó, most már a közép és a rövid I és rövid II sáv is megszólal, de sajnos nagyon halk, és nem is érzékeny. A varázsszem ernyője meg sem mozdul(urh sávon tökéletesen mutat), még a középhullámú Kossuth adónál sem, pedig aztán ott teljesen ki szokott térni. Itt most megakadtam, merre keressem a hibát, illetve mi jöhet szóba? A hosszú hullám teljesen néma, meg sem szólal, lehet esetleg összefüggés a kettő között? A hozzászólás módosítva: Aug 12, 2018
Sziasztok
Egy Videoton Cleopatra RA6380S típusú működő rádiót teljesen szétszedtem javítottam benne forrasztásokat, és kitakarítottam. Szétszedés előtt a jobb oldal halkabb volt mint a másik meg néha nem szól ( a potméter volt forrasztási hibás) Kicseréltem a végerősítő IC csatlakozóit is mert eléggé csúnyán voltak forrasztva, meg a jobb oldali végerősítőket újrapasztáztam mert valaki hanyagul cserélte ki őket előttem, az egyik tranzisztor nem is volt rendesen odacsavarozva a hűtőbordához. Összerakás után teljes ellenőrzés majd próba. Kb 10 percig működött. majd a tápegység mögött a panelnál kis fény majd kis füst a készülék teljesen kikapcsolt. A bejövő 230V- nál lévő 800mA-es biztosíték kiolvadt, nem tudtam miért olvadt ki szépen szólt a rádió. Kicseréltem, de sajnos 800mA-es nem volt kéznél, csak 1A-es, azzal is próbáltam bekapcsolás után azonnal kiolvadt az is. Nem tudtam mi lehet a probléma ezért mindent újra ellenőriztem, de nem találtam semmi hibát. Úgy döntöttem hogy kiveszem a jobb oldali végerősítőt úgy is megpróbálom hátha bekapcsol, itt is 1A-es biztosítékot használtam. A készülék bekapcsolt hibátlanul üzemelt így, gondolom akkor a jobb oldali végerősítőben lesz a hiba. A jobb végerősítő szemrevételezéssel semmi hibát nem látok, csak a VR19 jelzésű kis tekercs van egy kicsit megfeketedve, de ez már a javításom előtt is ilyen fekete volt. Mi tud elromolni a végerősítő panelen amitől azonnal old a biztosíték ?
Szia, tranzisztorokat megmérted nem e lettek zárlatosak ?
UI: Hűtőbordáról jól el voltak szigetelve az IC-k? Az egyik képen a tranyó alatt nincs is csillám. A hozzászólás módosítva: Aug 15, 2018
Nem mértem még a tranzisztorokat. A panelen az összeset át kellene mérni vagy elég a két végtranzisztort?
A csillám meg van csak az a hűtőbordán maradt. Az baj lehet hogy én a csillám és a hűtőborda, meg a csillám és a tranzisztor közé is tettem pasztát. Gyárilag csak a csillám és a hűtoborda között volt.
Megnéztem az összes tranzisztor kettő kivételével mindet meg tudtam mérni.
BD140 és T1819-1 tranzisztorok mérésekor a készülékem selftest mode..-ot futtat. Csipogó szerint mind a kettő zárlatos. A hozzászólás módosítva: Aug 15, 2018
Ha zárlatos csere. Nézd meg a környezetét, lehet valami miatt mentek át zárlatosba. A paszta nem baj, hogy ide oda is ment, de azért nem folyjon ki.
Hát az attól függ, hogy milyen pasztát használtál. Ugyanis vannak olyan paszták amik vezetik az áramot, azokkal óvatosan kell bánni, ha összefolyik a csillám két oldalára kent akkor bizony csinálhat csúnya munkát.
Pasztának még számítógéphez vásárolt (Cooler Marster gyártmányú) pasztából kentem rá arra az van írva hogy elektromosan nem vezető. Nem nagyon folyt ki.
Akkor jó, úgy biztosan nem okoz gondot. Csak azért kérdeztem, mert a számítógépekben használnak ú.n. ezüstpasztákat amik nagyon jó hővezetők, de a villanyt is vezetik. A processzornál nem okoz gondot, hiszen ott nem kell szigetelni, de ilyen helyen problémák forrása lehet.
A tesztered azért futtatott öntesztet, mert ha ezeknek a műszereknek az 1,2,3 lábát összekötöd egy darab dróttal akkor elindul az önteszt. Mivel neked a tranzisztorod teljes zárlatba ment beindította az öntesztet. Mindenképp mérd át a diódákat, ellenállásokat is, ha egy tranzisztor ennyire zárlatba megy akkor a környezetében is hibák lehetnek.
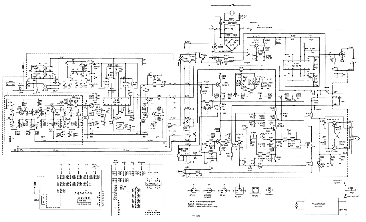
Üdv.Valaki tudna segìteni mire lehetne cserélni helyettesìteni ebben a Videoton 4630 Europa Star rádiósmagnóban a középhullám L78 tekercsét hogy legalább a Kossuth ot fogja?
Egy másik ugyanolyannal. Új korában fogta.
De ha nincs ugyanolyan.Hasonló más tekercsel gondolom nem jó.
Mekkora az induktivitása? Szerezz egy ugyanakkorát és kész!
Nincs csak multiméterem.És ha letudnám szedni lebontani a rossz tekercset.Lemérném a hosszát az úgy gondolom nem pontos induktivitásu.
Nem egyszerü akármivel helyettesìteni,elég egyedi igy kiforrasztva nézve.
|
Bejelentkezés
Hirdetés |


























