Fórum témák

» Több friss téma
Fórum » VF2 végerősítő
 
Témaindító: proksa1, idő: Feb 7, 2007
Lapozás: OK   12 / 171
(#) nebszter85 válasza dj-mike hozzászólására (») Ápr 3, 2008 /
 
SOK SIKERT!
(#) dj-mike válasza nebszter85 hozzászólására (») Ápr 3, 2008 /
 
Köszi!
És még egy kérdésem volna!
Ha 8 ohm-al terhelem és +/-52V a tápfesz, akkor mekkora biztosítékot érdemes a +/- tápágra rakni?
(#) nebszter85 válasza dj-mike hozzászólására (») Ápr 3, 2008 /
 
Hát szerintem egy olyan 4-5 A-es bisztit mind a két ágba nyugodtan tehetsz.
Jah és arra figyelj hogy a kimenetre 8Ohm-os hangfalnál kisseb impedanciájú hangfalat ne tegyél! (Mert a Fet-ek tönkremennek, sőt ha nincs hozzá védelem és tönkremennek a fet-ek akkor a kimenetre valamejik + vagy - egyen tápfesz kiül és akkor reszeltek a hangfalnak is.
Védőáramkört tudok ajánlani ha érdekel.
(#) dj-mike válasza nebszter85 hozzászólására (») Ápr 3, 2008 /
 
Érdekelne!:yes:
Köszi !
(#) szamóca válasza dj-mike hozzászólására (») Ápr 3, 2008 /
 
Például ezl.
(#) nebszter85 válasza szamóca hozzászólására (») Ápr 3, 2008 /
 
Igen én is ezt építettem meg és nagyon jó kapcsolás!!!
Ezt is csak ajánlani tudom!!!!
(#) dj-mike válasza nebszter85 hozzászólására (») Ápr 4, 2008 /
 
Köszi szépen!
(#) banyaiakos hozzászólása Ápr 11, 2008 /
 
Sziasztok!
tudom hogy brutálisnak hangzik de 60Volt-os verzió hidalva? (nem magamnak lesz)
építési ötletek? tanácsok? stb?
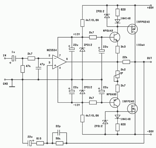
És még azt kérdezném, hogy a fenti védőáramkör hány voltról üzemel és, hogy mi az a "U~"?
előre is köszi
(#) nebszter85 válasza banyaiakos hozzászólására (») Ápr 11, 2008 /
 
Hali.
Az u~ az a váltófeszt jelenti. A középmegcsapolásos trafódnak az egyik ága (nem a közepe az egyik ága).
De lerajzoltam remélem kitudsz belőle menni.
A koppanás gátló kapcsolásnak a +/- 60V már sok egy pár ellenállást ki kell benne cserélni meg egykét kondit és az fog menni.
Jah belehet hidalni de nemsok értelmét látom mutatok inkább valamit.
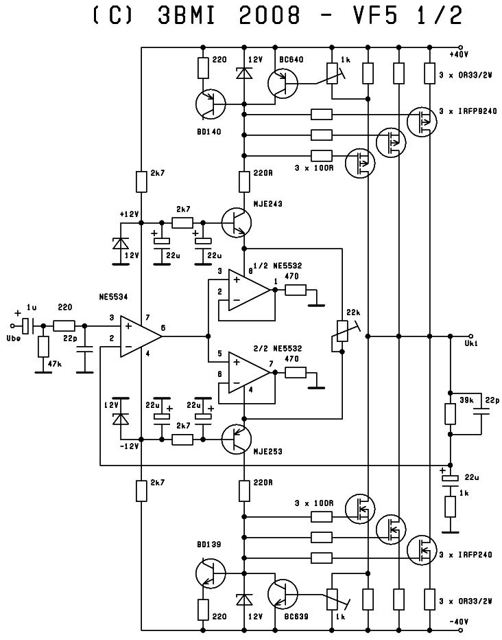
Ez Király Tibor újj kapcsolása a VF5 így 400 W-ot tud ha megduplázod a fetek számát akkor 1600W lessz a kimenő teljesítmény!! :vigyor2: :vigyor2: :vigyor2: :vigyor2:
(#) nebszter85 válasza nebszter85 hozzászólására (») Ápr 11, 2008 /
 
A +U-t és a -U-t a rajzon fordítva rajzoltam csak véletlen ez ne tévesszen meg.
(#) banyaiakos válasza nebszter85 hozzászólására (») Ápr 12, 2008 /
 
wow!
nemsemmi... Szerintem akkor várok még mi lesz ezzel a VF5el... olvasgatok róla egy kicsit de igy első "hallásra" nagyon ígéretes...
köszi a help-et...
(#) szamóca válasza nebszter85 hozzászólására (») Ápr 12, 2008 /
 
Ahogy nézem a rajzot, KD mester néhány ötlete is fellelhető benne .
(Ezzel nem akarom lekicsinyelni Király Tibor új alkotását. Sőt, örülök hogy vannak ilyen önzetlen szakemberek akik segitík a lelkes hangamatőröket saját fejlesztéseikkel.)
Ezt a végfokot már nem otthoni ricsajozásra találták ki .
Üdv.
(#) brugo hozzászólása Ápr 15, 2008 /
 
Az eredeti VF2 -ben azok a kis 22 mikros Yaego elkok, hany voltra vannak ?
(#) nebszter85 válasza brugo hozzászólására (») Ápr 15, 2008 /
 
Helló.
Azok a pici Yageo kondik 63V-osak és a lomex-nél pár forintba kerülnek.
(#) brugo hozzászólása Ápr 16, 2008 /
 

Köszönöm, már csak ez az adat hiányzott, hogy meglátogassam a Lomexet .
(#) szamóca válasza brugo hozzászólására (») Ápr 17, 2008 /
 
A zener miatt 12V az IC tápfesz, tehát a 16V-os kondik is jók hozzá.
(#) nebszter85 válasza szamóca hozzászólására (») Ápr 17, 2008 /
 
Jók de abban szinte ugyan az a méret és az áruk is majdnem ugyan annyi.
(#) banyaiakos válasza szamóca hozzászólására (») Ápr 21, 2008 /
 
Halihali
60 Voltos verzió 4 Ohmra? Nem lesz sok az áram a FET-eknek? Vagy valami más probléma?
köszi
(#) Tarzan válasza banyaiakos hozzászólására (») Ápr 21, 2008 /
 
Ha 100 Hz alatt nem használod akkor 1 darabig bírni fogja, ha igen akkor hamar el fog halálozni. Szerintem.
Úgy gondolom 60V 4ohmra 3 pár Fet legalább kéne, hogy biztonságos legyen ahhoz meg 4.
üdv.
(#) banyaiakos válasza Tarzan hozzászólására (») Ápr 21, 2008 /
 
oké, köszi
akkor marad 40 Voltos
(#) Directors hozzászólása Ápr 22, 2008 /
 
Üdv
Ha én ebből az erősítőből 160W-ot akarok kiszedni 4 ohm-ra akkor milyen fetek kellenek? (mélyládához kell a strapabírás fontos )

Mekkora trafó kell hozzá?
(#) Directors válasza Directors hozzászólására (») Ápr 23, 2008 /
 
Senki nem tud segíteni
(#) nebszter85 válasza Directors hozzászólására (») Ápr 25, 2008 /
 
Helló.
Egy pár üzivel ezelőtt írtam hogy van egy újabb kapcsolás azt nézd meg és nem kell bele 6 csak 4 Db fet a végére egyszerűen az utolsó kettőt elhagyod.
(#) Isti hozzászólása Máj 11, 2008 /
 
Szerintetek ha a 40V-os változatba 25V-os kondikat forrasztottam bele, nem fognak eldurranni? a 22µF-ek helyére (mert valamelyiken nem 12V, hanem 30V is eshet :-S )
(#) szamóca válasza Isti hozzászólására (») Máj 11, 2008 /
 
Ha helyesen szerelted össze az áramkört, semmi gond nem lesz. Esetleges meghibásodás esetén durranhat el kondi, ezért az eshetőségért érdemes 50v fesztűrésű kondikat rakni bele.
(#) Isti válasza szamóca hozzászólására (») Máj 11, 2008 /
 
Köszi
(#) szamóca válasza Isti hozzászólására (») Máj 11, 2008 /
 
Üdv. :integet2:
(#) dj-mike válasza szamóca hozzászólására (») Máj 11, 2008 /
 
Én még mindig nem tudtam összeszerelni a VF2 végfokjaimat, kedden érkezik a két pufferkondi meg még néhány apróság. Amúgy a panelek már készen vannak, a +/-60V- os verziót építettem meg! A hangszóróvédelem és a végfok nyákját KD mester készítette el nekem, aki egyébként a volt kollégám Ezt a hangszóróvédelmet KD mester ajánlotta, csináltam is róla egy fotót, meg itt a kapcsolási rajz is!Egyébként +/-52V-ról fogom járatni az erősítőmet!
(#) dj-mike válasza szamóca hozzászólására (») Máj 11, 2008 /
 
Meg ezt a műszerdobozt rendeltem, ez volt a legdrágább alkatrész hozzá, 10.000Ft+ postaköltség!

rack_lrg.jpg
    
(#) szamóca válasza dj-mike hozzászólására (») Máj 12, 2008 /
 
Ilyen "szakháttérrel" nem lehet problémád . Jól felment a dobozár, én még 7500-ért vettem pár éve a magasabb tipust. De azóta is "parlagon" hever, mert nem találok végfokot bele.
Következő: »»   12 / 171
Bejelentkezés

Belépés

Hirdetés
XDT.hu
Az oldalon sütiket használunk a helyes működéshez. Bővebb információt az adatvédelmi szabályzatban olvashatsz. Megértettem