Fórum témák
» Több friss téma |
Fórum » Csöves erősítő készítése
Ne feledd betartani a fórum viselkedési szabályait, és a topik megmaradásának feltételeit. [link]
A téma átmenetileg fagyasztva lett, hozzászólni nem tudsz!
Zoli, alapvető kapcsolástechnika nincs sok. Nyilvánvalóan ezekben lehet sok apró módosítást csinálni, de attól alapvetően még ugyanarról a technikáról beszélünk. Visszacsatolásoktól sem változik a topológia. A hibridek már más kategória, de itt sincs túl sok lehetőség. Nem azt mondtam, hogy nem tudsz akár 100 féle rajzot is mutatni, de ezek nagyrészt erre a pár alapkapcsolásra építkeznek.
Ha jól működik a varázsfedél, akkor nagyon látványos lehet.
Fel sem merült bennem, hogy nem egy-és ugyanaz a mondandónk lényege.
Csak ne vigyük tévútra Marcit. A Solid State-et az angolszász nyelvben a félvezetőre "értik" A Solid szó maga tömört jelent. Nem szilárdtestrelé volt?
Na hát az tény hogy nagyrészben a márkát kell megfizetni. De ha most belegondoltok, ha egy tökéletes másolatotok van akkor az mégiscsak olyan mintha én megvettem volna 450E-ért az eredetit
Az már nem érdekel hogy negyedannyi se az értéke de nekem olyan legyen a hangja és jól tudjam használni, az számít. Na mind1, a lényeg hogy inkább érdemes egy ilyen másoltot készíteni mint vmi eleve olcsó cucc másolatot szerintem. Ha belegondoltok, ritka ma már az olyan műszaki cikk amit emberek raknak össze kézzel és azért szerintem ez még mindig megbízhatóbb. Mellékeltem az alaprajzot.
Sziasztok!
Ma kipróbáltam a GU-50-et belefoglalva a PCL86-os kapcsolásba, és nagyot néztem mikor meghallottam Szerintem ez még jobb mint az EBL21. Pedig azt is kipróbáltam, és az is tetszett. Annyit csináltam, hogy a PCL helyett egy ECC85-öt beleraktam, meg a GU-t. Úgy döntöttem, hogy sztereó GU50 meglesz építve. üdv.: Müszi
T.MrBrown!
Nekem is van egy -kipróbált, működő hangminta CD-m, szívesen másolok; az RT.ÉK.-ek érdekelnek. Üdv: gkari
Köszönjük szépen az "alaprajzot". Marci, alaprajza pl. egy háznak van. Erősítő esetében kapcsolási rajzról beszélünk. Megnéztem, a végerősítő egy pentódás "egyenkapcsolás" (amiből 12 egy tucat), az előfoknál már van egy kis bűvészkedés a tekerők környékén, de az sem utánépíthetetlen (milyen szó ez?). No, akár el is kezdheted.
Olyan kapcsolási rajza nincs valakinek ami 2w-os ersítőhöz jó? Olvasgattam ugyanis h a Marshall is gyárt 2w-osat ami 9 v-tal megy (gondolom tranyós) én azért szeretnék ilyen kicsit első nekifutásra mert nem akarom agyonvágatni magam egyből az árammal
Szerintem nem "vágatnád agyon" magad az árammal, csak kellő odafigyeléssel kell vele foglalkozni. Nekem első nekifutásra a trafó volt a mumusom, de erőt vettem magamon és utánanéztem a dolgoknak és aztán megtekertem őket. De ha mindenképp kötöd az ebet a karóhoz, akkor szerintem szerezz be telepes csöveket. Annak kissebb feszültség kell. Vagy csinálj neki kapcsolóüzemű tápot
és ezzel rontsd el az egészet.
Úgy, ahhogy mondja a kolléga. Nekem a legjobban a JLH A-osztájú és az Ágoston könyvben lévő hibrid (BD245/246) hangja tetszett. De ezek sosem lettek bedobozolva, és ott porosodnak a polcon. De ezt a csöves motyót már bedobozoltam. Ez megérdemli
Most így hirtelen nem tudom. Visszanéztem kicsit, de nem találtam. Majd még keresem. Ezzel a 70W-tal nagyon kiváncsivá tettél.
Elég korrekt kapcsolás, csak azok a fránya tranzisztorok... én inkább azt is kicserélném csőre. De egyébként tetszik. Lehet, hogy egyszer megépítem, csak szerezni kéne hozzá kimenőtrafóhoz való szallagmagot. Legalább egy 250VA-es hálózatiét. Ez az én fő gondom. Meg nincs GU50 em se. Abból is kéne 4... De az a 70W nagyon jól hangzik.
Szia,
Milyen kimenőt használtál a GU50-hez?A PCL86-ét? Én is gondolkozom ezen,mert van EL84SE-hez tekert kimenőm,de 0,16-os a primerje,ez szerintem 50mA-nél nem szeretne többet.Ilyen nyugalmi árammal használható a GU50? Annyi jót hallottam eről a csőről,szeretném kipróbálni,de nem akarok egyenlőre trafót tekerni. kösz üdv
Tudom nem lényeges.. , de kocos mondja az igazságot !
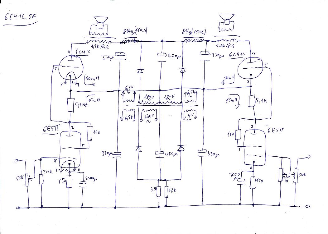
Lassan, de biztosan készülget a 6C41C SE erősítőm.
Pár kép a folyamatról. Kiemelném a hiltiszalag alkalmazását.
Működés közben, ideiglenes kimenővel
Nem rossz!
Érdekes megoldás ez a hiltiszalag leföldeled, vagy csak "lóg" ? Én most sajnos leálltam az el84 SE-mmel tanulás miatt, pedig a PCL 86 teljesítményét már nagyon keveslem, de az Onkyo receiverem már biztos nem fogom viszakötni a rendszerbe
Ez még csak "nem bírtam megállni, hogy ki ne próbáljam" szinten van. Úgy terveztem hogy leföldelem (forrasztható) a hiltiszalagokat, de egyébként egy deka zavarom sincs.
Kettős táppal (+-) megy a ketyere, saját tervezés, csak még kimenőtrafót kell hozzá okozni.
Érdekes kapcsolás..Kicsit az SRPP-t juttatta eszembe elsőre. Jó az a végcsőnek, hogy közvetlenül a meghajtócső anódját kapja?
Egyébként hétvégén én is összehajítottam a 6AS7G-s SE-met, próbakimenővel. Ma tekerem meg ha hamar hazaérek a 13mm2-es vasra a kimenőjét. Jó dolog kettőstriódával dolgozni, 500ohm-ra kell illeszteni a 8 ohm-ot. Könnyű lesz megtekerni...Egy hátulütője van a dolognak, csak 6-7 watt jött ki belőle..
Sziasztok. Magyon megfogott egy csöves erősítő építése, és a fórum átolvasása után (egy hét volt
) építettem is egy deszkamodellt, egy ECC85 és EL84 párossal egy SE-t. Az egyenirányítás EZ80-al készült. Bekapcs után, miután felfűtött, és beállt a munkapont, akkor kapot egy audiojelet, és ekkor ültem seggre, valami hihetetlen szépen szólt. Az egész projekt ráadásul semmibe sem került, mivel két roncsból lett kitermelve a kimenő, a hálótrafó, és a csövek. A következő állomás egy PP, vagy PPP lesz, de elöbb sztereóban is megépítem, és dobozolom ezt a finomságot.
Kettős táp.:NAGY 5LET!
Lezárásba vezérelni a végcsövet.:ÉRDEKES! Negatív ágban alkalmazni tápszűrést.:VESZÉLYES! Eltolhatja az alsó tag munkapontját, bár ez egyben egy negatív visszacsatolás. Jól megtekerted!!! De ha jó, és nincs semmi gerjedés és zavar, akkor gratula!!!
Pont úgy jártál mint Müszi, ő is két kenyér árából épített elktronikai "MŰ"remeket. Nagyon örülök, hogy felfedezted az elektroncsövek varázsát!
Szerencsére nem kell jobban kinyitnod ezentúl sem a pénztárcádat, mert egy BD249C is 600Ft, meg egy GU50 is...
Ez egy jó párosítás, Dj Janinak is bevált, meg nekem is. Jani rajzát építetted meg? Ha sztereóban csinálod meg, akkor inkább EZ81.
Üdv! Érdekelnének hogy mik voltak azok a "roncsok" amikből ilyen jó erősítőt tudtál készíteni
A többiekhez szól továbbá a kérdésem hogyha egy csöves erölködőnál az egyenirányítást "diódásítjuk" akkor romlik a hangzás vagy ez tényleg az elavult technika miatt van még így? Egyesek azt mondják hogy érdemes átdiódázni az erősítőt mert ez nem befolyásolja
léteznek időzitő kapcsolások, amely szintén arra szolgálnak, hogy kiméljék a csöveket, ha diodás az egyenirányitás
Valamint jóval magasabb lesz a feszültség félvezető diódával.
Az egyik egy Horyphon, a másik egy Terta rádió volt. Sajnos nem volt egyik sem menthető állapotban annyira össze voltak zúzva. Skálaablak széttörve, hiányzó hangszórók, egy-két törött cső. Az EL 84 lett a Tertából, az ECC85 a Hornyphon-ból. A Tertát sajnálom, szép lehetett. Ha Jani rajzolta a kockás lapra a kapcsolást, akkor azt csináltam meg.
Csak annyi különbséggel, hogy nagyobb szűrést kapott a táp, mivel PC tápokból bontottam ki az elkókat.
Szia, elfogadom a felajánlást, tudjuk esetleg személyesen intézni, látom te is budapesti vagy.
Hello! Örülök hogy működik a cucc. Nekem is ez üzemel már régóta. Nekem diódás az egyenirányítás és egy fél perces időzítő kapcsolja az anódfeszt. Már be is dobozoltamcsak le kell lakkozni a a fa részeket. Már bepácoltam őket. Elöször én is pctáp kondikat használtam de nekem csak 200voltosak voltak ezért sorba kellett őket kötni. De most már 400voltosak vannak benne. A rajzra a minimális kondi igényt írtam ettől lehet nagyobb persze.
|
Bejelentkezés
Hirdetés |


Csak ne vigyük tévútra Marcit.
A Solid State-et az angolszász nyelvben a félvezetőre "értik"








) építettem is egy deszkamodellt, egy ECC85 és EL84 párossal egy SE-t. Az egyenirányítás EZ80-al készült. Bekapcs után, miután felfűtött, és beállt a munkapont, akkor kapot egy audiojelet, és ekkor ültem seggre, valami hihetetlen szépen szólt. Az egész projekt ráadásul semmibe sem került, mivel két roncsból lett kitermelve a kimenő, a hálótrafó, és a csövek.
