Fórum témák
» Több friss téma |
XT (XTAL-kristály) , mint külső kvarc oszcillátor , ez lehet kisebb frekvenciájú is maximum 4 MHz-ig. , aztán HS. Én így tudom.
![]() Nem értem miért kell átírni? Hiszen ez a "kis dobozka" is órajelet állít elő. Bocsánat az értetlenségemért! eek:
Persze, ha ezt
így írta volna a szerző
mindenki pontosan el tudná olvasni a beállításokat... A hozzászólás módosítva: Aug 31, 2018
ITT már írtam.
Nem mindegy milyen áramköri környezet fogadja a kvarcot ami kis / vagy nagy frekis ,külső RC oszcillátor , külső CXO ...stb. Egyik esetben egy schmitt triggeres inverter a jobb, másik esetben legyen egy határozottan kisütő FET is . Lásd oszci tipusok leírása. Mindezeket az áramköri elemeket a uC belül a konfgi bitek segítségével tudja előkészíteni, be/ki kapcsolni a portjai után. Ha belső oszciként jár akkor plussz van 2 portod amire nem kvarc megy hanem "bármi más". Lásd a 12es család 8 lábát , ha nem számít a pontos időzítés akkor belső óráról jár és felszabadul + 2 láb I/O portnak. A hozzászólás módosítva: Aug 31, 2018
Délután kipróbáltam a TXCO-t.
A programkódban nem írtam még át semmit. (Sajnos a JDM égetőm nem akar működni, így PICkit2 lesz a közel jövőben.) Sajnos , amikor raktam a TXCO-t a próbapanelra, akkor a matricához véletlenűl hozzáértem ésa hologram lekopott a kezemtől. Megijedtem nagyon, azt hittem lejön a matrica is, de szerencsére a helyén maradt. ![]() A TXCO-t egy próbapanelre helyeztem. Először 3,3V -ra feszültségre kapcsoltam. Majd a TXCO kimenetét, a kis 20 MHz-es kristályos öcsipanelt eltávolítva, a PIC16F876A OSCin lábára kötöttem. A szintillesztés nem volt probléma, de a biztonság kedvért 5V -ra kapcsoltam a TXCO-t, amin szintén működik. Nagy meglepetésemre elindult a frekvenciamérő. .) Majd próbaképpen egy PP-80 mérőkábelen keresztül megmértem a frekvenciamérő belső oszcillátorát, a TXCO kimenetén keresztül, TTL módban. A kijelzett érték a képeken látható. Nem tudom, hogy ez a mérés mérvadó-e, de látszólag a TXCO nagyon stabilan tartja a "munka" frekvenciáját. Majd próbaképpen, rámértem a kis rádióvevőm oszcillátorra, hogy megnézzem mennyire stabil a mért frekvencia. Mondhatom, hogy stabilabb ,mint egy atomóra oszcillátorra. ![]() Nem ugrál egyáltalában a mért érték, még 100 ms -os mérési időintervallumban sem.Remélem, ezekből a mérésekből lehet következtetni a pontosságára. A hozzászólás módosítva: Aug 31, 2018
Hello! " Nem tudom, hogy ez a mérés mérvadó-e" Hogyne! 1/1=1. Sem nem kevesebb, sem nem több..
Akkor ezek szerint jó lehet a TTL modul is, mármint fizikailag megépítve?
A képen a TXCO látható a próbapanelen. A hozzászólás módosítva: Aug 31, 2018
Persze hogy jó, csak önmagához hasonlítva a kvarcot, saját frekit mutatja, még akkor is, ha fizikailag 18MHz-en rezegne. Az eredmény csak az, hogy működik. De a pontosságra így nem lehet következtetni..
Berakni fixen TCXO-t és elfogadni amit írtak róla.
Aztán ha sikerül valahol egy hasonló pontosággal rendelkező generátor / frekimérő mellé vinni és összehasonlítani vele . Addig meg használni azzal elméleti hiba határral amit írtak róla 1 2 tized ppm-el. Elvileg ez annyira nem nagy hiba már , pláne háztáji körülmények között .Ha nagyon kíváncsi vagy mérd meg a WWV 10MHz vagy ennek az orosz közelebb lévő 9996 KHz freki és idő "etalon" frekijét egy szinkrodin rádión keresztül , elvileg annál is fél - 1 nagyságrenddel pontosabb vagy. A hozzászólás módosítva: Szept 1, 2018
Idézet: (azon legyen már egy nem túl régi keltezésű OMH-s matrica ha van sok pénzed és szóba állnak veled akkor szerzel te is ilyen matricát az OMH-ból „Aztán ha sikerül valahol egy hasonló pontosággal rendelkező gyári generátor / frekimérő mellé vinni és összehasonlítani vele akkor közelebbit fogsz tudni a pontosságáról” )
Minden frekimérőnek kutya kötelessége a saját időalapját pontosan mérni. Ha nem, ott nagy baj van.
Keress valami külső hiteles frekvenciát sugárzó adót, de csak egyenes vevő jöhet szóba. DCF77, HGA22, vagy a Kera_Will által említett valamelyik megoldást, vagy lehet GPS órajel.
Ha nem sürgős a dolog, akkor írj egy óra programot a mikrovezérlőbe. 1 ppm eltérés kb 12 nap alatt fog 1 másodperc eltérést okozni, a 0,1 ppm eltérés 116 nap alatt fog 1 másodpercnyi eltérést eredményezni. Én úgy írtam meg a frekvencia mérőm szoftverét, hogy ha bekapcsolás közben a panelon levő csak belül hozzáférhető nyomógomb le van nyomva, akkor egy óra indul el rajta, amit ismételten megnyomva lehet nullázni. Persze, ehhez kell egy DCF vagy GPS alapú óra, hogy legyen mihez hasonlítani.
Na jó én is látom, nem sokat téved.
És meglepően tényleg stabil. A referencia mérséseket megcsinálom. Azt hiszem kijelenthetem, van egy használható frekvencia mérőn. :jump Köszönöm mindenkinek, aki ebben a témában segített! És külön köszönöm dokidoki-nak, a kapcsolást, hogy megosztotta! Elektroncso, ha lesz időd mindenképpen építsd meg! ![]() A hozzászólás módosítva: Szept 1, 2018
Ez egy nagyon jó konstrukció.
Én is megépítettem, az enyémben 0.1 PPM-es, 20 megahertzes TCXO adja a referencia frekvenciát, hátuljára leosztva , és kivezetve a 10, és 5 MHz. a további etalonokként más eszközökhöz. Viszont, az érzékenysége nem a legnagyobb, nagyjából 25 mV kell neki... Ettől azért van nekem sokkal érzékenyebb frekimérőm is..
Idézet: „Viszont, az érzékenysége nem a legnagyobb, nagyjából 25 mV kell neki...” Valamit valamiért.
Nemrég elkésztettem, a képen látható kapcsolás alapján egy PIC-es frekvenciamérőt, amiben "csak" egy 4MHz kristályhoz írták meg a programot. Ehhez képest nagyon lassú volt.
Amíg rádióállomást működtettem, addig egyfolytában annak a frekvenciája volt a kijelzőn... nem tetszett a túl érzékenysége.
A karmosvégű szkópkábel sem a jó átviteléről híres 1GHz környékén. Nekem mikor olyan van rádugva, de nincsen csatlakoztatva sehova írja a aktuális ~ frekvenciát hol a legnagyobb jelszint rövidhullámon, ha leveszem a csíptetőt a kábel végéről akkor megnyugszik a kijelzés.
De első frekvenciamérőnek nagyon jó.
A hozzászólás módosítva: Okt 20, 2018
Na igen, egy 100MHz-es szkóp mérőfejnek úgy 2-300MHz környékén teljesen vége van.
Üdv!
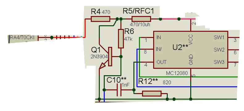
Bátorkodom neked írni hisz mlaci989-nek te javasoltad a bemenő fokozatot. Teljesen amatőr vagyok a frekimérők lelkivilágában, DE én is beszereztem ezt a kínai 7 szegmenses mérőt. Namost szeretnék vele 100 mega felett mérni, és ha megveszem ezt az 1-2 dolláros előosztó IC-t (MC12080) akkor az összeollózott rajzom mennyire lehet működőképes? Köszi!
MC12080 milyen kimenete van ECL vagy TTL szintű ?
Ennek függvényében kell egy szint illesztő tranzisztort be iktatni a PIC TTL szintű bemenetéhez. Adatlapját nézd meg az előosztó ICnek!
Hát a TTL kimenet fogalma még csak-csak de az ECL.. de erről az oldalról kiderül a kérdés?
Itt van egy illesztő áramkör.
R12 C10 R6 R5 RFC1 R4 Q1 alkatrészeket kell beiktatni.
Kivágtam de nagyon csúnya
namost ami nem tiszta ennek az eredeti rajzán az IC-m 1-es pontja "bemenet" 1 nanón keresztül kapja a jelet a Q2 drain-jéről, de a 8-as"/in" bemenet is rá van kötve kondival a source-ra. Most akkor azzal a 8-as lábban én esetemben mit kell tenni?
Nem értelek mit írsz a 8as lábról ... DEEE már látom az össze ollózott rajzod felső része MCosztó rajz ellentmond az adatlapjának összekevertek rajta kibe meneti csatikat.
Gyártói adatlapod kövessed. Az in és /in ellenfázisú bemenete van . Ez alapján : adatlapONSEMI 2oldal 2. figure alapján az egyik bemenete hidegítve van. Ha szimmetrikusan csatolsz bejelet akkor lehet 2 bemenetet használni. Amúgy asszimetrikusan meg csak az IN port kell 1es lába kondival leválasztva. A másik /IN hidegítve földre. Neked csak fix 10es osztás lesz jó 50re osszon 500ról így minden osztásviszony lábat(SW1-3) tápra kell kötnöd lásd első oldal jobb alsó táblázata. A hozzászólás módosítva: Jan 17, 2019
Sikerült jó későig nézelődnöm nekem is na nembaj
Papírra vetettem mert másképp nemmláttam át. Jó lesz-e? Ja és az IC 7V-ot kaphat max. Ha 5-öt adok neki az a tranyónak is elég?
Sokkal többet nem tudsz neki adni mint 5 V , mivel TTL re kell illeszteni.Az pedig 5 Voltról jár.
2n3904 helyett lehetne egy nagyobb tranzit frekijűt is berakni, ami inkább 500MHz-1GHz közt van. Ha már tudsz esetleg válogatni. Freki osztó bemenetét még érdemes lenne lezárni valamekkora fix impedanciával is, ne csak úgy lógjon a levegőbe.Igaz az nincs a gyári ajánlásban csak az 50ohmos koaxon a belógatott jel. Pl. mint itt A hozzászólás módosítva: Jan 17, 2019
|
Bejelentkezés
Hirdetés |











És külön köszönöm dokidoki-nak, a kapcsolást, hogy megosztotta! Elektroncso, ha lesz időd mindenképpen építsd meg! 












