Fórum témák
» Több friss téma |
Fórum » Csöves erősítő készítése
Ne feledd betartani a fórum viselkedési szabályait, és a topik megmaradásának feltételeit. [link]
A téma átmenetileg fagyasztva lett, hozzászólni nem tudsz!
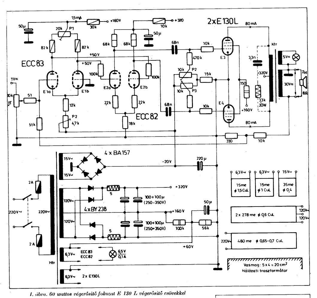
Az eredeti kapcsolás Rózsa Sándortól,a 79-es Rádiótechnika évkönyvből származik.Már többször megépitettem ECC83,és 82-vel de más végcsövekkel.Legutóbb PL508-al stab.segédrács.Nem volt
probléma,csak van pár E88CC csövem,most ezekkel szeretném,és EL34 lenne a végfok.
Idézet: „Rózsa Sándortól,a 79-es Rádiótechnika évkönyvből származik” Ábraszámot légyszíves, megnézném.
111.oldal,4-es ábra.
Köszönöm! Kirakom ide az ábrát, több szem...
A hozzászólás módosítva: Jan 25, 2019
Első cső anódjaiba 68k, másodikhoz 47k ellenállásokat tegyél be.
Első trióda anódjain kb. 60-65V feszültséget próbálj beállítani a trimerrel, ha a második trióda anódjain kb. 200V feszt mérsz, katódellenállása maradhat. Arra számíts, hogy kicsit kevesebb erősítése lesz, mint az előző csőkészlettel. Szkóppal érdemes ellenőrizni az átvitelét.
Igaz, ismerem is ezeket.
De az ARC sem véletlenül teszi be a DC-csatolt csöves katódkövetőjébe azt a "rácslevezető" diódát, vagy újabban FET-et. Muszáj, míg az eltérő mechanikai kialakítású csövek felfűtenek, védeni kell a következő fokozatot a túlzottan nagy pozitív! rácsfeszültségektől. Nyilván csövesben is a DC-csatolás a jobb, de nem mindig, figyelni kell éppen ezért az egyes csövek felfűtési idejét és a cső belső kialakítása sem enged meg bármekkora feszültséget az egyes elektródái között. Amatőr gyakorlatban nem is terjedtek el a DC-csatolt fokozatok, mert kényesek a körülményekre és egy kis hiba is sokba kerülhet. Mindenképpen tanulmányozni kell a cső katalógus adatait, mielőtt akármilyen munkapontba is akarjuk beállítani. Üdv!
A 68nF-os csatolókondenzátorok növelendők, ha akarsz mélyhangokat is hallani, legalább 330nF-ra, vagy akár 1µF-ra. (630V-os legalább.)
Az ECC82 rácsaiban lévő 100kOhm helyett elég a 10kOhm és kell a két levezetődióda, mint a nagy ARC-előfokokban, a rácsokon a diódák anódjai a katódjaik pedig, a cső katódjaira kötve. Ha felfűtöttek a csövek, akkor a diódák lezárnak és "mintha" ott sem lennének, de a felfűtés ideje alatt a nagy pozitív feszültséget elvezetik a csőről, így az nem megy tönkre. Az a kimenőtranszformátor nem éppen "ideális", jobb a keresztosztásos kivitel a primer tekercseknél. Üdv! Idézet: „De az ARC sem véletlenül teszi be a DC-csatolt csöves katódkövetőjébe azt a "rácslevezető" diódát, vagy újabban FET-et.” Lágy indítású anódfeszültség esetén nem kell ilyen jellegű védelem.
Köszönöm. Ha jól emlékszem 55 Volt,és 1,5mA volt az első cső anódon,a másodiknál 190 Volt az anódon. A kimenőt APX 100 kimenőre tekercseltem,osztott primer,de egyenes nem kereszt kötéssel.Nem akarok 60 Wattot,2x 25-30 watt elegendő.
Szuper, hogy emlékszel az eredeti beállítások feszültségeire. Ezzel visszaigazoltnak látom javaslatom kipróbálását.
Tettem bele még 1-1 db fojtót az anódtápba. A kimenten a brumm 4mV-ról 1mVra csökkent. Nem hallható még hangszóróhóz tett füllel sem. Hát igen, SE-be kell a fojtó.
Mostanában (csak most ?) eléggé keresettek lettek a BEAG vonali trafói. Ezek nem egyenletes minőségűek, de magyar gyártók is beépítették a vasanyagot a termékeikbe. Manapság már ritkán lehet ezekhez a vasakhoz jutni, nagyjából elfogytak. A változó minőség osztályozására csak annyiban bátorkodom, hogy a 0.5mm lemez pl. nem annyira ajánlott kimenőnek. A többi 0.35 mm-es "M" vas és légrés nélküli mind. Megtalálhatók még néha M74, M85A-B, M102A-B-C.
Aki szereti a hagyományos vasanyagot, kivitelt, azok a 0.5mm-es lemezekkel hálózati trafót még jó eredménnyel építhetnek. Példa hazai gyártó termékre kimenő vonalon. A képen EL84 PP 2x15W - a képről ítélve 2 db M85B-vel. A hozzászólás módosítva: Jan 30, 2019
Ez a Pointe Sima MKII erősítője. Érdekes a kezdet: anno megvettek egy rakás Ei Yugo EL84-et, elfekvő készletekből, abból csinálták. A maga idejében nagyon jó kis erősítő volt. Most is az, használtan 100 körül kaphatóak.
Bővebben: Link
Bogarászgattam az újdonsült SE cuccomat. Ez egy Fender 5f1
Kérdés. Ezeknél a gitárerősítöknél miért nem tettek bemenetiosztót hangerőszabályzónak? Miért csak az előfokcső és a vécsövet meghajtó cső közé tették potmétert?
Szerintem a képen nem M85b van. Ezek nagyon vékonyak. AE211 és AE782a-ban vannak M85b vasak jóval kövérebbek.
Szerintem a bemeneten elö erösités nélkül maga a hagszedő "piköp" van.
Így az első cső az elöerősitő, ez után van értelme bármi hangerőszabálzónak. https://robrobinette.com/images/Guitar/HowAmpsWork/5F1_Annotated_Sc...ic.gif https://robrobinette.com/How_Amps_Work.htm
Az M85B 45mm-es pakett. Egy EL84, vagy a többi ca. 25 mm átmérőjű. Ha viszonyítjuk a fotón...
Minimálisan is B van a képen, szerintem. Cséve kérdése, de szerintem biztosan nem A típus, az csak 32 mm-es pakett. M74 megint csak nem lehet. A 15W-hoz egyébként kell M85B, 13cm2 vaskeresztmetszet.
Szerintem azok M85/32-es trafók (mondhatjuk M85A-nak). A 211-es erősítő szabványon kívüli pakettvastagságú kimenőt tartalmaz, kb. M85/53 mert 16cm2.
Nem értek egyet.
Nem magyar állami cég terméke, olyan pakettvastagságot használ, amilyent jónak lát. Kérem még egyszer jól megnézni: Idézet: „ Egy EL84, vagy a többi ca. 25 mm átmérőjű. Ha viszonyítjuk a fotón...” Remélem ez még érvényes: A hozzászólás módosítva: Jan 31, 2019
Ráadásul az EL84 átmérője 22.2 mm; katalógus szerint. És valóban: "olyan pakettvastagságot használ, amilyet jónak lát"
Úgy vélem nem jól arányítasz.
Ha kinagyítod a képet, amely a trafók szempontjából majdnem felülnézet, vonalzóval megméred a szélességét (ami a valóságban 85 mm), és megméred a pakettvastagságot akkor 33-35 mm valós vastagság jön ki (és az inkább A mint B). Természetesen bármilyen lemezelt trafónál, bármilyen pakettvastagság használható (balgaság lenne ebben nem egyetérteni), csak megfelelő csévére van szükség (ez esetben azonban csak "per valami" formában tudod megadni a trafóméretet, az AE211 esetében pl. M85 a vas, de a magkeresztmetszet 16,2 cm2, tehát nem A és nem B hanem per 53 körüli).Az El 84-hez viszonyítani nem túl szerencsés, mert a fényképezés szögéből eredően ott már 15-20 százaléknyi parallaxis hibával is kell kalkulálni, ha viszont a trafó szélességéhez viszonyítasz (ami ismert 85 mm, és nagyobb is), jelentéktelen parallaxishibával, szinte pontosan lehet akár mérni is, mert ott majdnem felülnézeti a kép.
Sziasztok. Én azt mondom nektek, akárhogy lesem azt a képet, hogy azok a kimenők M74-es magok. Ma elő is vettem kettőt és a foglalatokhoz és a csövekhez képest is nézegettem. Nekem a legbiztosabb viszonyítási alap a Jaxley kapcsoló és a hálózati aljzat volt.
Az erősítő 33 cm széles, úgyhogy a vas biztosan M85-ös....csak a pakettvastagságban nincsen egyetértés.
A hozzászólás módosítva: Jan 31, 2019
Ha pedig M85, akkor semmiképp se lehet több mint 30-33mm.
A hozzászólás módosítva: Jan 31, 2019
Én akár igazat is adhatok, nekem az nem kerül semmibe. Meg veszekedni se fogunk, fogadunk?
![]() Behoztam két vasat, ebből számításokba lehet mélyedni. Az egyik a BEAG kültéri 100V-os vonali vasa a másik egy M74 (ez nem lehet szabványon kívüli, remélem) utóbbi csőfűtések oltárán áldozott szekunderekkel. (sk) Közben magam is összehasonlítást végeztem a szorító kengyelek szélessége alapján valóban M85A lehet. Sturbi nyert. Mit iszol? ![]() Megjegyzés: Ez a kimenő a maga 9.4 cm2-ével a 15W-ot nem hiszem, hogy szolgáltatja. Főleg, ha nem csak rezesbandát közvetít, hanem vastagabb hangokat is szeretnénk... Az én gyér tudásom szerint ca. 10W-hoz elég a keresztmetszet.
Szerintem Józsi kijön abból a 15W csak nem 20Hz-re van méretezve. Olyan 40 esetleg 60Hz alsó határral. Látom hogy igazi tömegcikk. “Megcsinálták oszt jó van.” Aki jobbat akar az úgy se tűri meg benne azt a kontakt hibák sorozatát okozó kis vacak jaxley bemenetválasztót.
Ettől azért lehet sokkal szebb ketyeréket is látni. A hozzászólás módosítva: Feb 1, 2019
Ha tudnád, nekem a 14.7W-ra mekkora trafók és a jó vasból...Van pár Hz alsó átvitel és bőséges tartalék.
Igen, nem csak mi látjuk, hogy anno t...co gazdaságosság is kényszerült a berendezésbe, azért lehetett viszonylag olcsón készíteni, eladni.
A jelenleg hallgatott EL84PP-mben M74-es trafók vannak. De csak max 10W-ot tud 1kHz-en. 35Hz-en pedig 8W. Kevesebb tápfeszt is kapnak a csövek emiatt. Tömbházba, szobahangerőre még ez is sok. M102a vasakkal már más volt a helyzet: ott tényleg kijött a 15W, még 35Hz-en is.
Az M74 tökéletes választás pl. egy PCL86PP-hez.
Én most kt88-akba vagyok bele esve. Meséltem is ezen terveimről neked. A minap olvasgattam a kt99ill. KT120-ról. De majdnem sikerűlt megkaparintani két Hashimoto kimenőt a minap, de az utolsó pillanatban elvitték előlem.Ha meglett volna biztosan 300B-vél alkottam volna valamit. Sajna ez most szertefoszlott pillanatnyi álmodozás maradt. Így nézegetem a kt-kat tovább. Ha visszaemlékszel a tavalyi eseményünkre én M74-eket tekertem meg ultralineárban azt hiszem 5/4-es osztásban a kis 6p30b 6n16b kétszer két vattos végfokomba. (Az volt az a kis festetlen szürke dobozos) Most ezt vittem be a szobába hallgatni fejhalgatóval jelenleg. De az biztos, hogy még egyszer nem fognék neki 0,14-es dróttal kézi dikicselővel öt-öt ezer meneteket nagyító alatt gurigázni. Habár elmondhatom hogy rendesen megdolgoztam a kis erősítőmért. Nem emlékszek már rá, hogy hallottad te annak a hangját??
Ha a nagyteremben be volt üzemelve a találkozón, akkor biztosan hallottam.
Emlékszem két kis erősítőre is. Akkor az egyik a tiéd volt, a másik madzagos kollégáé. |
Bejelentkezés
Hirdetés |








Ha kinagyítod a képet, amely a trafók szempontjából majdnem felülnézet, vonalzóval megméred a szélességét (ami a valóságban 85 mm), és megméred a pakettvastagságot akkor 33-35 mm valós vastagság jön ki (és az inkább A mint B). Természetesen bármilyen lemezelt trafónál, bármilyen pakettvastagság használható (balgaság lenne ebben nem egyetérteni), csak megfelelő csévére van szükség (ez esetben azonban csak "per valami" formában tudod megadni a trafóméretet, az AE211 esetében pl. M85 a vas, de a magkeresztmetszet 16,2 cm2, tehát nem A és nem B hanem per 53 körüli).


Ettől azért lehet sokkal szebb ketyeréket is látni. 




