Fórum témák
» Több friss téma |
Hello!
Na ezzel már lehet kezdeni valamit. Bár a trafó, és az egyenirányító, nincs a rajzon. (de gondolom máshol megtaláható) -Először is a tápokat lellene szemügyre venni. - A táp minusz kimenet és a nagytranyók (2N3442) kollektorán, ott kelll lenni a nyers tápnak. (saccra kb. 50V) Annak terhelhetőnek is kell lenni. Két db. 24V/100W-os izzó sorbakötni, és rátenni, majd a feszültséget megmérni. A fesz nem lehet kisebb mint 45V. - Itt váltófeszt is kell mérni, hogy mennyi a brummfeszültség terhelve. (pufferkondi megfelelő-e) Értéke kb. 1,5*It/Cp (mA-ben és mikróban számolva, volt-ban jön ki) Minden esetre, nem lehet több 2-3V-nál. It= terhelő áram, Cp= pufferkondi, ami itt arajzon pont nem látszik. Ha ez rendben akkor tovább... - Segédtápot megmérni a C5-ös kondin. kb. 7..8V értékű. Ha nem jó, C5 csere segíthet. - Ic tápokat megmérni a C1 és C2 kondin. kb. 12..13V. Hanem jó, R1-R2 10ohm-ot ellenőrizni. esetleg C1-C2 cseréje segíthet. Ha itt minden rendben van, akkor majd továbbmegyünk. üdv! proli007
Helo!
Megmértem a műszert. A mérő két kivezetésén 125mV-os feszültséget mértem. A táp az 1,4 V volt ekkor. Az áramerősséget nem tudtam megmérni, mert a multiméterem 10 A-es méréshatárral rendelkezik csak, és ez nem mutatott ki semmit, a táp kb. 1A-t adott le alap állípotban. Ennyire jutottam. Üdv. Balázs
Akkor a feszültség már megvan. Um=125mV
Ha nem tudsz áramot mérni, használd az OHM törvényt! A műszerrel sorba kötött ellenálláson mérj feszültséget, és számold ki az áramot. I=U/R Van gond? Nincs! üdv! proli007
Helo!
A műszer ellenállása 1,16kΩ. Így a rajta eső áram 106,03 uA. Feszültségre pedig 123 mV-ot mértem. A vele sorba kötött elenállás ellenállása 12,5 k. A feszültség 1,33V. Így az itt eső áram 0,1064 mA Amúgy kösz a segítséget. Üdv. Balázs
Hello!
Az alapadatok most már megvannak. 106uA és 123mV végkitéréshez szükséges érték, ezzel számolunk tovább. A tápegység rajzából látom, hogy a kimeneti feszültség, 1,2V...24V-ig szabályozható. Tehát célszerű a feszültségmérés skáláját, 25V-ra választani. Ha az árammérőhöz nem akarsz külön skálát készíteni, akkor azt célszerű 2,5A-re választani, amin az 1,5A még türhetően leolvasható. Akkor nézzük, a feszültség előtét "Ru" számítását: Az Ru ellenállásra a mért feszültség, és a műszeren eső feszültség különbsége jut. U=25V-0.123V azaz 24,87V Mivel az Ru ellenálláson ugyan akkora áram folyik mint a műszeren, az Ru értéke már kiszámítható. Ru=24,87V/106uA azaz 234,6kohm Ezt az értéket persze nem gyártják, tehát célszerű egy ellenállából és egy trimmerből előállítani, majd beállítani. A trimmerrel célszerű kb. 10..20% állíthatóságot kialakítani, és a pontos ellenállást valahol a középállásába beállítani. Tehát a trimmer középállásában, közel 10%-ot ad ilyenkor hozzá. A fix ellenállás akkor 234,6*0,9 azaz 211kohm. Ehhez legközelebbi érték a 220kohm. Maradék ellenállás, 234,6-220=14,6kohm. De mivel ez a trimmer középállásba lesz, a trimmer szükséges értéke ennek kétszerese, azaz 29,2kohm. Ehhez legközelebbi szabványos érték a 33kohm. Tehát Ru előtét ellenállása egy fix 220kohm-ból és egy 33kohm-os (ha lehet helikális 20 fordulatos) trimmer soros kapcsolásából fog állni. Nézzük az árammérés Ri előtétét számítását: A shunt ellenálláson 2,5A esetén (U=I*R) 5,5V esne. Erre kell a műszerünknek végkitérésbe kerülni. Teljesen analóg módon számítunk, mint az előző esetben, csak most nem 24V-ra, hanem 5,5V-ra. Az előtét ellenállásra, a shunt ellenálláson eső feszültség és a műszeren eső feszültség különbsége jut. 5,5V-0,123V= 5,377V Tekintve, hogy a műszeráram itt is azonos az előtéten átfolyó árammal, 5,377V/106uA=50,7kohm a teljes kívánatos előtétét értéke. A fix ellenállás ebből, 50,7*0,9=45,6kohm. A legközelebbí érték ehhez a 47kohm, tehát ez lesz a fix ellenállásunk. A maradék érték, 50,7-47=3,7kohm. A trimmer ennek kétszerese, 3,7*2=7,4kohm. A legközelebbi érték, legyen a 10kohm. Tehát Ri előtét ellenállása egy fix 47kohm-ból és egy 10kohm-os trimmer soros kapcsolásából fog állni. Megjegyzendő, hogy a rajzon látható 2,2ohm-os shunt ellenállás esetén, nem 1W lesz a disszipáció, hanem P=I*I*R azaz 4,95W. Hát ez elég tetemes érték. Szerintem 1,5A kimenő áram esetén, a shunt ellenállás értékét 0,47ohm-ra venném. Akkor a teljesítmény veszteség kb. 1W. Ez még elviselhető mértékű. A szükséges előtét ellenállás értékét, most már az ismertek szerint Te is kiszámolhatod! Viszont figyelembe kell venni az áramkorlátozó tranzisztor bázis-emitter feszültségét, mert az lesz a minimálisan beállítható áramkorlát, mert a shunt ellenálláson legalább ez az 650mV esés lszükséges. 2,2ohm esetén ez 300mA, 0,47ohm esetén 1,4A. Ezért a shunt ellenállás értékének megválasztásánál el kell dönteni mit szeretnénk. Ha 24V váltó feszültségről járatjuk a tápot, akkor az 5,5V plusz feszültség rendelkezésünkre áll, de a shunt ellenállás értékét a rajz szerinti 1W helyett 5W-osra válasszuk. A mellékelt rajzon lerajzoltam, hogy hogyan kell bekötni a műszert az előtétekkel a tápegységbe. A kapcsoló, mint említettem, egy kétáramkörös kétállású. A fekete vastag vonal jelzi, hogy a kapcsoló melyik érintkezője zár. Feszültségmérés esetén, a középső zöld pötty záródik az alsóhoz, mind két oldalon. Remélem nem vittem túlzásba a leírást, de gondoltam több kezdőt is érdekelhet a számítás menete. Áramosztót most nem kellett számolni, mivel a shunt ellenálláson átfolyó "2,5A" áram mellett a 106uA műszeráram jelenleg elhanyagolható. További jó gubacsolást! üdv! proli007
Köszönöm a segítséget, lassan elkezdem építeni a tápot. Már a doboz meg a trafó megvan, a többit meg megveszem, így már műszerre sem kell költeni. Ha kész lesz, tájékoztatlak.
Mégegyszer kösz a segítséget. Sokat segítettél. Üdv. Balázs
hy
olyan gondom lenne hogy kaptam egy labortápot ami tökéletesen működött (3,5-35V között) de most hogy bekapcsoltam csak 8 voltot ad le maxon mi lehet az oka\okai ennek?
Szia!
Esetleg rajz... És terhelhető is az a 8V? Így látatlanban, típusnélkül, mérésnélkül: jósda! üdv! proli007
kapcsrajzom nincs
ez valami ősidőkből való magyar gyártmányú "csodamasina"
Nekem is hasonló lenne a problémám már előzőkben már írtam de még nem kaptam választ. Magyar gyártmány az enyém is 40V 10A és nem terhelhető az a 8 V.
ez az első labortápom és nem tudom hogy mi lehet ilyenkor a baj
de egy ötlet jó lenne amin el lehetne indulni
Djtometkow
Fényképet készíts róla, de ha lehet éleset. Brienter A típusa biztos rá van írva, és akkor lesz rajza is, amin el lehet indulni. üdv! proli007
Igen van rajz róla de nem tudok róla elindulni mert nem tudom mi okozza a hibát. Pár hozzászólással előtt be lett linkelve a rajz.
Bocs, figyelmetlen voltam, de Te nem különben,mert nem is válaszoltál a (#191981) számú hozzászólásomra!
üdv! proli007
Bocsesz tényleg figyelmetlen voltam,nem vettem észre a hsz-t, még ma kimérem a dolgokat és válaszolok kösz az eddigi segítséget is.
Ja tényleg nekem sztem nincs itthon 24V-os izzóm de esetleg 4 db 12V 50W-os fényszóróizzóval megoldható?
Még lenne kérdésem hogy pl ugye a tranyók kollektora megvan de a trafó negatív kimenete az lenne amit a az első képen berajzoltam mert az megy a pufferkondi negítv pólusára? Másodikon ha jól sejtem ott jön ki a váltó fesz. Ezek itt az egyenirányítást szolgálják ezek triacok? egyenlőre ennyi.
Tudom nem teljesen ide való de legalább táp
Van nekem egy ilyen a képen látható tápom. De nem működik a működésjelző led jó rajta a trafó 15V-os kimenete rá van kötve egy TIC226M tric-ra és innentől nem jön ki fesz. Mi lehet a baj vagy csak szarul mértem? Mindenhol máshol megvan a fesz csak a triac után nem. Teljesen tanácstalan avgyok és egyáltalán nem vagyok jártas a triacokban.
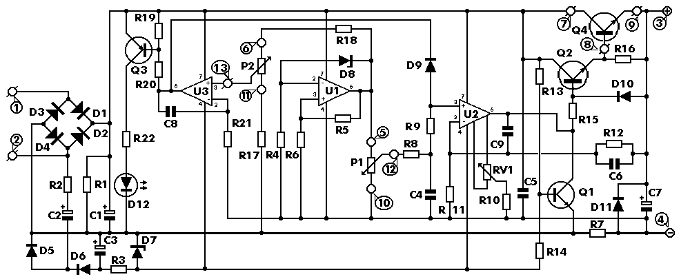
Ahogy így elnézem, ez a táp egy tirisztoros előszabályzóval rendelkezik. Akkor viszont még is meg kellene szerezni a másik rajzlapot is, mert a tirisztoros rész, kissé komplikáltabb, mint az áteresztős szabályzó.
A nagy kondi az első képen éppen nem látszik, de ott van. A pluszra megy a piros a tirisztorok katódjáról, a minuszára meg a tirisztor alatti egyenirányító kockáról. (ha jól látom) A pufferkondi plusz lába, és a nagytranyók kollektora közös. Viszont az előszabályzó, csak mindig annyi feszültséget állít elő a pufferbe, amiből a nagytranyók működni tudnak. Ez csak néhány voltal több, mint a táp aktuálisan beállított kimeneti feszültsége. Szóval kell a rajz, a tirisztoros részről is, mert különben nem boldogulunk... üdv! proli007
Egybefűztem a kettőt. Érdekes, hogy mindkét 324-es IC-1 jelölésű...
Köszi Sebi!
Ezen van mit matatni, ha az előszabályzó rossz. Kis tudással és szkóp nélkül....? De majd meglátjuk. üdv! proli007
Sziasztok!
Létszi segítsen aki tud. Tehát nekem olyan gondom van, hogy építettem egy olyan labor tápot ami elvileg 0-30V és 2mA-3A-ig jó. Megípítettem és olyan gondom van hogy nem lehet állítani rajta se a feszt se az áramot. Mikor üresen próbáltam a haverommal aki ért az ilyenekhez akkor működött a fesz, de az áram már akkor se. Mikor viszont megterheltük egy 10W-os égővel akkor az égő egy pillanatra pislákolt majd vége lett a tápnak. Az tl081-es ic-ket kicseréltem, de így se jó. Amúgy a tranyók, diódák, kondik jók. Ja igen az ic melleti 1KOhmos ellenállás fűt mint állat, de sehol semmi zárlat. Mellékelek képeket is. létszi vki, előre is köszi
Kapcsolási rajz, hátsó fotó,alkatrész típusok nélkül elég nehéz. Az ellenállás szerintem azért fűt, mert az utánna lévő tranzisztorok rosszul vannak berakva ,vagy rossz típusúak.
Hello!
Gyanítom, erről a kapcsolásról van szó, csak nekem nincsenek meg az alaktrészek értékei. üdv! proli007
hello
Proba! köszi az ötit, de jól vannak bent a tranyók és azok kellenek bele. Proli007! Igen ez az a kapcsolás, esetleg tudsz mondani vmit róla?? Jah igen, kicseréltem az 1KOhmo-osat 2,2K-ra, ez jobban bírja a terhet, de a graetz mellet a D5-ös dióda elkezdett melegedni kis idő után. Vmi öti erre is??? köszi mindenkinek aki ír
Hello!
Ezt csak itt találtam valahol! Persze tudok segíteni, csak az alkatrészeket nem ártana meg beleírni. (mert pld. van benne egy tranyó, amivel nem tudom így mi a cél, de lehet feszvédelem) Apropó! A negatív segédtápot, mintha nem látnám a tiedben. üdv! proli007
Hali
negatív segédtáp, na ezt nem értem. De linkelek akkor mindent hogy könnyeben lásd a kapcsolást. Amúgy már tényleg semmi öti nincs mert gyári panel, 2en nézük át és mindent jól raktam bele. Ezen az oldalon található:http://www.electronics-lab.com/projects/power/003/index.html üdv
Gyula!
Ez mint ha nem egészen az a panel lenne, mint amit láttam. (De bocs, jöt a kis unokám, majd később...) üdv! proli007
Szerintem sokat segítene, ha felraknál egy-egy képet az egész panelről illetve a forrasztás felőli oldaról, amin minden látszik!
köszi mindenkinek hogy segítenek próbál!!
A forrasztás felőli baloldalon van egy le nem vágott ellenállás láb,de ugy néz ki mintha átkötés lenne , de NEM az. Háát ennyi az egész panel, még van egy 2n3055 hűttőbordán ami a képen nemlátszik. Remélem ti észrevesztek vmit rajta.
Na, először szerintem mosd le az egész panelt den. szesszel, mert az is okozhat zárlatot, de amit bekarikáztam azt leginkább tisztísd le!
Khmm... R22-t cseréld le! |
Bejelentkezés
Hirdetés |






















