Fórum témák
» Több friss téma |
Fórum » Feszültségcsökkentési módszerek
Témaindító: elektro007, idő: Feb 24, 2007
Témakörök:
Megvan hozzá a gyári egyenitárányíto rész, igaz törött, de ami nekem kell róla az működik, csak hát ugye a 28.5v az sok.
A teljes szekunder terhelhetősége 8 A, nem feleződik.
Szerintem ne foglalkozz vele. Az erősítő modul 30 voltos maximum. A transzformátorod 19V-os. Ebből jobb esetben terheletlenül 29-30V lesz. Ha teszel rá valamiféle terhelést mindjárt a te szintedre le fog esni a feszültsége. 19V*1,41 - 0,6= 26V És ez kb a maximuma. Ha rendes terhelést kap, lehet még 20-22V sem lesz. Esetleg a kimenetre tennék egy combosabb 28V-os zenert, hogy az esetleges tüskéket kiszűrje.
A hozzászólás módosítva: Márc 21, 2019
Tpa3116-al nem fog leesni. Viszont ha magas a tápfeszültség letilt. Nem megy tönkre, de leáll.
Esetleg egy diszkrét lineáris kis drop out feszültségű áteresztő stabilizátor is jó lehet. Kis terhelésnél azt a 2-3V-ot lenyeli, nagyobbnál meg a bemenő feszültség esik valamennyit, így már egy fetes áteresztőnél csak az RDS-on marad, ami megfelelő alkatrésznél pár száz mV esés. 27V felett tilt a TPA.
Az adatlapon az szerepel hogy 12-24v. Érdemes így hagyni inkább, és ki próbálni? Akkor addig nem bántom a toroidot.
Nem tudom. A határadatok feszegetése nem biztos hogy jó megoldás. Viszont nem kellene elgányolni a transzformátort sem. Nem linkelted be az erősítőt, de sok kínai modulon még egy soros dióda is van a tápfeszültség bemenettel sorosan. Az is ejt valamennyit. Elméletileg nem hal bele, de ezt ne vedd garanciának. Azt is meg kell nézni, hogy a modulon a szűrőkondenzátor hány voltos, mert nálam volt 25V-os elkóval szerelt is. Ha belinkeled a modult, talán okosabbak leszünk.
Ebben is ott van a soros dióda. Szerintem rámehet a tápod. A szatellitek ekkora tápnál inkább 8 Ohmosak legyenek. A szub az duplázott, arra simán mehet a 4 Ohm. Viszont a kimeneti fojtó toroidikat tapogasd meg, mert ezek a sárga/fehér gyűrűk eléggé csúcsra vannak járatva. Egyre gyakrabban elhanyagolják. Nem tudom mekkora szűrőkondenzátorod van, de itt azért a sok hidalt végfok miatt elég alacsony az U/I arány, ami azt jelenti hogy nem elég 2-3 ezer uF. Bár gyakran alkalmazzák az amperenkénti 1000µF szabályt, de ez szerintem nem használható univerzálisan. 1000µF 1A terhelésnél ugyanis 1,5-1,8V effektív, vagy másképpen 6-7Vpp értékű búgófeszültséget eredményez, ami egy 50-60V körüli tápfeszültségnél jelentéktelen, de 5V-nál borzalmas. Neked 10000µF felett kell gondolkodnod, de inkább 2-3X ennyiben.
Egyenlőre 10e van de van még két 27ezres is, régi quadba volt talán.
10000uf és 27000uf. A nagyok érdekesek. Egy fém foglalatban vannak egy szürke pozitív és egy fekete negatív. Majd teszek róla fel képet.
Nekem is elkerülte a figyelmem, de talán neked is miszerint írta a kolléga hogy lehet tekerni negatív menetet is a trafóra. Először bármilyen szigetelt vezetékből feltekersz (fűzögetsz) 10 menetet a toroidra, majd megméred rajta a feszültséget. Ebből ki tudod számolni hány menetből áll az eredeti szekunder, és mennyivel kellene csökkenteni. Ezt a különbség menetet kell felfűzögetni.
Lehet olyan trükköt is bevetni, hogy nem 230V-ot, hanem csak 210-215Vot teszel a primerre. Persze felmerül a kérdés, hogyan. A te esetedben kell egy 12-18V szekunderű 10-20VA teljesítményű kis transzformátor. Ennek primere megkapja a 230V-ot, a szekundere pedig sorosan kapcsolódhat a toroidod szekunderével. Így a toroid primer oldali feszültségét növelni, vagy csökkenteni lehet a kis trafó szekunder feszültségével, attól függően, hogy fázisban, vagy ellenfázisban kapcsolódik. Esetedben csökkenteni kell. A toroidod szekundere is csökkenni fog ilyen arányban.
Elrontottam. A kis trafó 12-18V-os szekundere a nagy trafó primerével kapcsolódik sorosan, bár ez az írás többi részéből nyilván kiderült. Kissé megoszlik a figyelmem, így rosszul fogalmaztam.
Köszönöm szépen a segítségeteket, a sok hasznos választ! A kondikat hogyan kössenm be?
A kis trafós csökkentés így néz ki.
A kondi bekötésénél konkrétan mi a kérdés?
Köszönöm szépen a segítségeteket! Megvan a 22.5v DC Szerintem ez így már jó lesz.
Én is hangtechnikába terveznék csökkenteni, de 12 (14) voltról 3,7-4,1 voltig.
Egy mini bluetooth vevő lenne rákötve az autórádió antennaerősítő 12V-os táp-kimenetére, így az akkor kapcsol be, amikor az autórádió üzemel. A blue aksis, de úgy nem használható. A benne lévő aksi (110mAh) 2-3 órát bír maximum, ha viszont töltöm, lassabban tölt, mint amennyit fogyaszt, azaz az 5V-os bemenet felejtős, ráadásul még belehallatszik töltés alatt a motor (gyújtás) zaja is. Az aksi kicserélése nagyobbra se megoldás, mert idővel az is lemerülne (nem tudná utántölteni azt sem, már próbáltam) és a bekapcsolás se lenne automatikus. A cél az lenne, hogy az aksi helyére kötném rá 3,7V-4,1V bemenővel az antennatáp 12V-os szálját. Mivel a fogyasztása elhanyagolható (kb. 30-50mA az aksiból számolva), én ellenállásra gondoltam, ám az nem küszöböli ki a zavarokat. Mivel közel 1000Ft-os a vevő, nem szeretnék nagy összeget áldozni a bekötésére, így nem gondolkodnék komoly kapcsolásban (túlzott védelemben/stabilitásban), max ellenállás/kondi vagy hasonló filléres összeállítás. A leírt adatok alapján milyen értékű ellenállást (potit) használjak, ill. egy (milyen értékű?) kondi elegendő-e a zavarok szűrésére? (Jack-en is megkapja a testet, azon mégse megy vissza zaj, csak töltés alatt.) A hozzászólás módosítva: Ápr 10, 2019
Szia! Ha visszaolvasol a BT-s tápellátással kapcsolatos hozzászólásokban, kiderül hogy nem egyszerű közös tápról üzemeltetni problémamentesen. Egy darab ellenállás nem megoldás. A 35mA áramfelvétel sem mérvadó, mert méréseim alapján egy mezei BT modul a párosítás, és csatlakozás ideje alatt többszörösét is felveszi az üzemi áramfelvételnek. Ennek ellenre egy 100mA alatti csúcs elegendő. Ha a maximális áram, minimális feszültség alapján kellene kalkulálni, akkor egy 82 Ohm legalább 1W-os ellenállásra van szükség. Persze ez nem tartja 4,2V alatt a BT tápját, kell még egy 3,9V-os zéner dióda. Erről már el is üzemelne, csak kerregni fog meg sípolni. A megoldás egy tisztességes galvanikusan leválasztott DC/DC átalakító.
Írtam, hogy annyit meg nem ér az egész. Többe kerül a leves, mint a hús.
Jelenleg van egy szűrt minőségi vevő a kocsiban, amit máshol használnék fel és van ez az aksis "gagyi", ami kocsiba elrejtve pont jó lehetne. A töltési zaj mondjuk 15-20%-os, de ez akár az átalakítóból is eredhetett.
Attól hogy gagyi még nem fog működni rossz tápellátással.
7805-ös stabkockád van?
van...
Olvastam egy másik topic-on, hogy az és néhány dióda sorba pakolva a kimenetén megoldás lehet... de a szűrésre még az sem. Netán valami nagy zavarszűrő kondi? A hozzászólás módosítva: Ápr 10, 2019
Semmilyen kondi nem elég a zavar szűrésére, ha a táp és a jel GND is rajta van. Rengeteget kísérleteztem vele. Legjobb a galvanikus leválasztás, viszont a képen lévővel is egész jó. A lényeg, hogy ott legyen a 47 ohmos ellenállás. A kondenzátorok lehetnek nagyobb feszültségűek, én csak a minimumot írtam. A negatív tápot szándékosan csak a jelföldről kapja, mert amúgy kerreg. A kimeneten elég egy vagy két soros 1N4148 is, mivel nincs nagy áram. Én sima 5V-al űzöm őket, nem okoz problémát.
Bár még így is 1 diódával 4,5V körüli érték mérhető rajta, nem melegedett, viszont nem használható a kimeneti zaj miatt.
A probléma az, hogy a negatív (és USB burkolat, azaz földnek is nevezhetném) nem azonos a kimeneti jack 0 pontjával. Próbáltam azt a megoldást is, hogy a jack oldalait kötöm csak be és a közöset pedig a negatívról adom a fejhallgatóra (ami most az autórádiót helyettesíti), de akkor már a digitális adászaj megjelent a kimeneten. Alternatív megoldás az lenne, ha egy nagyobb teljesítményű aksival szerelném fel és váltórelével amikor a rádió nem működik, akkor töltene, amikor működik, akkor menne saját aksiról. Viszont nem minden nap járok az autóval és 1 hét alatt eleve lemerül az aksi benne, hát ha még lenne egy állandó fogyasztó. Szóval jelenleg akkor ez a projekt megakadni látszik.
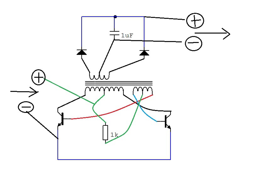
Itt korábban bemutatott egy fórumtárs egy izolált DC/DC konvertert. Nekem is van ilyen, ezek kaphatók is, de nekem nem tetszett a hatásfokuk. Ennek ellenére jól működnek. Bár csináltam jobbat, de érdekelt a belseje, így szétszedtem egyet. Semmi extra nincs benne, akár te os meg tudod csinálni. Ha megvannak az alkatrészek, neki is foghatsz. Kell egy ferritgyűrű. Én kompakt fénycső elektronikából bontottam, de legjobban a PC tápban a primer oldalon lévő zöld színű gyűrű vált be. Nem a kimeneti sárga/fehér, hanem a bemeneti zavarszűrő. Kell két tranzisztor, én BD139-et használtam, de a bontott fénycső paneljében lévő is jó. Kell két dióda ( 1N4148) vagy hasonló. Kell egy kondenzátor, nálam 1µF/63V fólia. Ez a kimeneti szűrő. Ezen kívül egy darab ellenállás kell még, 1kOhm körüli.
A tekercs a lényeg. A magon van egy szimmetrikus primer, szimmetrikus visszacsatoló, meg szimmetrikus szekunder. Összesen hat tekercs, 12 kivezetés. Lehet hogy módosítani kell a menetszámokat, így türelem játék. Lehet, hogy elsőre is menni fog. Én a zöld magra UTP kábel ereiből tekertem, mert a színes szigetelés segít a végek azonosításában. PC elé ülve csinálok rajzot.
A primer 2X20, a szekunder 2X10, a visszacsatoló ami a bázisokra megy, az 2X5 menet. Ez 12V-ből csinál kb 5V-ot.
De itt van egy olcsón: 5V-5V
Üdv!
Következő problémám van. Van egy 555-ös áramkör amin egy LM350 csinál 24V-ból 5V-ot. Ehhez csatolnék egy másik áramkört (MC) ami szintén 5V-os, de külön tápról megy amit ugyanarról a 24V-ról egy ilyen DC-DC konverter állít elő. A gond az, hogy kellene egy közös föld, de ebben van valami szűrő így ha összekötöm a 2 földet 80 mA csordogál ami az LM350-et kissé megterheli. Hogy miért ez lett arra pedig az a válasz, hogy az 555-ös áramkör meglevő, ehhez építettem hozzá, viszont a hozzáépítettben van relé is és annak áramfelvétele (kb 80mA)szintén forralja az LM350-et ezért adtam neki külön tápot a DC-DC konverterről, most viszont nincs meg a közös föld anélkül, hogy összekötném ami most problémát okoz? Megoldás? (tudom, legegyszerűbb ha az 555-t is a DC-DC konverterről látnám el.) Ezen kívül? A hozzászólás módosítva: Ápr 12, 2019
Megépítettem, de nem működik. Az egyik tranyó forr, meríti az aksit, kimeneten 0,2V jelenik csak meg. Ráment 1 órám a tekercselésre, összerakásra, szóval már most nem ér ennyit az egész.
Inkább nem ezt a vevőt használom a kocsiban mert több időt/pénzt már nem szánok rá. Ez 1e Ft volt, 3e-ért már szűrtet kapok... inkább megy a kukába. Azért köszönöm mindenkinek, aki próbált segíteni.
Sziasztok!
Adott egy negyvenéves lakóbusz, trafós belső fesz ellátással, illetve akkutöltéssel - ami két akku, de innen nézve mindegy. Nem szeretném kivenni a trafót, és tekercselni. Gondolom, az azóta megnövekedett hálózati fesz miatt az akkuk töltése felmegy 16,1 V-ig, amit nem nagyon szeret az akksi. Kérdezném, hogy szerintetek mit csináljak? Soros diódák, hogy 14,1 fölé ne menjen? Induktív előtét? DC/DC konverter? Bár elég nagy 8-10 A is lehet a töltőáram... Mit javasoltok? |
Bejelentkezés
Hirdetés |














