Fórum témák
» Több friss téma |
Fórum » JLT-02 analóg forrasztóállomás
Sziasztok!
Megépítettem régebben a Vzoole-féle állomást remekül működik,csak mostanában gondoltam jó lenne valami hőmérséklet kijelzőt faragni hozzá.Kérdésem: van -e valami megoldás erre vagy másik állomást kéne építeni?(pl Attila86 félét)Köszönöm a választ.
Üdv! Kaptam nemrégiben használtan egy SMA 050 forrasztóállomást, ami elvileg ugyanez csak más néven. Bekapcsoltam a legkisebb fokozaton aztán pár perc múlva máris füstölve olvasztotta az ónt. Lekapcsoltam a villanyt, akkor látom, hogy izzásig fűtötte a hegyet. Nekiesek majd méricskélni, csak eddig nulla szabadidőm volt foglalkozni vele. Addig is van esetleg valamilyen típushiba vagy egyéb tipp, milyen irányban érdemes keresgélni?
Úgy sejtem nem egy bonyolult kapcsolása lesz és tudomásom szerint termisztoros a páka. Tehát gondolom vagy a termisztorral illetve annak visszacsatolásával lehet probléma, vagy magával a vezérléssel. Előbbi eset nem fáj különösebben, mert egyébként is terveztem lecserélni a pákát. Utóbbi esetben meg jobb híján legfeljebb megépítem bele az egyik itteni vezérlést.
Inkább hőelemes lesz. És ha a gyári páka a gyári állomással ezt műveli, akkor én a vezérlést gondolnám halottnak. Különösen a kapcsoló elemet kéne megvizsgálni (általában egy BT triak)
Kép van esetleg a pákáról konkrétan? Amúgy ha már átépítesz, én a helyedben Rex-c100 hőfokszabályzóval csinálnám! Nekem 3 éve hibátlanul megy a pákám vele. Ebayen szilárdtestrelével együtt kb 4000ft egy ilyen szabályzó. Pici átalakítás kell neki( a relét ki kell venni, és betenni a helyére két átkötést, mert a relék nem szeretik a nagyon sűrűn ki-be kapcsolgatást...
Köszi az instrukciókat mindkettőtöknek. Csatoltam képeket az állomásról, illetve érkeztem végre szétszedni, így a vezérlésről is mellékeltem fotót. Még nem nagyon elemezgettem, de elég gyanús, hogy a műveleti erősítő egyik lába így kilóg a foglalatból.
A hozzászólás módosítva: Jan 12, 2019
Szerintem páka. Nekem is van ilyen (led soros) a hőelem ment ki két pákában is. A páka 2 ezer körül kapható, jobb változat pedig 4 ezer körül. Érdemes másik pákával próbálni először. A led soros annyival több, hogy jelzi a fűtést és aktuális hőmérsékletet.
Szia!
Nézd meg a műveleti erősítő lábkiosztását, mert a foglalathoz képest fordítva van benne.
Jelentem a probléma úgy látszik megoldódott, az LM358P műveleti erősítő kilógó 1-es lába volt a probléma oka (pont az 1-es kimenet). (Felmerül bennem, hogy gyárilag így rakták össze, és aki eddig használta az így használta vagy ő babrált bele, vagy csak próbált volna, mert az aljában a 4 csavarból 3 db már csillag fejű volt, de 1 db még a kétkörmös spanner fejű biztonsági csavar.) így most úgy tűnik működik, már csak azt nem értem, miért van fordítva a foglalatban vagy a foglalat van fordítva beforrasztva, ennek még utánanézek.
Egyébként ez is jelzi a fűtést, a piros LED ezt szolgálja. Eddig pár perc után halványodott, illetve a potit tekergetve erősödött, de most már egyértelműen be-ki kapcsolgat. Én is akarok majd venni hozzá egy kék nyelű pákát, mert van pár Weller TCP hegyem a kattogóshoz, aztán abba elvileg jól passzol, és még a kábele is jobb talán.
Köszi, nagyon jó meglátás. Én arra jutottam, hogy a foglalat van fordítva. (Látszik, hogy még az eredeti forrasztás, tehát gyárilag követhették el ezt, és könnyen lehet, hogy a kilógó lábat is. Talán ezért a gyártási minőségbeli különbség miatt olcsóbb is annyival, mint a tolópotis SL10-N.) Mivel a kilógó lábat helyretéve most szépen működik is, így valószínűleg helyesen jártam el.
A hozzászólás módosítva: Jan 12, 2019
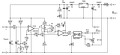
Mellékeltem egy kapcsolási lehetőséget. Ez segíthet tisztázni néhány kérdést.
Sziasztok! A véleményetekre lennék kíváncsi. Megépíteném a vzoole által közzé tett forrasztóállomást, de nem pákát szabályozna. Egy smd led forrasztáshoz használatos "fűtőlapot" kellene vezéreljen. Led Remover Az a lap 220V-ról működik, és 300W-os teljesítményű. Szabályzás nélkül kb. 250-260C-on fűt, és ez a hőmérséklet már több esetben is, túl soknak bizonyult Elképzelésem szerint, a fűtőlapra rögzíteném a hőelemet, és így figyelné az áramkör a hőmérsékletet. A BT139, 24V helyett 220V-ot kapcsolgatna. Picit átrajzoltam, az eredeti áramkört. Szerintetek ez így működőképes lenne?
mintha a triak fejreállt volna....
Bővebben: Link
Ez volt az eredeti rajz.......
Akkor hibás a rajzon a rajzjel. Persze ettől még működhet a panelon ha a lábkiosztás jó, és nincs köze a rajzhoz
![]() nézd meg a gyári adatlapot Bővebben: Link Elsőre az optotriakot tekitsd szakadásnak... Az R15 ellenállás a gate-t húzza azonnal ha villanyt kap az áramkör, vagyis a triak ki fog nyitni...
Jobban megnézve a triak rajzjele rosszul áll, a feliratok viszont jók rajta.
pl: Bővebben: Link
Az R15 nem kell oda, amúgy jó.
Köszönöm szépen mindenkinek a megerősítést! Akkor nekilátok elkészíteni az áramkört. Sziasztok!
Sziasztok,
segítségre lenne szükségem az Attila86 féle forrasztó álomást szeretném felhasználni hőlégfúvóhoz, mégpedig úgy hogy szeretném a hölégfúvó reed-jét pihentetésre használni , a reed egyik kivezetése közös a höelem pozitív kivezetésével. Ugy képzelem el az átalakítást hogya reed egy rellét kapcsolna ami megszakitaná a MOC-ra ,menö jelet, de gondolom oda még kell vavami kiegészítés mert a hőelem és a reed nem tudná magába műköttetni a relét? A hozzászólás módosítva: Ápr 2, 2019
Hello! Ha a Reed egyik pontja tényleg közös a TC pozitív kivezetésével, akkor a másik pontját egy 1kohm-on keresztül felkötöd a 8V tápra és már kész is vagy. A szabályzó azt hiszi, meleg a páka és kikapcsolja a fűtést..
Pontosan. Bár fogalmam sincs mekkora a hőelemed ellenállása, De ha az "K" típusú, akkor 40,6uV/°C az együtthatója. Így 200°C kb. 8mV-nak felel meg. A 8V tápból az 1kohm 8mA áramot ad. Így ha a hőelemed ellenállása 1 Ohm, akkor kb. 200°C-al "emeli meg" a hőmérsékletet. Vagy is a beállítottól 200°C-al lesz alacsonyabb a páka hőmérséklete. Vagy is nem lesz hideg, de nem fog szétégni sem ha leteszed..
Akkor az teljesen le fog szabályozni, vagy ha nem szeretnéd hogy teljesen hideg legyen, akkor növeled az ellenállás értékét.
Az nem baj ha telyesen kihül, sőt még jobb is mert ha véletlen úgyfelejte nem zabálja az áramot.
sziasztok,
a vzoole féle hőmérsékletszabályzó megépíthető a 24v/48w solomon pákához? úgy értem, ugyanaz a termoelem van benne, kompatibilis lesz? köszi
Sziasztok!
A segítségateket szeretném kérni megépítettem Attila forrasztóállomását és egy kapcsolóüzemű tápról szeretném hajtani. Milyen mósosításokat kellene végrehajtani rajta? Kösönöm a választ előre is.
Hello! Szerinted honnan tudjuk, melyiket építetted meg és milyen tápot szeretnél használni hozzá..
Szia!
Igazad van. Attila 86 Forrasztóállomás II-t építettem meg. Tápegységnek pedig a Hestore-ban kapható 24 V 6A-es kapcsolóüzemű tápegységet használnám. Bővebben: Link |
Bejelentkezés
Hirdetés |
























