Fórum témák
» Több friss téma |
Fórum » DC panelműszer tapasztalatok
Azért ami rajzot felraktál több sebből vérzik.
- A 200V mérésnél az osztás arány 2M/10k durván 1:200 arányú. Vagy is az 1-es műszer 200V-ra 1V feszültséget kap. Miért nem 2V-ot, hogy valami egyszerű arány is legyen? - A 200V-al arányos feszültség a 10kohm-on képződik, de annak alsó pontja a 1k-ra csatlakozik. Vagy is el van tolva 2,5V-al. Avagy, ha az ívfeszültség nulla, a komparátorok 2,5V feszültséget kapnak. - A 2-es műszer, viszont a GND-hez képest mér. Vagy is ha 0V-nál komparálna, akkor a 2-es már 2,5V-ot mérne. - A 3-as elvileg a két komparátor közötti differenciát mutatná, csak éppen ha a 100k potival állítanád az alsó komparátor feszültségét, egyből "durván" nőne a 3-as értéke. Miközben a 10k-val csak a 100k tizedét tudod beállítani. Avagy a kapcsolási pont változtatásával a "hiszterézis" is változna. - A 100k poti alja 1,6V-on van, a teteje 3,23V-on. Mivel a mért feszültség a féltápra csatlakozik (+2,5V), a potin beállítható érték a féltáphoz képest 1,6V-2,5V=-0,9V és 3,23V-2,5V=+0,73V. Ez a bementi "200V-ra" értelmezve jelenleg (a 200-szorosát) -180V..146V tartományban lehetne állítani az alsó komparátor értékét. De gondolom az ívfeszültségnek negatív értéke nincs. - Gondolom a biztonság kedvéért csatlakozik az ívfeszültség a két 1Mohm-on keresztül a komparátorokhoz. Viszont amennyiben a 0/+5V tápfesz csatolásban van az ívfeszültséggel, akkor az a zavarfeszültség az 1Mohm-okon fog esni. Tehát sokkal célszerűbb megoldás lenne ha az ívfeszültség egyik pontja (célszerűen a negatív) közvetlen kapcsolódna a GND-re. Ekkor a zavarfeszültség közvetlen (kis impedancián) jut a GND-re és nem befolyásolja a mérést. Úgy gondolom ez cseppet zavaros képet mutat..
Igen , kapásból sok mindenben igazat adok neked . Én is 2V-os méréshatárra gondoltam először az "1"-es műszerre csak mikor megírtam az első hozzászólásomat valamiért már 999 mV-ot írtam ... aztán meg tovább "kóricáltak a gondolataim " . Sajnos még csak keringenek az megoldások bennem és ezért is jó a külső szemlélődő - főleg ha szakember . A hétvégére tervezem a kísérletezést mert összedobtam egy egyszerű állítható feszültségű dc tápot ami előállítja majd a 100-200 V-ot ami imitálja majd a változó ívfeszültséget . A komparátorok kimenetére egyszerűen két ledet tennék ami vizuálisan jelezné mikor történik a kapcsolás (később ide optocsatolók kerülnének ). Természetesen kipróbálom amit ajánlasz és akkor az 1K ellenállás elhagyásával simán rákötöm az 5V GND-re . De készítek akkor egy másik rajzot , tervet .
Így módosítottam - egyenlőre , de még gondolkodom hogyan tudnám a hiszterézist állandó beállított értéken tartani .
Közben gondolkodtam - fontos nekem a hiszterézis feszültség ?? Az is jó lenne ha mindhárom panelműszer egyik pontját a GND-re kötném . Az "1"-es műszer méri a bejövő ívfeszültséget , a "2"-es műszer azt a feszültséget ami alatt a komparátor jelez a "3"-as műszer pedig a felső referencia feszültséget ami felett már a felső led világít . Szemmel pedig jól láthatóan leolvasható a 2-es és a 3-as műszer közötti feszültség különbség . Akkor pedig mindhárom műszernek 2 V-os méréshatárral kell rendelkezni .
Nagyon jó meglátásaid vannak . De még legalább háromszor el kell olvasnom ezt a hozzászólást mert elég nehézfejű vagyok .
Oké, ha már olvasgatsz, akkor ezt is ajánlom figyelmedbe..
Esetleg valami érdemi hozzászólást is tudnál kreálni vagy csak " nyelvtannáci" üzemmód működik ?
Szerintem a "megváltozassa" verte ki nála a biztit.
Ha érdekel a háttér: idézett mondatodban a "megváltoztat" ige (az állítmány) kijelentő módban van, tárgyas ragozással, ekkor viszont az alakja helyesen "megváltoztatja". A "megváltoztassa" is lehet helyes, de felszólító módban, pl: "azért fordította el a kormányt, hogy a jármű haladási irányát megváltoztassa". A tárgyas ragozás -ja ragja (harmadik személyben) és a felszólító mód -j jele (illetve ezek használata) keveredik itt össze. A különbség ott van, hogy tárgyas ragozásnál csak a tővégi s, sz, z hangzók után van hasonulás, míg felszólító módban a t-végű igék esetében is, így lesz a "tj"-ből "ss". Remélem, elég bonyolult volt .(Áttettem OFF-ba...) A hozzászólás módosítva: Jún 9, 2017
Ezt sem tudtam ! Én azt hittem eddig , hogy a zéner dióda egy határozott feszültségig zárt aztán egy szint elérésekor hirtelen "nyit" . No se baj még nagy hibát nem követtem el . A három panelműszert viszont sikerült ma átalakítanom 2 V-os méréshatárra és aránylag nagy cca. 5 Mohm belső ellenállással . Köszönöm a segítséget .
Átterveztem - de nem lesz zavaró a plazmavágó test pozitív polaritása ?
Így átgondolva még az sem jó ezen a rajzon , hogy a 10 K-s potméter a 100 Kohm-os potméterrel van sorba kötve mert így azon ( 3-as műszer ) min. 2V vagy több mérhető tehát jobb lenne a komparátor 5-ös pontjára kötni így együtt emelkedne a 100 K-s potméter szabályozásakor a 2-es ás a 3-as panelműszeren a feszültség de a hiszterézis állandó maradna .
Hello!
- Igen, így tesz egy zéner, csak épp mint minden eszköz, ez sem ideális elem, tehát a működése nem "digitális", hogy 1 vagy 0 legyen. A világ maga analóg, csak ez a digitális majális, meg fertőzött mindenkit. - Hogy a pozitív a test, az problémát okozhat. Főleg így hogy még induktivitást is gondoltál bele, még az IC élete is veszélyben lehet. Mert gyors jelváltozásnál (már pedig itt gondolom vannak) egy tekercs olyan mint ha "ott sem lenne". És a változás közvetlen bejut az IC bemenetére. Ebben az esetben én más megoldást keresnék, amit invertáló erősítőnek hívnak. - Eleve nem találtam helyesnek a referencia kialakítását. "Avagy a kapcsolási pont változtatásával a "hiszterézis" is változna. " De vagy nem vetted figyelembe, vagy nem volt világos amiről írtam. - De el kell dönteni, beállítás szempontjából mi a fontos. De ezek szerint a működés az lenne, hogy a kapcsolási pont (SP) függetlenül legyen állítható a hiszterézistől (HY). De ez is kérdés, hogy a hiszterézis feszültsége magasabb mint a beállítási pont vagy alacsonyabb annál. Tehát ma mondjuk SP=120V és a HY=20V, akkor a felső kapcsolási érték 140V, vagy éppen 100V lenne az. Mert a referencia előállító fokozat felépítését ez befolyásolja. Valamint az is, hogy mekkora tartományban állítanád a két értéket.. - Egyébként azt is tudni kell, hogy hogy ez két nullkomparátor. Amiben nincs pozitív visszacsatolás. Vagy is a kapcsolási érték körül (amikor pont ezen az értéken tartózkodik a feszültség) a komparátor kimenete vagy határozatlan lesz, vagy ki-be kapcsolgathat. Egy Led-nél ez nem gond, legfeljebb a jelzés nem ki-be fog kapcsolni, hanem változó fényerőt fog produkálni. Mert az OPA kimenete néhány mV különbségre fog átváltani alacsonyról magas szintre. Az ívfeszültség pedig nyilván ingadozni fog, bármennyire is szűröd azt. (Ha nagyon szűröd, akkor késlekedve fogja követni a jelet.) De az is egy kérdés, mennyire gyorsan kövesse azt. Vagy is van itt eldöntendő kérdés elég..
Ami a kitűzött feladat . A plazmavágó pisztoly ívfeszültségét vágás közben figyelni és majdan beavatkozni amennyiben alacsonyabb vagy magasabb lenne egy kitapasztalt megfelelő értéknél közben a beállított értékeket vizuálisan is folyamatosan láthatóvá tenni ami a három panelműszer feladata lenne . A várható üzemi feszültség 120-150 V a hiszterézis feszültség helyett akkor inkább alsó és felső ívfeszültség fogalmát használjuk és a 100 K ohm-os potméterrel beállítjuk az alsó kapcsolási referencia feszültséget azaz ha az ívfeszültség ezen érték alá esik akkor világít az 1-es alacsony ívfeszültség led ( később optocsatolóval kiváltva így kifelé jelet ad majd) . A 10K ohm-os potméterrel beállítom a 3-as panelműszeren is látható felső határértéket ami max 10V-al magasabb mint az alacsony ívfeszültség értéke és ezen feszültség érték fölötti ívfeszültségnél ( aminek aktuális értékét az 1-es panelműszer számszakilag is kiír ) a 2-es led "magas ívfeszültség" világítva jelez .
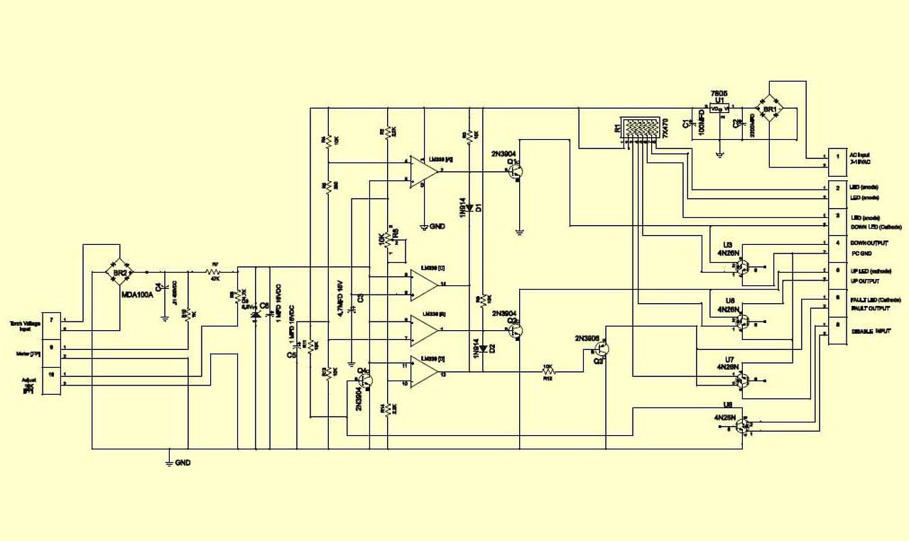
Hello! Végül is megrajzoltam hogyan lehet elkövetni. A "kedvenc" IC-dből is elkészítheted, mert abban egy OPA ás egy komparátor van. Így két IC megfelelő. Az OP1a megoldja, hogy negatív 0..-200V bementi feszültségből 0..+2V-ot gyárt és ezt mérheted/komparálhatod. Az OP1b pedig egy 1mA-es áramgenerátort alkot. Így megoldható, hogy SP értékét változtatva HY értéke nem változik és fordítva. SP értéke 1..2V között, míg HY értéke 0..0,22V között állítható.
A beállító szerveknél nem célszerű nagy ellenállású potikat használni, mert a műszer belsőellenállása terhelheti azt. (Elfelejtettem befejezni az alkatrészek pozíciószámának cseréjét, de gondolom ez nem probléma.) A hozzászólás módosítva: Jún 10, 2017
Fhúúú... , le vagyok döbbenve .
![]() ![]() Nem mertem remélni sem , hogy valaki ennyi energiát öl egy elképzelésbe . Nagyon szépen köszönöm . Még hétvégén nem tudom kipróbálni mert ma elkezdtem a tápot építeni hozzá és valószínű , hogy a holnapi napom is lefoglalja de mindenképp megépítem .Makacs ember vagyok - építettem egy nagyméretű plazmavágó cnc gépet és a számítógép nem tudja , hogy a vágott lemez mennyire hajlik el (fel) és a fej belemegy a vaslemezbe . Az ívfeszültség figyelés alapján - ugyanis ha csökken a távolság a fej és a lemez között akkor csökken a feszültség-növekszik az amper és persze fordítva is igaz - mindig lehetne a számítógép felé jelzést adni üzem közben milyen távol van a fej a lemeztől . Az optimális feszültséget azaz magasságot persze tesztek alapján lehet meghatározni mert gép ,fej, anyagvastagság, stb. függő . Szóval nagyon hálás vagyok , köszönöm még egyszer .
A cégnél is volt egy ELMA névre hallgató automatikus hegesztő, ott is volt lehetőség ívfeszültség szabályozására. Védőgázzal és wolfram tüskével a cső saját anyagát olvasztotta le. És a wolfram-cső távolságát szabályozta a feszültség alapján. Plusz nagfrekis gyújtás. Egyszer javítottam a külső érzékelő egységet, mert a testkábelt "jó helyre" rögzítették. az összes érintésvédelmi földvezeték leégett.
A rajzon azt nem értem , hogy a két led alapból rá van kötve két 470 ohm-os ellenállással a +5 voltra így az "bekapcsolt"állapotban van én pedig azt hittem a komparátor kapcsolja be a ledeket .
Ahelyett, hogy tetszene, milyen humoros körítést találtam a botlásod mellé.
![]() Ha már egyszer valaki minden hasznosat leír, minek törjem magam. A hozzászólás módosítva: Jún 10, 2017
Én gyakran hibázom és elég rosszul is fogalmazok de valahogy nem tetszik ha valaki a helyesírással foglalkozik egy műszaki fórumon . A legtöbb ember átlép rajta ... Ugorjunk . Törhetnéd magad mert te is szeretsz foglalkozni a hegesztő-plazmavágó elektronikával és ez feszültség figyelés egy elhanyagolt téma valahogyan - mondhatni egy fehér folt . Találtam ugyan egyetlen rajzot hozzá de az védett is és leolvashatatlan az alkatrészek típusai , értékei és persze feszültség mérő műszer sincs benne .
A hozzászólás módosítva: Jún 10, 2017
Tudod, felénk a hegesztő munka közben nem a műszert szokta lesni.
![]() Miért lenne fehér folt? Hiszen bármi kellene, csak egy független táp és soros vagy párhuzamos ellenállás számítás kérdése.
Fontos lenne mert a ledek helyére kerülnek majd az optocsatolók amik a párhuzamos porton keresztül adják a számítógépnek az "up"vagy "down" jelet .
Idézet: „A rajzon azt nem értem , hogy a két led alapból rá van kötve két 470 ohm-os ellenállással a +5 voltra így az "bekapcsolt"állapotban van én pedig azt hittem a komparátor kapcsolja be a ledeket .” Nem nekem címezted, de ha megengeded: Amikor a komparátor kimenete alacsony szinten van, akkor a LED nem tud kinyitni, az áram a soros ellenálláson és a komparátor nyitott kimenő tranzisztorán keresztül folyik. Magas szint esetén (komparátor kimenő tranzisztora zárva) nyit a LED, az áram a soros ellenálláson és a LED-en keresztül folyik. Tehát igen, a komparátorok kapcsolják a LED-eket. A hozzászólás módosítva: Jún 10, 2017
Persze , mindig örülök ha valaki felvilágosít tudatlanságomban - de írtam is , hogy hiányos a tudásom csak inkább egyszerű műkedvelő vagyok . Szóval köszönöm neked is .
A komparátorok bemeneteit Te rajzoltad így le. Én csak úgy hagytam ahogy volt. Viszont ahogy rajzoltad, úgy nem lehet működtetni a komparátort, mert annak nyitott kollektoros kimenete van. Vagy is az csak "lehúzni" tudja az áramot, kiadni nem.
Jelenleg ez, megfelelően működi. Ha a komparátor a kapcsolt érték alatt van (pld. a Max) akkor annak kimenete alacsony szintű és söntöli a Led áramát. Minimum is ezt teszi,de ha a mért érték a komparálási érték felett van. Be lehet kötni úgy is, hogy "kapcsolja a komparátor a Led-ek áramát, ne söntölje. De akkor a Led-eket a plusztáp oldalra kell kötni az ellenállással sorba. Viszont a komparátorok +- bemeneteit meg kell fordítani. Nem így van! A helyesírás része a kulturált műszaki életnek és alapja a megértésnek. Mint ahogy a szabatos fogalmazás is az. Aki igényes a munkájára és rengeteg energiát-időt-fáradságot öl bele, az legyen az írására is igényes. Mert ahogy anno mondták .."A helyesírás nem törvény hanem törekvés!" Én pld. ez szerint igyekszem cselekedni és igen helyeslem hogy a fórum szabályzata is előírja ezt. De érezzük ezt törekvésnek és nem kényszernek.
Értem és jó , hogy elmagyarázod a működését . A helyesírásra reagálva - én is törekszem de mégis szoktam hibázni .
Sziasztok. Egy dsn-vc288 nevű volt-amper mérőnél az ampermérő rész nem áll nullára. (Csak a tápfeszt kapja meg jelenleg.) Az árammérő előirt nullázásán túl vagyok, mindenféleképpen próbáltam végrehajtani. Azonban bekapcsoláskor egy pillanatra beáll nullára, majd 20 mA-t mutat, akár nyitott akár zárt az árammérő bemenete. Mit kellene még elkövetnem?
Bővebben: Link
Sziasztok!
Kérdés panelműszerrel kapcsolatban. Több bekötést is találtam ezzel kapcsolatban itt az oldalon. Erről lenne szó: Bővebben: Link Ezt a változatot hogyan kell bekötni, mielőtt tönkretenném. Az én meglátásom szerint: - külső DC táp (4-30V) a 2-es vékonyabb vezeték, piros a (+), fekete a (-) - Mérendő feszültség és áram a 3-as vezeték (vastagabb) - Bemenő feszültség a piros a (+), fekete a (-), - Kimenő feszültség a piros a (+), kék a (-), így az árammérés is működik. A hozzászólás módosítva: Máj 22, 2019
Közben megtaláltam, valószínű így kell bekötni!
A hozzászólás módosítva: Máj 22, 2019
Van rajz róla a neten. Vékony piros-fekete a tápja, sárga a feszmérő szál a kimeneten, a vastag piros-fekete az árammérés, amit sorba kell kötni a táp kimenetével.
Ez nem az a változat, itt a 2-eres vezeték a vastagabb, ami a söntre megy ... ezt megtaláltam én is
A hozzászólás módosítva: Máj 22, 2019
|
Bejelentkezés
Hirdetés |





.



Nem mertem remélni sem , hogy valaki ennyi energiát öl egy elképzelésbe . Nagyon szépen köszönöm . Még hétvégén nem tudom kipróbálni mert ma elkezdtem a tápot építeni hozzá és valószínű , hogy a holnapi napom is lefoglalja de mindenképp megépítem .Makacs ember vagyok - építettem egy nagyméretű plazmavágó cnc gépet és a számítógép nem tudja , hogy a vágott lemez mennyire hajlik el (fel) és a fej belemegy a vaslemezbe . Az ívfeszültség figyelés alapján - ugyanis ha csökken a távolság a fej és a lemez között akkor csökken a feszültség-növekszik az amper és persze fordítva is igaz - mindig lehetne a számítógép felé jelzést adni üzem közben milyen távol van a fej a lemeztől . Az optimális feszültséget azaz magasságot persze tesztek alapján lehet meghatározni mert gép ,fej, anyagvastagság, stb. függő . Szóval nagyon hálás vagyok , köszönöm még egyszer . 










