Fórum témák
» Több friss téma |
A matrica véleményem szerint olyan mint a dohányzás elleni tapasz. Csak akkor használ, ha a szánkra ragasztjuk, hogy ne tudjuk szívni a cigit.
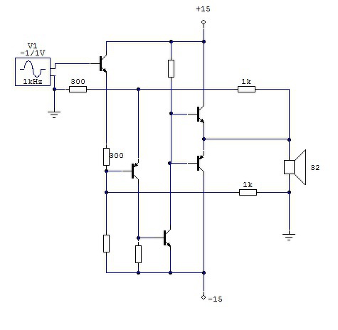
Na jó, nem komolyan gondoltam. de azt igen, hogy ha nem is szimmetrikusra, de valami zavarra érzéketlenebbre kellene tervezni a visszacsatoló hálózatot. két készülék között biztos van valamekkora potenciáleltérés. Nem csak egyen, hanem akármilyen frekvenciás váltakozó frekin. A másik rémálmom a kompenzáló kapacitás referenciapontja, ami mint látható, a negatív táphoz képest szabályozza vissza a nagyjelű (VAS) fokozat kimeneti jelét. Miért nem a GND-hez? Hiszen az a nulla vagy mi? Ez szinte minden erősítőben így van, és ha a tápegység negatív sínje nem azonos AC szemszögből a GND-vel, akkor már régen nem jó. De miért is lenne azonos, vagyis miért is lenne hidegpont, ha egyszer ez a feszültség egy zajos zénerre van rábízva, vagy egy rosszul szűrő magas ESR-ű kondenzátorra. Ha olyan kapcsolásban gondolkodunk mint a jó régi játékizé, akkor két dolgot ütnénk egy csapásra. Nem eldobandó dolog az, mert vannak tartalékai. A kompenzáló kondenzátorok tisztán a GND-re csatlakoznak, valamint a Marantz-os koppintás alapján krteált "folded cascode" fokozat fittyet hány a tápegységre, ugyanis jóval magasabb a tápelnyomása mint a földelt emitteres fokozatnak. Ha tévedek, majd kijavítassz. Én is várom Tibor véleményét, és remélem jó kritikus lesz, és ennek ellenére tetszeni fog neki a HTB.
Csak a végéhez, azt nem tartom kritikának, hogy az általam hallottakat leírom, mint az én saját véleményemet, összehasonlítva az eddigiekkel azoknak, akik ilyesmiket akarnak építeni, mint ezek a kütyük. Válogasson mindenki magának, mint a piacon.
A hozzászólás módosítva: Jún 27, 2019
Mondjuk sokadjára fordul elő, hogy a számba kell rágnod mit is akarsz mondani, mert egy kukkot nem értek az egészből. Nem értem mit látsz a játékizén amitől jobb lenne másoknál. Az, hogy "hajtogatott kaszkód" még semmit nem jelent. Ennél sokkal szimmetrikusabb a félhullámú (vagy emiatt is szól sokkal jobban?). De éppen a Budget.amp-od döbbentett rá arra, hogy nem jó a játékizé. Ez meg már megint újabb történet.
Az MC33078 sima áramtükrös differenciál/szintáttevő, az MC33272 pedig folded cascode és mégis a 33078 szól zeneibben (bár nagyon közel vannak egymáshoz). Nehéz ezen eligazodni. A Miller kondit meg végleg nem értem. Azt csak a bázis-kollektor közé lehet kötni, mert attól Miller. De ha nincs ott, akkor is "Miller" a tranzisztor Ccb kapacitása. A földelt emitteres fokozat eleve nem jó, de most itt HTB-t akartunk(-tam) csinálni a HTA-ból. Most képzeld el, hogy el lehetne bonyolítani szimmetrikusan, meg hajtogatva, meg hibajel-erősítővel, meg nagy tápelnyomással... így is 40 tranyó lett és 2 triak.
Vettem minap egész olcsón egy szerintem egész jó minőségű fejhallgatót, legalábbis sokkal jobbat annál mint ami eddig volt. Ha számít valamit a véleményem én is meghallgathatom ezt a HTB-t ha gondoljátok. Bár, mivel nekem ilyenre hogy fejhallgató erősítő sosem volt szükségem, mivel bőven elég volt az a hangerő ami kijön egy kütyü ezen csatlakozóján, maximum annyi véleményt tudok majd elmondani, hogy a HTB-t közéjük téve jobb, rosszabb lett a hang, esetleg nem változott.
Mondjuk, ezt a HTB-t én inkább nem ilyen formájában fülelném meg, hanem rendesen elkészítve, egy 50-60V-nyi tápfesszel, 8 ohmra, végfokként. Éppen azért, mert én nem tudom osztani a Karesz kondis tapasztalatait. Csináltam régebben a HTA-m mellé egy a KD megoldásából kifaragott (tehát nem az ő B100-as bufferes megoldásával) olyan HTA-t is, ami szimmetrikus tápról megy, csatolókondi nélkül. Általában nem nagyon hallottam különbséget a kettő között, amikor meg mégis, akkor a csatolós szólt jobban. Szóval nekem egyelőre ez a száműzzük a kondikat a jelútból dolog nem igazán jött be.
Lehet hogy én sem érteném magam, legalábbis utólag visszaolvasva nem voltam elég részletes. Már ott kezdődik, hogy nem szimmetrikus bemenetre gondoltam, hanem pontosabban az erősítő saját visszacsatoló hálózatát megfelelően használva létrejön a zavarkioltás. Ígérem lerajzolom ha gép közelébe kerülök.
Nem akartam vészmadár vagy nagyokos lenni, de ha már más megemlítette a csatolókondi hiányának negatív tapasztalatát, akkor én is rátennék egy lapáttal. Régen olvastam a neten valahol, hogy valaki szintén kereste a fejhallgató erősítők szentgrálját és terevezett több félét, többek között csatolókondi nélkülit is. Azt írta róla, hogy élete legrosszabb hangú erősítője volt.
Próbálom újra átrágni magam a nyákrajzon. Annyi van, hogy a sárgával bekarikázott fóliaszakaszon egyszerre folyik a bemeneti áram és a visszacsatolókör árama. Viszont ha ezt külön fóliasávon vezetném, akkor a bemeneti feszültség, mint referencia fesz. tolódna el. Így a két feszültség összege "rámodulálódik" egymásra. Ha van jobb ötlet, szívesen látom.
Jó volt olvasni a pozitív hozzáállásotokat a témához!
A baj csak annyi, hogy ez már nem ide tartozna, de az eredeti helye száműzött lett egyesek miatt. Én úgy látom, itt mindenki hozzá akart tenni és ez jó. Nem kifogások vannak, hanem legalább is információk. Én úgy gondolom, hogy amikor a hangzást elemezzük, minden kicsi dolog számít. Volt aki felvetette miért a duál mono. Karesz elmélkedését folytatva a panelről, ki kívánkozik az emberből, hogy mért csak egy körben gondolkodott, amikor a másik csatorna is odaviszi a magáét. És ezért a tapasztalat, hogy minden szétválasztott (föld) fokozat hangjában hallható pozitívum, ha valaki erre ki is van hegyezve, és szeretné a "szent grált" legalább meglátni (meghallani egy kicsit is), és istenbocsá, megérinteni.
Minden erősítőm duál monó felépítésű. Hogy ez miért nem? A bemeneti RCA aljazatoknál össze van kötve a két csatorna földpontja és a Jack aljzatnál is össze van kötve (nem mindenki vágja le a Jack dugót a fejhallgatója vezetékéről). Ha a bemenettől a kimenetig külön viszem a két csatorna földvezetékét, akkor ezt nevezik földhuroknak. Pluszban keletkezik egy másik is a forrás készülék kimenete és a füles erősítő bemenete között. Ezért van ott az a 2.2 Ohm-os földhurokmentesítő ellenállás.
A harmadik dolog jól látható a nyák rajzolatán. A középső GND fólián nagyon pici áram folyik a csillagpont és a poti földpontja között (odaírtam mekkora). A negyedik, hogy mértem áthallást a két csatorna között és ez -110dB 1kHz-en (kitettem ezt a mérést is). Ez azt jelenti, ha 1Veff van az egyik csatorna kimenetén akkor a másik hangszóróban 3uVeff. Ez 32 Ohm-os hangszórónál 2.8x10e-13 Watt. Le se lehet írni ilyen kis számot. (0.00000000000028 W. Ekkora.)
Jobb ötlet nincs, de azért hazaértem és lefirkantottam mi járt a fejemben. Hogy mivel lenne jobb? Tudja a fene. Nem is biztos hogy van értelme, de nem tudtam megállni hogy ne mutassam meg. Ez egy kvázi szimmetrikus bemenet. Mivel én sem vágom ketté a füles vezetékét, nálam sem lenne előny a duál monó.
Érdekes ez a DC csatolt mánia. Lehet hogy nem is jobb, csak valamiért feszesebbnek érzem a mélyeket. Több fokozatú AC csatolt erősítőnél az volt jobb hangú számomra, ha az összes csatolási pont időállandója azonos volt, vagyis ugyanarra a frekvenciára esett. Mivel nem született szabály a törésponti frekvencia pontos értékére, ezért az össze-vissza is lehet. Úgy viszont már nem tetszett annyira. Ezért maradtam inkább a DC csatolás mellett.
Ez érdekes, csak az a gond, hogy másképp is le tudom rajzolni. Ha az alsó 1k-t a generátor földjére rajzolom akkor már csak egy feszültségosztó lesz belőle (így is az, csak jobban mutat).
De erre azért még alszom egyet, mert lehet nem hülyeség. Bonyolult tud lenni négy ellenállás.
Talán nem jól írtam le, de a be és a kimeneti föld az fizikailag nem egy pont. Csak szeretnénk, de soha nem sikerül. A két föld között ébredő zavar a lényeg. Inkább egy egyszerűsített rajzon próbálom meg bemutatni.
Nem lennék jó tanár az már biztos. A hozzászólás módosítva: Jún 28, 2019
Nem minden szám, és mérés eredménye a jó hangzást.
Na most pedig itt, erről nem többet, részemről.
Én úgy gondolnám, hogy itt jön a jó csillagpont kialakítása, és a tömör, legalább ezüstözött vezeték használata alkalmazása. Ha én ennyire méregetnék, a mérőműszer kábelezésén is elgondolkodnék, de gondolom már is megharaptatok.
Harapdálásról szó sincs. Össze is köthetjük a füleserősítő be illetve kimeneti GND-jét vastag vezetékkel. Ekkor a be és kimeneti földek nagyon közel egy pontra is kerülnek. Ez eddig jó. De a füleserősítőt meghajtó készülék milyen referenciaponthoz képest ( már megint referenciálok) szolgáltatja a zenei jelet? Hát a saját GND-jéhez képest. Nem a füleserősítőjéhez, hanem a sajátjához.
Ezt nem is vitatom.
Ezért sem mindegy az összekötő kábel. És ezért ad jobb teret a most készülő DAC-om, a Popcornoménál, mivel teljesen külön áll a két csatorna hangja, míg a Popcornba nem gondolnám, mivel annak a hozzátartozó helyigénye is nagyobb. Mivel a duál mono egymástól független két csatornát jelentene külön tápokkal. Ezek elhagyásának sajnos megvan a hallható külön konzekvenciája a térábrázolásban, és a részletek leképezésében.
Ki se bontottad a dobozt (látom, mert én csomagoltam be). Ennyire jó füled még neked sem lehet, hogy leteszed a padlószőnyegre és már ebből hallod, hogy rossz a csillagpont. Akkor küldd tovább valakinek légy szíves, olyannak aki kicsomagolja.
Köszönöm! A hozzászólás módosítva: Jún 28, 2019
Igen... értem. Köszönöm.
Te meghallgatnád a füles erősítőt?
Örömmel meghallgatnám.
Amiket írkáltam, az nem előzetes kritika a még meg nem hallgatott erősítőre, hanem olyan gondolatok, amit talán előbb-utóbb valaki hasznosíthat. Tudja a fene mikor jön jól. Ha főzés van, a konyhában, ott is az a zene szól, mint a szobában. Régebben a CD játszó füles kimenetéről egy FM transzmitter tolta 87,5Mhz-en a zenét egy Akai tunerre, ami a konyhában volt. Most két szál 75 Ohmos koaxon megy ki a zene moduláció nélkül direkt. Ez több mint 15 méter. Ez már elég hosszú, hogy tápzaj megjelenjen az árnyékoló harisnyán. Na ez a probléma motiválta ezt a gnd kiegyenlített izét. Természetesen normál esetben nem okoz gondot egy rövid kábel, de én már megszoktam a hosszú drótokat, meg hogy földhurok az elég könnyen létrejön. Amúgy szeretem ezt az ipari RG59 kábelt. Nem volt még igazi Hi End drótom, de a Teszkóstól 1000000-szorta jobb, sőt néhány jónak mondottól is. Ha nem lenne ennyire merev, még gitárhoz is használnám. Vagyis szoktam is, csak akkor nincs ugri-bugri, hanem leül oszt penget. Alacsony a kapacitása, nem mikrofóniás. Már megint sokat írtam, de nem töröltem vissza. Többnyire 90% felett van a nem elküldött, visszatörölt arány. A hozzászólás módosítva: Jún 29, 2019
Köszönöm a pozitív hozzáállásod a dolgokhoz és soha nem untat amiket írsz. A tanácsod megfogadom (már két helyen kell újratervezni a nyákot, de szerintem nem csinálok több ilyen füles erősítőt). Levezd már le légy szíves Mekk Mesterrel a postázás részleteit. Köszönöm!
Rendben.
Csupán elméleti alapon volt olyan gondolatom, hogy egy füleserősítőnek nagyobb dinamikával kell rendelkeznie egy hangsugárzós erősítőnél. Ez abból fakadt, hogy a leghalkabb rész az ugyanaz a hallhatósági küszöb, de amíg hangsugárzóval nem szoktunk 90dB felé menni, fülessel saccra 110-120dB is megesik. Ez pedig 20-30dB-el több. Igaz hogy egy zeneművön belül nem igen van ekkora dinamika, de szoktunk hallgatni halkan és hangosan is. Így kijön a 120dB. Egy sima erősítőnek többnyire leosztják a kimeneti jelét, mint például az éppen nálam lévő Marantz PM7000-nek, aztán nem marad elég a fülesnek. Most meg jönnek kajálni hozzánk, befejezem.
Szia!
Néha előfordul, hogy máshol keressük a problémát, mint ahol valójában van. Olcsó műveleti erősítővel készült előfok egy, és kéttápos verzióban. Az egytápos értelem szerűen csatoló kondenzátorokon keresztül látta a nagyvilágot. A kéttápos az DC csatolt volt. Az egytápos, csatoló kondis kellemesebb hangúnak mutatkozott. De nem hagyott békén a gondolat, hogy valóban a kondenzátor hangja okozta a javulást? Bekerült a kéttáposba is, de ott nem javult semmi. Próbálkozások sora után akkor közelítette meg a kéttápos az egytápos hangját, ha a negatív tápot nagyon gondosan szűrtem. Vélhetően a negatív tápot látja hidegnek az IC, így ha az alapból hideg ponton van, nyugodtabb a működés. Hasonlóan viselkedett az LM1875 végfok IC is. Talán a HTA titka is ez. De lehet hogy valóban a kondenzátoros csatolás, csak nem akarjuk elfogadni.
Tesztelőzetes
Karesz50 fórumtásam, hogy hivatalos legyek, felajánlotta tesztelésre a nem rég készített HTB10-ét. Károly igen részletes méréseket, és képeket közölt a készülékéről. Így láttam mi fog a futárral érkezni. Elkértem tőle a panel méreteit, hogy annak megfelelő dobozt tudjak a teszt idejére készíteni, hogy védjem a meztelen panelt annak során. Károly nyilvánosan kétségbe vonta ez irányú képességeimet, személyeskedően. Én jeleztem neki, hogy a látható állapotában teljes körű garanciát nem tudok vállalni rá a tesztfolyamat során. Erre Ő azt ígérte, hogy majd ő csinál hozzá dobozt. Az addig félkész állapotban lévő erre a célra eszkábált dobozomat bedobtam a „spájzba”, és jöhettek a futár attitűdök. Amikor kezembe kaptam Károly csomagját, azt könnyűnek éreztem. Mondom magamban, csak nem balsafából csinált dobozt neki, hogy kisebb legyen a szállítás díja. Aztán amikor ki lett nyitva a csomag, akkor világossá vált, hogy nincs bedobozolva. Hát a régi doboztól már elvette a kedvemet, de azért 21,30-kor kapott egy alaplapot, hogy a vaslábak ne karcolják össze azt, amire teszik, és ne is csúszkáljon, azon. Az alaplapon minden rögzítés két újjal, lágyan lett meghúzva a furatpontatlanságok miatt. Így panel sehol nem feszült, nem csúszkált ahova tettem, nem érhetett hozzá alulról semmi problémát okozó tárgy, véletlen sem. No meg nem a panelt kell fogdosni áthelyezéskor.
A tesztmegállapodásunk szerint, megvolt az első tesztnap.
Ennek ideje tegnap este 22 órától, ma hajnali kettőig tartott. Mondjuk, talán 1 órától kevesebb hálózati zavarral. Két részből állt: ST240 Orion felújított tunerrel 23 óráig, majd ES9038q2m DAC-al, háttértárolókról, Popcorn a410, optikai kábellel a DAC-ba, 2 óráig. Nem hallgatnám el hozzáállásom előzményit, miszerint megtiszteltetésnek vettem, hogy rendelkezésemre bocsátottad a HTB10-et, és lehetőséget biztosítottál ezzel, hogy hallhassam egy ilyen, akkurátusan elkészített, kimért készülék hangját. Nehéz objektívnak maradni, amikor egy barát arra kér, hogy minősítsed gyermeke képességeit. Azonban, mint minden ez az egész is csak egy folyamat jelenlegi állapota, vagyis átalakulóban van. Méltatásomat nem kritikának szánom, csupán az eddigi tapasztalataim hátterével felvértezett, hallható tulajdonságok megfogalmazásával, a további teendőknek segítésére közlöm azokat. Nem mindegy, hogy egy meghallgatás tájékozódó csupán, vagy elemző jellegű. Én úgy gondolom, hogy e topic az előző helye. Utóbbi itt csak szürke lehet. Elemző munka esetén, a meghallgatások kitolódnak, és több okból is ismétlendők. Így lesznek dolgok amik megváltozhatnak, és lehetnek amikről csak részletesebb tapasztalatokhoz juthat a tesztelő. De mi is a helyzet a HTB10-el. Érintettséget éreztem, de nyeltem egy két nagyot, és a lényegre koncentráltam. Azonban így sem volt könnyebb dolgom meghallva a hangját. Szinte azonnal kettévált a fülembe a hangja, minta a bolti pálinkáknak. Jó esetben, a gyümölcs és az üst ízére. Nos a HTB10-et „jó esetnek” mondanám. Meg van benne az elkészítés módjának, az akkurátus mérések, az építési képesség színvonalának az íze. Nevezzük egyfajta hangzási attitűdnek. Mivel ezt most én hallottam, így azt mondanám igen érdekes, és vonzó a készülék eme tulajdonsága. Hogy valahogy megpróbáljam ábrázolni, ami, persze a zenei anyaggal változó is, szóval, bizonyos pontosságoknak megvan a maga eszenciája a hangzásban, megvillantva, hogy köze van az említett zenei „szent grálhoz”. A hátrányokkal összevetve, egyértelműen elhatalmasodik az érzés az emberen, hogy se vele, se nélküle. A HTB10 bizonyos tulajdonságait nem szeretném elfelejteni, mert számomra nyújtott egy bizonyos zenei élményt, amit az említett csodakeresés részének gondolok. Mondhatnám a hangját, fontos tapasztalatnak, azoknak, akik audiofilben gondolkodnak. Fontosnak tartom azonban, hogy a másik oldalra is vessünk szemet. Jó érzés volt Károly munkáját kézbe venni. Látni a spéci megoldást a potimechanika csillagpontba kötésének szépen kialakított flexi kivitelezését. Ami azonban elrontotta a kedvemet az a duál mono hiánya, mivel ez eléggé befolyásolja a hangzás összképét. És bizony érdekes lett volna, ha ez nem lett volna hallható. Miről is van szó: ennek elhagyása hozzájárul az elmosódott hangképhez. Ami azt jelentené, mondjuk jelenesetben a HTB10 esetében, hogy megszólal egy hang, és a következő pillanatban egy sávban szétszóródik a térben, elhagyva a forráshelyet. Így oda a hang „aurája”, és a részletek is veszélybe kerülnek az alkalmilag rájuk terített takaró miatt. Hiányosabb hangszerelés esetén ez ugyan kevésbé zavaró, de összességében ilyenkor marad egy hiányérzet. Így ez is része, ha sokáig nem szívesen hallgat az ember valamit. Ebben az volt a legfájóbb, hogy Károly HTB10-nek fantasztikus a dinamikája, eteti magát a linearitásával, és igen hatásos „végletei” vannak. Kevés olyan zeneszámot hallottam amiben ne fedeztem volna fel, valami újat. Kb 3 órai hallgatás után azonban drasztikusan megnőtt a torzítása, és a trafó is jelentősen melegnek volt tapintható. Nem mondtam volna túlmelegedésnek, és ezután sem a meleg, sem a torzítás hallhatóan nem növekedett. Kérdezhetné valaki, hogy akkor mért teszteltem tovább. Régi motoros vagyok, és azért mert torzít valami, azért még megmaradnak az egyéb hangzásra gyakorolt, tulajdonságai. És Károly készülékének, tapasztalataim szerint vannak a jó hangzásra gyakorolt tulajdonságai. Tiszteletet parancsoló a kivezérelhetősége, az ebben lévő dinamika tartalék. Fantáziámban azért megfordult, hogy ez milyen lenne OCC silver huzalozással. Ma vissza tettem a tunerre így „másnaposan” és nyomot a hangja, nem esett jó hallgatni. Hát jelenleg ennyi. Azonban ezt én még kevésnek tartanám, mivel csak egy 32ohmos fülest látott, és kíváncsi lennék a 72 és 300 ohmos viselkedésére is. Persze, ha a rajtam számonkért objektivitás Károlynál is megvan, és nem sértődik meg az eddigieket olvasva, és kéri vissza iziben a készülékét.
HTB-10 teszt 2
Károly HTB-10-e társaságul kapta a fiam még osztrák gyártású, AKG K701-ét. Ez a hallgató 62 ohmos, 10Hz-39KHz átvitelű, 200mW-os eszköz. Mostanában nem volt használva, így tapasztalat szerint, pár órára szüksége van, hogy hozza magát. Az „átmulatott” éjszakám miatt délután ledőltem egy kicsit, hogy helyre rázódjak, előtte rámértem a HTB kimenetére, ami 1mV-ot mutatott. Felkelve, feltéve a fülest azt tapasztaltam, hogy nem torzít úgy az eltelt kb ötórás üzem után, mint 32 ohmos terheléssel 3 óra után. Épp egy jó felvétel ment a rádióban, és így megkívántam a nagyobb hangerőt, mert járatás közben nem üvölteti az ember az adott készüléket, hogy élvezzem Károly készlékének teljesítményét, amikor hirtelen elkezdett torzítani, és amikor lehalkítottam, a torzítás mértékét megtartotta kis hangerőn is. Rámérve még mindig 1mV volt a kimeneti érték. Hát kihúztam, hadd pihenjen. Hozzátartozik a dologhoz, hogy a hálózati trafója melegebb volt, mint hajnalban, pedig árnyékban, szellős nyitott helyen volt üzemeltetve, kisebb terheléssel. A továbbiakban a család lakásban történő mozgása miatt, hogy haladjak, elővettem a kisDAC-ot, hogy referencia után nézzek a netes emlékeimet illetően. Ez is a megszokott, ez is - az is. Elsőre úgy hatott, mintha ez jobban tetszene a HTB-nek, azonban a hangerőt felvéve mindig jelentkezett a plusz torzítás. Azonban keresve a legkedvezőbb hangerőt, meghallgatja az ember a Dire Straits – So Far Away című számát, megint csak azt tudja mondani, hogy így még nem hallotta, a leírt hátrányok ellenére. De ugyanezt el lehet mondani a hárfa hangjáról is, ami kivirul a HTB képességeivel, ami alatt a dinamikáját, és széles lineáris átvitelét értem ez esetben, megint nagy kár a többiért. Na meg Sinát hallgatva, idáig nem hallottam ilyen jól a cintányérokat. Élmény számba megy a „dobos”, a kishölgy munkája, képessége a HTB képességeinek egy részét tekintve. Szívfacsaróak a hátrányok ilyenkor. Hát jöhet a 300 ohmos teszt. Az eddigiekről. Ami látszik, hogy a HTB jelenleg a nagyobb ohm felé mutat. Jelenlegi állapotában számomra nem világos a torzítások oka, az idő múlásával a hangerő szűkülése, hogy ne boruljon be egészen a hangkép. A térképzés javítására van megoldásom, ha megcsinálnám magamnak. Azonban a torzításokra igazából nincs biztonságos ötletem. A rendes duál mono megépítés lehet, hogy hozna a kivezérelhetőségen, azonban hogy az összességében még milyen javulásokat eredményezne, azt még megjósolni sem tudnám. Az erősítő tervezéshez nem értek, így a problémák kezelésében sajnos nem tudok Károlynak segíteni, de azt hozzátenném, hogy készülékének erényei tiszteletre méltóak. Ha nem lenne most más dolgom, és kevés pénzem, valószínű, hogy rávetném magam, és megépíteném úgy, ahogy én gondolom, hogy mennyi az annyi, mert nagyon vonzónak találtam azt, ami jó benne. Nem mondanám eddig sem, hogy nem volt értelme az akkurátus munkájának. Azonban vannak bizonyos építési törvények, amit elkerülve, sajnos hallhatóak a hiányosságok. De ilyesmire „Karesz” is tett utalásokat.
Milyen jellegű torzítást hallasz? Mindkét csatorna egyformán torzít?
A torzításokat minkét csatornán, egyformán tapasztaltam.
Sajnos volt egy alapszintű, minimális, és egy erős a hangerő növelésekor. Az erős változatnak olyan jellege volt, hogy először nem, aztán egy idő után, mintha egy képzeletbeli pohár megtelne, rátapadt a potira. A problémák kihagyásával, csak gratulálni tudnék a készülékedhez, örülök, hogy hallhattam a hangját. Mélyebben, azonban azt tapasztaltam, hogy sajnos van a hangjában egy kis mesterségesség. Ezt úgy gondolom, hogy valaki egy profi zenész, de nem jut neki Stradivari, és ez mind egyben.
Kicsit belekotyognék. A BS170/250 fetek mennyire melegek? Az erősítő tápegység részén van a nyákba ültetett led. Az be szokott-e villanni amikor ez a torzítás megjelenik?
|
Bejelentkezés
Hirdetés |























