Fórum témák
» Több friss téma |
- Ez a felület kizárólag, az elektronikában kezdők kérdéseinek van fenntartva és nem elfelejtve, hogy hobbielektronika a fórumunk!
- Ami tehát azt jelenti, hogy a nagymama bevásárlását nem itt beszéljük meg, ill. ez nem üzenőfal! - Kerülendő az olyan kérdés, amit egy másik meglévő (több mint 17000 van), témában kellene kitárgyalni! - És végül büntetés terhe mellett kerülendő az MSN és egyéb szleng, a magyar helyesírás mellőzése, beleértve a mondateleji nagybetűket is!
Egy egyszeru kis mero muszerrel,de az osszes amit mertem vele jo volt,eleg pontosan,de ezek a kondik mas erteket mutatnak. csereltem egy fel wattos ellenallast 1,2 k,teljesen le volt egve,egy 5 wattost tudtam csak tenni,mas nem volt keznel hirtelen,bekapcsolasnal nagyon erosen melegedni kezdett,es a kondi gumi tomiteset is nyomta kifele,kicsereltem a kondit es megalltt az ellenallas tulmelegedese,utana kivancsisagbol megmertem es kb 470 nano korul volt az erteke,meg is lepodtem,mert ugy tudtam,hogy ilyenkor a kapacitas veszik es nem nol.Utana 10 15 perc mulva ujra mertem es a kapacitas immaron csak 150 nano korul volt.tehat fogalmam sincs mi volt ez az egesz.Persze meres elott kisutottem oket.
Meresi hibara en is gondoltam,mert ez egy univerzalis mero muszer,ami automatikisan ismeri fel az aktiv passziv alkatreszeket,ami nekem annyira nem tetszik,nekem.De tervben van egy megbizhatobb mero muszer vasarlasa.
Egy bluetooth-os hangoskodó micro USB csatlakozóját szerintetek ki lehet váltani más (kezelhető méretű) csatlakozóval ?
Leírása szerint "csak" töltésre használja... Sajnos kitörött (leejtették a dobozt). Nekem túl apró kicserélni, szervízköltséget meg nem éri meg a "kütyü"( annyiért már másikat is lehetne venni...) a fiókban meg akad régi kerek csatlakozó-pár ![]()
Megkeresed hová ment a fólia a csatiról, és forrasztasz rá egy kábelt + valami szimpatikus táp aljzatot.
Sziasztok,
Az alábbi rajzon, amivel egy váltóáramú ventilátornak szeretném a sebességét szabályozni miért van szükség a null-átmenet detektálásra? A választ előre is köszönöm! A hozzászólás módosítva: Júl 3, 2019
Hi Mesterek!
Segítséget szeretnék kérni, méghozzá ferritgyűrű használata ügyében. Adott egy 10A fogyasztó (klíma) aminek a kapcsolási rajzán ajánlott a ferritgyűrű használata. Amin elakadtam, mert láttam már így is úgy is használva/bekötve. A kérdésem az lenne hogy a ferritgyűrű áthurkolva vagy simán átvezetve kell a vezetőt használni/bekötni? Válaszokat segítséget előre is köszönöm.
Áthurkolva lesz egy teljes meneted a ferriten, átbújtatva csak sokkal kisebb része.
Sziasztok,
Kollegáim használnak videokonferenciára egy AKG konferencia-mikrofont (CBL410 PCC), aminek a hangja _néha_ halk a másik oldal szerint. Szoftveresen már mindent kilőttünk (maximumon minden hangerő, a +20bB boost is be van kapcsolva), szóval egy erősítőt tennék a mikrofon és a hangkártya közé. Különösebb minőségi igény nincs, emberi beszédet kell erősíteni, ha lehet nem túl nagy zajjal. A terv: fél LM358 opamp nem-invertáló alapkapcsolásban 11x-es erősítéssel, USB 5 Voltról hajtva 100u pufferrel és 10n/100n kerámiával, az opamp kimenet egy 2,2k lineáris potira dolgozik, erről lesz levéve a kimenet. A jack dugón (TRS) a középső láb az 5V a mikrofonnak, ehhez nem nyúlnék. Kérdéseim: 1. kell-e csatolókondi, és ha igen akkor mekkora/milyen legyen? 2. kell-e foglalkoznom az impedanciaillesztéssel? 3. van-e bármi más buktató, amire figyeljek? Köszi, Tamás
Hali!
Az 5V-ot direktben nem kéne kitenni a csatira, mert bedugáskor zárlat lehet...
Itt 5 Volt 2 helyről jöhet. Az egyik a hangkártya mikrofonbemenete, ott tipikusan egy 2k körüli ellenálláson keresztül jön a delej, az eléggé korlátozza az áramot - és itt életszerű a dugdosás.
A másik az USB 5V, és az nem kerülhet közvetlenül a mikrofoncsatikra, amíg az opamp egyben van.
Köszi a választ Mester
![]() 3. értem, de ez egy PoC (Proof of Concept) elsősorban. Ha túl zajos, akkor lesz másik opamp, akár szimmetrikus táppal is, bármi. Szeretem én az NE553*-et, van is pár a fiókban, csak ahhoz táp kell. Bár a normális megoldás szerintem az lenne, hogy venni még 3 ilyet, egymásba fűzni és szétszórni a nagy asztalon, de ugye darabja huszonezer. Ha sikerülne mondjuk ezt párszáz vagy párezer Ft-ból megoldani, akkor ezt a pénzt lehetne más, hasznosabb dolgokra is költeni.
Helló, tudna nekem valaki segíteni?
Szükségem lenne PT4115 höz (dim lábra) egy olyan kapcsolásra, amivel a meghajtott led fényerejét automatikusan tudom szabályozni, ha erős fény van (süt a nap), akkor erősebb legyen a fényerő, ha sötét van, akkor halványabb legyen, autóba szeretném beépíteni kijelző világításnak, hogy éjszaka ne legyen túl világos a kijelző. Viszont szeretném, ha meg lehetne választani a minimum fényerősséget és a maximumot is. Ezen két érték között szabályozna. Előre is köszönöm!
Hello! Én megrajzoltam, kb. hogyan lehet megoldani. Te pedig kipróbálod, hogy megfelelő-e.
Tekintve hogy az IC a DIM lábán egyenfeszültséggel is szabályozható 0,5..2,5V között, a vezérlés analóg. A fényérzékelő egy BPW34-es fotodióda, ami "fényelemként működik. Ez teljes napfényre akár 2mA áramot is szolgáltat. VR1-el lehet a meredekséget állítani, hogy az MP (ellenőrzőpont) kimeneten a feszültség azt a tartományt fussa be, amit szeretnél. (De ez erősen függhet a fényérzékelő elhelyezésétől is) A VR2-vel a maximum (1,25..2,5V), a VR3-al a minimum (0..1,25V) kimeneti feszültséget lehet beállítani (korlátozni). A TL431 állítja elő a korlátozás számára a referencia feszültséget.
Helló
Köszönöm még egyszer, amint tudom kipróbálom és visszajelzek, hogy hogyan működik. felmerült bennem egy kérdés, hogy változhat e valami ha pl jár az autó és 14.4V ot kap, vagy kell valami 12V stabilizátor elé?
Hello! Nem változna semmi, a táp változása miatt, stabilizálni sem kellene 12V-ra.
Mert az OPA tápjától igazából nem függ a kimeneti feszültsége (csak a maximuma). De az áramkör úgy is megoldható, ha 7805-el stabilizálod 5V-ra az IC tápját. Ekkor az R3-at 2kohm-ra kell cserélni és a TL431 elmaradhat. Így a fokozat kimenti feszültsége nem haladhatja meg (semmiképpen) a 3,6V-ot és a referencia stabilizálását is megoldja a 7805.
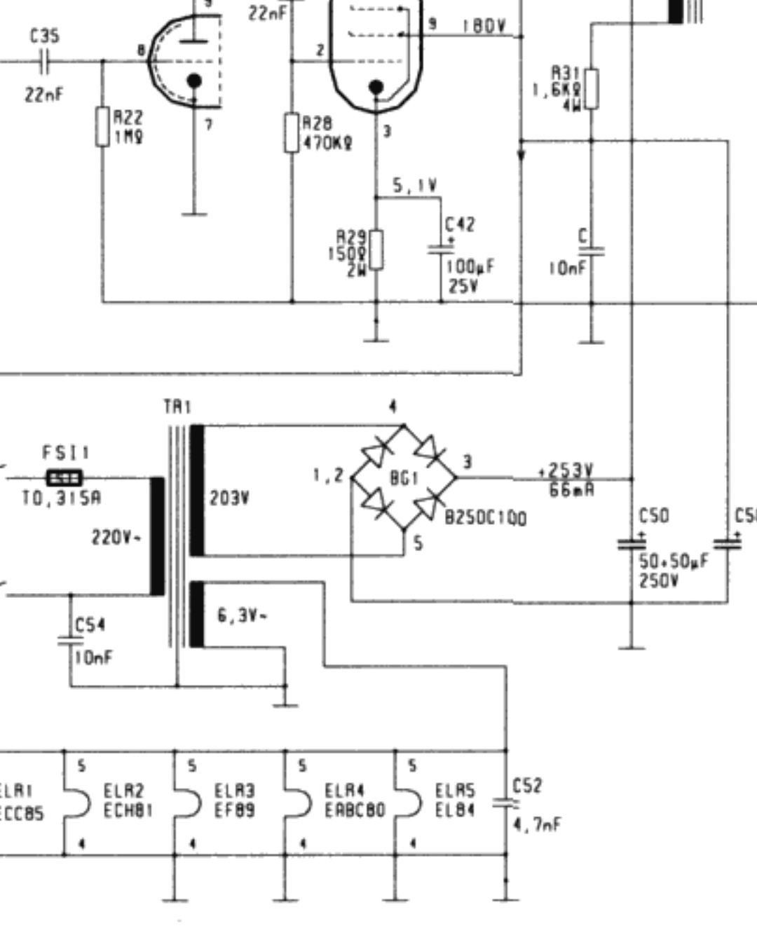
Sziasztok!
A mellékelt kapcsolási rajz részlete a trafót mutatja ami a kérdésem tárgya. Méréseim eredménye: szekunder oldal 239 V AC 203V helyett, egyenirányító után 239 V DC, 50µF kondi bekötése után 300 V DC 253 V helyett. Menetzárlatos lehet? A primer és a szekunder oldal között ellenállás mérővel nincs kimutatható zárlat. Műkődő rádióból bontottam. Csöves rádióhoz, erősítőhöz használnám. Gyakorlatilag a hálózati feszültség van a szekunder oldalon.
Nem valószínű a zárlat. A hálózat is lehet 235V V~, így a szekunder is több. A szekunder terheletlensége is okozhat hasonló jelenséget. Pl. a végcső gyengélkedik, vagy nem is nagyon meg. Azt a 66 mA-t ellenőrizd.
Milyen terhelés mellett mérted? (Üresjáratban csúcsfeszültségre töltődnek a kondenzátorok.)
A transzformátorok feszültségeit a névleges terhelés mellett kell értelmezni.
Szia.Semmi baj nincs a trafóddal. A rajzodat ha jobban megnézed akkor oda van írva a hálózati bemenet részen hogy 220V! Ez ám régen volt, a rendszer vàltás előtt. Manapság szabvány szerint 230V van, de olykor-olykor előferdűl 245V is. Meg kell mèrni és kalkulálni hogy mi a csízió. A régi dolgok mind 220V hálózatra készűltek, neked azt kell megvizitálnod hogy a “több” feszültségekkel üzemközben a régi trafód hogy boldogúl terhelve! Esetleg semmi baja se lesz, de lehet hogy melegszik rendesen. Amúgy óvatosan kell ezekkel a régi teafókjal bánni, mert ezek drótjai nem zománcozott, hanem lakkozott szigetelésűek. Amikor pedig a mai hálózatba kapcsolja a delikvens akkor van hogy átüt, leég, stb. egyéb nyalánkságok lesznek.
Na ezen okok végett nézd át a tàpot, trafót tüzetesen. Ha nem vagy biztos a tuti működésében inkább tekertesd át mai hálózatra normális strapabíró dróttal. Leválasztót mindenképp használj javításra. Üdv. A hozzászólás módosítva: Júl 7, 2019
Üresjáratban mértem ezeket az értékeket. 66mA-es terhelés 50 V feszültségesést okozna? Kipróbáljam valami műterheléssel? Ha sokáig 300V üresjáratban üzemel a trafó az tönkreteheti a C50 jelzésű 250V-os kondit?
Köszönöm a választ! Egy általános tápellátásnak szánom, csöves eszközökhöz, így nagyjából akkora terhelése lesz mint ez az 5 csöves rádió amiből bontva lett. A 253 V x 66mA hozzávetőlegesen 16-20W, plusz a csőfűtések másik tekercsen. 20 W-os izzót rákötve "szimulálható" a terhelés? A fűtés teljesítményfelvételét is kiszámolom. Levonhatóak hasznos következtetések ilyen izzós próba után a működésről?
Egy bármilyen izzó teljesen más, mint bármilyen cső fűtése.
A fenti dolgokat azért írtam le, mert egyetlen csövet sem szabad se alá, se túl fűteni. Tehát a 6,3V az pontosan annyi kell hogy legyen. se több, se kevesebb, mert a csöveid élettartama látja kárát! Van még egy módszer hogy a 220-as trafókat 230-ról lehessen üzemelteni, vagy soros pár ohmos ellenállással, vagy soros kondival pl. WIMA és társaik. a kondi jobb, mert nem fűt, de be kell játszani, pár száz nanótól 1-2uf-ig közben lesve műszeren, a szekunder feszültséget, pl. a fűtésen terhelve (a fűtés a leg fontosabb)
Erre van egy régi trükköm. Egy 7...12V V~-os 8..10 W-os trafó primerjét párhuzamosan,
szekunder tekercsét sorba kötöm a táp trafó primerjével, hogy csökkentse a feszültséget. A hozzászólás módosítva: Júl 7, 2019
Köszönöm a válaszokat! Már látom előre a következő problémámat: ha egy egycsöves berendezésre kötöm a fűtési szekundert akkor jócskán fölé lesz fűtve a cső, ha több csövesre akkor előfordulhat, hogy alá. Így minden berendezésem fűtési körét be kell lőni ellenállásokkal.
Egyébként az említett 20W-os égőt nem a fűtési körre, hanem a 253 V-os tekercsre gondoltam kötni, "szimulálva" 70-80mA-t. A hozzászólás módosítva: Júl 8, 2019
Az ellenállásos feszültség csökkentés nem igazán jó megoldás, mert ha bármi oknál fogva változik a fűtőáram, változik a fűtőfeszültség is. Elképzelhető az a megoldás, hogy a csövek fűtőfeszültségét egyenként állítod be előtét ellenállással.
Ennél azért jobb megoldás, ha egyenirányítod a fűtőfeszültséget, és stabilizátort használsz. A csövek enyhe aláfűtése még növeli is az élettartamot, de a túlfűtés, és a jelentős aláfűtés csökkenti. |
Bejelentkezés
Hirdetés |