Fórum témák
» Több friss téma |
Fórum » Áteresztő stabilizátor FET-tel
1., A két 3R3-at kicseréled kb. 0,3 ohmra.
2., a fetre jó nagy borda kell, nem árt ventilátorral fújatni. 3., a puffert max. 10 volttal kevesebbre tudod csak megközelíteni a kimeneten. Van pár hiba: alsó elkók polaritása, alsó BC... nézd át. A hozzászólás módosítva: Júl 7, 2019
Lehet egyszerűbb valami hasonló tranzisztorost keresni.
Kinek mivel van kedve kísérletezni a fiókból..
![]() Mondjuk nekem is megy 2 fetes is, 10 és 20 amperre, sima....
Akkora feszültségre a poti is és a gate ellenállások is nagyok. Nekem ez már vagy 10 éve működik, nagyobb fesszel és kisebb árammal, végfokokat szoktam éleszteni róla.
1. próbáltam 0,2 Ohm-al is valami 3...5Amper jött ki de a fesz 0 voltra leesett.
2. Azt tudom van jó kis frekiváltóból kiműtött ventis bordám Igen gyakorlatilag sorba kell kötni a két elkót, igazad van, akkor a negatív oldali BC-nek pedig PNP-nek kell lennie.
Köszönöm meg fogom próbálni, nekem csak 2x2 Ampert kell tudnia.
A 0.2 kevés lesz és 2 ampert írtál/kértél... a 0.3 ohm az sacc 2,.. ampernél korlátozna.
Nos akkor így ki fogom próbálni, azért így párosítottam a FET-eket IRF840 és SFP9634 mert nincs párba FET-em és olyat kerestem aminek a Drain Source ellenállása a legközelebb esik egymáshoz (ezeknek 0,8 Ohm) azt is tudom, hogy a 139-140 kicsit erős oda de egyenlőre ezekkel fogom kipróbálni, aztán majd lehetséges, hogy keresek hozzá kisebb áramú tranyó párokat.
Nos összeraktam és egész jól működik. Áram van szépen a fesz alig esik 13,7-ről 13,3-ra zárlati terhelésnél. A be és a kimenet között 2 volt differencia van ami elég jó. Még egyszer köszönöm a kapcsolást Ge Lee!
Azt is tartsd szem előtt, hogy lesz vagy 38-40V DC a betáp, azt ha 2A-en rövidrezárod akkor 80W körül fog disszipálni a FET. Rövid időre kibírja, de tartósan nem fog tudni annyit elfűteni mert megfő. Szóval vagy combosabb fetek kellenek, vagy csínján kell bánni a rövidzárral. Vagy kell 2-2db párhuzamosan és azok már elfűtik azt a hőt.
Összeraktam a másik oldalt is plusz rákötöttem a toroidot amiből 2x32VAC jön ki, DC-ben ez +-45 volt.
Beállítottam 2*10 voltot, majd egy 7,5Ohm-os ellenálláson áramot mértem nos az a 20 volt leesett 11 voltra de az áram szépen kijön rajta.
Végül kipróbáltam az akkus fúróval is. Nos hát beállítottam 13 voltra de miután elindítottam a fúrót leesett 6 voltra és 1,2 Ampert vett fel felpörgött állapotban. Szóval kb ugyan az mint volt ugyan úgy esik a feszültség bár már nem annyira. Valamit elrontottam vagy ezen még valamit módosítani kéne? A graetz után plusz ágban 2 1000µF 63 voltos kondi van bekötve és ugyan így a negatív ágban is, tudtommal tápok pufferelésénél amperenként kell 1-2 ezer mikró tápfeszre méretezve, mivel a trafó 1,8 A-os áganként (elvileg áganként annyi ahogy fel van tüntetve rajta, tehát összesen 3,6 amperos) így egy ágra elég 2000µF de a másik az, hogy a fúró nem is terhelte 2 amperre mégis elég sokat esett a feszültség.
Ez a táp nem egy stabil szerkezet és a fetek miatt meg főleg..
Ha sokat esik a puffer ( mérd meg üzem közben ! ), a fetek relatív nagy nyitófesze miatt leesik a kimenet feszültsége is. Üzem közben tekerd feljebb a potit 12 voltra és úgy nézd meg, mennyit fogyaszt a fúród... aztán tekerd vissza, mert kisebb áramnál ( más akármi ) kisebb lesz az esés is. Nem mindegy ám, hogy 100 voltról indulsz tized amperekkel, vagy a feléről sem 2 amperrel.. A trafód pedig nem 3.6 amperes, hanem csak 1.8.... A hozzászólás módosítva: Júl 7, 2019
Hát akkor a 2000µF-nak pláne elégnek kellene lennie, annyi, hogy a kimenetre nem raktam elkókat, na majd holnap még megnézem, hogy úgy milyen.
A nagy hajtásban pár lényeges dolog lemaradt, ha nem változtattál a rajzon időközben..
- a gate és a gnd között nincs semmiféle stabilizáló eszköz vagy áramkör ( a gate és a source közötti 12 V zener csak az átmenetet védi ! ); - a gate és a gnd között nincs szűrés - mivel az osztó körben csak mA-ek szaladgálnak, pár µF akkor is elkelne. Úgyhogy ne csodálkozz a nagy fesz esésen, mert a drain-kör hullámzása leosztva ott van a gate-n. Az áramhoz annyit, hogy régen kéttekercses kétutasban sacc 60 %-kal több áramot engedtünk meg, de nálad figyelni kell arra is, hogy ez a tápod +/- és csak az egyik oldal terhelése esetén érvényes. Hozzátéve a fentieket is, valamint a fúrós esetedben megengedett lenne a 3 amper a trafóról, viszont megfogatod a tranyóval 2 ampernél. A 2200 µF is kell mindenképpen.
Még nem csináltam vele semmit.
De van egy ötletem kibővítem egy áramgenerátorral. Látni, hogy a nagy áram az áramgenerátoron folyik, a FET-en csak kis áram folyik de a feszültség szabályozást elvégzi. A terhelés rákapcsolása után ugyan esik a feszültség (29,3 voltról 25,2 voltra) de ez már nem olyan nagy esés. Talán így működhet.
Meg csináltam, és szépen folyt az áram a tranyón, 7,5Ohm-os terhelésnél fűtött is 15 volton majd feltekertem 43 voltra, ott már 3,3 amper folyt de a bd242 fel is adta.
Nem csoda...
1., a BD242 nem odavaló; 2., a 100 mohm 6 amper környékén kezdene védetni.. Azt meg nem értem, minek 2 áramhatárolás "kísérlet" 1 tápnál?
Mivel 1,8A-os a trafó a bd242 elég oda az 3A-os, csak a korlátozó ellenállást kell úgy beállítani. Most valamiért nem akar működni kicseréltem a 242-t de a 43volt átszalad az egészen és nem tudom szabályozni. Asszem akkor az áramgenerátoros dolgot hagyom, amit írtál a szűrésről, gate és föld között azt ki próbálom.
A trafód és a BD kapcsolatáról csak annyit, hogy tegnap leírtam már: egy oldalon kibírja a 3 ampert is a trafód, de ez a BD nem.
A BD ( és általában minden félvezető ) határáramát pedig nem kellene kihasználnod. Azt is figyeld, hogy a maximális disszipáció hány fokos hőmérsékletnél érvényes ( adatlap ). Ha ezt túlléped bármelyik oldalról ( mert nem méred ), akkor így jársz.. Hogy jön az előző rajzodhoz vagy szimulációhoz a 43 volt? Ott csak 30 V puffert láttam. Nem ártana egy dologról beszélned. Ha 43 voltról ment és huszonvalahányat vettél ki, még szép, hogy meghalt a BD a melegtől. Idézet: „a 43volt átszalad az egészen” A tényleges rajzot rakd fel, ne kitalált adatokkal és mérd meg az előfeszültségeket, hátha "felemelted " a gnd-ről a poti alját..- vagy még meghalt más is. A hozzászólás módosítva: Júl 8, 2019
Nem akarom én kihasználni a max áramát, csak most tesztnél mégis csak jó megmérni, hogy mennyi az áram és a feszültség esés. A 43volt az a toroid utáni egyenfesz, elnézést a kavarodásért. A szimulációban csak az áramgenerátor működését teszteltem. Egyébként más nem halt meg mert szabályozza a feszt ha az áramgenerátort kiveszem.
Am raktam kondit gate és föld közé de még rosszabb lett még annyira sem tudtam terhelni mint azelőtt. A hozzászólás módosítva: Júl 8, 2019
Raktál valamit valahová..- ki tudja, milyen lett a kapcsolás, de hogy nem jó, az tuti.
Én nem azt írtam, hogy csak egy kondi, aztán kész..- ezt ne is írd. Nézzél meg egy régi, hagyományos áteresztő kapcsolást, ahol van egy hibajel erősítő tranyó is. Emitterében a gnd felé egy 4.7-es zener pl., ami a kimenetről kap pár mA előfeszítést, a bázisában a szabályzó osztó ( kimenet és gnd között ) és a kollektora húzogatja a mostani gate-t. Onnan még menjen pl. 4k7.. 5k6 a pufferre. Nehogy már le kelljen rajzolnom! Az áramhatárolás maradjon úgy, ahogy először próbálkoztál, csak a 0.33 ohmmal a source-ben..
Értem és igen igazad van. Meg is találtam amit leírtál sőt komplett PDF-et is találtam. De én kigondoltam egy korszerűbbet ami ugyanezt tudja kevesebb alkatrésszel.
Egy LM317 helyettesítőképét építettem meg és szépen lehet szabályozni a feszültséget.
Remélem, kipróbáltad 43 voltos pufferrel, 12......24 volt kimenő között is pl. 8 ohmos terheléssel, közben mérve a feszültséget, amit előzőleg üresben beállítottál.
Aztán Uüres-Uterhelt és Iki, pl. 2 voltos Uüres lépésekben. Csak utána tedd fel a kapcsolást. A hozzászólás módosítva: Júl 9, 2019
Sziasztok, talán jó topikba kérdezek.
Van egy hordozható kis kütyüm, névlegesen 12V de 14-14,5 voltról még simán bírja. Óvatosságból építettem hozzá egy tirisztoros védelmet ami 14,5 voltnál nyitja a tirisztort és így kinyomja a biztosítékot. Ez sajnos autós üzemben nem ritkán előfordul, felszalad a töltés pár pillantra 14,8 környékére és megszólal a védelem. Azért (is) vigyázok rá ennyire mert a kütyü 100ezer ft körül van értékben és sok munkám is van benne. Hogyan lehetne fetes stabilizátort építeni a kütyü elé, 14 voltig mintha ott se lenne, átereszt a fet és pár 10mV esik rajta, ha megnő a feszültség akkor meg átmegy stabilizátorba, nem enged a kimenetére 14 voltnál többet. A fogyasztás csúcsban max. 2A, ez ritkán, pár másodpercig, jellemzően az üzemidő 90%-ában 0,8A alatt van. Ha kell hűteni is tudom az áteresztő fetet. Tranyót nem akarnék, azzal pofonegyszerű lenne de azon folyamatosan elveszik 0,6-0,7V és az akkus üzemnél minden W számít nekem. Ugyanez okból hanyagolnám a 2-3 nagyáramú diódát is a táppal sorosan. Erre kérnék valami ötletet vagy iránymutatást.
Összedobtam egy rajzot. Szimulátorban működik (TINA), talán a gyakorlatban is menne.
Áramkorlát (zárlatvédelem) nincs benne. A hozzászólás módosítva: Máj 28, 2022
Szia!
Ha aktív a töltés, akkor nem gond a veszteség. Ezért én úgy csinálnám, hogy egy sima áteresztős stabbal beállítanék mondjuk 12,5V-ot. Vele párhuzamosan pedig egy power fet, ami kisöntöli a stabot, amikor a töltési feszültség leesik 14V alá. A "mintha ott sem lenne" csak úgy értelmezhető, hogy amikor a fet nyitva van, akkor csak a minimális csatorna ellenállásán eső feszültség a veszteség. A fet vezérlését pedig alacsony fogyasztású erősítő, pl.: TL061 végezhetné.
Én odatennék egy LT1085-12 LDO stabilizátort. Pontos 12V 3db alkatrésszel, 3A áramig.
Az LT1085-12 esetében 1V körüli a maradékfesz (messze nem n*10 mV-os), nem nagyon lehet kapni, ahol meg igen ott nettóban 3000Ft felett van.
Igen de ő úgy gondolta hogy 14 voltig a fet párhuzamosan kinyitva pár 10mV, 14V felett a fet lezár és belép a stab ic. Aminek így ebben a felállásban meg kell fejelni 3-4 diódával a talpát, vagy egy sárga led is jó, akkor 13,8-14V.
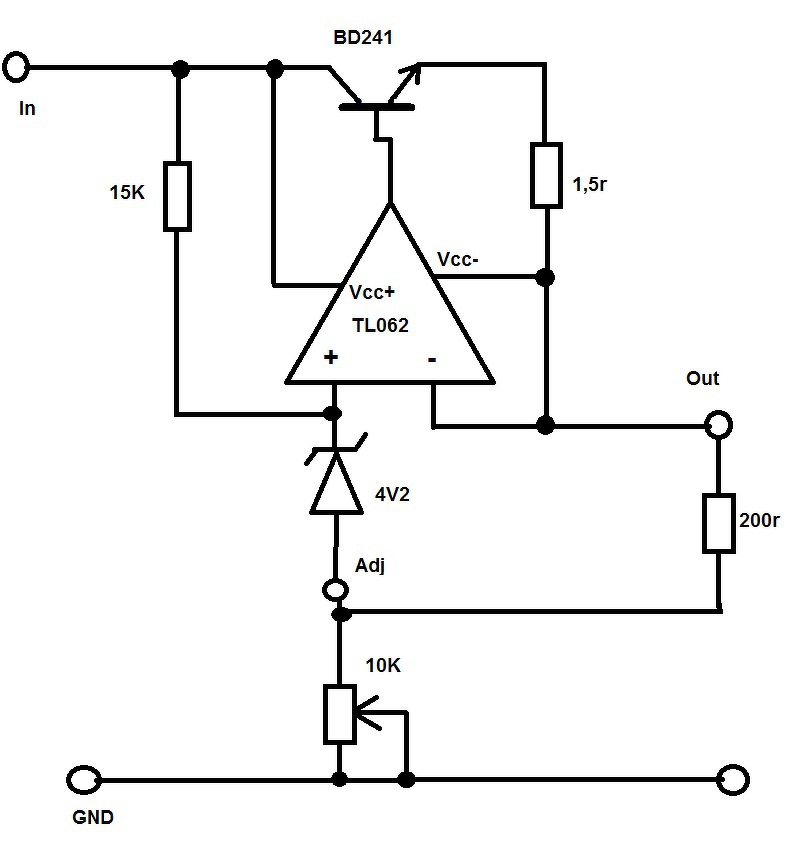
Így elég közel kerülnek az átkapcsolási feszültségek egymáshoz. Ehhez még stab ic se kell, elég egy közepes npn teljesítménytranzisztor+zener. A fet vezérlését valahogy meg kell oldani, TL431 meg valami körítés. Nekifekszek ![]() Skori rajzát is összedobom hétfőn (addig sajna nem vagyok otthon) és megsasolom hogy működik. A rajzon az alsó tranzisztornak mi a szerepe a feszöltségosztáson kívül? |
Bejelentkezés
Hirdetés |




























