Fórum témák

» Több friss téma
Fórum » Elektronikában kezdők kérdései
- Ez a felület kizárólag, az elektronikában kezdők kérdéseinek van fenntartva és nem elfelejtve, hogy hobbielektronika a fórumunk!
- Ami tehát azt jelenti, hogy a nagymama bevásárlását nem itt beszéljük meg, ill. ez nem üzenőfal!
- Kerülendő az olyan kérdés, amit egy másik meglévő (több mint 17000 van), témában kellene kitárgyalni!
- És végül büntetés terhe mellett kerülendő az MSN és egyéb szleng, a magyar helyesírás mellőzése, beleértve a mondateleji nagybetűket is!
Lapozás: OK   3343 / 4062
(#) zaza99 válasza lelkes amatőr hozzászólására (») Júl 24, 2019 /
 
Uni-t UT58D az 58E is ilyen hangos
(#) bitmixer válasza zaza99 hozzászólására (») Júl 24, 2019 /
 
Úgy zárd vissza a dobozát, hogy a buzzerre teszel egy alkalmas vastagságú szivacsot (hogy enyhén szorítsa csukott állapotban).
(#) Rekuci hozzászólása Júl 25, 2019 /
 
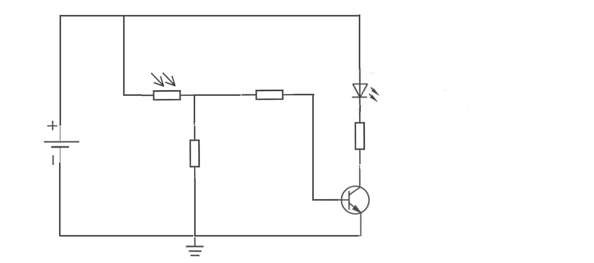
Ez a kapcsolás működhet alkonykapcsolóként? Az alkatrészek értékeit hogyan tudnám megválasztani?

kapcsolas.jpg
    
(#) vargaf válasza Rekuci hozzászólására (») Júl 25, 2019 /
 
Ez a kapcsolás fordítva működik mint egy alkonykapcsoló. A fotoellenállás értéke fény hatására csökken, a feszültségosztó kimenetén a feszültség emelkedik, a tranzisztor kinyit, a LED világít. De találsz itt segítséget:
Alkonykapcsoló
(#) spgabor hozzászólása Júl 26, 2019 /
 
Sziasztok!
Van egy lehet, hogy buta kérdésem. Adott egy 4s lipo akku pakk, ami 4,2Vx4, tehát 16,8V, ha teljesen fel van töltve. Szeretnék belőle levenni 5V-ot egy vezérlő áramkör számára. Ehhez van itthon korábbról AMS1117 5V smd stabkockám, ami megfelelő is lenne, csak a kocka adatlapja szerint a bemenete max 15V lehet. Gondoltam rá, hogy a bemenet és a lipo pozitív lába közé teszek három diódát sorbakötve, így 2,1V-ot esve már határon belül vagyok. Vagy egy ellenállással kellene a diódák helyett? Olyan megoldást szeretnék, ami egyszerű és nem okoz túl nagy plusz fogyasztást. Ha esetleg van okosabb ötletetek, akkor azt szívesen fogadnám.

Köszi és üdv.:
spgabor
(#) pipi válasza spgabor hozzászólására (») Júl 26, 2019 /
 
Felejtsd el, zabálja az áramot. inkább vegyél mp1584 modulkát, jóval kisebb az üresjárási áramfelvétele
(#) storm hozzászólása Júl 26, 2019 /
 
Sziasztok, szerintetek melyik áramváltó földelés a helyes és miért? Első esetben közvetlen az áramváltók kapcsai vannak földelve, második esetben pedig elmegy a sorkapocsig minden kivezetés és majd ott lesznek földelve.
A hozzászólás módosítva: Júl 26, 2019

ct.png
    
(#) spgabor válasza pipi hozzászólására (») Júl 26, 2019 /
 
Köszi! Ahogy nézem, nem érdemes építgetni, rendeltem egyet ebay-ről készre szerelve 230 forintért.
(#) Kovidivi válasza storm hozzászólására (») Júl 26, 2019 /
 
Ha a kábel soros ellenállása elhanyagolható a lezáró ellenálláshoz képest, akkor lényegtelen.
Ha nem elhanyagolható, akkor sem történik sok dolog, mivel a feszültség esést az ellenálláson méred, csak a tekercs lezáró ellenállásánal figyelembe kell venni, hogy nem simán a mondjuk R1 terheli, hanem ennél nagyobb ellenállás. Ha lesz kalibráció, akkor ígyis-úgyis lényegtelen, mert nem befolyásolja az értéket.
(#) storm válasza Kovidivi hozzászólására (») Júl 26, 2019 /
 
Főleg erősáramú alkalmazásnál lennék kíváncsi, az ellenállás már magát a műszert képviselné, annak is a belső söntjét.
(#) pipi válasza spgabor hozzászólására (») Júl 26, 2019 /
 
Ja. Kiegészítésképp: az ebayos mp1584 modul nyugalmi áramfelvétele 0.2mA. A potijában nem bíznék, ki kell cserélni fix ellenállásra, mostanában más is írta is valamelyik topicban.
(#) csanyipal hozzászólása Júl 27, 2019 /
 
Tisztelt hobbielektronikások!

Okostelefonra vannak szúnyogriasztó alkalmazások, melyek ultrahangot bocsátanak ki.

Az okostelefon hangszórója nem biztos, hogy sugároz 20 KHz fölötti tartományban.

Mivel van kettő ultrahangon is sugárzó hangszóróm ( Conrad -től beszerezve ), lehetséges-e a következő?

Egy okostelefonos fejhallgató két hangszóróját levágom, s a huzalokat erre a két Conrad -os ultrahangos hangszóróra forrasztom. Működne ez így? Vagy nem lehet csak úgy bármilyen hangszórót csatlakoztatnunk az okostelefonhoz?
(#) vargham válasza csanyipal hozzászólására (») Júl 27, 2019 / 1
 
A szúnyogokat nem zavarja semmilyen hang, így nem érdemes ilyesmivel foglalkozni.
(#) nagym6 válasza csanyipal hozzászólására (») Júl 27, 2019 / 1
 
Nem ismert a hangszóród, de nem lehet csak úgy bármilyen hangszórót telefonhoz csatlakoztatni. A szúnyogriasztók piezó hangszórók, nagy energiájú meghajtással. Még nem hallottam olyat, hogy hatékony lenne a gyári riasztó, mint előttem írták, ezek szerint nem is lesz jó.
(#) morgo válasza pipi hozzászólására (») Júl 27, 2019 /
 
Semmi értelme ellenállásra cserélni a trimmert. Mitől menne tönkre? Egyszer be kell állítani a kívánt feszültséget, aztán békén hagyni. Örök élet +1 nap.
(#) csanyipal válasza vargham hozzászólására (») Júl 27, 2019 /
 
Örülök a válaszodnak.

Mindazonáltal, van-e valahol a világhálón olyan tudományos írás, amely ezt a tényt közli?
(#) Gafly válasza csanyipal hozzászólására (») Júl 27, 2019 /
 
Ha ez neked tudományos?
Interneten mindenre találsz érveket, meg ellene is.
Pontosan mit is szeretnél?
A hozzászólás módosítva: Júl 27, 2019
(#) vargham válasza csanyipal hozzászólására (») Júl 27, 2019 / 1
 
(#) Sanyesz5 hozzászólása Júl 28, 2019 /
 
Sziasztok! Egy olyan kérdésem lenne, építettem egy feszültség osztót több 10 kV ra, szépen megy is, de, vannak kábelek amik összeszedik a feszültséget, pl a multiméterhez menő, vagy az alapműszerhez menő kábel. Mivel tudnám ezt szűrni?
(#) (Felhasználó 116638) válasza Sanyesz5 hozzászólására (») Júl 28, 2019 /
 
Használj árnyékolt vezetékeket/kábeleket.
EMC szűrés is javíthat dolgon, a jelvezetékek végén.
(#) spgabor válasza pipi hozzászólására (») Júl 29, 2019 /
 
Köszi, hogy szóltál, de fix kimeneti táposat rendeltem, ezért ebben nincs poti.
(#) vargham válasza spgabor hozzászólására (») Júl 29, 2019 /
 
Én azt a verziót használom, ahol van poti, és vannak átkötések fix feszültségre (1.8, 3.3, 5, 9, 12) is. Nem kell többfélét tartani itthon.
(#) pipi válasza vargham hozzászólására (») Júl 29, 2019 /
 
Hali!
MP1584 chippel nem láttam ilyen fixen állítgathatót. Adsz linket?
Többféle chipet próbáltam, telepes üzemre, alacsony saját áramfelvételre ez a chip tűnt legjobbnak
(#) spgabor válasza vargham hozzászólására (») Júl 29, 2019 /
 
Köszi a tippet. Rákeresek és rendelek olyat is majd, úgyis elhasználom. Ezt most úgy vettem, hogy rákerestem ebay-en, a legolcsóbb találatok között volt, jó is nekem, úgyhogy rendeltem is.
(#) vargham válasza spgabor hozzászólására (») Júl 30, 2019 /
 
(#) Gyuszi83 hozzászólása Júl 30, 2019 /
 
Sziasztok ! A képen egy Bosch mosógép vezérlőpanelja van és v.színű, hogy a relé zárlatos lett benne, bekarikáztam azt a részt ahol égett, kormos volt ( azóta le takarítottam ).
A nyilazott zener diódán oda és vissza is zárlatot mérek, ami körülötte van kettő zeneren oda és vissza is mérek, de nem zárlatos. Létezik kétirányú zener dióda, ezek azok lennének ?
Lenne még pár kérdésem, ha valaki úgy döntene, hogy segít benne.
Szeretném megjavítani, ha meg lehet. Kezdő vagyok, ne várjatok túl sokat tőlem
Köszönöm !
(#) pompidu válasza Gyuszi83 hozzászólására (») Júl 30, 2019 /
 
A panelen lévő vezető a fekete relé mellett javításra szorul az biztos.
Azért mérsz egyik és másik irányban is valamit mert ott van a relének a tekercse és azt is bele méred. Pontos méréshez ki kell forrasztani a gyanús alkatrészt és úgy megmérni, így kapsz pontos és megbízható értéket.
Amúgy nem zéner dióka lesz az, hanem valamilyen sima egyszerű egyenirányító (azt szoktak rakni a relék behúzótekercsével párhuzamosan, ezzel védve az áramkör többi elemét)
Ha kiszedted a relét és a diódát utána mérj a behúzó tekercs körébe zárlatot test felé, gyanítom, hogy lesz és a relét vezérlő tranzisztor is cserére fog majd szorulni.
(#) JZoli válasza Gyuszi83 hozzászólására (») Júl 30, 2019 /
 
A bekarikázott láb, pont a tekercs kivezetése. A panel felületén a koszolódás, és nedvesség hatására kúszóáram alakult ki a közeli erősáramú fóliacsiktól. Ez okozhatta a dióda tönkremenetelét. Az nem zéner, hanem egy feszültség "visszarugás" gátló dióda, és védelmi célokat szolgál. A nyilazott rész fölött van egy SMD tranzisztor, azt mérted? Jó? Ha igen akkor csak a diódát kell cserélni, és betenni az eredeti relével csereszabatos új relét, és próbálhatod is, bár én az elolvadt rézfólia helyét is kipótolnám, és lelakkoznám még a próba előtt.
Egy áramkörben kiforrasztás nélkül elég csalós lehet méregetni a félvezetőket. Szerintem a többi diódával nem lesz baj!
A hozzászólás módosítva: Júl 30, 2019
(#) Gyuszi83 válasza JZoli hozzászólására (») Júl 30, 2019 /
 
Igazatok volt a tranzisztorral kapcsolatban. A képen a két piros pont közt zárlatot mérek, így gondolom az nem jó, vagy lehet, hogy ki kellene szedni és úgy rá mérni ?
Honnan tudom ezeket az alkatrészeket beszerezni, hogy keressek rá ?
Tranzisztorra 1GW és felette 50 vagy 05 van írva. Nem látom rendesen.

Köszi a segítséget !
(#) pipi válasza vargham hozzászólására (») Júl 30, 2019 /
 
Ha a kimenetére nem kötsz semmit, megmérnéd az áramfelvételét?
Köszi
Következő: »»   3343 / 4062
Bejelentkezés

Belépés

Hirdetés
XDT.hu
Az oldalon sütiket használunk a helyes működéshez. Bővebb információt az adatvédelmi szabályzatban olvashatsz. Megértettem