Fórum témák
» Több friss téma |
Fórum » Kábeli zűrzavar, avagy a drótok, alkatrészek hatása a hangra
Témaindító: highand, idő: Aug 12, 2009
A téma átmenetileg fagyasztva lett, hozzászólni nem tudsz!
Idézet: „Amíg nem hallja az ember nincs miről beszélni.”
Természetesen részben egyetértek veletek!
Azonban van egy-két dolog még. Mekkora a huzalozás hossza egy IC-ben? És mekkora egy diszkrét áramkörben? Az IC kivezetéseinek huzalozása akár aranyozott is lehet a lábaiig. Válogatott, stimmelt alkatrészeket tartalmaznak, tévednék? A Bursonra is azt mondta Karesz, hogy olyat Ő tud csinálni olcsóbban. Azonban elfelejtette megnézni, hogy honnan, milyen alkatrészeket rendelnek hozzá a gyártók. Szóval, van azért egy-két érdekesség a részletekben, amiből a hangzás származik. Természetesen mindig lehet valami jobb. Előre!
Szia! Csatolok képet.
Nem lennék meglepve, ha kiderülne, ezeket a modulokat indiai gyerekek forrasztgatják éhbérért. Idézet: „Válogatott, stimmelt alkatrészeket tartalmaznak, tévednék? A Bursonra is azt mondta Karesz, hogy olyat Ő tud csinálni olcsóbban. Azonban elfelejtette megnézni, hogy honnan, milyen alkatrészeket rendelnek hozzá a gyártók.” Beszélgetés gyanánt. Említetted a Bursont, képeid alapjàn smd alkatrészek vannak benne. Lehet léteznek, de én mèg nem hallottam audio smd alkatrész megkülönböztetésről. Míg audio tht fetről igen. Persze létezhetnek audiofil smd alkatrészek is. Én úgy csinálnàm neves audiofil gyártóként, hogy veszek 1000 db tranzisztort. Legyen 100 dollár, kijön mondjuk 50 pár. Beépítem, eladom. 70x50=3500. A többit meg el is tudja adni. Lehet, hogy nem stimmel a matekom, de arra akartam rávílágítani, hogy szerintem ebben a hüde válogatott audiofil alkatrész misztikum mögött sincs semmi. Ennyit a honnan-milyetről. Házilag sem lenne màs törtènet, veszek 100 darabot, abból csak kijön egy pár. A többit eladom. Huzalozás. Nem hinném, hogy a Bursonnak nem közönséges nyàklapja van és ezüsttel van forrasztva. Borneó és Celebesz, magyar volt és magyar lesz! A hozzászólás módosítva: Aug 11, 2019
Szia!
Amit linkeltem képet a tok belsejéről, igaz elég rossz minőség, de látszik a "benzinlámpás" forrasztás. Tulajdonképpen egy gányolás. A Marantz HDAM kockái egy kicsit szebbek optikailag is. De nem is azért tettem fel a képeket, hanem hogy mi van a belsőben. Mivel láthatóan könnyen hozzáférhető a kapcsolás, én már nem is rakom fel nagyban, de a lényeg a lényeg, egy gyárilag párosított duál jfet egy tokban a fejvakarós része az után építésnek. Valójában arra is vannak trükkök.
Látom Te sem szeretsz olvasni, csak találgatsz!
És ez meg nem mese oldal a címe szerint. És ha annyira akarsz mesélni nekem, tedd azt személyesben, mint eddig, ne itt okoskodj témához méltatlan személyeskedéssel. Előre is köszönöm megértésed!
Lassan mindenkinek megtiltod, hogy a témába írjon??? Szép!
Nyiss inkább egy új témát: "Mek-elek blogol, belépni tilos!". A hozzászólás módosítva: Aug 11, 2019
Azt nem tudom, de én boldogan tenném. Mármint boldogabban, mint a mostani melóhelyemnek. Itt csak süketülök.
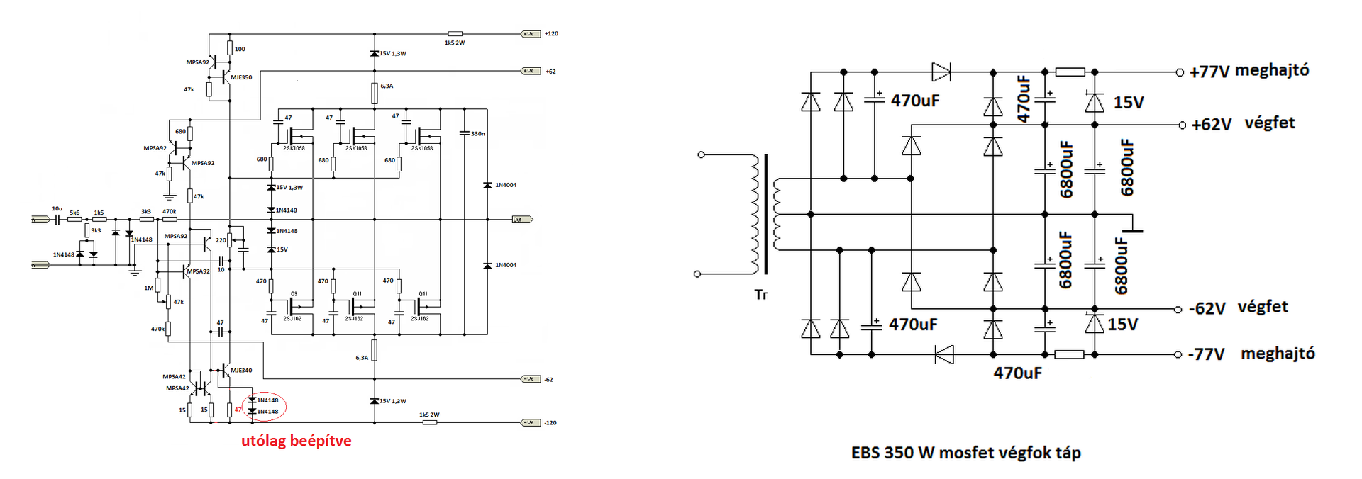
Hibát én is látok sokat benne, például kezdjük a végfetekkel. A feteknek mindhárom lába között van kapacitása, és ez "N" csatornásnál nem annyi mint "P" csatornásnál. Maga a gyártás sem egyforma, hiszen olyan ez mintha kellene választani két állatot amiből az egyik előre, a másik hátra megy. Én egy teknőst, meg egy rákot látok legközelebbinek erre a feladatra. Mind a kettő hidegvérű, mind a kettő vízben úszik, de ezzel vége. Persze ekkor külön kell kezelni mind a két állatot, hogy azok ugyanarra vigyék a szekeret. Nem nagy ördöngösség, csak figyelembe kell venni a két féle fet paramétereit, és kiegészítő alkatrészekkel (ellenállás, kondenzátor) hasonló meredekségűvé, és törésponti frekvenciájúvá kell tenni őket. Erre az egyforma gate ellenállások nem a legjobb választás. Ennek ellenére még így is rendben van, csak mint lehetőséget említettem a kihegyezésre.
A meghajtó rész magasabb feszültség igényét természetesen másképp is meg lehet oldani, akár külön szekunderekkel, vagy külön trafókkal is, de ez egyszerűbb. Mások is így csinálják.
Köszi, ez van nekem is. Természetesen mint oly gyakran ez a rajz is hibás, hiszen a T5 fordítva van.
Az a rajz nem hibás, hiszen T5 nem tranzisztorként szerepel a kapcsolásban, hanem a B-C "diódát" használja (+ a zénert) referenciának a T4-el felépített áramgenerátorhoz (ilyenkor a B-E diódát célszerű rövidre zárni, a rajzon ez is látható). Minthogy T4 azonos T5-el (főként ha válogatjuk) így T4 árama hőstabil lehet (az 6V-os zéner szinte 0 TK-jú).
A hozzászólás módosítva: Aug 11, 2019
Akár így is működik, de szerintem a reloop linkjén van helyesen.
Kedves Kovidivi!
Ne keverjed a dolgokat, nem a kivel van a baj téma szerint, hanem a mit-tel! És ha megkérhetlek, magadnak adjál tanácsot témanyitás kapcsán.
Ami az előzőekben taglalt erősítőt illeti, véleményem szerint,
az árától minősülne audiofilnek? Vagy tán a forrasztás minősége az összes akadálya a Szent Grál oly annyira vágyott hangjának eme szerkezetben? Remélem, megint nem a portást látjátok bennem, amikor csendben megjegyzem, hogy ez inkább lenne témahű a fejhallgató erősítő rovatban, mint ahogy ott sem szerencsés az audiofilkedés.
Onnan látszik a rajz hibája, hogy T4 szaturálna. Nem tartozik a témához, ezért nem részletezném.
Nem tartozik a témához, de szerintem is a Te rajzodon van jól, mert így folyik T6, T8-on kb. 6.5-6.5mA. Ha Zenerként lenne bekötve T5, majdnem 0.6W-ot kellene eldisszipálniuk az MPSA-knak.
Idézet: „Látom Te sem szeretsz olvasni, csak találgatsz! És ez meg nem mese oldal a címe szerint. És ha annyira akarsz mesélni nekem, tedd azt személyesben, mint eddig, ne itt okoskodj témához méltatlan személyeskedéssel.” Kedves Mekk-Elek! Azt kell mondjam, bicskanyitogató kezd lenni a stílusod. Eddig sem fogtad vissza magad igazán, de ez már túl megy minden határon. Mégis... kinek képzeled te magad itt? A folyamatosan jelenlévő ostobaságaidat már csak az agresszivitásoddal tudod túlszárnyalni. Vajon ez csak nekem szúr szemet, vagy másnak is?
Elárulnád ebben a hozzászólásomban ugyan mi volt a személyeskedés? Idézd kérlek.
Gondolom normális válasz nem lesz, szokásosan. De ha tudsz a Burson alkatrészeinek beszerzési, válogatási, összerakási metódusáról valamit, kérlek osztd meg velem/velünk. Vagy csak a marketingmesét osztogatod? Szerintem pont te nem olvasol, főleg ha meglátsz egy neked nem megfelelő hozzászólást, nevet. Karesznek maximálisan igaza van.
Annyiban is érdekes a reloop rajza, hogy kékkel bekeretezték rajta a kis modul tartalmát. Igazából ezért is hoztam fel a témát. Egyetlen duál jfet, meg négy tranzisztor.
Hogy az alkatrészeknél maradjak, megfordult nálam néhány laterális mosfet. Úgy tűnik ezek nagyon hasonló gyártástechnikával készülnek, mert az összesnek szinte ugyanolyan paraméterei vannak. Kis eltérés a teljesítményben van, de a 100W, és a 125W között csupán a tokozás eltérése miatt van. Amelyik 200 vagy 250W-os, azokban egyszerűen két mag van. Mintha egy szakajtónyi szilíciumlapkát egy helyről vásárolna és tokozna sok cég, vagy a gyártás olyan szigorú, hogy a világ két pontján ugyanazt gyártják. A 2SK227, 2SK2220, 2SK135 szinte ugyanaz.
Csekélységem volt a keretező, a montázs jobb oldali ábráját tekintettem mintának, mely előkelő helyen szerepelt a "Goldmund A1" Google keresés képei között. Jelzem, tévedhettem is.
Sokat nem tévedhettél, legfeljebb 1-2 ellenállást.
Itt is van két modul, ezek csupaszok, és alul SMD ellenállások vannak rajtuk. Végül is annyiban térnek el egymástól, hogy az egyik az forrcsúcsra forrasztott, a másik SMD, a harmadikon meg van aranyozott lemez burkolat. De csak négy tranzisztor, meg egy dual jfet.
Nem értelek, Te tudsz magyarul?
Ha megnézed a Burson oldalát, elvégre nagy fiú vagy, ott olvashatod, hogy miből van. Én nem írtam, hogy számomra az elérhető! A süket meg duma nem ide való. Én a tapasztalataimról írtam ez ügyben, de Te miről is? Azt is írtam, hogy szerencsésebb rendszerben alkalmazni, meg hogy nem mindig, minden körülmények között az igazi. Hogy példázzak, például az APEX-be nem. Én nem mesélek, mint Te, hanem vettem ilyeneket és kipróbáltam, és a tapasztalataimat írtam le információnak. Nem csak fanyalogtam, feltételeztem, jósolgattam. Szóval az APEX-ba sajnos nem jó, mivel azonnal túláram adódik, amit hallani is, és azonnali lekapcsolással megmaradt a Burson V5. A művelet ideje 1 mp-en belül volt. A V5 köszöni jól van azóta, és elvan a FH6-300-ban.
Ha már Burson.
Leszögezem hogy nem kukacoskodás miatt írom, de kíváncsi vagyok mit javul egy erősítő hangja, ha teszünk elé egy hiper-szuper buffer fokozatot. Konkrétan itt van ez az LM3886, amit egy Burson buffer előz meg. De hozhattam volna példaként a Marantz HDAM modulját is, amit betesznek a jelútba, vagy egy egységnyi erősítésre beállított csöves fokozatot. Én eddig úgy gondoltam, hogy lehetőleg feleslegesen ne növeljük a fokozatok számát, tehát csupán azért hogy legyen benne még valami, ne tegyük bele. Természetesen ha erősíteni, vagy impedanciát illeszteni kell, akkor érthető hogy egy jó fokozatot használunk, de teljességgel érthetetlen, miért kell egy sem impedanciát, sem erősítést nem módosító fokozat extra fokozat. A lánc erősségét mindig a leggyengébb láncszem határozza meg, tehát nem nyerhetünk semmit, feltéve ha nem éppen ennek gyengesége (torzítása, színezése) miatt tetszik nekünk. Kezdem azt hinni, hogy igen. Bár ez nem egyeztethető az elveimmel, így egy jó darabig kételkedni fogok benne, de nem leszek vaskalapos, elfogadom ha valaki meg tud győzni. Eddig még nem sikerült.
Bár a mesém nem ebbe a topikba való és lehet együl vagyok a nézetemmel, de ezekben a "modul" műveleti erősítőkben nincs semmi különös, sem alkatrészspecifikusan, sem kapcsolàstechnológiailag. Ezzel nem azt mondom, és nem is mondhatom, hisz ugye nem hallgattam meg, hogy rossz hangja van, hanem, hogy aki szeretne, az tud hasonlót, vagy jobbat készíteni. Aki nem, az megveszi, a marketinggel együtt.
Manapság már nem hinném, hogy bárkinek problémát okozna az alkatrészek beszerzése, válogatása, ára. Hirtelen a kezembe akadt 30 db kisjelű tranzisztor. Igaz csak egy pontban mérve, közel 6 db 1 %-on belüli párt találtam. Ezek után nem hiszem, hogy egy modulgyártónak, olyan nagy ördöngösség lenne. És ha nagyon akarom, léteznek egy tokos duàl fetek például. (Érdekes módon ilyet egy modulgyártónál sem láttam, (vagy nem figyeltem) csak jó esetben lapjukkal összefordított alkatrészeket.) Arra kíváncsi lennék, hogy például az egyes modulok mennyire "hasonlítanak" egymáshoz. Itt arra gondolok, ha veszek 10 db-ot és elkezdem cserélgetni, hallok-e vàltozást. Szerintem egy ilyen modulhoz minimum dukálna egy bemérési dokumentáció mellékelve.
Kedves Béla, az első igazán jó hangú erősítőm egy duál mono LM3875-el készült. Két trafóval, dekadikus pufferekkel, az említett Denon ajánlás szerint a földcsillagpontokkal. Annál fedeztem fel a tömör vezeték jobb linearitását a bemeneten, és nem volt abban semmi más.
Ha megnéznétek a Burson irodalmát, akkor világossá válna, hogy mi helyet ajánlják, és milyen cserereferenciái vannak. Én úgy gondolom, hogy a véleménykülönbség nem kizáró ok e tekintetben. Azonban mivel e topik témája a hallható hangzás, annak vélt kellemessége zenehallgatáskor, úgy vélem, hogy nem a mért információ az elsődleges, hanem a hallható benyomás adott készülékről. Azonos vélemény kialakulása igen körülményes, mivel mindenkinél más rendszer található, másfajta zenei anyagot hallgatnak vele, és másfajta elvárások is feltételezhetőek. Éppen ezért itt célszerű azoknak kommunikálni, akik őszinte érdeklődést mutatnak a téma iránt, és nem a vita kedvéért fordulnak itt meg, elrontva a témához kötődök informálódását. A hozzászólás módosítva: Aug 12, 2019
Bevallom, nem tudom milyen a "dekadikus puffer" ezért rákerestem Google barátunkban és valóban léteznek ilyen puffertartályok. Megint tanultam valamit és továbbra is iszom szavaid.
Hogyan állapítottad meg, hogy jobb a linearitása a tömör vezetéknek? Úgy tudom a nemlinearitást +/-dB-ben adják meg. Audiofülre ez nálad számszerűen, hogy alakult? Mi a különbség a Denon és a KT-féle földcsillagpontok között? Látod, ezt sem tudom. Hol található irodalom a Burson-ról? Ezt ugyan már többször kérdeztem tőled, mivel nagyon érdekel a téma, de a mai napig nem kaptam választ. (Na... majd talán most.) Idézet: „Éppen ezért itt célszerű azoknak kommunikálni, akik őszinte érdeklődést mutatnak a téma iránt, és nem a vita kedvéért fordulnak itt meg, elrontva a témához kötődök informálódását.” Erről megint az a véleményem, hogy ebben a topikban kizárólag azok kommunikálnak veled akiket ez a téma érdekel. (Ugyanis a "nem érdeklődők" nem is olvassák.)
Elnézést, ha érthetetlen voltam, a dekadikus puffer alatt azt értettem, hogy a pufferek egyenként 10.000+1000+100+10+1+0.1µF-okból voltak építve.
A linearitás, tömör vezeték, ne feledd, hogy volt nálam az általad agyonmért, így csak jó lehet HTB1.0 készüléked, és mint kiderült hallható voltak benne problémák (nem mérve). No meg még további érdekességek is adódtak vele. Vagyis, ami már említve lett, audiofilben nem a méréseké a főszerep. A tömör vezeték pozitív hatására, próbálkozások során döbbentem rá. Jóval később olvastam csak a vezetékek szerepéről az audiofilben. Én meg úgy vagyok vele, hogy ami jó azt nem méricskélem, hanem örömmel hallgatom. Persze nem árt, ha az ember tart bizonyos tesztelésnél használt anyagokat, amivel összetudja hasonlítani a változásokat. 2005-ből származik a Denon földelési ajánlata. Ha megnézed, KT oldala mikori, adódik kérdésedre a válasz: ha azonos is az információ, nálam a Denon volt az első. A Bursonról, nem értelek, ha beírod, például, Burson V5, láthatod az elérési környezetet. Gondolom kerestél már neten, nem értem a pepecselésed az ügyben, persze, ha tényleg érdekel. Én egy DAC fórumon olvastam róla, és érdekes, lazán megtaláltam. A várható hangzás referenciákkal már több gondom volt, de Te gondolom mérésügyileg érdeklődsz utána, így ezekkel nem akarsz foglalkozni. Ami a topikot illeti, már írtam, nem én nyitottam, csak a tapasztalataimmal szerzett információkat szoktam közölni, a témának megfelelően. Ezek hallható eredmények és nem csupán mértek. Véleményed tiszteletben tartva megjegyzem, hidd el többen érdeklődnek e téma iránt, mint amennyien reflektálnak az itt olvasottakra. Jó magam is olvastam fórumokat, okosságokat is leltem itt ott, de nem szóltam hozzá. A végéhez, nem azt tartom problémának, hogy valakit nem érdekel, és nem olvassa, hanem, ha valakit nem érdekel, meggyőződéses elutasítója e dolgoknak, és idejár szórakozni, és kötekedni.
Helyesbítenék, hiába rég volt, valójában az IC nem LM3875, hanem LM3876 volt.
És ha már felmerült nyugodt szívvel állítom róla, hogy audiofil kategóriás, megfelelő megépítés esetén. Ennek része a gyári ajánlás szerinti kis THD-s verzió kialakítása. Anno, ezért kellett két toroidot is tekertetnem a megfelelő feszre. Ha jól emlékszem, a 3886 a 4 ohmos változat, nagyobb árammal (nagyobb trafók), a 3876 pedig a 8 ohmos.
Újra bepötyögtem a Google-ba, hogy burson v5, de továbbra sem találtam semmilyen (szak)irodalmat róla, csak fizetett hirdetéseket. Ilyeneket lehet látni például teleshop-ban, valamint a manapság Hifi újságoknak elkeresztelt szennylapokban.
Továbbra is él a kérdésem: hol találtál irodalmat a Burson-ról? |
Bejelentkezés
Hirdetés |















