Fórum témák
» Több friss téma |
Nekem a padláson van kihúzva kb 3x12m huzal egyamástol párhuzamossan 1m re és a végén összeöotve, egyfajta L anetnna és jó szolgálatot bitzosít KH és HH-nek is. RH nak 10 vertikális antennám van a wifi antennakábel külseje amit nem használok.
Itt ezen a fórumon kapsz töbféle tranzisztoros RH konvertert amit hozzá tudod kötni ahoz a zn vagy ta ic-hez,egyeseknek HH tekercs kell középfrekvenciának,másoknakk KH. Bővebben: Link
Van ez az én rádióm, modntam földeléssel nem megy. De érdekes ha rákötök egy kb 2 méteres vagy már 1 is elég huzalt és csak ledobom a szőnyegre sokkal jobb a vétel. Ez ellensúlyoz a földelés helyett? Elég mondjuka fejhalgatót rákötni máris jobb.
Az (adó/vevő) antenna alapvetően 2 pólusú szimmetrikus eszköz ... ha csak ellensúly van és nem földre kötve már az is sokat számít mint ahogy látod. Persze lehet 1 pólusú asszimetrikus verzióban is kísérletezni vele.Valahol ott is kialakul a "földszerű" ellen pólusa a rendszernek.
Adás oldalon pl csíp a készülék , mert maga a teljes fém ház próbál mint ellensúlynak "látszani" . Ezt a bent maradt energia illesztetlensége is okozza . Mivel próbál valamerre "kiegyenlítődni" az RF energia. Vétel oldalon se másabb a helyzet. (ott esetleg az anód fesz fog csípni, vagy a statikusan feltöltődött antenna vezeték) A hozzászólás módosítva: Aug 5, 2019
Ez csak vevőkészűlék. Ha rendes fölelést teszek konektorból akkor behal az oszcilátor, alig fog valamit. De haa testre teszek egy huzalt akkor hangossab a vétel. Szeritnem egy nagy dipólal is jól menne a cucc.
Nem teljesen vagyok benne biztos amit írok, de ha regeneratív vevőről van szó,
akkor egy antenna kevésbé terheli meg az oszcilláló részt, mint egy antenna és földelés. Elnyeli, és kisugározza az energiát, az oszcilláció nehezen, vagy eggyáltalán nem fenntartható. Szerintem ha az antenna mellett nem földelés van, hanem egy dipól második elemeként egy antennához hasonló második antenna, az is ugyanazt a hatást éri el.
Jó az földelve is, csak az antenna csatoló kondenzátorának kapacitását kell csökkenteni. Érzékeny vevőknél csupán néhány pF is elég.
Szóval attól hogy külön tekercsen van az antenna földelés még tegyek egy csatollókondenzátort is? Ujjab baj hogy valamia ahzba elekzdte szennyezni a rádióhullámokat, hamarabb is gond volt ezzel, főleg 10 MHz alatt. Azt tudom hogy az eggyik ilyen dolog anyám DVB-t + PC kombinácíója. a gyári rádió is erőssen érzi, KH meg főleg.
Sziasztok! Azóta is kutattam az internetet, és találtam is egy kondenzátort, ami lehet jó lenne. Link A termék értékelésénél többek kommentje alapján a kondenzátor kb. 20 - 400 pF az értéke. Kérdésem az lenne, hogy ez a kondenzátor megfelelő lenne-e ahhoz a rajzhoz amire válaszolok?
Neked oda egy kerámi URH forgó kell vagy bármilyen trimmer ami 20-30 pF végkapacitással rendelkezik.
Ha meg nagyobb lenne akkor egy soros 15-20 pF kondival tudsz rajta csökkenteni. Amit találtál az teljesen kinyitva 20pF nél is több lesz a bekötő vezetékek miatt. Ennyiért már rengeteg jó minőségű csőtrimmert is vehetnél. Vagy a HAMBAZ kerámia forgóit is elküldik neked annyiért : HAMbaz Kapacok (angol, ø6,3 mm-es tengellyel) 2 x 4...12 pF kerámia lepke légtrimmer Ezek elég masszívak , tengelyük van , forgatót is erősíthetsz rájuk. Fémházba fel erősíthetők , anélkül eléggé instabill lesz ez a vevő ... mindenféle szórt kapacok beleszólnak a majd a működésébe. Puskás-börzén is kaphatsz hasonlókat ... pusisbörze időpontok (most vasárnap aug.11-én is lesz) A hozzászólás módosítva: Aug 8, 2019
Ez arra nem jó, ez jó KH és RH ra ra, de oda joe gy atétel mert csak úgy átrepülnek az adók. Neked ilyen vagy ehehz ghasonló kell Bővebben: Link és még ocsóbb is Bővebben: Link
A hozzászólás módosítva: Aug 8, 2019
Sziasztok!
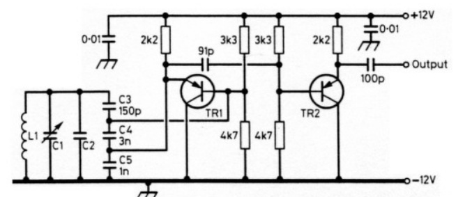
mi a véleményetek az alábbi oszcillátorról? Nagyon stabilnak kellene lenni a neve is :syntethic rock ami már neve alapján is stabilnak tűnik. Kicsit előre dolgoztam, felét meg is csináltam és ki is próbáltam. Ott ahol a 91 pf -os kondenzátor a buffer tr2 fokozathoz átküldi az első fokozat végtermékét, addig építettem meg. tr2 és tartozékai nincsenek készen. Tud oszcillálni, de az amplitúdó 1v peak to peak maximum, néha még kevesebb. A frekvencia tényleg aránylag stabil, de kevés frekvenciát tudtam létrehozni, 4,5 MHz környéke, mert az oszcilláció más esetekben nem jön létre. Esetleg az lehet a gond, hogy c1+c2 kisebb, mint a c3 így a rezgőkörből az túl sok energiát von el? Idézet: „mi a véleményetek az alábbi oszcillátorról?” Definiáld kérlek az "alábbi" fogalmát.
Sziasztok!
mi a véleményetek az alábbi oszcillátorról? Nagyon stabilnak kellene lenni a neve is :syntethic rock ami már neve alapján is stabilnak tűnik. Kicsit előre dolgoztam, felét meg is csináltam és ki is próbáltam. Ott ahol a 91 pf -os kondenzátor a buffer tr2 fokozathoz átküldi az első fokozat végtermékét, addig építettem meg. tr2 és tartozékai nincsenek készen. Tud oszcillálni, de az amplitúdó 1v peak to peak maximum, néha még kevesebb. A frekvencia tényleg aránylag stabil, de kevés frekvenciát tudtam létrehozni, 4,5 MHz környéke, mert az oszcilláció más esetekben nem jön létre. Esetleg az lehet a gond, hogy c1+c2 kisebb, mint a c3 így a rezgőkörből az túl sok energiát von el?
Ez egy földelt kollektoros collpits oszci LC tagokkal.
Mitol lesz stabil? Az elemek hőfok függése ront javit ezen A mechanikus feszültségektől mentesített tekercs test és egyébb összeépítési megfontolások tudják stabilabbá tenni a szabadon futó LC oszcillátorokat. Elkészülése után mesterséges öregítés, többszor felfuteni az egesz egyseget panelt majd lehuteni ....
Tr2 is fontos része az áramkörnek , az tehermentesíti és választja el a külvilágtól az oszcillátort.
Viszonylag nagy bemeneti impedanciája nem terheli az oszcillátor kimenetét , a külvilág felé pedig kis impedanciás meghajtással rendelkezik.
C1 + c2 rezonanciát állítja be ... c3 az is beleszól mint soros "padding" tag .
Leginkább a c4 , c5 aránya módosítja a visszacstolt energia nagyságát . Persze a c4 és c5 is beleszól a rezonanciába ... de mivel 1,5 nagyságrenddel nagyobbak a rezgőkör értékeinél így kevésbe szól bele mint soros tagok. A hozzászólás módosítva: Aug 18, 2019
https://www.robkalmeijer.nl/techniek/electronica/radiotechniek/hamb...x.html
Itt találtam, és elméletileg nagyon stabilnak kellene lennie. A felét csináltam meg, a stabilitás nem is rossz, csak nem akar beindulni az oszcilláció, míg a mousetrap oszcillátorába tehettem 4-30 uH tekercset a forgóval, itt egyféle tekercs+82 pf +forgó ezzel tud menni, 5 MHZ környékén. Az amplitúdó amit lead az is 2v peak-peak helyett .6v peak to peak. A hozzászólás módosítva: Aug 18, 2019
Igen a feszültségerősítést nem végez, amit rákötünk az nagyobb áramerősséget vehet fel.
Kisebb lehet az ellenállása a fogyasztónak. ![]() A mousetrap receiver oszcillátora nagyon stabil, de a feszültség amit lead az kevés a 4066 ic egy kapcsolójának határozott kapcsolásához. Nyilván nem közvetlenül kapcsolgatom vele, hanem kondenzátorral leválasztva, utána potméterrel beállítóm az egyenáramú komponenst, hogy az ic ki, be kapcsolási tartomány közepébe jusson a oszcillátor szinuszának közepe. Ha a osc. jel elég nagy feszültségű, akkor határozottan tudja ki,be kapcsolni az ic kapcsolóját, majdnem olyan jól mintha ideális négyszögjel lenne. A négyszögesítés smidth trigger nem biztos hogy jól működne, megpróbálkozok 2-8 x feszültségerősítéssel az osc. jelnél.(ami sajnos újabb potméter beépítését jelenti, de lehet hogy csak átmenetileg) Van lehetőség 4066 egy kapcsolóját is felhasználni erősítéshez.
Kvázi erösítőként is beköthető a 4066 mint "tranzisztor" egy kaput beáldozhatsz erre.
Vagy egy földelt emmiteres fomozattal emelsz kimenő jelen 5 -6 X erősítéssel. Vagy egy trafóval is emelhetsz szintet . A 4066nak nem kell áram . Raksz a földelt kollektor erosito emmiterébe egy kb 5- 10 menet / 30-40 menet arányú trafót. A magod lehet egy 2 lyukú tv ballun vagy vmi hasonló.
A munkapont beállításával tudsz kimenő szintet állítani.
Ideális esetben a kimenő oldal DC szintje féltápon kell lennie ... ekkor nyerhető ki a legnagyobb szimmetrikus jel. Ha emmiter a kimenet akkor annak kell féltáp környékén lenni (+/- pár tized Volt nem számít) De ha a minél nagyobb kimenő amplitudó a kívánalom akkor lehet tekergetni a bázisnál az ellenállásokat, vagy a kimeneti oldalon is. Persze egy oszcinál a stabilitás romlását is okozhatja a túl nagy kimenő szint beállítása. A hozzászólás módosítva: Aug 19, 2019
A 4066 os egy kapujának felhasználását a Barefoot oldalon láttam,
és a tranzisztoros erősítő tűnik a legkönyebben megvalósíthatónak számomra. A trafós ötlet még jobban tetszik, de nem tudom hogy magot (pl tv balun) honnan szerezzek. Idézet: „A 4066nak nem kell áram .” Igen szerencsére nagy a bemeneti ellenállása a kapcsolást vezérlő bemenetnek. Idézet: „Persze egy oszcinál a stabilitás romlását is okozhatja a túl nagy kimenő szint beállítása. ” Akkor lehet, azért volt olyan instabil egy egyszerű vfo amit próbáltam. Az nagy feszültségszintet adott, ellenben nem volt stabil a frekvencia.
Akkor egy 10.7 KF serleg is jó" csak át kell tekerni"
...Az átviszi az 1- 20 MHz kis veszteséggel ... .05 - 0.1 mm CuZ vel tekerheted, persze a kondit törd ki az aljából. A hozzászólás módosítva: Aug 19, 2019
Olyan serlegem se nagyon van, Nekem csak ami van az ferritrúd, és ferritgyűrűk,
de azok fojtóhoz valók szerintem. Erősítőt kötöttem rá, de nem volt vele egyszerű dolgom. Saját ötletből dolgoztam, kisérleteztem, az eredmény egyelőre még nem kielégítő. Az oszcillátor jele sem kifogástalan, oszcilloszkóppal nézve, mintha meg lenne a jel modulálva egy alacsonyabb frekvenciás jellel. Alacsonyabb frekvencián elég jó, kicsit feljebb egyre moduláltabb lesz, később olyasmi mint a AM moduláció példa a könyvbeli képeken. Még magasabb frekvencián egy nagy hullám, egy kisebb ,egy nagy majd megint egy kisebb.
Kipróbáltam egy ferritgyűrűvel, engem is meglepett de sikerült morzét
sőt ssb-t is vennem. A ferritem valószínűleg nem ideális, de ha az oszcillátor kapna egy buffererősítőt, szerintem lehet arra a négy menetre nagyobb áramerősség kerülne, így a kimeneti 17-meneten stabilabban megjelenne a feltraszformált feszültség.
Arra gondoltam , kipróbálom a 4011 -es ict a jel négyszögesítésére, alacsony
frekvenciákon nagyon bevált. Potméterrel beállítottam az osc. feszültséget a 4011 bemenetének kapcsolási pontjához. A kimeneten igaz nem a 0-9v tökéletes négyszögjel jelent meg, 0-4,5 v -ig ment csak fel, négyszögesítés helyet inkább csak erősített az ic, de ez így is elegendő lett a 4066 -es meghajtásához. Kipróbálom itt is a munkapont emelést, hogy a jelnek ne a teteje, hanem a közepe kapcsolgassa a 4066-ot.
Miért nem készítesz logikai kapuval egyből oszcillátort? Annak négyszög lesz már a kimenete...
Úgy volt régebben a 4011 oszcillált, ferritrudas tekercsel, és két kondenzátorral,
ezt használtam 77,5 KHz hez, de ment jól közel 2MHz-ig. Itt ezen a fórumon valaki kipróbálta, 4011 el tudott oszcillátort csinálni,ami 7MHz-nél kezdett el bizonytalankodni. Én nem törekedtem ezért a 4011 ilyen célú használatára, mert 7MHz-n (40m) még jól kell mennie. Egy már létező oszcillátort próbáltam, amplitúdóban erősíteni, erősítővel, vagy négyszögesítéssel, hogy jól meghajtsa a 4066 mixert. 77,5 KHz-n 4011 oszcillált, majd a 4011 másik kapuja négyszögesített nagyon jól. Próbálkoztam egy másik egyszerű oszcillátorral is, ami nagyobb amplitúdót adott de az nagyon instabil volt. A hozzászólás módosítva: Aug 21, 2019
|
Bejelentkezés
Hirdetés |







...