Fórum témák

» Több friss téma
Fórum » Elektromos távirányítós kapunyitó
 
Témaindító: wital, idő: Ápr 13, 2008
Témakörök:
Lapozás: OK   61 / 143
(#) eudoxia007 hozzászólása Aug 21, 2019 /
 
A fo hiba faktor hogy bizony a motor nem nem hajlandó bekapcsolni hanem búg, 1-2 masodpercig halkan majd utana hangosabban es egy ido utan feladja. Ha rangatom a kaput ha nem. Maganak a motornak a tengelyet csavarhuzoval tudom forgatni mikozben búg, ha sikerul kellokep gyorsan mozgatnom a csavarhuzoval a tengelyt eletre kel. Na de ez elegge tavoli mukodes attol ami eredetileg volt

Talaltam vezerles beallitasra opciot, meg se nyikkan meg egy halk kattanast se hallatt ha kikapcsolom a finom inditast, vagy ha barmely mas kapcsolot az eredeti allasbol kimozditok.
(#) Kékróka válasza eudoxia007 hozzászólására (») Aug 21, 2019 / 1
 
Szia !
Ameddig a motor kondiját nem ellenőrizted kár macerálni a vezérlést.

J.
(#) eudoxia007 hozzászólása Aug 21, 2019 /
 
Rendben. Nekiallok hetvegen ha lesz idom atnezni a motor kondijat. Mar csak az a kerdes hol talalom oket es hany db van beloluk mert kivulrol ranezve csak egy bazi nagy tekercs az egesz :/
(#) janir18 válasza eudoxia007 hozzászólására (») Aug 22, 2019 / 1
 
A leírtak alapján kondenzátor lehet a hibás.
Lassan kiderül, hogy egy eddig működő kapu volt és nem új telepítésű. Lassan esik le.
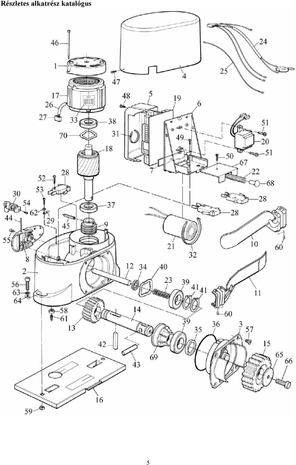
Elvileg egy 14µF kondenzátornak kell lennie. "21" alkatrész.

page_5.jpg
    
(#) uniman válasza eudoxia007 hozzászólására (») Aug 22, 2019 / 2
 
A két fehér vezeték a kondenzátorhoz vezet...
(#) eudoxia007 hozzászólása Aug 22, 2019 /
 
Nagyon szépen koszonom a valaszokat es a segitseget, szedem is ki a regi kondit es amint beszereltem az újat jelentkezem!
(#) zsoltee0001 válasza eudoxia007 hozzászólására (») Aug 22, 2019 / 2
 
Idézet:
„Van egy nice robo 1000 tipusu kertkapu motor, maga a megtestesült gonosz”

Ezt a mondatot átértékelnéd, ha találkoztál volna a többivel, a Robo 1000 nagyon is jó.
Egy kondi miatt ki ne dobd már!
Még annyi, ha benne vagy a forrasztgatásba, akkor azt a fekete hulladék relét kicseréled Omron G2R-2-re, a későbbiekbe még hálás lehet.
Üdv
A hozzászólás módosítva: Aug 22, 2019
(#) eudoxia007 válasza zsoltee0001 hozzászólására (») Aug 22, 2019 /
 
Eszem agaban sincs kidobni. Pont hogy megmenteni akarom mert mar kb 8 éves es csak az utobbi 1-2 evben kezdett el rosszalkodni, mostanra erett meg szervizre( remelhetoleg valoban csak kondi baja van ) meglepoen konnyen hozzaferheto volt a regi kondi szoval este szerelem be az újat meglatjuk mit szol hozza.

Ha a robbantott abran vagy az altalam feltoltott fenykepen megmutatod melyik is az a " hulladék relé " szives oromest kicserelem
(#) uniman válasza eudoxia007 hozzászólására (») Aug 22, 2019 / 1
 
Segítek...a legnagyobb fekete kocka sárga címkével, az a "relé".
(#) zsoltee0001 válasza eudoxia007 hozzászólására (») Aug 22, 2019 / 1
 
Oké, az lesz az amit uniman írt.
Szoktam ragasztani egy tesa darabot a felső csapágynál arra lyukra az alu önvényen, hogy ne hulljon bele szennyeződés, mert idővel visítani szoktak, megéri!
Üdv
(#) kornel válasza eudoxia007 hozzászólására (») Aug 22, 2019 / 1
 
Jó párat javítottam már ebből a tipusból. alkatrészem is van ezekhez bőven.Nem olyan rossz motor az.
A leírt tünetek lapján 99% ban merem állítani hogy a kondi elfáradt.Sok sikert a javításhoz.
(#) eudoxia007 hozzászólása Aug 22, 2019 /
 
Jelentem sikeres volt a műtét. Az uj kondival vigyorogva vegzi a dolgat.

Nagyon szepen koszonom mindenkinek a segitseget!

Relet kesobb cserelem. ( ha mar beszart )
A hozzászólás módosítva: Aug 22, 2019
(#) mraulajos válasza uniman hozzászólására (») Aug 22, 2019 /
 
Hali!
Amit linkeltél itt távirányítót, és írtad, kíváncsi lennél mivel lehet helyettesíteni.? Ott azt írják hogy a fekete gombos, amiről ott kép is van 100% ban megegyezik a sárga gombbossal. Rendeltem egyet, fekete gombost. Természetesen nem veszi a vevő. Most dühöngök, szidom magam. De ezek szerint itt meg lehet kapni. Jobban jártam volna valóban, ha veszek egy új alaplapot. Bele öltem feleslegesen a pénzem.
A hozzászólás módosítva: Aug 22, 2019
(#) mraulajos hozzászólása Aug 22, 2019 /
 
Ki forrasztottam a vevőt. Az üres oldalán van egy elleállás/induktivitás. Nem igazán tudom megáééapítani. Ha jól látom, barna, fekete, arany színgyűrűk vannak rajta. Az ellenállás mérő drótot mutat. Az is lehet, nem is ezzel van a probléma.? Az 5V tápot megkapja.
A hozzászólás módosítva: Aug 22, 2019
(#) mraulajos hozzászólása Aug 23, 2019 /
 
Az automata beállítást tökéletesen elvégzi.

100_5423.JPG
    
(#) mraulajos hozzászólása Aug 23, 2019 /
 
Ha itt a panelen, a rádió beforrasztási pontoknál az adott két pontot rövidre zárom, nem kellene neki beindulni? Vagy nagy butaságot kérdezek? Márcsak hogy kiszűrném, mivel van a probléma.? A panel, vagy a rádi vevő.?
A hozzászólás módosítva: Aug 23, 2019
(#) lelkes amatőr válasza mraulajos hozzászólására (») Aug 23, 2019 /
 
Igen, be kell indulnia, mivel a rádiós rész az adott pontot húzza le testre, így ad impulzust.
(#) zsoltee0001 válasza mraulajos hozzászólására (») Aug 23, 2019 /
 
Szerintem az csak egy RF modul, a kódolost a PIC végzi.
Üdv
(#) lelkes amatőr válasza zsoltee0001 hozzászólására (») Aug 23, 2019 /
 
Meg kellene nézni, hogy az open-close gomb csatlakozik-e a rádiós panel kivezetéséhez. Ha igen, akkor a rádiós rész dekódol, ha nem akkor az elöbbi beírásom érvénytelen.
(#) mraulajos válasza lelkes amatőr hozzászólására (») Aug 23, 2019 /
 
Elszúrtam, hogy a panel másik oldalát nem fotóztam le, de később megteszem, és felrakom. Emlékezetem szerint, az említett gombok nem csatlakoznak a rádió kivezetéseihez. Továbbá, ezket a gomokat folyamatosan kell nyomni nyitásnál is, zárásnál is ahhoz, hogy a kapuszárnyak műkődjenek.
(#) lelkes amatőr válasza mraulajos hozzászólására (») Aug 23, 2019 /
 
Akkor az elöző tippem törlendő.
(#) mraulajos válasza lelkes amatőr hozzászólására (») Aug 23, 2019 /
 
Akkor hogy tudnám kizárásos alapon kinyomozni, hogy mi a hiba?
Itt van mind két oldalról kép.
(#) uniman válasza mraulajos hozzászólására (») Aug 23, 2019 /
 
Ennek a RF modulnak a helyettesítése talán megoldható lenne...de ha a hiba a dekódoló részben van, az IC-ben (PIC), akkor nem nyernél vele sokat.
(#) lelkes amatőr válasza mraulajos hozzászólására (») Aug 23, 2019 /
 
Így, hogy látom a panelt, tényleg nem közvetlen kapcsolójel jön ki a rádiós részből, a PIC dekódolja a parancsot.
(#) lelkes amatőr válasza mraulajos hozzászólására (») Aug 23, 2019 /
 
Az O/C gombot megnyomva megy rendesen a nyitás/zárás?
(#) mraulajos válasza lelkes amatőr hozzászólására (») Aug 23, 2019 /
 
Nem tudom, hogy ezt a O/C működtetést hogy magyarázzam jobban el.
Az új paneleken már igen ilyen kapcsolási pont van, külső vezérlésre. O/C (PP) egy gombnyomásra kinyit, egy gobnyomásra bezár. Ezt az új kiadású SW200 as ok már tudják.
Ez egy nagyon régi vezérlés. Jól nézd meg a képet. Külön kötéspont/panel nyomógomb van az OPEN nek, külön nyomógomb van a CLOSE nek. A kapuszárnyak addig működnek, egyszerre, késleltetés nélkül, ameddig nyomom a gombot. Ez így működik! Így van a leírásában is. Írtam már, hogy autómata beállítást is végig csinálja. Nyit/zár - nyit/zár kb. 4 szer, mikor befejezi.
(#) mraulajos válasza uniman hozzászólására (») Aug 23, 2019 /
 
Ezt szeretném kiszűrni.
(#) lelkes amatőr válasza mraulajos hozzászólására (») Aug 23, 2019 /
 
Ez tényleg valami régi cucc. A neten található leírást néztem, mindenhol egy O/C gomb szerepel. Bocs, hogy mindenfélét írogattam. Most már értem a gondod.
Ha van szkópod, meg kellene nézni, jön-e ki rendes jel ha bármilyen távszabályzót nyomsz mellette. Ekkor marad a PIC vagy a nem hozzávaló táv.
(#) mraulajos hozzászólása Aug 24, 2019 /
 
Hali!
További fejlemény az SW200 Kapunyitóval kapcsolatban.
Sikrűlt nagynehezen a régi tulaj hozzátartozójával a műhelyfiók aljából előkapartatni egy nagyon régi távirányítót/adót. Szerintem ez még az eredeti. Első körbe nem indúlt, rá kellett a vevőre hangolni. A vevő ledje azt csinálta, ahogy az le van írva. Csodák csodájára, tökéletesen műküdik vele. Tehát, a vezérlő elektronika tökéletes. Szeintetek az újat rá tudom e másolni, vagy vissza küldjem.? Az újra az eladó/forgalmazó azt írja, 100% ig kompatimilis.
A hozzászólás módosítva: Aug 24, 2019
(#) uniman válasza mraulajos hozzászólására (») Aug 24, 2019 /
 
315....az akár 315 MHz-et is jelenthet ugyebár...
A hozzászólás módosítva: Aug 24, 2019
Következő: »»   61 / 143
Bejelentkezés

Belépés

Hirdetés
XDT.hu
Az oldalon sütiket használunk a helyes működéshez. Bővebb információt az adatvédelmi szabályzatban olvashatsz. Megértettem