Fórum témák
» Több friss téma |
Fórum » LED-es kivezérlésjelzők
Témaindító: KeserűCukor, idő: Márc 27, 2006
Témakörök:
WS2812-et kösd fixen tápra, a vezérlő elektronikát meg egy 100 ohmos ellenálláson keresztül, ami után rakj egy kondit.
Hello! Ha többet szeretnél tudni, olvasd el STamás-al folytatott eszmecserémet..
Igen, azt hiszem, valami ilyesmi lesz a gond... Összeraktam egy szűz újat. Tökéletesen működik. Azután egyszer csak elkezdett gerjedni minden. Ha megfogom kézzel a tápot, akkor leáll a gerjedés. Most akkor még az lesz a bajom, hogy a kapható 5V-os stabil tápok mind kapcsolóüzeműek már, szóval a szűrőkör már több alkatrészből áll, mint maga a cucc.
Sziasztok
![]() Mivel/hogyan/milyen védel oldanátok meg? Egy 2 sávos kivezérélést (lehet csinálok még 2 sávot hátra majd a jövözenéje) szeretnék az autómba. A jel a hanszorok kimenetröl menne . Ledek tipusa hely hiány és egyszerüsébb kedvéért szerintem egy ws2812 ledek felelnének meg. Segítségeteket előre köszönöm.
Szia! Ha az analóg részt megcsinálod, akkor tudok küldeni hex-file-t Attiny85-re. Majd írj magánban, megbeszéljük, kimaradt panel is van meg Arduino-ra is meg van (volt?) írva.
Sziasztok!
Olyan ledes kivezerlesjelzot szeretnek epiteni ami forditva mukodik. Tehat ha az erositot bekapcsolom akkor csatornankent pl.6db led vilagit. Minel nagyobb a kimenofeszultseg annal tobb led alszik ki. Maximum kimenetnel csak a legalso led vilagit. A masik fontos szempont, hogy mindenkeppen a hangszorora juto feszultseget szeretnem merni. Megoldhato? Kerem aki valaszol az csak az altalam leirtak megvalositasaban segitsen.
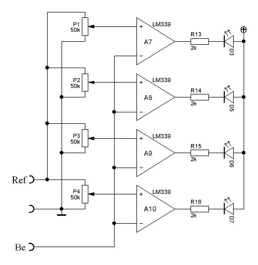
Szia, egy komparátorsorral biztos megoldható, mint a rajzon, csak a diódákat meg kell fordítani és azok a negatív tápra csatlakozzanak. A bemenetére egyenirányítás után a végfok kimenetét kösd.
Koszi a segitseget.
A referencia bemenetre mit kell kotni?
Egy stabil feszültséget, ami magasabb, mint a maximális teljesítményhez tartozó egyenfeszültség. Természetesen az ebből leosztott feszültségek nem lehetnek nagyobbak a komparátorra adható maximális feszültségnél.
Ha segít, itt a nyákja, varia lyukaspanelre készült 8 LED-re, két darab, sztereóban A hozzászólás módosítva: Aug 29, 2019
Hello! Már bocs, hogy "belevau", de a komparátornak nyitott kollektoros kimenete van, így a Led nem lehet csak a tápfesz felől. Inkább a komparátorok bemenetét kellene felcserélni.
Valamint szükségtelen a kazal trimmer, ellenállás osztóval is beállítható a referencia leosztása. A bemenetre pedig nem árt osztó (ahogy írod) De egyenirányítás/szűrés sem ártana. Részben hogy ne félfénnyel világítson a váltó miatt, részben hogy ne kapjon negatív feszültséget a bemenet. A hozzászólás módosítva: Aug 29, 2019
- Igaz.
- A sok poti csak nekem kellett, nem tudtam előre megtervezni a kijelzett teljesítményszinteket. - Igen, a kapcsolás, így nem teljes, egyenfeszre jó.
Hello! Valahogy így célszerű megoldani, persze ügyelve, hogy a Led-ek nyitófeszültségének összege kevesebb legyen a tápnál legalább 1V-al.
Csak részben kapcsolódik ide, de nekem is van egy korábbi "fordított" tapasztalatom.
Fényorgonát készítettem, és arra gondoltam a 3 zenére villogó csatorna mellé kerüljön be egy olyan is, ami akkor világít ha csend van (így akartam elérni, hogy sose legyen tök sötét). Proli adott kapcsolási javaslatot, amit el is készítettem és éppen úgy is működött ahogy azt elképzeltem az elején. De!! A tényleges hatás végtelenül zavaró volt, képtelen voltam jól értelmezni a villogási eredményt. Konkrétan idegesítő volt a fordított lámpa. Mindezt csak azért hoztam szóba, mert jó eséllyel jobban járnál egy normál kijelzővel, annak fényjeleit jobban be tudja az ember agya fogadni.
Sziasztok!
Van valakinek egy mukodo egyertelmu kapcsolasa lm3915rol? 15vdc taprol hajtanam. Nem egyertelmu, az sem hogy kell e ledenkent elotet ellenallas.
Hello! Itt pld. megtalálod. A magas tápfesz miatt, a Ledek tápjával sorba egy 47 Ohm-ot célszerű tenni. Mindezt csak azért, hogy az IC tok hőterhelése kicsi legyen. Egyébként nem kell előtét ellenállás, mert az IC-ben minden kimenetez egy-egy áramgenerátor tartozik. Így a kimenti áram beállítható és állandó. De ha egy-egy Led árama pld. 20mA, a tápfeszültség pedig 15V, akkor a tápból a Led nyitófeszültségét levonva és megszorozva az árammal, megkapható a teljesítmény, ami a tokot fűti. Ezt kell csökkenteni. P=(15V-2,2V)*20mA*10db=2,56W. Miközben a tok kb. 1W-ig terhelhető. Ha bent van a 47 Ohm, akkor azon a feszültségesés U=10*20mA*47Ohm=9,4V A teljesítmény pedig P=10*20mA*9,4V=1.88W. Tehát az IC-re 2,56W-1.88W=0,68W marad. Ezt pedig már elviseli. Az ellenállás minimálisan 2W-os legyen. Remélem így már érthető. A módisítást itt találod.
Koszonom a valaszt. Hol tudom beallitani az aramot?
Egyebkent azt szamolom, hogy -21dB tol mér +6dB ig ha ugy kalibralom be. Nekem boven eleg
Illene elolvasni az adatlapot, ha mér változtatási szándékod van. De az áramot a Ref-Out kimenet áramterhelése állítja be. A Ref-Out és a Ref-ADJ lábak között, az IC mindig 1,2V feszültséget állít be. Így az R8-on 1,2mA áram folyik. Ennek kb. tízszerese lesz a Led-ek árama. Tehát jelenleg tehát 12..13mA közötti áramra lehet számítani. De ha az R8-at megváltoztatod, akkor arányosan változtatni kell az R9-et is mert ha nem, akkor az Ref-Out feszültsége is meg fog változni. A referencia feszültség, pedig a vonatkoztatási szintje az IC-nek.
Koszonom.
Megeipitettem de az a baj, hogy a tap raadasakor vilagit az osszes led. Ha az 5os labat foldre kotom akkor kialszanak. Mit rontottam el?
Tettem ra egy jack dugot. Ha bedugom akkor kialszanak es mukodik, de csak a 4.ledig megy fel a csik. Egy hifi fejhallgato kimeneterol hajtva. Ez normalis? Illetve az normalos, hogy ha nincs bedugva akkor vilagit az osszes led?
A masik, hogy a 10k potit ami a gyari rajzon van hiaba tekergetem semmi nem valtozik. Tudom amator kerdesek de amator is vagyok. A hozzászólás módosítva: Szept 8, 2019
Hello! Legalább egy fényképet feltehettél volna. Mert így látatlanban..
Először is mit építettél meg? Mert amit javasoltam, abban 10k potiti nem látok. Ha nincs rádugva semmi (tehát "szakadt" a bement) és minden világít, az úgy fordulhat elő, ha a bement a GND felé nincs lezárva. Pld. hiányzik az R10 vagy R4. Mert ekkor a műveleti erősítő bemenetén kifolyó nA-es áram "felemeli" az OPA bementi feszültségét. De ha ott van a 22k, akkor erre nem képes. Ha nem világít az összes Led, akkor vagy kicsi az erősítés, vagy kicsi a bementi jelszint. A kapcsolás (ha az Alkotófélét építetted meg) 300mV RMS szinttől már működik. Hogy az erősítőd fejhallgató kimenete mennyit ad le, azt én nem tudhatom. De a trimmert tekergetve változni kell a kivezérlésnek, hiszen az állítja be az erősítést. Avagy ezzel lehet kalibrálni a kelhez a kivezérlés mértékét. Probléma pld. az lehet, (feltéve hogy mindent jól építettél meg) hogy ha a kapcsolásban az R12 v. R6 nem 2,2k hanem mondjuk 220k. Mert ekkor szinte egyszeres az erősítés és a trimmerrel alig változtatható. Viszont ez észrevehető,mert a kijelzés visszaesése sokkal lassabb lesz. Mert annak időállandóját a C4*(P2+R12) határozza meg. A rajz alkatrészeivel ez 0,22sec (a jel 37%-ra való visszaesése). Ha ott 2,2k helyett 220k van, akkor 2,4sec tehát látványosan lassan alszanak el a Led-ek. Egyébként ebben az áramkörben DC csatolás van. Ez két dologgal jár. Nem lehet egyenfeszültség azon a ponton, amire csatlakozik az áramkör. Viszont az áramkör kipróbálható egyenfeszültséggel vezérelve a bemeneten keresztül. Tehát ha pld. egy 1,5V-os elemet kapcsolsz a bemenetre (GND a negatív pont) akkor a kijelzés beállítható a timmerrel a végértékre. ÉS mérhető a fokozatok bármely pontjának feszültsége. (Ami egyébként is ajánlatos, ha valami rendellenesség van a működésében, mert abból kiderülhetnek dolgok..)
Az alapkapcsolast epitettem meg.
Ami a kepen szerepel. R1 es R2 helyere 1kohm ot tettem. Illetve csak az 1 4 6 10 led van bekotve mert nekem boven eleg ennyi. A hozzászólás módosítva: Szept 9, 2019
A mérőerősítőt is megcsináltad hozzá vagy csak annyit, amennyi a rajzon van?
Szerintem az kevés. Volt itt Proli007-nek (Alkotós-reloop-os) csúcs-egyenirányítója, azt még eléraknám.
Sajnos a nyak merete adott amire 4csatornat kene megcsinalni. Nem fer ra mas. Miert keves?
Nem tudom, csak úgy mondtam, valamiféle megérzés. Ha fejhallgató-kimenetről vezérled, akkor szerintem váltófeszt. kell megetetni az ic-vel. Erre van a mérőegyenirányító, merthogy az ic egyenfeszültséget vár.
A rajzon audio in felirat van. Az audio pedig valto. Gondolom gondoltak ra a tervezok.
A hozzászólás módosítva: Szept 9, 2019
Ne haragudj, akkor megint valamit félreértettem. Én mindenesetre raktam az enyém elé mérőerősítőt. Úgylátszik feleslegesen. Várjuk meg Proli007-et vagy reloop-ot. Én ugyanis cipőfelsőrész-készítő vagyok.
|
Bejelentkezés
Hirdetés |















