Fórum témák

» Több friss téma
Fórum » TDA7293 végerősítő
 
Témaindító: m.joco, idő: Szept 12, 2007
Témakörök:
Lapozás: OK   73 / 75
(#) Directors válasza reloop hozzászólására (») Szept 11, 2019 /
 
Mi a különbség a tranzisztoros , és a kondis tranzisztoros között ? Miért nem voltál megelégedve a tranzisztorossal ? Az 555 miért jobb ?

Mindegy milyen a tranzisztor kerül bele ? Láttam típus nincs írva.
A hozzászólás módosítva: Szept 11, 2019
(#) reloop válasza Directors hozzászólására (») Szept 11, 2019 /
 
Kondenzátor nélkül gyenge, vibráló a LED fénye.
Az 555-ös adja a pontos és jól látható jelzést.
(#) Directors válasza reloop hozzászólására (») Szept 11, 2019 /
 
A kondenzátoros tranzisztoros már azért jobb ?
(#) Directors válasza reloop hozzászólására (») Szept 11, 2019 /
 
Az 555-ösbe a 78l05 helyettesíthető mással ? Az csak egy sima 5v- os feszültség stabilizátor ugye ?
(#) alfa008 válasza Directors hozzászólására (») Szept 11, 2019 /
 
Sima 7805-el is helyettesíthető.
A hozzászólás módosítva: Szept 11, 2019
(#) reloop válasza Directors hozzászólására (») Szept 11, 2019 /
 
Van 12 V-od, arról mehet az áramkör közvetlenül. A LED előtét-ellenállását kell feljebb venned 1k5-3k3 értékre, az R1 értelem szerűen 22k.
(#) Directors válasza reloop hozzászólására (») Szept 11, 2019 /
 
alfa008 : Köszi!

Ez így jó lehet ?

clip.jpg
    
(#) reloop válasza Directors hozzászólására (») Szept 11, 2019 /
 
Úgy nézem rendben lesz.
Lévén szó sztereó erősítőről, csak egy 555-ös áramkört építenék, mert klippelés esetén úgyis egyszerre csökkented mindkét csatorna hangerejét. Mint a rajzon láthattad, a TDA7293 5-ös lábai közösíthetőek.
(#) Directors válasza reloop hozzászólására (») Szept 11, 2019 /
 
Két külön hangerő potival építettem. Nem sztereó potival. Azért szeretném két 555-össel megcsinálni.

Azóta beletettem a panelba az 5-ös és a plusz táp közé a 82k (83k lett mert ez volt itthon. ) ellenállást.
Célszerű a clip áramkörnek is a csillagpontról adni a "negatívot", jól gondolom ?
(#) reloop válasza Directors hozzászólására (») Szept 11, 2019 /
 
Rendben.
Az 555 elé nem tehetsz felhúzó ellenállást a végfok pozitív tápjáról, mert az 12 V-on dolgozik, bent is van a 22k erre a célra.
A clip áramkör számára helyes választás a testpont csillagpontra kötése.
(#) Directors válasza reloop hozzászólására (») Szept 11, 2019 /
 
Uhh, akkor még jó hogy írtam hogy bekötöttem az ellenállást. Akkor lekötöm.
Végül is annyi hogy az IC 5-ös lábáról kell a jelet a clip áramkörre kötni. Ennyi, nem több. A 82k ellenállás nem kell.
(#) reloop válasza Directors hozzászólására (») Szept 11, 2019 /
 
Így helyes.
(#) Directors válasza reloop hozzászólására (») Szept 11, 2019 /
 
Rendben, köszönöm a segítséget. Ha sikerült jelentkezem.
(#) Directors válasza reloop hozzászólására (») Szept 14, 2019 /
 
Megépítettem a Clip kapcsolást és be is kötöttem. Prímán működik.
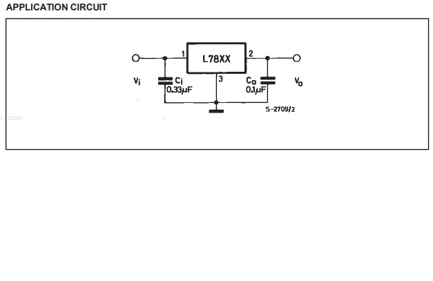
A plazmacsöves kivezérlésjelző elé pedig betettem egy 7812 stabilizátort. Így kötöttem mint a képen.
A bemenetre 470nF-os, a kimenetre pedig 100nF-os tantál kondenzátort tettem. Sajna ugyan úgy búg az az oldal. Lehet hogy a kerámia kondi oda nem jó ? Vagy nagyobb kapacitású kellene ?

7812.jpg
    
(#) reloop válasza Directors hozzászólására (») Szept 14, 2019 /
 
Szia! A tantál kondi jó, a kerámia pedig nem.
A stabilizátor előtt van legalább 14 V feszültség?
Mint korábban javasoltam, kösd a kivezérlésjelzőt a végerősítő kimenetére.
(#) Directors válasza reloop hozzászólására (») Szept 14, 2019 /
 
Szia!
Nincs 14V feszültség a stabilizátor előtt. 11.7V van előtte.
A stabilizátor után 10,7V van. Ja és csak a kivezérlés jelző előtt van a stabilizátor.
Cserélem akkor tantálra. Az nem probléma ha nagyobb a kapacitása a kondinak mint a rajzon, ugye ?
A hozzászólás módosítva: Szept 14, 2019
(#) reloop válasza Directors hozzászólására (») Szept 14, 2019 /
 
Kár bármit is cserélgetned a stabilizátor körül, ha nem tudod elegendő bemeneti feszültséggel ellátni, akkor képtelen a szabályzásra.
(#) Directors válasza reloop hozzászólására (») Szept 14, 2019 /
 
Értem. Akkor marad szerintem az hogy a stabilizátort kiveszem, a kijelzőt pedig a kimenetre kötöm.
Esetleg még az erősítő trafójának van 15V-os kimenete. Bár azt nem tudom mennyire jó ötlet használatba venni.

trafó.jpg
    
(#) reloop válasza Directors hozzászólására (») Szept 14, 2019 /
 
Maradnék a kimeneti jel indikálásánál.
(#) Directors válasza reloop hozzászólására (») Szept 21, 2019 /
 
Szia!

Nem volt most a héten sok időm foglalkozni vele de a hét elején átkötöttem a kijelzőt az erősítő kimenetére.
Hallgattam is egy kicsit az erősítőt majd félre tettem.
Ma szerettem volna vele egy kicsit foglalkozni, erre azt vettem észre az egyik csatornán mint ha le lenne vágva a frekvencia felső része. Mint ha aluláteresztő szűrőn keresztül szólna csak az erősítő.
Nem értem mi történt már megint.
Mit kellene átnéznem a panelen ? A bemeneten látom hogy csak egy ellenállás, illetve egy kondenzátor található. Azt a részét rendben találtam.
(#) reloop válasza Directors hozzászólására (») Szept 21, 2019 /
 
A sávvágást az erősítőn kívül keresném. Jelforrás, hangsugárzó a leggyanúsabb.
(#) Directors válasza reloop hozzászólására (») Szept 21, 2019 /
 
Számítógépről kapja a jelet. Átraktam arra a csatornára ami a másik oldalt működik és ugyan úgy gond van. Meg ha jobban odacsavarom neki akkor egy picit mint ha torzítana is. Kiiktattam a hangerőszabályzót is. De lepróbáltam telefonról is, másik kábellel. Ott is ugyan ez a helyzet.

Van szkópom is a mérésre ha szükséges.
A hozzászólás módosítva: Szept 21, 2019
(#) Alkotó válasza Directors hozzászólására (») Szept 21, 2019 /
 
A hangszórót is cseréld ki a két csatornán. Annak hibája is okozhat hasonlót.
(#) Directors válasza Alkotó hozzászólására (») Szept 21, 2019 /
 
Ugyan azt a hangszórót próbáltam mind a két csatornán. Ugye az egyiken hiba nélkül üzemel, a másik oldalt viszont ott a hiba.
(#) reloop válasza Directors hozzászólására (») Szept 21, 2019 /
 
Melegedést nem tapasztalsz? A NYÁK egyenesen gerjedésre van tervezve - kész rémálom.
A 22 pF, és a 470 pF az aluláteresztő szűrők, talán ezeket érdemes cserélned. A bementi 390 Ω-ra is mérj rá, mert az is része a szűrőnek.
(#) Directors válasza reloop hozzászólására (») Szept 21, 2019 /
 
Nem tapasztalok melegedést. Nekem az a fura hogy eddig működött, most meg nem.
Rendben, átnézem a szűrőket és az ellenállást.
(#) reloop válasza Directors hozzászólására (») Szept 21, 2019 /
 
A kerámia kondiknál előfordulhatnak anomáliák, de ez továbbra is inkább tűnik erősítőn kívüli hibának.
(#) Directors válasza reloop hozzászólására (») Szept 21, 2019 /
 
Szórakoztam egy kicsit vele. Ha meglazítom a csavart ami a hűtőbordához rögzíti az IC-t akkor úgy szól ahogyan kell. Viszont ha erősen meghúzom a csavart akkor újra csak mélyen szól. Átforrasztottam az IC összes lábát, illetve a panelt rögzítő csavarokat is lelazítottam hogy nem-e valami kontakt hiba van, de nem.

Csillámlap van az IC és a hűtőborda között, illetve szigetelő gyűrű. Néztem hogy nem e ott lesz zárlatos valami, de szerintem nem, mert a hűtőborda és az IC fémháza kötött nem jelez a multiméter.
Itt jön a nagy kérdőjel hogy ez még is mi lenne ? Mi lehet a megoldás erre ?
(#) reloop válasza Directors hozzászólására (») Szept 21, 2019 /
 
A hűtőborda mindeközben testen van?
Tégy szkópot a kimenetre, mert 1-2 MHz-en lehet gerjedés a háttérben.
Próbáld ki a 22 pF nélkül!
(#) Directors válasza reloop hozzászólására (») Szept 21, 2019 /
 
Maga a készülék háza és a borda nincs testelve. Viszont védőföldelve van a fém készülék ház, és így a hűtőborda is.
Sajna csak 0-200KHz között mér a szkópom.
Így is kössem akkor ki a 22pF-ot ?
A hozzászólás módosítva: Szept 21, 2019
Következő: »»   73 / 75
Bejelentkezés

Belépés

Hirdetés
XDT.hu
Az oldalon sütiket használunk a helyes működéshez. Bővebb információt az adatvédelmi szabályzatban olvashatsz. Megértettem