Fórum témák

» Több friss téma
Fórum » Erősítő mindig és mindig
Mielőtt kérdezel, a következő két dolgot ellenőrizd! I. A helyes tápfeszültségek megléte. II. A kimeneten van-e egyenfeszültség. Élesztés.
Lapozás: OK   2206 / 2580
(#) zotya1983 válasza reloop hozzászólására (») Nov 29, 2019 /
 
A tápról sajnos vajmi kevés a tapasztalatom e téren, viszont ami van azt megosztom. Egy irs 2092 es 500w nak csúfolt d class erősítőt már teszteltem vele ott 4 ohmon 260w kimenő teljesítmény "mellett" nem volt tápesés. A 2X100W szobába több mint elegendő lenne nekem persze 8 ohmon. A trafót meg kéne terheljem eztán tudnék megfelelő infót adni róla. Végülis ez is csak egy teszt erejéig lett vásárolva majd úgy döntöttem miért ne építenék vele erősítőt...
Nos a kérdéses topológia az általad javasolt mérőpontokkal ez lenne.
A táp változhat de max legalacsonyabb +-65 v ig. Ez esetben természetesen toroidról beszélnénk.
Várok javaslatot a táp megterhelésére is...
(#) zotya1983 válasza reloop hozzászólására (») Nov 29, 2019 /
 
A rajzot megnézve t8 t9 és a t10 ről lenne szó, és oda is van írva hogy a kimeneti fetekkel együtt kell a közös hűtőbordára tenni majd. Figyelmetlen voltam, tehát erre megvan a válasz is
A hozzászólás módosítva: Nov 29, 2019
(#) reloop válasza zotya1983 hozzászólására (») Nov 29, 2019 / 1
 
A T6, T7, T9, T10 egyaránt hűtendő ±70 V-os tápnál. Az ellenállások közül R11 melegedése jelentős, oda 0,6-1 W ellenállást ültetnék, persze összerakható 3-4 1/4 W-os ellenállásból is.
Mikor magában a nagyjelű erősítőt éleszted elhagyható az áramkorlát. A kimeneti off-set és az UGS mérőpontok akár ±40 V-ról is ellenőrizhetőek, ha valami hibádzik kisebbet durran.
(#) zotya1983 válasza reloop hozzászólására (») Nov 29, 2019 /
 
Már csak egy kérdésem maradt akkor tehát ha t7 t8 ami egy vékony alulemezen van jelenleg
azonkívül mindent kihuzalozok a bordára egybe úgy lenne a legjobb?
Igen mégkisebbet durranna,(reméljük nem fog), ha ideért volna már a labortápom de majdcsak lesz egyszer....
(#) reloop válasza zotya1983 hozzászólására (») Nov 29, 2019 /
 
A T8-nak feltétlen a hűtőbordásra kell kerülnie! A T6, T7, T9, T10 tranzisztorokra elég egy kisméretű hűtőzászló, vagy annak megfelelő alulemez.
(#) zotya1983 válasza reloop hozzászólására (») Nov 29, 2019 /
 
Igen tudom hiszen az a hőtranzisztor. Viszont T9 T10 et is a fő hűtőbordára javasolja.
Köszönöm a segítséged!
(#) reloop válasza zotya1983 hozzászólására (») Nov 29, 2019 /
 
Úgy is jó természetesen.
Az előbbi felsorolásodból a T6 maradt ki, azt se felejtsd hűteni.
Említetted a "kihuzalozást", a MOSFET gate lába ezt nem fogja díjazni.
(#) zotya1983 válasza reloop hozzászólására (») Nov 29, 2019 /
 
A kihuzalozás max teszt erejéig történne... Gondolom gerjedne mint az állat...
A T6 T7 közösen egy hűtőlemezkén van, azért nem említettem mert már fentebb írtad is.
Az t9 t10 kap egy egy hűtőzászlót, a fetek és a hőtranyó kerülne a fő hűtőbordára. Arra még kíváncsi lennék mert sokszor téma hogy ilyenkor miért jó ha az összes meghajtó és fet együtt melegszik?
(#) reloop válasza zotya1983 hozzászólására (») Nov 29, 2019 / 1
 
A meghajtótranzisztorok és a végtranzisztorok azonos hőfoka a nyugalmiáram stabilitásához kell, de ez csak bipoláris tranzisztorokra igaz ezzel a szabályozási eljárással.
Az általad épített erősítő nyugalmiárama csökkenni fog, ahogy melegednek a MOSFET-ek, a T8 túlszabályoz. Valamicskét javít a helyzeten, ha meghajtó tranzisztorok is egy hőmérsékleten vannak velük.
(#) golem hozzászólása Nov 30, 2019 /
 
Sziasztok!
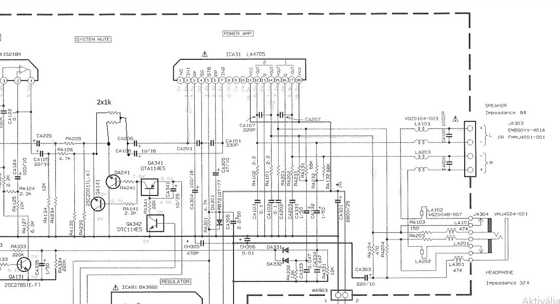
Van nekem egy JVC mini hifim sajnos nincs meg a hangfala. de csináltam neki egyet.
Az volna a kérdésem hogy a két oldal be menő jelét a képen látható módon összesíteném hogy egyformán szóljon mind 2 oldal. felteszem az eredeti kapcsolást hogy lássátok mire gondolok.
(#) reloop válasza golem hozzászólására (») Nov 30, 2019 /
 
Szia! Összekötheted, az 1k sem kell hozzá. Eleve ott a 4k7 a némítás miatt.
(#) golem válasza reloop hozzászólására (») Nov 30, 2019 /
 
Kondi előtt átkötöm.
(#) tothbela válasza zotya1983 hozzászólására (») Nov 30, 2019 / 4
 
Most dolgozok egy NMOS végfokon. Ez nem hifi, hanem hangosítós. Először sok segédtáppal próbáltam növelni a kivezérelhetőséget, de túl bonyolult lett. Viszont most úgy néz ki, hogy megfelelő technikával kialakul a végleges kapcsolás, ami tápig kivezérelhető. Vagyis nem egészen, hiszen az RDS on, valamint a source ellenállások kicsit beleszólnak, de +-75V tápfesznél 72V csúcs még 1% torzítás alatt kijön 2 Ohmon. Igazából egy projekt része lesz, mert nem nagyon van komplementer fet 200V felett, nekem meg 2X135V-os tápsínek vannak már készen. Ehhez kellene csinálnom végfokot.
Az eredeti NMOS kapcsolásban sajnos sok a bent maradó feszültség. Ebből indult az elmélet. Ha megleszek a kész kapcsolással, felteszem ide.
(#) Alkotó válasza tothbela hozzászólására (») Nov 30, 2019 /
 
Érdeklődve várjuk a fejleményeket.
2x135V az már nem az amatőr kategória. Ott már apró hibák is durva kiadásokhoz vezethetnek.
Véleményed szerint egy ilyen nagyságrendű erősítőt képes egy átlagos amatőr olyan megbízhatóan elkészíteni, hogy az alkalmas legyen tényleges hangosításra?
Ha feltételezzük, hogy a kapcsolás minden szempontból megfelelőre sikerül -különösen a védelemre gondolok-, még akkor is ott van a mechanikai elvárás, és a segédáramkörök milyensége.
(#) zotya1983 válasza tothbela hozzászólására (») Nov 30, 2019 /
 
Rendben várom, nekem meg készen van már 2 éve a +-120v os változat ami ugye fesz utánhúzással van "megtoldva" jelenleg. Már csak dobozolásra várnak a panelok egyszer csak meg lesz. Egyébként azt magam terveztem át ott 8 pár irfp 460 szerepel. Egy gond van vele ott már jelentős a gate kapacitás arra még valamit ki kell találni... De ezt majd privátban mert tudod mi lesz a vége, tüzijáték. Mármint nem a próbaasztalon Végülis ez is tápig kihajtható mostohán is megvan az 1KW 8 ohmos műterheléssel, több is, csak tesztre raktam rá valami pisszicsáré hűtést de hamar forró lett így lekapcsoltam... Van belőle csak ami le van válogatva többszáz darab... Tudod amire mondtad is öcsém neked azt van türelmed..
A hozzászólás módosítva: Nov 30, 2019
(#) tothbela válasza Alkotó hozzászólására (») Dec 1, 2019 /
 
Nyilván kicsit nagyobb.
(#) tothbela válasza zotya1983 hozzászólására (») Dec 1, 2019 / 1
 
Ha a gyári erősítők tápfesz/terhelő impedancia/tápegység belső ellenállás/maradék feszültség/névleges kimenő teljesítmény adatait nézem, akkor 8 Ohmon a 2X135V terheletlen tápból 6-700W névleges kimenő teljesítményre számíthatunk. Hiába mérsz valamit, ha egy másik erősítő 500W-al hangosabb, akkor nem érdekli őket hogy ez meg 1000W. Ezért beszéltem névleges teljesítményről.

A hűtésről beszéltünk régebben, hogy nem jó a szigetelő alátét. Vagy direkt kell felfogatni a feteket és a hűtőborda legyen szigetelt a doboztól, vagy szigetelt hővezető sínt lehet használni.
(#) highand válasza tothbela hozzászólására (») Dec 1, 2019 /
 
Idézet:
„akkor 8 Ohmon a 2X135V terheletlen tápból 6-700W névleges kimenő teljesítményre számíthatunk.”


Ezt kérlek pontosítsd a számomra. Ha terheletlen, akkor hogyan kell értenem a 6-700W-ot?
(#) bgsf válasza highand hozzászólására (») Dec 1, 2019 /
 
Úgy hogy a megterhelt táp képes azt biztosítani. Persze ehez olyan táp is kell.
(#) tothbela válasza highand hozzászólására (») Dec 1, 2019 /
 
Gondoltam hogy lesz valami kérdés, de ugye ott van előtte még pár mondat. Kérlek olvasd el azt is. Vélhetően te tisztában vagy ezekkel az összefüggésekkel, meg azzal is, hogy mit jelent ha nem szól akkorát egy erősítő mint a másik.
Tehát a kérdésed ha vizsgáztatás lenne, akkor kérlek ne tedd. Ha pedig valami matematikai képletet szeretnél kapni, azt meg én nem teszem.
Szerintem túlbeszéltük.
(#) zotya1983 válasza tothbela hozzászólására (») Dec 1, 2019 /
 
Igen ezért volt csak rövid idejű a teszt. Azért itt már az is feladja a leckét mekkora és milyen bordát használjunk. A gépháztól elszigetelés jónak tűnik, csak ott mechanikailag olyan bombabiztos megoldás kell ha kikerül az a + vagy - 120v oda akkor abból nem kicsi tüzijáték lesz... Erre még majd egyszer visszatérünk ha itt az ideje. Az is elképzelhető hogy odaadom valakinek jutányos áron párszáz válogatott fettel együtt hogy kínlódjon vele ő..
(#) tothbela válasza zotya1983 hozzászólására (») Dec 1, 2019 / 1
 
Nem kevés a 120V ha rajta van a bordán, sőt ha netalán földelt kimenetű NMOS topológia (mert ez is megfordult a fejemben), akkor a 120 az 240V csúcs, mivel a pozitív oldali fetek drainje, és ezzel együtt a hozzá tartozó borda 0 és 240 (nekem 270) V között változhat. Ebből a megfontolásból nem merem közvetlenül a bordára csavarozni a feteket. Első körben nem is tervezek mást, mint egy alacsony tápról (2X50-75V)-ról üzemelő NMOS végfokot. Ha biztató lesz az eredmény, akkor lehet tovább menni.
(#) mek-elek válasza tothbela hozzászólására (») Dec 1, 2019 / 1
 
Kicsit zavarban vagyok, ha nálam nagyobb tudásúakkal meditálok, de kedves Béla én a hűtőbordákat le szokta földelni, így minden szigetelővel kerül rá.
(#) mcc válasza mek-elek hozzászólására (») Dec 1, 2019 /
 
Otthoni hifire én is. De kW nagyságú teljesítményeknél a hűtés kritikus. Ilyenkor minden pici plusz hőellenállás számít. Már tettem fel képet, de én is olyan megoldást választottam, ahol a hűtőborda egyben a tápsín is volt. Így meg lehet spórolni 0,5K/W hőellenállást, ami 60W disszipációnál 30fok réteghőmérséklet csökkenést jelent.
(#) mcc válasza zotya1983 hozzászólására (») Dec 1, 2019 /
 
Nem olyan nagyon vészes megoldani. Műanyag távtartók, illetve olyan hűtőbordák, amiket a NYÁK-ra lehet rögzíteni, mind jó megoldások...
(#) tothbela válasza mek-elek hozzászólására (») Dec 1, 2019 /
 
Már meg is válaszolták a kérdést. A teljesítmény igény növekedése egyre nagyobb optimalizációt kíván. A szigetelő alátét hőellenállása, a tranzisztorok maradék feszültsége mind olyan dolog, amit minimalizálni kellene. Gyakorlatilag egy otthoni néhányszor tíz, esetleg száz W teljesítményű erősítő térfogatában egy tízszer, százszor nagyobb teljesítményű erősítőt kell üzemeltetni. Egy izomautó sem sokkal nagyobb egy utcai bevásárló autótól, csak ott a nagyobb teljesítmény miatt tele van a kasztni motorral, valamint jóval erősebb a tartószerkezet. A kényelem, meg hogy a turbó eltakarja a kilátást, sokadrangú. De még messze vagyunk a céltól, először csak a problémák felsorolása folyik. Van még pár.
(#) mcc hozzászólása Dec 1, 2019 /
 
Én a Fischertől vettem panelre szerelhető bordát, felszereltem őket a NYÁK-ra, majd a panelt 60mm-es tártartókkal rögzítettem a doboz aljához. A csatolt fotón látható a panel még építés közben..
A hozzászólás módosítva: Dec 1, 2019
(#) Ge Lee válasza tothbela hozzászólására (») Dec 1, 2019 / 1
 
Idézet:
„A teljesítmény igény növekedése egyre nagyobb optimalizációt kíván.”
Vagy pwm végfokot.
(#) mek-elek válasza tothbela hozzászólására (») Dec 1, 2019 /
 
No nem a vitázásért, de ezzel is kipróbáltátok már?

paszta.JPG
    
Következő: »»   2206 / 2580
Bejelentkezés

Belépés

Hirdetés
XDT.hu
Az oldalon sütiket használunk a helyes működéshez. Bővebb információt az adatvédelmi szabályzatban olvashatsz. Megértettem