Fórum témák
» Több friss téma |
Fontos: PICKit2 klón építése tanácsok
Nézegettem egy kicsit. Lehet az eredeti boot main.c ben kellene átkapcsolni saját oszcillátorra hogy az usb je rendesen menjen? Mert most az eredeti külső HS-en van
Az itt olvasottak alapján Hp41C elég becsületesen beletúrt a PICkit szoftverébe, úgy a számítógépébe mint a vezérlőjébe. Én elhinném neki amit ír.
Én is hiszek neki, eddig csak jókat mondott. De reméltem csak a konfiggal elindítható a szerkezet. Mondjuk azt szeretném tudni, mik azok a problémák , ami miatt nem hozható ez viszonylag egyszerűen.
A 18F2550 és a 18F25K50 különbségei:
- Port kezelés: a K50 -ben ANSEL regiszterek vannak, - Órajel generátor: Quartz csere szükséges: 12MHz vagy 16MHz kellene, - Comparátor modul teljesen más a K50 -ben, - DAC modul eltérő, - HLVD beállítás eltérő. A prorgam kihasználja, hogy az analóg módra állított és az oszcillátornak felhasznált lábakról mindig 0 -t olvasható be.
Köszi! Ez kimerítő volt. Ebbe inkább nem fogok bele
Üdv.
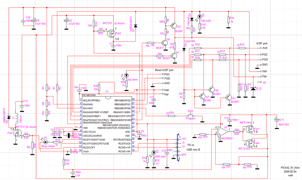
A képen a jobb alsó tranzisztor (dióda mellett) az az NPN, ugye? Mert akkor végre megvan a hiba, rosszat küldtek a boltból, műszer szerint az is PNP... A hozzászólás módosítva: Feb 26, 2018
Ha jól látom, a rajzon ez a Q4 jelzésű, BC817-es tranzisztor, akkor igen, ennek NPN típusúnak kellene lennie.
A hozzászólás módosítva: Feb 27, 2018
A lényegen nem változtat hogy az Q5 tranzisztor, és igen NPN ahogy Szárnyas is említi.
Sikerült!
![]() Megépítettem a Watt-féle smd klónt, és szuperul működik! Köszönöm Neki (bár ahogy látom, 3 éve nem járt erre), és Mindenkinek, aki közreműködött, segített! Kicsit OFF, de nem annyira - egy történet, ami okulás lehet Bárkinek, aki épít: Már 2 éve raktam össze a nyákot, minden alkatrész újonnan rendelt! Nem működött! 2 év alatt többször elővettem, vizsgálgattam, egy jó barátom is kereste a hibát hetekig, de semmit nem találtunk rossznak! Mígnem alkatrészek tüzetes adatlapjainak olvasása közben észrevettem, hogy az egyik tranzisztor - a BC817 helyett - CHW jelölésű, amire az égvilágon semmi egyértelmű információt nem kaptam; még a boltból sem, ahonnan van! Nosza rendeltem BC-t, csere, és minden tökéletesen működik! 2 éve lenne égetőm, ha nem bízom vakon az üzletben, ahonnan rendeltem! Ezért úgy vélem, érdemes átfutni a megrendelt/vásárolt alkatrészeket beültetés előtt! Én ezek után legalábbis biztos így teszek!! ![]() Sok sikert Mindenkinek!
Sziasztok!
Építettem egy Pickit2 klónt. Szuperul működik, de.... Sajnos egy pár perc után észrevehetően melegszik a PIC. A programozó áramfelvétele 200mA, a táp és a GND nem ér össze. Látszólag minden rendben csak meleg maga a PIC, akkor is ha nincsen benne programozandó IC. Találkozott már valaki ilyennel? Előre is köszönöm! Üdv. adamk07
Az áramfelvétel túl magas. A PIC valamelyik kivezetése és a föld vagy a táp (USB, Vdd, Vdd_TGT) felé "túl kicsi ellenállás" (zárlat, forrasztásnál átvezetés). Méregetni kellene a Tools / Toubleshoot menüpontjai szerint.
Köszönöm a tanácsot!
Nos végigcsináltam a Toubleshoot menüt. Az eredmény a következő: Test VPP: 11.9V. /MCRL OFF: 4.8V van rajta (VPP láb programozónál) /MCRL ON: 3.75V Verify PGC + PGD: minden rendben működik, amikor a Low-ra kattintok 0V lesz a High pedig 4.8V. Programozni programoz, felismeri a PIC-et. Mit javasoltok mit mérjek meg lábankénti áramfelvételt?
Nagyobb tápáram kijöhet még az alábbiakból: (a Microchip -es kapcsolási rajz pozíciószámaival)
- R34 ellenállás értéke nem 2k7. - Power LED ellenállása nem 470 Ohm. - EEprom vezérlő jeleinek zárlata a földdel (SCK, SDA). - A Vdd_TGT vonalat mindig terheli az R13 (U5 N-FET része elhagyva vagy hibásan állandóan vezérelve). - D3 nem Schottky dióda. Ezáltal hosszabb ideig nem reagál a feszültség polaritásának változására (Reverse recovery time), így a Vpp generátor hatásfoka rossz. - R12 és/vagy R16 értéke nem 10k. - stb, stb.
Üdv! Van egy épített Pickit 2 klónom, Watt féle furat szerelt verzióban Sky terve alapján. Tökéletesen működik évek óta, azonban most szükségem lett a Programmer-To-Go funkcióra, soha sem gondoltam kelleni fog, egy cirkó vezérlést építettem, és frissítéshez nem kell kivenni a panelt, laptopom meg nincsen.
Szóval a lényeg, hogy készítettem bele egy kis kiegészítő panelt smd 24LC512-kel, azonban felprogramozás után gyorsan villog a Busy Led, ami ugye Vdd-Vpp errort jelent, de nem tudom mi az oka. Viszont a szép az egészben, hogy működik ettől függetlenül egy hosszabb gomb nyomás után még egy lenyomás, és tökéletesen felprogramozza a céláramkört. Tehát két gomb nyomásra programoz, majd megint villog gyorsan. Az EEpromok lábait a gyári rajz szerint kötöttem be a 18F2550 WP, SDA, SCL kivezetéseihez. Mondjuk 2,2kOhm-mal húztam fel Vdd-re 2,7k helyett, de 3,3kOhm-mal probáltam akkor is ugyanez.
Mekkora szűrőkondenzátor van a programozandó panelen a Vcc és a Vss között?
Ha elég nagy, a PICkit2 az első kísérletnél azt érzékeli, hogy a Vdd feszültség nem áll be időben. Ekkor azonban egy adag töltés bekerül a szűrőkondenzátorba. A második próbálkozáskor már nem teljesen töltetlen kondenzátorral már a tűrésen belüli Vdd feszültség alakul ki.
Amikor nincs a cél áramkörön akkor is villog folyamatosan onnantól, hogy felteszem rá a Pickit2 programjával a hex fájlt. Addig csinálja amíg ki nem lépek a Programmer-To-Go funkcióból, abból pedig úgy tudok, hogy egy gomb nyomás, majd gyorsan egy Check Communication, és akkor visszaáll normál programozó üzemmódba. Kicsit furán működik.
Még azt kérdezném az általad fejlesztett Pickit2 device file utolsó elérhető verziója az 1.62.14 mod6?
Köszi.
Sziasztok!
Évek óta használtam a pickit2 klónt, mindig jól tette a dolgát. Régóta nem használtam és ma szerettem volna felismertetni vele néhány picet. A pic16f887 simán ment a standard menüpontból. A 18f sorozatból nem ismeri fel a 4520 és a 46k80 at sem. A dat fájl tartalmazza őket. Hol hibáztam?
Újak vagy voltak már programozva?
Ha volt bennük program, előfordulhat, hogy belső oszcillátorral, letiltott MCLR -vel van konfigurálva és a PGC és/vagy PGD vonalat kimenetnek állítja a program nagyon hamar. Próbáld meg a "Vpp first programming entry" módszert. A panel / kontroller táplálását a PICkit2 -nek kell ekkor biztosítani. Nincs túl nagy terhelés a PGC, PGD vonalon, túl nagy kapacitás a MCLR -n? Jó a bekötés? Nincs véletlenül egy 16F887? Azt felismeri? A hozzászólás módosítva: Nov 20, 2018
Köszi a gyors reakciót!
Nem tudom, hogy mi történt, de most már minden jó . Lehet valahol kontakt hiba volt. Most már felismeri. Remélem így is marad! Még egyszer köszi, túl hamar keseredtem el
Szia!
Az A2P2 szolgáltatásai picki2-n nem érhetők el? Ahhoz, hogy betölthető legyen a választott firmware az mschange szoftverrel, a2p2-t kell a pc-hez csatlakoztatni?
Ennyit tudok róla. Nem próbáltam.
Ezt én is olvastam, sőt ezen az oldalon még azt is, hogy pickit2 vel is mennie kénem de firmware választó nem érzékeli a pickit2 klónt.
Szia!
Alapvetően Atmegat8-t egy arduino számára, de a pic mellett az avr is izgat, bár annyi küzdelem van mögötte, hogy a szívem csücske aligha lesz. ![]() Most a p2avrisp van a látótérben, csak sok a használandó közbenső program, de màr közel vagyok a győzelemhez. Te milyen úton programoztál avr-t?
Sok-sok buktató van. Először egy AVRISP -vel ls a mkAVRCalculatorral (mert az AVR Studio alól nem ment. A frissítése szétverte a Visual Studio -t.) Aztán megcsináltam a PICkit2 saját programjával. Itt is probléma, hogy a program, az EEProm adat és a konfiguráció külön állományban van (ha egyáltalán állományban van).
Sziasztok
Eddig teljesen jól működött a PicKit2-őnm de gépet cseréltem (oprendszert is) és azóta folyamatosan dobja a hibát: Idézet: „PICkit2 VDD voltage level error. Check target & retry operation.” Mi lehet a hiba? Találokzott már valaki hasonlóval. Alaplap MSI Proci AMD Op WIN 10 64 Táp 400W
Szerintem állj neki a kalibrációs lépéseket végrehajtani és mérj! Illetve célszerűen nézd meg olyan eszközzel (másik PIC) dobja-e a hibát, ami eddig jó volt.
Helló! Az alábbi kapcsoláshoz keresek kapcsolási rajzott és hex. file-t. A panel vasaláshoz és a beültetési rajzhoz meg van.
A PICkit2 Mircochip PICkit2 oldal -án mindkettőt megtalálod. Firmware és a rajz a Users`s guide végén.
|
Bejelentkezés
Hirdetés |















