Fórum témák

» Több friss téma
Fórum » Elektronikában kezdők kérdései
- Ez a felület kizárólag, az elektronikában kezdők kérdéseinek van fenntartva és nem elfelejtve, hogy hobbielektronika a fórumunk!
- Ami tehát azt jelenti, hogy a nagymama bevásárlását nem itt beszéljük meg, ill. ez nem üzenőfal!
- Kerülendő az olyan kérdés, amit egy másik meglévő (több mint 17000 van), témában kellene kitárgyalni!
- És végül büntetés terhe mellett kerülendő az MSN és egyéb szleng, a magyar helyesírás mellőzése, beleértve a mondateleji nagybetűket is!
Lapozás: OK   3394 / 4054
(#) gernerakos válasza kendre256 hozzászólására (») Dec 28, 2019 /
 
Köszi a tippet, kipróbálom ezt.
(#) kendre256 válasza gernerakos hozzászólására (») Dec 28, 2019 /
 
Közben találtam is kapcsolást R-C tagos késleltetéssel a 4. dián.
(#) gernerakos válasza kendre256 hozzászólására (») Dec 28, 2019 /
 
A nand kapus nem is működik, mert nagyon alacsony az órajel (1Hz).
(#) kendre256 válasza gernerakos hozzászólására (») Dec 28, 2019 /
 
4093-as NAND kapukkal megvalósítva (az schmitt-triggeres bemenetű) a "késleltető ágba" betéve egy R-C tagot, kényelmesen lehet növelni az impulzus szélességét.
(#) jani1987 hozzászólása Dec 29, 2019 /
 
Nemrég adódott egy olyan gond, hogy a 9V-os elem gyengülni kezdett. Tápnak beraktam a szabályozható dugaszos, polaritás váltós adaptert. Napok óta erről használom. Nem bátran de tudom ajánlani hosszabb távra.
(#) bitmixer válasza jani1987 hozzászólására (») Dec 29, 2019 /
 
Ilyet én is csináltam: 3 merülő góliát elem helyett rákapcsoltam egy 4,5 V-os tápegységre, és tök jól működik. Én is tudom ajánlani, bár az enyém nem volt polaritásváltós
A hozzászólás módosítva: Dec 29, 2019
(#) jani1987 válasza bitmixer hozzászólására (») Dec 29, 2019 /
 
Csak mert valaki mondta, hogy nem egy életbiztosítás.
(#) (Felhasználó 1947) válasza jani1987 hozzászólására (») Dec 29, 2019 /
 
Én viszont nem ajánlanám, mert butaság.
Azt is elmondom miért.
A dugasztápok 99%-a nem stabilizált, nagy részükben csak egy trafó, egy graetz,és egy puffer van.
A névleges feszültségük a megadott terhelésnél(áramnál) áll be.
Magyarul: a 9V-os 500mA-es trafós dugótápod üresben 11-13V is lehet, a 9V a megadott 500mA -nél áll be.
Főleg mérőműszerek nem szeretik az ilyen kontárságot.
Kapcsolóüzemű tápok egy fokkal jobbak ilyen szempontból, leszámítva hogy fröcsög belőlük a zavar, széles spektrumban, és ugyanúgy nincsenek stabilizálva.
Persze mindenki úgy vágja gallyra a dolgait, ahogy akarja.
Persze más a helyzet ha a kimenetére rá van biggyesztve egy 7809. De ez nem volt említve...
(#) bitmixer válasza jani1987 hozzászólására (») Dec 29, 2019 /
 
Úgy látom, nem ment át a poénkodás...
Azért humorizáltam, mert nekem nem jött le - pláne előzmény híján - hogy egyáltalán milyen fogyasztóról van szó? Másnak talán triviális volt, hogy multiméter, nekem nem. Ha tudom, hogy az, én sem javasoltam volna.
(#) kendre256 válasza (Felhasználó 1947) hozzászólására (») Dec 29, 2019 /
 
A kapcsolóüzemű tápok stabilizálva vannak, különben működni sem tudnának 100-240V-ig. Az más kérdés, hogy a 12V-os táp lehet 12,4V is, de azzal együtt lehet élni.
(#) jani1987 válasza bitmixer hozzászólására (») Dec 29, 2019 /
 
Már pedig multiméterről van szó. Csak nekem nem volt logikus mindig elemért szaladgálni a boltba.
(#) (Felhasználó 1947) válasza jani1987 hozzászólására (») Dec 29, 2019 /
 
Kigondolatolvastam a multimétert. Csak vissza kell nézni a hozzászólásaid 3 oldalt ehhez.
Nagyon régi Escort EDM-89-es multim van, eszik mint az atom... egy 9V-os elem kb_8-10 hónapig működteti. A régi Fluke multim egy évig is elvan róla.(Szinte napi szintű használatok)
Általában Energizer vagy Nyuszis elemet veszek bele.A százforintost nem próbáltam bele, gyanítom az lenne az Általad említett "mindig elemért szaladgálni"kategória.
Próbálj ki egyszer egy normális elemet is....
(#) (Felhasználó 1947) válasza kendre256 hozzászólására (») Dec 29, 2019 /
 
Attól függ mit értünk stabilizáláson.
Szerintem mindketten mást.
A 100-240V AC bemenő nem garancia semmire, a stabil kimenőre sem.
A széles bemenő tápfesz tartomány már mindennapos.
Azért egyszer szkópolj meg egy ilyen adapter kimenetet.Érdekes.Főleg terhelésen.
(#) Epu2 válasza (Felhasználó 1947) hozzászólására (») Dec 29, 2019 /
 
Elárulom, hogy több kilencvoltos műszeremet működtetem dugasztápról, kihasználva, hogy üresjárati feszültsége jóval magasabb. 3 db fehér LED sorosan, párhuzamosan vele 470 µF-os kondenzátor és ezek a műszerrel párhuzamosan. Egy előtét ellenállás akadályozza meg a katasztrófát, a LED áramát 10..15 mA-re beállítva. Évek óta megy. Néha napokig egyfolytában, néha csak egy mérésig. Digi-dugi. Olykor-olykor becsap a hálózati táplálás zavara, de akkor másik műszerrel mérek.
(#) Bakman válasza Epu2 hozzászólására (») Dec 29, 2019 / 1
 
Elemes tápellátásra tervezett mérőműszert hálózati tápegységről járatni érintésvédelmi szempontból hajmeresztő.
(#) Fodor hozzászólása Dec 29, 2019 /
 
Sziasztok.
Ismét itt egy kérdéssel. Sajnos hiányosak az elektrotechnika alapismereteim, mert nem ezt tanultam, de rokon szakmám van...

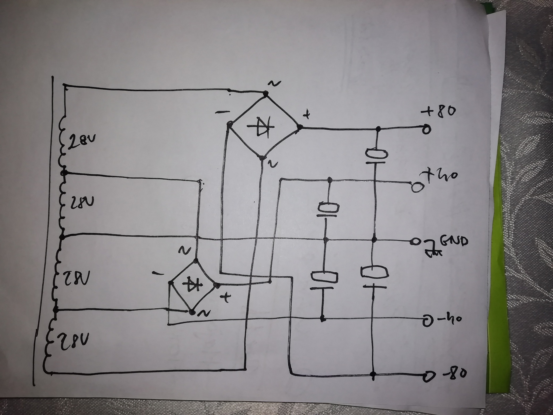
Szóval most hoztam egy érdekes táp megoldást, amit szeretnék pontosan érteni, ezért fordultam hozzátok. A kapcsolás lényege, hogy 4 darab 80V-os 10ezer µF-os kondenzátor használ a transzformátor szekunder oldalán, ahol 4 darab 28W-os tekercs található. A kérdésem az lenne, hogy az alábbi kapcsolásban, ha 80V és GND közötti feszt használom, akkor 20ezer µF pufferem van, vagy kevesebb? Ugyanis, ha a kondenzátorokat sorosan kötöm, akkor az eredőben úgy viselkedik, mint a párhuzamos ellenállás, tehát feleződne a kapacitás. Remélem érthetően írtam le mit szeretnék pontosan.



Segítségeteket előre is megköszönve.

Üdvözlettel: Fodor József
(#) kendre256 válasza Fodor hozzászólására (») Dec 29, 2019 / 1
 
GND és 80V között 5000 µF puffered lesz.
(#) (Felhasználó 1947) válasza Fodor hozzászólására (») Dec 29, 2019 / 1
 
Ha ezt így bekötöd a trafó AC tekercseire, akkor semennyi puffered nem lesz, hanem a sürgősségin kötsz ki kondikkal a fejedben.
A 4db 28W-os tekercs gondolom 28V-os akar lenni.
A kérdés hogy milyen a tekercsek kivitelezése, kötése, utána lehet agyalni graetz -en, vagy diódákon.
(#) Fodor válasza (Felhasználó 1947) hozzászólására (») Dec 29, 2019 2 /
 
V akar lenni, bocsi, de ki mondta, hogy ezt így egyen irányítás nélkül kötném be? Maradjunk a kérdésnél és ne annál, amit belemagyarázol!!!!!
(#) (Felhasználó 1947) válasza Fodor hozzászólására (») Dec 29, 2019 / 1
 
Idézet:
„A kapcsolás lényege, hogy 4 darab 80V-os 10ezer µF-os kondenzátor használ a transzformátor szekunder oldalán, ahol 4 darab 28W-os tekercs található.”

Egyenirányításról nem írtál.
Mellékelek egy skiccet, ha így kötöd, minden tápágon 10000µF puffered lesz, ez a legoptimálisabb megoldás.Szerintem.
Tanulj meg jól kérdezni, egyszerűbb lesz az élet.
Köszönöm a negatívot, szívesen segítettem.
A hozzászólás módosítva: Dec 29, 2019

8040.jpg
    
(#) Fodor válasza (Felhasználó 1947) hozzászólására (») Dec 29, 2019 /
 
Így gondoltam, most rajzoltam le gyorsan én is 1-et. Bocsánat, fárasztó napom volt.
Nem a gnd és a 80v között van a kondi, hanem a +80 és a +40 között! (Gyári végfok táp paneljét tanulmányozom)
A hozzászólás módosítva: Dec 29, 2019
(#) (Felhasználó 1947) válasza Fodor hozzászólására (») Dec 29, 2019 / 1
 
Gyárilag így van?
Fura.Mondjuk annyi előnye van így, hogy elég 4db 50V-os puffer.
Amit rajzoltam, oda 2db 50,és 2db 100V-os puffer szükséges.
(#) Fodor válasza (Felhasználó 1947) hozzászólására (») Dec 29, 2019 /
 
Így van, de az zavar, hogy így 20 vagy csak 5 ezer uf puffer van benne? Elég meglepő lenne, ha gyárilag egy ilyet elrontanak. Amúgy egy T AMP TA1400-as Végről beszélgetünk.
A hozzászólás módosítva: Dec 29, 2019
(#) kendre256 válasza Fodor hozzászólására (») Dec 29, 2019 / 1
 
Ha a 80V-os feszültségeken sokkal kisebb a terhelés, akkor nem biztos, hogy el van rontva.
(#) (Felhasználó 1947) válasza Fodor hozzászólására (») Dec 29, 2019 / 1
 
Nem hiszem hogy el lenne rontva.
Inkább az lehet amit írtam, a költségoptimalizálás miatt vannak így kötve a kondik.(kisebb feszültségtűrés-olcsóbb)
A GND-hez nézve a +/-40V-os tápágon 2x10000µF van, a +/-80V-on 2x5000uF,a soros kötés miatt ha jól tévedek.
Cserére szorulnak?
(#) Fodor válasza (Felhasználó 1947) hozzászólására (») Dec 29, 2019 /
 
A tranzisztorokat fogom cserélni az egyik oldalában, (sikerült megvenni olcsón, hibásan javításra) kíváncsi voltam a táp áramkörére, mert vannak ilyen végfokaim.
Sajnos nem egy Dynacord, pár éve azokkal dolgoztam, de úgy hozta az élet, hogy meg kellett váljak tőlük. Most t amp-ra váltottam, megfogott az egyszerű belseje, könnyű javíthatóság...
Most a hangminőségbe inkább nem mélyednék bele..
Dynacord S1200-nak bonyolultabb a kapcsolása, nem beszélve az újabb típusokról.
(#) Szárnyas válasza erzsé hozzászólására (») Dec 29, 2019 /
 
Az előadássorozathoz tartozó jegyzet pedig itt található: Bővebben: Link
(#) erzsé válasza Szárnyas hozzászólására (») Dec 29, 2019 /
 
Tudom, láttam. Mellékletként szerettem volna feltölteni, de túl nagy. Köszi, hogy linkelted.
(#) Szárnyas válasza erzsé hozzászólására (») Dec 29, 2019 /
 
Én meg köszönöm az előadások linkjét! Csak azért írtam be ide, mert nem pont azon a címen érhető el, ahol az előadó is említi. Ha esetleg valakinek nincs türelme utánakeresni.
(#) subwoffer hozzászólása Dec 30, 2019 /
 
Üdv!

Van egy toroid transzformátorom (12v 250w) A kérdésem az lenne hogy autórádió tápegységét szeretném megcsinálni majd és a toroidra az van rá írva hogy csak világításhoz (only for lighting) hogy ezzel a trafóval van bármi féle hátrány hogy autórádiót üzemeltessek? Elviekben 12v hagyomágyos spot égők lettek róla üzemeltetve.
Következő: »»   3394 / 4054
Bejelentkezés

Belépés

Hirdetés
XDT.hu
Az oldalon sütiket használunk a helyes működéshez. Bővebb információt az adatvédelmi szabályzatban olvashatsz. Megértettem