Fórum témák
» Több friss téma |
Fórum » Csöves erősítő készítése
Ne feledd betartani a fórum viselkedési szabályait, és a topik megmaradásának feltételeit. [link]
A téma átmenetileg fagyasztva lett, hozzászólni nem tudsz!
Nyilván ők is birkóztak a macival. A 2,7 uH - 47 nF -os soros rezgőkör 447 (gondolom 450 akarna lenni) kHz, a 2.7 uH - 100 nF rezgőkör a 306 (gondolom 300) kHz -es összetevőt kívánja csökkenteni, eléggé lerontott körjósággal. Meglehet ezeket a harmonikusokat ítélték legveszélyesebbeknek, legnagyobb amplitúdójúaknak.
Azt nem tudom, hogy miért pont ezt a kettőt, de egy belső intermoduláció ezeket az összetevőket egyszerűen visszafordíthatja a hangfrekvenciás sávba. Erről beszéltem, ha egyszer megjelennek a keresztmoduláció termékei, azokat már igen nehéz kiszűrni. Jobb, ha a keletkezés helyén akadályozzuk meg a nagyfrekvenciás harmonikusok keletkezését.
Nekem az ott a kép alapján, lévén hogy van ott egy + jel is, 470 és 100µF-nak tűnik (C6-7), azzal meg a 2,7uH bőven a hangfrekiben van. Szerintem inkább az elkók ESL-jét növelték vele, hogy mi okból azt nem tudom, mert az árammeredekség csökkentéséhez meg az az érték kicsi.
Igazad van, elkerülte a figyelmemet a + jel. Ha így számolunk, akkor 10, és 14 kHz re jön ki a rezonancia frekvencia.
Természetesen konkrétan nem tudom, de akkor inkább az induktivitásnak kellett volna nagyobbnak lenni. Szerintem.
Kb. Ilyesmit sejtek én is és mivel két szűrő is van egymás után, nekik valami nagyon bezavarhatott és ezért tették oda. Nem kondi töltögető impulzust simogat. Ez más szerintem. Valószínű, valamilyen készülék valamilyen zajt termel és annak valamely harmonikus termékét igyekeztek volna kiszűrni. Szerintem ilyesmi lehet. Hálistennek ilyen nálam nincs, így nincs ilyesmire szükségem. Ahol van, ott gondolom mással nem tudták kiszedni a graetz után jövő cuccot. Gondolom én. Aki oda tervezte az tudja leginkább.
Szerintem elkot tehermentesíti nagyfrekis tüskéktől, úgy sem tudna megbirkózni vele, arra ott van a 2u +10n fóliakondi.
Szerintem a kezdeti, és a folyási szög alatti kezdeti töltőáramot korlátozza, kímélve ezáltal a diódákat és a nagy kondikat is. Valószínűleg az áram ugrásra van hangolva...
Csak érzésből..Szerintem.
Az elektroncsöves egyenirányítás csak A osztálynál ajánlott. Félvezetős, gyors diódákkal ugyanez elérhető, 100 ohm körüli soros ellenállásokkal. Ki kell próbálni.
Még említem ezt az RL "rejtélyt". Amikor évekkel ezelőtt először láttam, érzésem szerint talán ez érthetőbb lenne - rajzom - de bizonyára tudós emberek tervezték az eredetit, ha valóban úgy van gyakorlatban is a kivitel. Egyelőre szolgaian lemásoltam nyákra az eredeti sémát. Mert találkoztam neves gyártó elvi rajzával, ahol a 12V-os stab kocka "talpán" a feszültség emelő dióda fordítva volt berajzolva. Van egy Coffin 2014 feliratú nyákom, ahol az eredeti séma szerinti a kivitel.
Az eredeti rajz jó, ott 2u és 10n is lényeges. így az elkok után már nem érdemes fóliakondit bekötni, esetleg az R/L tag elé.
Sziasztok,
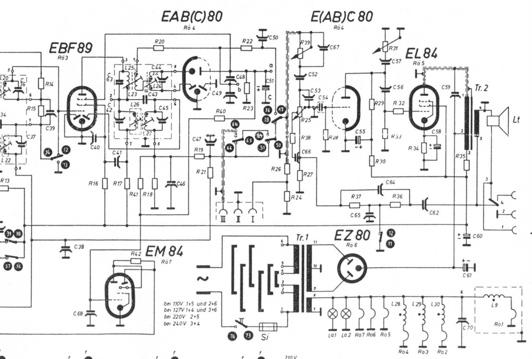
Kötelező vagy "csak" erősen ajánlott külön 6,3V-os tekercsről fűteni az EZ80-at és egy másikról az összes többi E-s csövet? Bár az igazat megvallva követtem el ilyen közösítést régebben és eddíg nem volt belőle baj... Köszönöm.
Kötelező külön fűteni. Gondolj bele kicsit. Rajta van a fűtésen az egyenirányított feszültség. Bár az EZ80 nem direkt fűtésű, de a fűtőszál nagyon közel van a katódhoz eleve. Ezért is nem szabad a többi cső fűtésére kötni. Nézegess csöves tápegységgel rajzokat. Meg fogod látni.
Ez egy érdekes kérdés, mert elvileg külön fűtőtekercs kellene neki, de pl. az NDK Weimar rádióban ugyanarról a tekercsről járt az összes cső fűtése és az EZ80 is, míg a hazai rádiókban külön fűtőtekercset készítettek neki.
Tamás annak mindenképp külön tekercs kell. Ha ráköti az összes csövet egyetlen fűtésre, elég kicsi az a távolság a fűtőszálak és katódok közt. Igen hamar átüthet bármelyik cső katódjára és még csak meg sem látja, csak azt amikor már füstöl a trafó. Én biztosan nem tenném.
Igen, tudom, ezért is hoztam fel furcsa ellenpéldának az említett rádiót.
Júj. Szerintem aki ezt tervezte, vagy nem kapott aznap csak zaccos kávét, vagy a nyugat németeken akart bosszút állni.
Az EZ80 Ufkp (csúcs) feszültsége 500 V. Ha az egyenirányított feszültség csúcsértéke, és a fűtőszálak bármelyik oldalának feszültsége nem haladja meg ezt az értéket, akkor lehet közös a fűtőtekercs.
Mindazonáltal, azért ha lehet nem húzkodnám az oroszlán bajszát, mert ha az EZ80 véletlenül fűtés katód zárlatos lesz, annak komoly következményei lehetnek. Az NDK -s megoldás nem rossz, csak veszélyes. Ez az ára annak, ha megspórolnak egy plusz tekercset. Pl. az EBF max fűtés katód feszültsége csak 100 V, egy EZ80 fűtés katód zárlata esetén ez a cső is átköltözik a túlvilágra. A hozzászólás módosítva: Jan 22, 2020
Üdv! Tapasztalat és elmélet is érdekelne, hogy PP-nél mi a különbség ha a szekunderről, vagy külön visszacsatoló tekercsről (BEAG EA057) megy az átfogó NVCS. Tudom, részben kimenő trafós a felvetés, de itt előbb kapok választ.
Szia. Én személy szerint Grampától tudom, hogy ha van külön a kimenőn visszacsatolótekercs az sokkal jobb, mint ha szekunder tekercsről vesszük le a jelet. Így én a PP-mbe a kimenőkre tekertem kívűl valamennyit, de nem is egy teljes szekundernyi, csak egyetlen réteg vékony huzallal. Úgy emlékszem a szekunder menetek vagy fele, vagy kétharmada. Az, hogy mivel jobb attól, ha nincs ilyen v.cs. tekercs nem tudom összehasonlítani. Ha van ilyen tekercs, akkor nem feltétlen kell letenni a szekunder kezdeti végét a GND-re. Így el lehet választani galvanikusan. Egyszer, vagy hat éve volt nálam javításon egy gitárerősítő és abban volt így kialakítva a dolog és a hangszóró kimenetét kapcsolóval lehetett a GND-re tenni, vagy leválasztani. A bemenetnek is volt egy Ground Lift kapcsoló. Nem emlékszem már ilyen márka volt pontosan, de jó nehéz volt megjavítani, mert tele volt még tranyókkal is, meg IC-kkel még a végcsövek közvetlen közelében is.
A hozzászólás módosítva: Jan 22, 2020
Ahogy Attila részben írta, ha nem akarod a szekunder tekercset a földre kötni, akkor muszáj külön vcs tekercset is tekerned. A másik, hogy ugye ha vcs-t tesznek egy erősítőbe azt azért teszik, hogy az átviteli hibákat javítsa. Ha a szekunderről veszed le ehhez a jelet, akkor a teljes lánc, azaz a kimenő hibái is benne lesznek ebben a körben. Ha viszont külön tekercset teszel még rá, akkor eldöntheted hogy a trafó hibái mekkora részben kerüljenek javításra, azaz a primer-szekunder kapcsolatához képest (szórás és kapacitás) hova és hogyan helyezed el azt a tekercset, így milyen kapacitása és szórása lesz a primerrel a szekunderhez képest.
Ezekhez még további előnyként hozzájön, hogy nincs frekvenciafüggő értékű komplex terhelőimpedancia, ami bezavarhatna.
A hozzászólás módosítva: Jan 23, 2020
Idézet: „Így én a PP-mbe a kimenőkre tekertem kívűl valamennyit, de nem is egy teljes szekundernyi, csak egyetlen réteg vékony huzallal.” Szerintem nem igazán jó megoldás, ha külön visszacsatoló tekercset készítesz, az osztások közé ezt is be kéne rakni, így lesz megfelelő csatolása. Csak a felülre tekert sor átvitele rosszabb, így visszacsatolás hatása sem lesz megfelelő. Erről méréssel is meggyőződhetsz. Ugyanez a helyzet, ha quad kapcsoláshoz katódokba készítünk beköthető tekercseket, működik de a hatása nem lesz megfelelő.
Azt nekem sose mondta senki hogy a v.cs. tekercset belül kéne kialakitani. Nekem anno Kálmán mondta, hogy ott is jó ahová tekertem. Így ott van most is. Én már ki nem szedem onnan
TK157
A sraffozott tekercsek visszacsatolók.
Mindegy, az enyém már úgy veszett. Ilyen sok visszacsatoló meg eleve nem tekernék
Szabadon választott lehetőség, semmi ilyesmi nem kötelező.
Igazából szerintem jó lehet vcs.tekercsnek a kívülre tekert egysoros (félsoros) is, az átvitele terhelés függő is. A visszacsatoló tekercs szempontjából a szekunder is primer, meg a primer is primer (egy trafó mindegyik tekercse hat a másikra). Lehetséges, hogy ami kell az pont ott lesz a tekrencen, ill. bizonyára ott is van (nem feltétlen kellhet egyenletes visszacsatolás)...
|
Bejelentkezés
Hirdetés |







