Fórum témák
» Több friss téma |
Fórum » H-híd hiba
Szia. Csodálkozok a rajzon. A Fetek nem jól vannak bekötve. Így ha zár a tranzisztor, akkor a +és- ág egyszerre aktív, magyarán rövidzár. Nem keresztbe kellene kötni?
Hogy még én is hozzátegyek. Ha tranzisztor adatlapot csatolsz, akkor már célszerűbb a saját gyári adatlapját csatolni, például így, akkor sokkal kevesebb az elírás. De kérdem , miért fontos egy motorvezérlő kapcsolásba 300 V -os tranzisztor? Az induktív terhelés visszahatásaitól azt is meg kell védeni, nem azért a nagy fezsültségtűrés, hanem spec felhasználási területe miatt.
Oke, tegnap este ugytunik kicsit keso volt mar,
Az abra csak sematikus akart lenni, a tranzisztorok jol vannak kotve, (hibas vagy forditott kotes eseten nem 2.8 V-al valtogatva kapcsolna hanem sisteregne es kijonne a fust). Az abrat mindjart kijavitom, es probalok kapcsolasi rajzot is krealni. Pucuka hozzaszolasabol azt veszem ki hogy a 300V eros tulzas, de azt linkeltem be hogy mibol gazdalkodok, es tanacsot kertem. Utobbi probalkozasaimbol kiderult hogy a 300V-ossal kb 0.5V jut a motorra, a 40V-ossal 2.8, ergo a tranzisztor nem jo (oke ezt talaltam 10-15 darabot - ha valamit elkotok akkor inkabb ezt fustoljem mint a 600Ft-os FET-eket... ). A vezerlo jel 5V, van rajta 1K-s ellenalas, ugy van bekotve a tranzisztorok bazisara. Kerdeseim: Ha a tranzisztorok nem jok, milyet keressek? Hova tegyek diodat? Mekkora ellenalas kell es hova ha megoldhato hogy 5V-rol 12-t vezereljek?
Igazából olyan H-híd rajzot keress, amiben legalább 6 tranzisztor van.A kimeneted azért oly csekély, mert az 5V vezérlő feszültség behatárolja a felső tranzisztorok emitterpotenciálját.Ha meg PNP tranzisztort alkalmazol felülre akkor viszont a vezérlésed kimenete kap 12V-ot így az megy tönkre.
Ez talán jó. de biztosan nem állítom. Valahol láttam ahol a felső tranzisztorok PNP-k voltak, és keresztbe volt kötve a vezérlés, talán az még jobb lenne számodra. A hozzászólás módosítva: Máj 16, 2014
Koszonom a konstruktiv hozzaszolast, es a linket.
Az nem eszi tovabb a feszultseget ha beleteszek meg egy tranzisztort a vezerlojelbe? Mukodokepes az elgondolas a jelenlegi eszkozkeszletbol vagy szerezzek be masik tranzisztorokat (milyet)?
Elvileg a vezérlő jellel egy tranzisztort vezérelsz, az vezérli a többit. A tranzisztorok meg kis terhelésre elvileg jók. (egy kisebb magnó motor)
Tesztre egy 12V-os nyomtato (fej / patron mozgato) motort hasznalok, kis fordulat, elvileg birnia kell, a vegleges verzioban esetenken egy zarast / nyitast kell elvegeznie (3mp) vegpont szabalyzokkal, de ha 1 ev alatt 10 x nyit / zar akkor az mar nagyon rossz. (addig meg el van LOW -LOW state-ben)
Sajnos a szervo nem eleg nyomatekos, a lepteto motor meg kb tobbe kerulne mint az egesz projekt, kb ezert szenvedek itt az analoggal:-/ A motoron attetellel van akkora suly hogy elvileg ne legyen visszarugas a rendszerben (indukcio) Holnap osszerakom a kapcsolast meglatjuk milyen lesz... (Amugy a PNP-k sokkal tobb feszultseget vettek le mint az NPN van ennek ertelme?)
Ha jó akkor mindegy mennyit nyit/zár, ha rossz akkor 1-2 csukás elég a tönkremenethez.
Pontos rajz (értékekkel) nélkül nehéz megmondani mi a jó. és mi a rossz.
Helo,
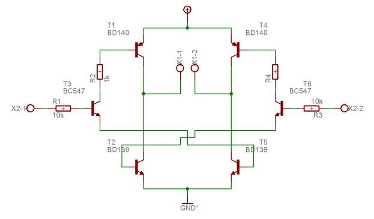
Kicsit nyakamba szakadt a munka, de osszeraktam a kapcsolast az alabbi kep alapjan: Mukodik, kapcsolja a 12 V helyett a 9-10-et, de amikor polaritast kellene valtani (bemenet 1;0-rol 0;0-ra majd 0;1-re valt - 0;0-t kozbeiktatva a kapcsolas kozbeni rovidzarat elkerulendo 100ms-es idozitessel) piszkosul el kezd melegedni a ket PNP tanzisztor. (jobban melegszik mint amikor folyamatosan egyik pozicioban van (pl 1;0) Van valakinek valami otlete mi okozhatja a problemat? Valaszokat elore is koszonom. A hozzászólás módosítva: Máj 29, 2014
Szia.
Az ellenállások nagyok, azért nem megy 12V-ra fel. A BD tranyókhoz pedig rakni kellene diódákat.
Ha lekötsz mindent a bemenetekről, motor nélkül melegszik? Motorral, üres bemenetekkel?
Sziasztok!
Olvastam a topic korábbi hozzászólásai között, hogy L293D nevű IC-vel lehet vezérelni 2 irányban DC motort. Nekem van egy 3V-os, 0.5 A-es kis motorom és ezt szeretnám vele meghajtani, csak az IC beszerzése előtt kérdezném Tőletek, hogy akkor mindent jól értelmeztem, és 2 logikai bemenettel és egy PWM jellel tudom kielégítően vezérelni a motoromat? Köszi!
Nem hiszem, hogy jó ötlet ez az ic. Szerintem a 3V igen igen kevés neki.Nem tudom mit javasoljak helyette, lehet valami cd-dvd motorvezérlő ic-je jobb volna.
Köszi, erre én is gondoltam, és bár a motorom 3 V-os, 4db AA akkuval látom el táppal és pwm-mel lövöm be 3 V köré... Olvastam az oldalon egy cikket, de ennek a topicnak az elején esett róla szó, hogy nem jó a kapcsolás, aztán, hogy ki lesz javítva aztán, hogy törölve lett, szóval sok mindent mondtak, de a cikk még fent van az oldalon és nem tudom, hogy működik-e a kapcsolás.
Egyébként ha tudsz, akkor javasolj kérlek konkrét IC-t, ami jó kisebb áramú motornak (0.5A) és kis tápfesznek(kb 3V). Elvileg találtam egyet, de nem kapható itthon: letötés
Úgy nézem elég elhagyatott a téma. Azért hátha valaki benéz ide. Szeretnék hozzáértő véleményt !
Ez igy működhet ? A motor egy 24V 80mA nyomtató motor max.: 16V-ról hajtva. A hozzászólás módosítva: Feb 22, 2015
24V egyfazisu motor a nyomtatoban?
Mindenesetre en kicsit leegyszerusitenem, az opto utani reszt egy L298-as meghajtoval helyettesitve.
Igen ! Lézer nyomtató (fénymásoló ?). A 298-ban két híd van. Sajnálom a másodikat elvesztegetni, és semmivel sem lennék előrébb . Összepakoltam a rajzon szereplő áramkört csak a védő diódák maradtak le. A Q1 elkezdett melegedni mint az állat ! A DIR bemenettel megfordítottam a forgásirányt akkor egyik sem melegszik. Ötlet ? Ma már nem megyek alkatrészért holnap, veszek másik tranyót....
Csak tudnám mitől szállt el (ha elszállt) ? A hozzászólás módosítva: Feb 23, 2015
Hello! Azt vedd figyelembe, hogy ennél a kapcsolásnál, a DIR átváltása közben a PWM-nek kikapcsolt állapotban kell lenni. Mert az átváltás pillanatában a hídban, minden tranyó nyitva lesz és esetleg abba belepusztulnak. Nem is kell terhelés nekik.
Sziasztok. Segítségre lenne szükségem. H-híd vezérléssel kapcsolatban, de nem motorhoz. Van itt egy 500 KHz-1MHz rádiófrekvenciás kozmetikai gép. Bezúzták az érintőképernyőt. Elkészült hozzá a PIC vezérlés, de sajnos a próbakor a HIP4081 Mosfet híd vezérlő tönkrement benne. Nem vettem meg, mert drága, és csak rendelni lehet, de bánom, mert nem sikerült az átalakítás. Trafóval hajtva a Feteket jónak tűnt, de visszahozták a gépet azzal, hogy gyenge. Sajnos átalakítottam, és kivettem belőle az SMD ellenállásokat az IC 8-9-es lábak és a test között. Tehát muszáj mégis megrendelnem azt az IC-t és visszaalakítani mindent eredetire. Az adatlap valami bekapcsolási időzítésről ír, és potenciométerek vannak ott az adatlapon, nem tudom milyen értékű ellenállások kellenének oda? R33 és R34 pozíciószámon vannak az adatlapon.
A hozzászólás módosítva: Ápr 21, 2015
Gondoltam. Az egész neten csak motorvezérlésre használják a H-hidat. Valahogy be kell játszanom potenciométerekkel. Csak a trafó helyére kell valami égőt tennem különben füstölés lesz. A gond az, hogy 48 Voltról dolgozik rá egy 4 menetes 2 mm vastag huzalból tekert trafóra. Ha csak egy pillanatra megáll, leégünk. A trafó meghajtás azért volt jó a Feteknek, mert megvolt a kényszerkapcsolat. Híd vezérlő HIP 4081-et a tiltó bemenetről kell elindítani? Mert a bemenetekhez még külön inverter kell az ellenfázisú vezérléshez. Másik kérdés az, ha a 48 V helyett kevesebbet adok kiakad? Vagy a 12V meghajtó táp körül lehetett gubanc. hogy füstölt? Az igazi gond az, hogy nem tudom, először mitől égett le a HIP a Fetekkel együtt, pedig csak 12-24 Voltról próbáltam. Az 1 MHz-et egy fémházas kvarc oszci állította elő, inverternek ha jól emlékszem egy BF240-et használtam. Az indítóra rakosgattam a testet, működgetett olyan 0,5 Ampert vett fel a végfok, mérni nem volt időm, mert egyszer csak zárlatos lett az egész.
Sziasztok!
FET H-híddal szeretnék meghajtani egy tekercset, vezetéknélküli töltő építése a cél. Megépítem a neten talált kapcsolást (ami egyébként egybe vág a híd vezérlő IC adatlapjában közölt kapcsolással is). Ohmikus kimeneti terhelés mellett van egy szép (nem olyan szép) négyszög kimenetem, de amint ráteszem a tekercset, K.O. Ha a labortáp áramkorlátját nem veszem alacsonyra, el is füstöl a híd a vezérlő IC-vel együtt. Mi lehet a gond? A tekercs induktivitása az adatlapja szerint 6.8uH, ehhez 300nF-ot tettem sorban, az úgy nagyságrendileg elvileg jó. Csatolom a kapcsrajzot, illetve a szkóp képeket: A képek listája: - kapcsrajz - összerakott áramkör "dugdosós panelen" - kimenet ohmikus terhelésnél (5us osztás) - kimenet induktív terhelésnél (5us osztás) - kimenet induktív terhelésnél (50us osztás) - alsó FET gate-je induktív terhelésnél - felső FET gate-je induktív terhelésnél Köszönöm előre is az ötleteket, segítséget! Ádám
Nekem a táp vonalon - tehát a H-hídon kívül eső "current limiter coil" furcsa. Ami hídkapcsolást láttam, azon nem volt ilyen - nem mintha H-híd szakértő volnék. Nem lehet, hogy ennek a tekercsnek van valami durva EMF hatása?
Azt én is kihagytam a kapcsolásomból, nekem is furcsa volt ott, csak elfelejtettem megemlíteni... szóval az nincs benne, de köszönöm az észrevételedet!
Szia!
Próbáld meg egy 50-100 uH-s légréses "current limiter coil"-lel, de külön tápról, amit folyamatosan növelsz 10 volttól, elégséges áramkorláttal. A tekercs elé és után tegyél 4-6 µF kondit, kicsi induktivitásút. A frekit vedd lejjebb, sacc 70 kHz-re, a kondit növeld meg. A következő lépcső, ha nem lenne jó, sokkal nagyobb induktivitású "töltő" tekercs és hozzá számolt kondi.
Szia!
Köszönöm szépen a segítséged! Mondom sorban: - Csak vasmagos 47uH-s tekercset találtam itthon. Mennyire (és miért) fontos, hogy légréses legyen? -> Esetleg mepróbálhatom kiszedni belőle a vasmagot. Ez ilyen radiális kivezetésű, Lomex-es tekercs és nem tudom mennyire lehet sérülés-mentesen kiszedni, de ha kell, veszek, csak szeretném érteni az okát. - A 4-6 µF kondiat a current limiter elé és után gondoltad, ugye? Tettem be. - A frekit csökkentettem 70kHz-re. - Külön labortápról hajtom a hidat és külön labortáptól az IC-t. Azt tapasztalom, hogy sokkal jobb a helyzet, de vannak kérdéses jelenségek: - A kimenet szkóp-képét csatolom. Látszik, hogy van egy alap szinusz, de a felső és alsó csúcsnál valami elég durva zavar szuperponálódik rá. Egyelőre még méregetem, hogy honnan származik. Esetleg van ötleted? - Az a labortáp, amiről a FET hidat hajtom, áramkorlátos üzembe kerül (egészen 1A-ig felemeltem szép lassan a korlátot), és így a táp kimenete (1A-es korlátnál) 1VDC-re korlátozódik, ez kerül rá a FET híd tetejére, és így jön ki belőle a képen látható +-5V-os szinusz... ezt most annyira nem is értem.. mármint, nyilván a rezonnacia miatt, de az az 1VDC-s labortáp kimenet azért nekem akkor is gyanús. Köszönöm szépen minden további meglátásodat! Ádám
Az a 47 u milyen vasmagos? Ferrites? Egyelőre, ha nincs légréses, az is valami...mivel egyenáram folyik át rajta, azért kell légrés. Ki tudja, hol telítődhet.
A kondikat is korrigáltad a 70 kHz-hez? Az tudod, a töltendő "teló" mégis milyen frekit kérne optimálisan, ill. mekkora teljesítmény kell már dc szinten? Az 1 amperes korlát kevés lesz, legalább 1.5 kell. Ha a teló töltés kérne pl. 5 volton közel 1 ampert is ( ki tudja, milyen üzemben megy ), oda sacc 3x akkor bevitt teljesítmény kell a hidban. Természetsen levett teljesítmény nélkül sok az 1 amper is. Csinálj egy hasonló méretű, de legalább 30-50 uH-s töltő tekercset és azzal is próbálkozz. Majd a párjáról se feledkezz meg, amiről egyelőre leveszed a teljesítményt, azzal lesz igazi a teszt. A hozzászólás módosítva: Jan 21, 2020
- Igen, ferrites. Majd veszek légréseset.
- A kondikat korrigáltam, 70kHz-hez (és az adott 6.8uH-hez), jelenleg 780nF van bent sorban. - Nem egy adott szekunder oldalhoz szeretnék adó oldalt készíteni, mindkét oldalon saját áramkört tervezek, úgyhogy a freki végülis nem olyan kötött (kivéve a tekercsek jellemzőit, lásd lentebb). - Nekem szekunder oldalon kellene minimum 0.5W villamos teljesítmény (mondjuk 5V-on), valahogy, a tekercsek fizikai távolsága pár (max 8) mm. - Az odáig teljesen oké nekem is, hogy kell majd amper a primer oldalon, csak nekem az a gyanús, hogy miért ilyen sok terheletlen esetben? - Csinálhatok másik tekercset, de én két, kereskedelmi forgalomban kapható tekercsből indultam ki, mivel ehhez meg vannak adva bizonyos paraméterek és kifejezetten erre a célra vannak fejlesztve, ezért gondoltam hogy, ezekből indulok ki, mert legalább ezzel nem hozok be plusz ismeretlen hibát a rendszerbe. Primer oldalra WE 760 308 101 104 -et terveztem betenni, szerunder oldalra pedig WE 760 308 101 208-at. Ezek elvileg haverok és azért kezdtem a 125KHz-el a teszetket, mert ezt a frekit ajálja a WE application note. Ádám
Nem tudom, a 125 kHz-hez mit szól csak az IC..aztán a fetek...
Na mindegy... Akkor telefont akarsz tölteni és kívül van a vevő tekercs, stb., vagy hogyan? A 0.5 watt szekunder teljesítmény nem valami sok töltéshez, oda ez az áramkör meg sok. A 8 mm sokkal többet kérne a rendszertől. Csak úgy megjegyzem, hasonló célra sacc 50 kHz-en, "flyback" rendszerben 100 uH nagyságrendű tekercsekkel játszottam és 3-4 wattot szedtem le szabályzottan. Végülis a 125 kHz már elmenne úgy-ahogy ezzel a tekerccsel, de ez a meghajtás nálam nem oké.
Most belőttem 100kHz-re, de kipróbálok majd alacsonyabb frekiket is holnap, végülis nem szentírás, hogy ezeket a terekcseket használjam.
Igen, szeretnék egy külön szekunder oldali elektronikát, ami egyenirányít, szabályoz és akksit tölt. Nem telefont szeretnék tölteni, hanem egy külön lítium akksit. (Ajtó-szárnyra szeretnék szerelni egy fogyasztót és az ajtó csukott állapotában szeretném tölteni... persze lehetne valami csúszó-érintkezős megoldás is, de azokkal mindig csak a baj van.) Azt mondod, hogy engedjem el ezt a meghajtást, mert ez így túl van bonyolítva, és próbáljak meg egy "flyback" áramkört építeni? Nekem egy próbát megér az is, szívesen összerakok valamit. Ha linkelsz valami kiindulási alapot, ami szerinted működőképes lehet, szívesen veszem.. márming keresgélek én is, csak annyi rossz kapcsolásba bele lehet futni a neten, hogy egy kis kirányba állítást megköszönnék. Viszont azért csak zavar egy kicsit, hogy ez a FET hidas sztori nem jön össze, mert létezik rá ipari megoldás, ahol kb. ugyanez van megvílósítva és működik (igaz, ott külön kommunikáció meg midnen kutyafüle is implementálva van, ami negem nem érdekel): https://www.mouser.com/datasheet/2/389/steval-isb045v1-1371412.pdf (a kapcs.rajz a 2. és 3. oldalakon van)
Szerintem próbálj nagyobb tekercseket és az alacsonyabb frekin, addig ne hagyd el ezt a
rendszert. ![]() Az ipari készülékekhez nem tudok hozzászólni, mert nem ismerem a rendszert és a 125 kHz egy dolog... program, alkatrész, stb. pedig egyáltalán nem mindegy. A többi nem ide tartozik, privát.. |
Bejelentkezés
Hirdetés |




















