Fórum témák
» Több friss téma |
Fórum » Csöves erősítő készítése
Ne feledd betartani a fórum viselkedési szabályait, és a topik megmaradásának feltételeit. [link]
A téma átmenetileg fagyasztva lett, hozzászólni nem tudsz!
Nem akarok kimenőt tekerni, van elég
pl. TK157 clone. Osztásonkén berakott VCS tekerccsel, mint a gyári. Volt-e értelme anno a külön VCS tekercseknek? A hozzászólás módosítva: Jan 23, 2020
Volt lehetőségem ilyen kimenővel méréseket végezni. Vcs. tekercs visszacsatolásnak megfelelő terheléssel mérve csökkent magasfrekis átvitele. Ebből az is következik, visszacsatolás hatása magasabb frekvenciákon nem érvényesül. Kiemelés, négyszöges méréséken jelentős túllövést produkált. Meghallgatva is rosszabb minőséget produkált, ha erről a tekercsről volt bekötve az NFB.
Hangszóró visszahatása nem kerül be a visszacsatoló hurokba, szerintem ezért is próbálkoztak ezzel a megoldással.
Ha neked van olyanod, akkor talán azt is meg tudod nézni/hallgatni hogy van vagy nincs értelme. Ha DC szempontból nézzük a láncot: erősítő->kimenő->hangszóró akkor a kimenő csak egy 2 pólus, van a primer meg a szekunder oldala. Amint viszont lekötöd a kimenő szekunderét a földre, onnantól 4 pólussá válik, mivel a földön keresztül is tud már áram folyni, ami előtte nem tudott. Azaz az eddigi 2 külön áramkör (primer kör és szekunder kör) össze lett kötve galvanikusan is. Hogy ezen az összekötésen aztán folynak-e bármilyen áramok, zavarok stb. azt én meg nem mondom, dinamikus viselkedés tekintetében nagy rá az esély. És azt sem tudom hogy ez jó dolog-e vagy épp ellenkezőleg.
A 211 és a 057 épp jó példa ebből a szempontból, mert az egyik külön tekercsről működött a másik meg nem, és ezt a kettőt tartották az Eag legjobb hangú erősítőinek abban az időben. Tehát átkötöd a vcs-t egyik tekercsről a másikra, és kiderül mi értelme van vagy nincs. Vagy ha él még valaki a tervezők közül, akkor meg kell kérdezni tőle hogy azt ott és akkor miért úgy csinálták, biztos volt valami oka. Idézet: „kimenő csak egy 2 pólus” Leginkább négypólus, van bemeneti, és kimeneti póluspárja. Még akkor is, ha a bemenet, és a kimenet egy egy pólusa össze van kötve. A visszacsatolás lehet jó is, de elsülhet rosszul is. Pláne, ha nem tudja az ember mit csinál. A visszacsatolásnál az nem megy, hogy így kötöm, meg úgy kötöm. Elég sokat kell számolni, vagy legalább szimulálni, a visszacsatolásoknál fontos a fázismenet pontos ismerete. A szórt induktivitás rendesen ki tud babrálni az emberrel (az ismeretlen fázismenete miatt), mert azt a kimenő beépítése előtt ismerni kéne, és annak ismeretében kell a visszacsatoló ágat méretezni.
Mivel nálam jobban értetek hozzá ,így csak kérdezem .
Mikor a hangszóró membránja mozog és a tömege miatt némiképp túl is lendül , a tekercsében feszültség indukálódik . Ez gondolom ellentétes fázisú a kimenőével . Ha a negatív visszacsatolás a szekunderről történik lehet hogy ezt is kompenzálja ?
Nem. Te pontosan most le is írtad a rosz damping faktor jelenségét. Minden csöves ezt teszi a nagy löketű érzékeny hangszórókkal. És ha ezen szeretnék javítani, vagy szeretnéd a jó hangszóród dampingját kézben tartani akkor nem a csöves lesz a te végfokod. Vagy lelkébe halkítod, mert itt már torzít a hangszóród. De még más rosz dolog is csinálja emellett, dd ez nem idevaló, hanem hagfalasba. Üdv.
A hozzászólás módosítva: Jan 24, 2020
(De a jelenség igaz. PWM-nél, tranyós PWM-nél ilyen sose lesz. Azoké a legjobb damping érték.)
Volt. Az EA057-es kimenőtranszformátorát a tervezője, a Siemens&Halske mintájára tervezte és készítette el.
A lényege, hogy egy bizonyos hangsugárzóval szinte tökéletes hangzás elérése, vagyis studióban használható, elfogadható(!) minőség elérése a cél! (Studiókban nem csereberélik naponta a hangszórókat, hangsugárzókat.) A külön visszacsatoló tekercs itt jól érvényesíti a hatását, nem rondít bele a fő-hangsugárzókimenet tekercsébe, vagy keveset. Ez a hátránya is egyben, mert nem tartja kézben teljesen a hangsugárzót és az visszapofázik a kimenő szekunder tekercsére, ami nem mindig előnyös. Nos, nagyjából ez az előnye, illetve a hátránya, a külön visszacsatoló-tekercsnek a kimenőtranszformátorban. Tulajdonképpen jobb, ha a visszacsatolás a terhelt szekunderről van visszavezetve, mert jobban megfogja az engedetlen hangszórót, vagy hangsugárzót a visszacsatolás és egész jó hangzás érhető el, ugye? Üdv!
Üdv
32 ohmos fejhallgatóra szeretnék csöves erősítőt, lehetőleg egyszerűt, lehetőleg félvezető nélkülit ![]() Van ilyenre bevált kapcsolása valakinek? Elképzelhető ilyen OT nélkül is?
Keress rá a guglival a 6H13C, 6N13S, 6AS7, 6080 OTL kifejezésekre, meglepő dolgokat fogsz találni. Még olyat is láttam amiben brutális mennyiségű cső volt párhuzamosan. Én nem hallottam ilyet, de aki igen, azt mondja brutál jó hangja van OTL-ben fejhallgatóerősítőként. Egy kép hirtelen, meg egy másik.
Miért nem kerül be a hangszóró visszahatása a visszacsatoló hurokba, ha külön vcs. tekercs van? Mindig az a primer, amire feszültség kényszerül (a kényszerítő feszültség felől nézve), ha a hangszórót meghajtó tekercsre a hangszóró felől feszültség kényszerül, akkor az az áttételeknek megfelelően megjelenik a többi tekercsen is (azt csak alacsonyabb impedancia fojtja). A visszacsatoló tekercsbe szerintem hatékonyan áttranszformálódik a hangszóró visszahatása.
Itt is erdemes nezelodni: HeadWize Memorial
Köszönöm neked és GeLee-nek is.
Vettem ma egy fejhallgatót, hogy a családot megkíméljem a hangos zene iránti rajongásomtól. A probléma annyi, hogy a cucc halk... Vagy csak én süketülök, nem tudom ![]() Alapvetően PC-ről zenehallgatás és játék lesz a porondon. A játékhoz elegendő a mostani hangerő is, de a zenéhez kevés. Most kimértem, papíron a 32 Ohm az a valóságban 38. A csöveket szeretem, gitározok is és van a műhelyben egy félkész Marshall is. Érdemes PC-s használatra csövezni? Lehet megoldanám 4 tranzisztorral is az egészet, de az érzés nem lenne az igazi... Nyilván ha csöves készülne, az az asztal dísze is lenne. Itt már persze szóba jönne két EM80/84 és egy EZ80 is, hogy fokozzuk
Mindenképp érdemes, de szerezz be hozzá egy jó minőségű külső hangkártyát is.
Az a kerdes hogyan allsz hozza
![]() Lehet az alapproblemadat megoldja egy kulso hangkartya is, amit Ge Lee amugy is javasolt. Probakepp osszerakhatsz kevesebb mint egy ora alatt egy 6n1p vagy 6n23p kapcsolast es ha teszik adhatsz neki olyan csomagolast ami neked tetszik. A praktikum egy kicsi felvezetos mellett szol de probald ki neked melyik hangja teszik. Es ugye az epites fun faktora sem mindegy. Szamitogephez en egy HD569-et hasznalok, tobbnyire erosito nelkul. A hozzászólás módosítva: Jan 24, 2020
Köszi. Ez eddig a legjobb megközelítés. De a legisleglegjobb tényleg: meg kell hallgatni.
Amúgy TK-157 adott, 300V anódfeszültség adott, és 8db válogatott 6P1P vagy EL84 is. (8cm magasságba is bele kell férni) A visszacsatolás azért volt kérdéses, mert vagy átkötöm vele 4K/8 ohmra, mint az elektroncsoponthun-van (nem szimpatikus), vagy használom az eredeti 4K/16 ohm áttételt, ami jobban szólt az aláillesztettség miatt (pentóda). Innentől már csak az a kérdés, mit kezdjek a felesleges visszacsatoló tekercsekkel. Szabadon hagyjam, vagy katód visszacsatolás. Mindenképpen hallgatózni kell.. A hozzászólás módosítva: Jan 24, 2020
Közvetlenül nem kerül a hangszóró visszahatása a visszacsatoló hurokba, így értettem.
Áttételesen lehet hatása, de az szerintem elhanyagolható. A hozzászólás módosítva: Jan 25, 2020
A TK-157 csak 15(16)Ohm kimeneti illesztésre készült.
Nem lehet vele más impedanciát produkálni, csak teljes áttekercseléssel, akkor viszont nem ugyanazt a minőséget kapjuk. Üdv!
Egy másik megoldás. Ennél van OT, de nincs a végén csatolókondi...
Ez rém egyszerű, valóban.
Ezt nézegetem. Vélemény? https://headwizememorial.wordpress.com/2018/03/20/the-6n1p-otl-head...ifier/ Vajon tényleg azért használt 250Vac (348 eff) szekunder feszültséget, mert erre van szüksége a 6N1P-nek, vagy ilyen volt otthon? Én megelégednék 150V-tal is. Trafót nem szeretnék tekerni. Valószínűleg az itthon lévő zsákokból túrok. Mennyire nem elegáns megoldás egy hálózati trafót fordítva bekötve előállítani 150-200 V feszültséget? Néhány mA-ról lesz szó. Mindenképp sztereót szeretnék, tehát 3 cső fogja az erősítést csinálni. 1000 és 2200 mikrós katód bypassok, csak nekem szokatlan?
Igen, kell neki ennyi ebben a kapcsolasban. Ha kisebbet akarsz, akkor hasznalj E88CC-t ( vagy 6DJ8, 6922,6N23P), akkor eleg lesz 210-220V is.
Van arra is ott kapcsolas valahol, ugyanabban a gyujtemenyben. (A kapcsolas szinte ugyanaz, masok az alkatreszek ertekei)
32 ohmra kicsit soványnak tűnik...
Van itthon egy marék 6N1P, ezért fókuszálok erre.
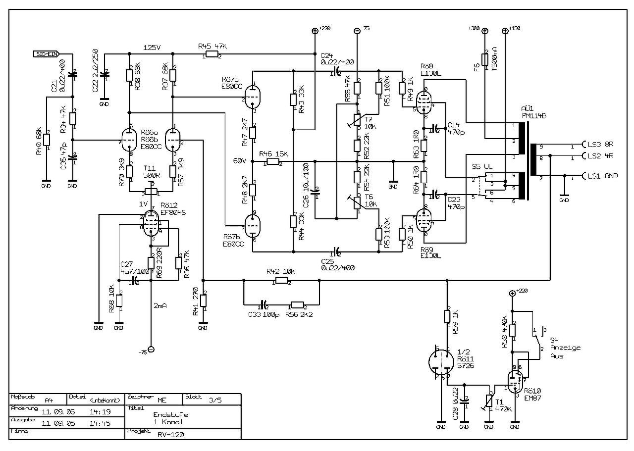
Szeretnék egy kis eszmefuttatást a Hozzáértőktől. A kapcsolás gyűjteményemben találtam ezt az évekkel ezelőtt letöltött rajzot. Tetszik a csöves áramgenerátor és nem teljesen értem az UL külön tekercs megoldást. Utóbbira bizonyára van frappáns magyarázat.
Ha megépíteném, nem ezekkel a végcsövekkel, aminek több oka is van, például nincsenek ilyen végcsöveim. Ha lehet át hangszerelném EL504-re, az van egy kosárral. A kijelző egységről meg lemondanék. A hozzászólás módosítva: Jan 26, 2020
Idézet: „nem teljesen értem az UL külön tekercs megoldást” Végcsövek miatt kényszerült erre a megoldásra, G2 megfelelő feszültségét csak így tudta biztosítani. Nem hiszem, hogy megéri a kimenőt emiatt bonyolítani..
Nem is szeretnék ilyen plusz megoldásokban gondolkodni, készíteni pláne, de nem volt világos számomra az ok, köszönöm!
Párhuzamosítani kellene a 6N1P-ket (kb. ECC85), akkor össze lehetne hozni minden bizonnyal jól 32 ohm-ra is. Sajnos magasabb tápfesz kell, mint ECC88 (6N23P ill. hasonlók) vagy 6N6P-nek (ECC99, E182CC). Ilyen kis impedancián még 6C19P...?
Van egy olyan tervem, hogy a meglévő PP kapcsolást egyelőre elbontom és a táp trafóval egy SE fog épülni. A baj csak az, hogy a fűtés 6,3-ra van tekerve. Milyen végfok csöveket választhatok ehhez? PCL sorozatom van csak.
|
Bejelentkezés
Hirdetés |


pl. TK157 clone. Osztásonkén berakott VCS tekerccsel, mint a gyári. Volt-e értelme anno a külön VCS tekercseknek? 







