Fórum témák
» Több friss téma |
Szia!
Lényeges volt számomra, hogy itthon található bontott alkatrészekből meg tudjam oldani. Az a bizonyos BA6208 IC-s megoldás is egyszerű ráadásul mindössze 59 forint, de mire ideér (Ali) azt nem szeretném kivárni. Üdv!
Sziasztok! 2 gombos +1 vésszleállítós darukapcsoló, gombonként 1 nyitó
1 záró, használat esetén is szükséges egy 3 fázisú aszinkron motor forgás irányának megváltoztatására 2db mágneskapcsoló, és keresztreteszelés? Vagy inkább vegyen ezt a tipust XACA2914 a Schneider-től, mert ha jól értelmeztem akkor ez egy komplett. A hozzászólás módosítva: Jan 22, 2020
Szia.
Nézd meg a katalógus oldalt: Bővebben: Link A 22. oldalon ven az az eszköz. Ott van az érintkezők kiosztása. Alapvetően van benne vészgomb, meg a két irány nyomógombja, ami elég a nyomógombos kereszt-reteszeléshez is (ha szeretnéd). De ez értelemszerűen nem alkalmas önállón a 3 fázis kapcsolásra. Oda kellenek a mágneskapcsolók (vagy valamilyen motorvezérlő) és motor védelem megfelelő vezérléssel (mágneskapcsolós kereszt-reteszelés). A hozzászólás módosítva: Jan 22, 2020
Szia! Köszi, láttam az adatlapot, igy csak 1 fázis vezérlésére alkalmas, de védelem meg akkor sincs. Akkor marad a 2 mágnes kapcsoló plusz reteszelés.
Még egyet akartam van olyan kapcsolasi rajz hogy azonnali forgás irányt tudjak váltani, természetesen 3 fázisú aszinkron motornál, darukapcsolóval? A hozzászólás módosítva: Jan 22, 2020
Találtam itt a fórumon egy kitűnő rajzot, de ez csak 1 fázisra vonatkozik? Vagy minden fázisnál R-S-T -nél megkell csinálni ezeket az átkötéseket. Annyira nem vágom ezt a keresztreteszelést .sajnos.
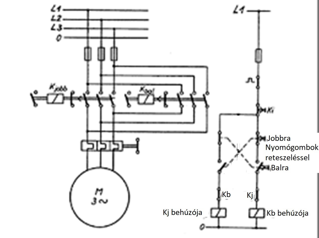
A forgásirány váltás alapvetően két részből áll.
VEZÉRLÉS: Ez a nyomógombokkal és reteszfeltételekkel megvalósított kapcsolás, ami működteti az egyik irányba (K1) és másik irányba (K2) forgás mágneskapcsolóját. Ebben van egy olyan reteszelés, hogyha az egyik irány mágneskapcsolója meg van húzva, akkor a másik irány mágneskapcsolója nem húzhat meg. Például itt, ha a K1 megvan húzva, akkor annak egy bontó érintkezője nem engedi a vezérlést semmiképpen eljutni a K2 tekercsére. ERŐÁTVITEL: A K1 és K2 mágneskapcsoló közül CSAK az egyik lehet meghúzva (ezt biztosítja a vezérlésben a keresztreteszelés). Ugyanis a K1 mágneskapcsoló L1-L2-L3 sorrendben adja a fázisokat a motorra. A K2 mágneskapcsoló pedig L3-L2-L1 sorrendben adja a fázisokat a motorra. FONTOS: A mellékelt linken lévő ábrából kimaradt az F3 motorvédő segédérintkezője (bontó kontaktus). Ezt sorba kell kötni az S1 nyomógombbal. S1: Ki gomb S2: Start egyik irány S3: Start másik irány Bővebben: Link
Remélem jól értelmeztem hogy mindegyik mágnes kapcsolónak rendelkeznie kell 1 nyitó es egy záró segédérintkezövel.
Vagy vegyek egy összeszerelt irányváltó mágneskapcsolót? Mit szóltok hozzá ehhez a tipushoz?
LT4-D1810 18A 230V Irányváltó Mágneskapcsoló
Igen.
A záró érintkező az úgynevezett öntartás (hogy ne kelljen állandóan nyomni az adott irány nyomógombját). A bontó érintkező pedig a reteszelés. Ez nem engedi a másik mágneskapcsolót meghúzni. Persze, vehetsz irányváltó mágneskapcsolót. A példában lévőben már ott a reteszelés kiépítve. Kérdés, hogy mennyivel drágább. Persze egyszerűbb lehet vele a szerelés. FONTOS: - a motor névleges áramának megfelelően kell mágneskapcsolókat választani! - a motor termikus védelme (motorvédő) kötelező még a kapcsoláshoz! - a motor tekercsének megfelelően kell bekötve lennie a 3 fázisra (3x400) és alkalmasnak is kell lennie arra! - földelés megfelelő bekötése a legfontosabb! - megfelelően kialakított szigetelések, burkolások, kábel rögzítések és tehermentesítések kellenek! Ajánlott lenne egy szakemberrel konzultálnod személyesen. Nem játék a dolog. Lehet hobbizgatni, meg takarékoskodni a szerelőn. Kérdés, hogy megéri-e. Amit itt fórumon át tudunk segíteni, az nem biztos hogy elegendő erősáramú szereléshez olyan valaki számára, aki nem ismeri az elektromosság ezen területét jól. Ne értsd félre, ez nem kötekedés, egyszerűen nem szeretném, ha bajod esne, mert valamit nem raksz jól össze. Írtad a motor irányváltását közvetlenül, azaz azonnali gombnyomásra. Létezik ilyen megoldás is, de: ne felejtsd el, hogy irányváltáskor a motor még forgásban lehet. Ez problémát okozhat, egyéb dolgokról nem is beszélve. Szóval ez nem egy NE555-ös villogó, nem ugyanaz a veszélyszint.
Szia! Nem vettem kötözködésnek, de nem állok messze azért a szakmától, elektrotechnikai műszerész vagyok, tisztába vagyok az érintesvédelemmel, meg amúgy eligazodok minden rajzon. Ahogy irtad akkor nekem nem kell záró NO segédérintkező, csak NC nyitó érintkező, mivel folyamatos nyomás kell, lassú forgatáshoz. Ezért akarom egy 2 gombos darukapcsolval kivitelezni a forgás irányt, megnyomom az egyik gombot megy balra, megnyomom a másikat megy jobbra, miután elengedtem a gombot a mágneskapcsoló azonnal kiold.A reteszelést csak a biztonság kedvéért, ha véletlenül egyszerre nyomnák meg a 2 gombot,amire kicsi az esély, de az ördög nem alszik.Természetesen motorvédelemröl is fogok gondoskodni.
Összegezve olyat szeretnék mint egy kis daru, le-fel, csak az en esetembe kobbra balra menne gombnyomásra.
Az előző és ebből a rajzból is kimaradt az indítógombok szakítóérintkezője. Ennek az a feladata, hogy megnyomás esetén kiejteti az ellentétes irány mágneskapcsolóját és mikor már annak záródott a bontó érintkezője, meghúzhat a másik.
Sajnos, az előző változatoknál és ennél se megoldott a motor forgásának figyelése. Nagy forgó tömegű gépnél ráindíthat forgó motorra, aminek beláthatatlan következménye is lehet. Az esztergályosok türelmetlen emberek.
Szia! Az még mindig nem derült ki, hogy amit szeretnél megvalósítani az valójában milyen gépi megoldáshoz kellene. Ezalatt azt értem, hogy a jobbra-balra forgatása a motornak az milyen mechanikai részhez társul? Ha csak arra az időre kell az irány működtetése amíg nyomják a gombot, annak nem kell öntartás a relének de a nyomógomboknak kell a keresztreteszelése. Mivel nem írtál helyzet határolt állapot ellenőrzésről (végállás) így a megoldás is egyszerű. Kettő nyomógomb amelyeknek egy nyitó és egy záró kontaktusa kapcsolja a hozzátartozó irány reléjét, mágneskapcsolóját és nem kell az öntartás (szükséges a személyes kontroll!).
Szia, lényegében ez egy állvány amit kézzel lehetett tekerni, kisebb alkatrészek elfordítására erre vettem egy motort, és amit írtál hogy csak addig megy jobbra balra ameddig nyomva tart a nyomógomb. Lassú mozgás. Erre vettem egy kicsi 2 gombos darukapcsolot vészleallitoval, 1 nyitó es egy záró érintkezővel rendelkezik.
Keresztreteszelés azért szükséges csak ha véletlenül egyszerre nyomnák meg a két gombot. Motorvédelem lesz. Vegallas nem kell mert kontrollálja mindig valaki ezt kus sebességű forgást. A hozzászólás módosítva: Jan 24, 2020
Ezért gondolkozok 2 mágnes kapcsolóról, vagy egy irányváltós mágneskapcsolórol, egy motorvedöröl, és egy 2 gombos+ vészleallitos darukapcsolórol.
Erre a mágneskapcsolóra gondoltam. https://www.16amper.hu/elmark-iranyvalto-magneskapcsolo-lt4-d1810-1...PD_BwE Ha egy rajzot igy osszetudnal dobni megköszönném. A hozzászólás módosítva: Jan 24, 2020
Sziasztok!
Találtam egy rajzot, ha jol gondolom,ez egy keresztreteszelésü forgás irányváltó, öntartás nélkül, tehát addig megy mig nyomom valamelyik gombot. Megerősítést kérek hogy helyes- e rajz. Tehát két gomb együttes nyomása esetén se kapcsol be a másik mágnes kapcsoló. Ha igen akkor kérdezném hogy fázis kimaradás ellen megvédi a motort a motorvédö? Vagy egészítsem ki. A hozzászólás módosítva: Jan 26, 2020
Hali!
Ez, egy folyamatos működésre megrajzolt/megépített, két mágneskapcsolós fázisfordításra alkalmas vezérlés. Kis átalakítással meg tudod oldani a Te elvárásaidnak. A hozzászólás módosítva: Jan 26, 2020
Szia! Köszönöm, ha jól látom akkor a végállás kapcsolok helyére kell tennem a nyomogombokat. Csak akkor olyan nyomogomb kell amin van 1-1 nc no.
Ez is keresztreteszelt ugye? A hozzászólás módosítva: Jan 26, 2020
Nekem tulajdonképpen egy keresztreteszelt forgás irányváltó kapcsolás kell, öntartás nélkül 2 nyomógombbal.
És ez a rajz? Ebbe benne van az öntartó, ami nekem nem kell.
Valaki rajzolna nekem egy rajzot? Ami forgás irányváltó, öntartás nélkül kereszreteszelt, 2 nyomogombbal. Megköszönném.
Akkor talán ez jó lesz. A mágneskapcsolók saját kiesve záró érintkezői is benne legyenek, hogy csak a kikapcsolt állapotukban adjanak engedélyt a másik iránynak. A be gombok kettős érintkezővel rendelkezzenek (egy záró és egy nyitó). A hővédelem segédérintkezője a vezérlésbe sorosan kapcsolódjon a KI gomb elé.
Szia, köszönöm, tehát a mágnes kapcsolók NC érintkezőit a rajz jobb oldalán a kj es kb pontjaira kötni. Igy értetted?
Igen, ha az NC a "normál helyzetben zárt" állást jelenti. Az a lényeg, hogy a Jobbra irány Be gombjának a "be" szálát a Balra (ellentétes) irány mágneskapcsolójának az egyik NC (kiesve záró) érintkezőjén keresztül kell a Jobbra (az az a saját) irányának a behúzó tekercsére kötni.
Rendben köszönöm. Ez a rajz miért nem jó?
De működni fog a Tiéd is csak az együttműködési feltétel a gombok lenyomásának elsőbbségén múlik. Amit rajzoltam azon pedig együttes gombnyomásra nem történik semmi. A mágneskapcsoló NC érintkezője pedig azért kell, hogy csak a kiesett állapota tegye lehetővé a másik meghúzását.
Értem, köszönöm mégegyszer, nekem olyan kellett amit rajzoltál hogy ha véletlenül megnyomják mindkét gombot ne legyen fázis zárlat.
Fáziszárlat az nem lesz egyik esetben sem, mert azt a mágneskapcsoló NC érintkezői biztosítják. A kezelő gomb még a fontos, hogy ha mindkettőt egyszerre megnyomják NE történjen semmi.
Ha nincs bekötve a nyomógombok nyitó érintkezője a másik gombra keresztben, akkor bizony lesz fáziszárlat. ( régebben kipróbáltam) Ugyanis a gombok együttes megnyomásának pillanatában a mágneskapcsolók nyitó érintkezője még zárt, így mindkettő mágneskapcsoló meghúz. Persze közben nyitnak az NC érinkezőik, de a mechanika még továbblendül és zárnak a zárók, összezárva a fázisokat. Egy pillanat elég, de a kismegszakítók leoldanak. Ki lehet próbálni!
A hozzászólás módosítva: Jan 26, 2020
|
Bejelentkezés
Hirdetés |
















