Fórum témák
» Több friss téma |
Fórum » Csöves erősítő készítése
Ne feledd betartani a fórum viselkedési szabályait, és a topik megmaradásának feltételeit. [link]
A téma átmenetileg fagyasztva lett, hozzászólni nem tudsz!
Nekem 0,16-osból van a primer EL84SE-hez.Nem melegszik.
üdv
Jó kis könyv lehet
nem baj ha magasabb, akkor is elfgadom, köszönöm ! Mondjad mit kérsz érte?
Azt hogy valahogy szervezd le a hozzádjutását anélkül hogy a kisújjamat meg kéne mozdítanom, mert iszonyat lusta ember vagyok ám. (Köbzolival meg Hans-al szoktam néha találkozni... talán rajtuk keresztűl.)
Hááát, akkor sztem hagyjuk! Max odaadod Zolinak egyszer,de ő is csak postázni tudja. Messze lakom Tőletek
Nekem is jól jönne a dorót, mert már "túl halk" a PCL86, na meg nincs bemenetválasztó, és mindig "dugdosni" kell a kábeleket
Június 7.-én, én is megyek, ha csövek lebegnek a levegőben akkoris.
Most szombaton lesz börze (7.-e) de lehet hogy nekem nem jó a fenébe is. Sajna problémás lenne a fénymásolása szerintem roncsolódna a könyv. Esetleg kiemelek belőle egy-egy érdekesebb kapcsolást...
Én is megyek szombaton és viszem majd a kocosnak való 0,2-es huzalt.
Zoli, egy jól eltalált nvcs-al nem tudom annyira kizárni a gerjedést hogy elhagyhassam azt a kb 1nF-os kondit a primer kimenővel párhuzamosan?
Az első a GU50-es volt és oké hogy jól szól, de rengeteget szívtam vele meg máig nincs kész teljesen, szóval ez már lehetne tuti, bár ha jól emlékszem ez is gyenge katód lábakon állt az elején
Igazából a fázismenet miatt van, hogy kell(het) az a kondi. Amennyiben jó a kimenő, és a lehető legkevesebb kapacitív csatolás van az erősítőben (lásd CHZ konstrukcióját), előfordulhat, hogy nem kell egyáltalán.
Nálam nincs ilyen kondi nade meglátjuk mit mutat majd a szkóp
Holnap felteszed a rajzot?
Köszi az okítást. A kimenő a gyári ami a rádióban volt. Azzal bíztatom magam hogy ez közel ideális hiszen gyári meg Philips aztán majd meglátjuk. Mindenesetre EI75-ös a kimenő ha jól mérem meg ha van egyáltalán ilyen, szóval ahoz a max 3W-hoz nincs túl alúlméretezve remélem.
Sziasztok! Egy kérdésem lenn, ami a kineő elkészítésével kapcsolatos. Ti mivel szoktátok megtekerni a trafót? Milyen eszközökkel? Illetve van egy kézihajtású fúróm (valakitől hallotttam rá ilyet, "amerikáner" (direkt így írtam)), ez kiegészíthető úgy, hogy visszafele csak egy pecek elmozdításával lehessen tekerni az esetleges visszatekercselés szükségével?
Ha megnézed a korabeli rádiórajzokat mindnél van ilyen, de lehet hogy ez valami EBL21 betegség. Tökmindegy az egyik legszebb csövi szerintem pedig mégcsak nem is felsőanódos.
Nekem is tetszik csak sajnálok annyit adni érte. Én maradok a modernebb, beszerezhetőbb és olcsóbb változatánál az el84-nél vagy orosz megfelelőjénél 6p14p-nél
Azért majd meghallgatnám az erölködődet
A primer 2*1400menet,a szekunder 80 illetve 110menet 4 ill.8Ohmra.A vas SM85B hiperszil.
üdv.
Igen, egy racsni valahogy ráoperálva jó lenne. De ez nem elektronikai rész, szóval ezt nem itt szeretném kitárgyalni, csak gondoltam van-e valakinek erre egy gyors és használható megoldása.
Amúgy már régóta töröm a fejem egy csöves erősítő elkészítésén, csak még alapvető hiánypsságok vannak, mint egy használható tekercselő. Mert okés, hogy a tesla tekercset kézben, illetve a térdemen tekertem, de az egészen más történet. Azt sem tudom igazán, hogy merjek-e nagyobb/bonyolultabb kapcsolással kezdeni, mert kimenőt ígyis- úgyis tekernem kell majd, meg van itthon 6P45c csövem, ami nagyon szimpatikus számomra. Itt még lenne egy kérésem: mivel vannak gyakorlott kivitelezők ezen az oldalon, esetleg valami jótanács tőlük, hogy miként vágjak bele egy kimenő megtekerésébe?! Gondolok ezalatt speciális trükköket, amik segítenek tekercselés alatt/során, de olyasmi, ami nincsen nagyon leírva. Vagyis saját tapasztalatok, amik tekercselés során alakultak ki nálatok!
Rendben! És kézzel tekerés közben a menetek hogyan helyezkednek el? Egymás mellett, vagy hegyén-hátán? Bár ez tekercselési módtól lehet független (kézi, gépi).
Erről a masináról a mai pakolás jutott eszembe! Volt egy régi Singer varrógépünk. Lábhajtásos. Na ezt már régen kidobtuk, de a spulni tekerőjét még azelőtt leoperáltam, mondom jó lesz az még tekercselni kis elektromágnest, vagy ilyesmit. Lehet hogy ezt nagyban is el lehetne készíteni, mert az szépen a "menetet a menet mellé" stílusban tekercselt!
Bár nem nekem címezted, de köszönöm a linket! :yes:
Szerintem tekercselőgépből vagy nagyon komolyat kell késziteni,automatikus huzalvezetővel,ami nagyon nem egyszerű dolog a vékonyabb huzalok tartományában (0.1 alatt),vagy maradni kell a kézihajtás,vezetés mellett. Soronként kézzel még a 0.1-es huzalt is csontra egymás mellé lehet tekerni,igaz már csak nagyitóval megy.
EL 84, Ecl86 és hasonló kaliberű csövek (50 mA alatti nyugalmi áram, 1800-3200 közötti menetszám) kimenőtrafójához nagyon sok a 0,2-0,4 mm légrés, 0,1 mm alatti kell (0,1 mm légréshez 0,05 mm-es papírt kell bele rakni maximum). Oszcilloszkópon jól megfigyelhető a nagy légrés okozta probléma, már a 100 Hz-es színusz is olyan, mintha oldalbarúgák volna, lesz benn egy törés valamelyik oldalán. Közelítő számolással is 0.1 mm alatti légrés jön ki.
A légrés nagysága az ampermenettől és a vas anyagától függ (kb.), nyílván az átfolyó árammal és a feltekercselt menetszámal egyenes arányban, a vas minőségével fordított arányban változik. Hagyományos szilíciumvasnál (I*n)/1600 kiadja a szükséges légrést (I=nyugalmi egyenáram, n=menetszám, az erdmény mm-ben jön). Hipersil vasnál a nevezőbe még nagyobb szám kerül (kb. 1,5-1,6-szorosa, mert jobban gerjeszthető). PL. vegyünk egy EL 84 SE kimenőt amelynek a primerje 3*800 menet sorosan (vagy 600-1200-600)=2400 menet, áttétele 25:1 (8 Ohmmra), így a szekunder 2*96 menet párhuzamosan. A szükséges légrés (300 V 40 mA): ls= (2400*0,04)/1600=0,06 mm ! EI v. M vasnál, hiperszilnél még ettől is kevesebb (EI és SM, SG vasaknál még felezni kell). Ha egyáltalán nem teszünk bele semmit jobban járunk, mintha pl. 0,1 mm-es géppapírral próbálkoznánk. Ebben a teljesítménykategóriában kb. a szükséges légrés áll be a puszta összeszereléstől, lehet hogy még fával kopácsolni is kell (szkópon ellenőrizhető).
Az amerikáner könnyen ellátható egy racsnival ha a tokmánykulcs homlokfogaskerekéhez ferdén egy lemezt vagy inkább egy nyáklemez darabot raksz. A forgás igy egyirányú lesz és azt hiszed, hogy fradi meccsen vagy. Igazán csendes megoldás is létezik. Vannak egy irányba forgó csapágyak, vagy egy kerékpár hátsó agyát kell felhasználni. Ha a küllök felerősitésére szolgáló részt eltávolitod az egyik oldalon talán még az orsó szerepét is ellátja
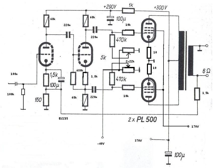
Sosem tudok fényképezni. Jani, nagyjából átalakítottam egy "gyári" rajzot, szerintem ezt Te is meg tudtad volna rajzolni. Egyébként minden tápról ment ( a fűtések, előfesz, minden), szegény úgy nézett ki, mint a nagyon súlyos beteg, mert ezer mérőzsinór vitte neki az éltető elektronokat. Ráadásul akkor éppen elég rosszul voltam ellátva ellenállásokkal is, ezért mindenhova olyat raktam, amilyen éppen volt. Tehát, ne egy "komoly" kapcsolást várj.
Ui: Bocs, fent maradt 1-2 "gyári" fesz adat. Idézet: „Sajna problémás lenne a fénymásolása szerintem roncsolódna a könyv.” És ha digit fényképezővel csak simán lefényképezed? Igaz, két emberes (valaki tartja a kinyitott könyvet, a másik meg fényképezi a dupla oldalt), meg nagy macera, de lehet, megérné...
Van egy PL36 mekorra teljesitményű erösítőt tudnék kihozni belőle?
|
Bejelentkezés
Hirdetés |


nem baj ha magasabb, akkor is elfgadom, köszönöm ! Mondjad mit kérsz érte?

