Fórum témák

» Több friss téma
Fórum » LED rákötése 230V-ra
 
Témaindító: Laci4, idő: Nov 30, 2005
Témakörök:
Lapozás: OK   78 / 84
(#) Gafly válasza Sebi hozzászólására (») Jan 22, 2019 /
 
Jobb későn mint soha
(#) Tetye válasza Skori hozzászólására (») Szept 28, 2019 /
 
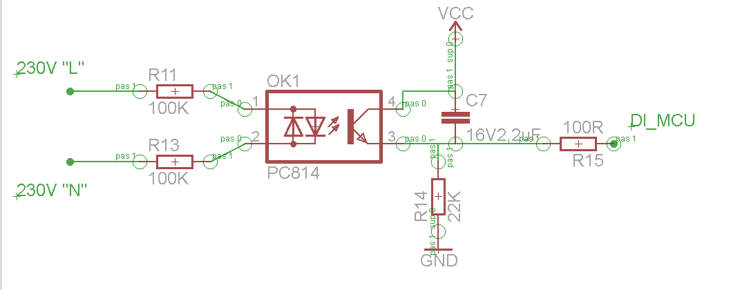
Erről a régebbi hozzászólásodról lenne egy kérdésem.
A PC814-et úgy hajtod 230V-ról hogy a 2 lábán csak 100-100K van és azon a fázis, nulla?
Se kondi semmi? a tranzisztor oldalon pedig emitter megy a uC lábra 47k-val lehúzva, kollektor pedig 5V+ ra?
(#) Bakman válasza Tetye hozzászólására (») Szept 28, 2019 / 2
 
Attól függ, mi a cél. Ha a nullátmenet figyelése, akkor jó. Ha a 230 V meglétének detektálása, akkor inkább a melléklet szerint építkezz.
A hozzászólás módosítva: Szept 28, 2019
(#) Skori válasza Tetye hozzászólására (») Szept 28, 2019 / 1
 
Idézet:
„A PC814-et úgy hajtod 230V-ról hogy a 2 lábán csak 100-100K van és azon a fázis, nulla? Se kondi semmi?”
Igen.

A tranzisztor oldalon úgy mint Bakman rajzán, csak én nagyobb kondit, és nagyobb ellenállást használtam. De az is működik amit írtál, hogy a felső oldalon a tranyó és az ellenállás lehúzza. A rajz szerinti kondi akkor is kell, a nullaátmenetek miatt.
(#) Tetye válasza Bakman hozzászólására (») Szept 29, 2019 /
 
Köszönöm!
A cél igazából hogy távolról tudjam monitorozni a fázisok meglétét.
A kondi kell bele mindenképp azt tudom a tranzisztor oldalra, csak a legtöbb rajzon a 230 as oldalon is láttam párhuzamos RC tagot. Ezért csodálkoztam hogy itt csak 2db ellenállás van benne.
(#) Tetye válasza Skori hozzászólására (») Szept 29, 2019 /
 
Köszönöm!
Szerintem akkor így fogom elkészíteni, a 100K-nak kell 2W-osnak lennie?
A hozzászólás módosítva: Szept 29, 2019

230vopto.png
    
(#) Skori válasza Tetye hozzászólására (») Szept 29, 2019 / 1
 
A 100k-nak a feszültségtűrése a lényeg, egyébként kisebb elég (230V, 200K -> 1,15mA -> 264mW) Nagyon kisméretű ellenállás esetén nehezebb a megfelelő szigetelési távolságokat tartani, ezért használtam pl. 2010-es SMD-t, de a furatszerelt 0,6W-os fémréteg ellenállás is elég lehet.

Az optocsatolók erősítése elég széles tartományban változhat ezért R14-et nagyobbra választanám. A C7 lehet ezzel az ellenállással párhuzamosan is, de a rajz szerint is működhet, csak a bekapcsolás pillanatában tér el a működése a két verziónak.
A hozzászólás módosítva: Szept 29, 2019
(#) Tetye válasza Skori hozzászólására (») Szept 30, 2019 /
 
Köszi!
Akkor kicserélem 47K ra.
(#) szikorapéter hozzászólása Nov 21, 2019 /
 
Sziasztok. Van több ledes plafonra szerelt "ledcsík" lámpatestem. Van benne egy kicsi 230V-os tápegység, amik sorra halnak el. Mekkora tápfeszültséget állíthatnak ezek elő? Otthonról csatolok fotót, ez a kicsi táp papír burkolatba csomagolva van "bedobva" a ledcsík mögé ,amely nyáklapra integrált.
(#) ronin75 válasza szikorapéter hozzászólására (») Nov 21, 2019 /
 
Akkorát, amekkorát a ledcsík igényel.
Szerintem ezt inkább kimérni tudod, vagy egy még jó megmérésével, vagy egy nem jó külső meghajtásával.
(#) vargham válasza ronin75 hozzászólására (») Nov 21, 2019 / 1
 
Azok általában áramgenerátoros tápegységek. Vagyis a kimenő áramot figyeli, és addig növeli (csökkenti) a feszéltséget, míg a kívánt áram nem folyik. Helyettesíteni csak ugyanilyennel tudod.
Terhelés nélkül azt tudod megmérni, hogy mekkora a legnagyobb kimenő feszültsége. Átfolyó áram nélkül ugyanis a határig növeli a feszültséget. Ez akár 200 Volt is lehet!
Az olcsóbbak viszont már attól is megdöglenek, ha nincs rajtuk terhelés. Simán elengedi a feszültséget 200 Voltig, míg a benne lévő alkatrészek mondjuk 50 Voltig bírják...
Sajnos jártam már így. Meg akartam mérni én is. Lehúztam a LED sort, megmértem a 200 Voltot, visszadugtam, és a LED-ek egy villanással el is haláloztak. Egy ugyanolyan, de még működő lámpában sikerült megmérnem a feszültséget. Nem 200 Volt volt.
A hozzászólás módosítva: Nov 21, 2019
(#) ronin75 válasza vargham hozzászólására (») Nov 21, 2019 /
 
Ettől nem írtam nagyon mást, csak egyszerűsítettem, értelemszerúen egy működő, led sorral terhelt lámpán tud mérni normálisan, vagy egy labortáppal, egy nem működő táposnál, a led csíkot meghajtva.
(#) vargham válasza ronin75 hozzászólására (») Nov 21, 2019 /
 
Igen, a kiegészítésem lényege az, hogy az olcsó táp kinyírjhatja magát terhelés nélkül.
Illetve még az a fontos, hogy ha cserélni akarja, akkor áramra és nem feszültségre szabályozó táp kell neki.
(#) DannyTorrence hozzászólása Ápr 5, 2020 /
 
Üdv

Működőképes ez a kapcsolás?

Van egy rakat 3528 SMD LED-em (3,1 V/20 mA) hozzá.
Kell a LED-ekhez, IRF-hez hűtőborda? Minek a potméter? Hány wattosak az ellenállások? Mi az az R2 3E3? A 93 db LED mind sorba van kötve? És ha csak 70 db LED-et akarok rákötni?
Nem hittem, hogy ez ilyen bonyolult...
(#) proli007 válasza DannyTorrence hozzászólására (») Ápr 5, 2020 / 1
 
Hello! ez igazából egy egyszerű tápegység, amiben áramkorlát is van. Ha Te 70 db. Led-et kötsz sorba, akkor annak 70*3.1V=217V feszültség igénye van. Ha a 230V egyenirányítva van, akkor kb. 326V egyenfeszültség képződik. Tehát a Fet-re ebből 326V-217V=109V feszültség fog jutni. A 20mA-al számolva a teljesítmény a Fet-en 109V*20mA=2,2W hő jut, amihez hűtőborda kell.
Az R2 áramkorlát ellenállása. A 3E3 3,3Ohm-ot jelentene, ami 0,6V bázis-emitter nyitófeszültséggel számolva 0,6V/3,3=180mA korlátot jelentene. Nyilván 20mA-re nem ekkora ellenállás kell, hanem 0,6V/20mA=30 Ohm szükséges (esetleg 33Ohm szabványos érték).
A poti igazából a feszültség beállításához kell, de nem kötelező, hiszen áramkorlát módban fog üzemelni. Tehát az 560k ellenállás másik felét a Fet Drain-re lehet kötni. Viszont a BC547 nem jó választás, mert annak kollektorában esetleg a 109V is megjelenhet. Nagyobb feszültségű tranyó célszerű.
20mA-hez nem szükséges 150µF-os kondi, bőven elég 47uF450V is. A 10µF-ot is lehet kisebbre választani, 1µF is megteszi, de X2 típusú 275Vac kondi a célszerű. Ez csökkenti a Fet-re jutó feszültséget is mintegy 60-70V-al. De zárlat, vagy szakadás esetén gond is lehet a megnövekedett feszültség miatt.
Kicsit túl van ragozva a dolog így, de egy 100ohm/2W ellenállást is célszerű sorba tenni a 230Vac alsó ágával, a bekapcsolási tranziens csökkentése miatt. De ez mint írtam, elsősorban nem Led táp, csak annak van használva.
(#) Atis57 válasza DannyTorrence hozzászólására (») Ápr 5, 2020 / 1
 
Szia!

Működőképes -de nem célszerű . Ennyiből lehetne áramgenerátoros meghajtást is épiteni.

De leginkább Kinából rendelni 10db -t,
ezen alkatrészek áráért.
kérédseid
igen
igen
azzal állithatnád a feszültséget (hány led van sorbakötve)
3R3 azaz 3,3 Ohm áramkorlátozó ellenállás.
Szépen fog melegedni....
erre nem célszerű 60db nál többet sorba kötni
(#) DannyTorrence hozzászólása Ápr 6, 2020 /
 
Köszönöm a válaszokat!

Tengernyi alkatrészem van itthon, csak időtöltésnek gondolom építeni az izzót.
Ezek szerint minél több LED-et rakok bele, annál kevésbé melegszik a FET? Azért is választottam ezt a kapcsolást, mert egyszerűbb megoldani egy FET-nek a hűtését, mint 70 LED-nek.
Bármilyen NPN tranyó jó? Most épp egy 2SC3150 akadt a kezembe, az 900V-os.
(#) Gafly válasza DannyTorrence hozzászólására (») Ápr 6, 2020 /
 
Idézet:
„Ezek szerint minél több LED-et rakok bele, annál kevésbé melegszik a FET?”

Igen.
(#) nedudgi válasza DannyTorrence hozzászólására (») Ápr 6, 2020 /
 
A LED mindenképpen melegszik. A FET hűtésénél az életvédelem, szigetelés is probléma.
A hozzászólás módosítva: Ápr 6, 2020
(#) DannyTorrence válasza nedudgi hozzászólására (») Ápr 6, 2020 /
 
Még a parányi 3528-as változatok is? Mennyire? Azt hittem, csak a power LED-eknek kell külön hűtés.
(#) nedudgi válasza DannyTorrence hozzászólására (») Ápr 6, 2020 /
 
60-70mW. A legtöbb esetben a rézfólia elegendő.
(#) DannyTorrence válasza nedudgi hozzászólására (») Ápr 6, 2020 /
 
Megtaláltam az adatlapját, 150mW a legnagyobb érték. Ezek összeadódnak? Az 70 db LED-nél már 10 W is lehetne, az már majdnem akkora hűtőfelületet igényelne, mint egy kisebb procihűtő.
(#) nedudgi válasza DannyTorrence hozzászólására (») Ápr 6, 2020 /
 
Sőt, nagyobbat. A LED sokkal alacsonyabb réteghőmérsékletnél kezd károsodni, min a szilícium, vagy germánium. Szerencsére ez a hőmennyiség nem koncentráltan keletkezik, hanem aránylag nagy felületen elosztva (például a 3528 esetén).
(#) Skori válasza DannyTorrence hozzászólására (») Ápr 6, 2020 / 1
 
Annak idején eléggé kiveséztem az előtétkondis megoldásokat, és megpróbáltam a maximumot kihozni ebből a megoldásból. ITT olvashatsz róla. Az így megépített 300 ledes lámpámat évek óta, napi szinten használom problémamentesen.
(#) DannyTorrence válasza Skori hozzászólására (») Ápr 12, 2020 /
 
Szia, köszönöm szépen a tervet, megépítettem és szép erős fénye van.
Viszont kikapcsoláskor a LED-ek majdnem 5 percig még halványan derengenek.
Ez valószínűleg azért van, mert az 560µF/100V elkó helyett 1000µF/200V elkót raktam be, így több másodpercig tölt is, ahogy leírtad.
Mekkora a legkisebb érték, ami még lehetséges a C3 szerepébe? Van még 100uF, 220uF, 330µF is, természetesen mindegyik 200V feletti.
(#) DannyTorrence válasza DannyTorrence hozzászólására (») Ápr 12, 2020 /
 
Kipróbáltam egy 220µF változattal, ezzel már eléggé vibrált a fénye, viszont így is 2 percig tartott, amíg teljesen kialudtak a ledek kikapcsolás után.
(#) proli007 válasza DannyTorrence hozzászólására (») Ápr 12, 2020 /
 
Hello! Tegyél a kondira ellenállást, pld. egy 220kOhm-ot.
(#) nedudgi válasza DannyTorrence hozzászólására (») Ápr 12, 2020 /
 
A 220µF és a 330µF párhuzamosan kötve nagyjából az ajánlott 560µF kapacitást eredményezi.
(#) Skori válasza DannyTorrence hozzászólására (») Ápr 13, 2020 /
 
Ha zavar a ledek derengése a kikapcsolás után, akkor fogadd meg proli007 tanácsát. Az ellneállás beépítésével jelentősen lerövidül a derengés ideje. Az 1000µF/200v-os kondi is teljesen jó, engem a vibrálás zavarna jobban - mint a derengés. A vibrálás, az oldalon lejjebb levő FET-es megoldással gyakorlatilag teljesen megszüntethető (de csak akkor ha a pufferkondi egyébként megfelelően van méretezve). Azt, hogy a kondi csökkentésének milyen hatása van, két féle módon lehet megnézni. Az egyik megoldás leválasztó trafót használni, a ledekkel sorban kötni egy kicsi ellenállást és oszcilloszkóppal megmérni az áram hullámosságát. A kevésbé veszélyes módszer pedig az oldal alján levő szimulációt elindítani TINA-ban. Ebben tetszés szerint lehet cserélgetni az alkatrészeket, és megnézni a hatásukat. A szimuláció egészen jól megközelíti a valós eredményeket.
(#) Skori válasza DannyTorrence hozzászólására (») Ápr 13, 2020 /
 
Tessék: egy szimuláció eredménye 220µF pufferrel.
A hozzászólás módosítva: Ápr 13, 2020
Következő: »»   78 / 84
Bejelentkezés

Belépés

Hirdetés
XDT.hu
Az oldalon sütiket használunk a helyes működéshez. Bővebb információt az adatvédelmi szabályzatban olvashatsz. Megértettem