Fórum témák
» Több friss téma |
Mielőtt kérdezel, a következő két dolgot ellenőrizd!
I. A helyes tápfeszültségek megléte.
II. A kimeneten van-e egyenfeszültség.
Élesztés.
Az ábra most sem sikerült, de ha kap tápot és testet, akkor a 4011 biztos cserélendő. Bővebben: Link
A hozzászólás módosítva: Ápr 18, 2020
Értem köszönöm én is ezt sejtettem. Azért köszönöm a fáradozásod.
Szia!
Köszönöm. Várok még egyéb kapcsolásokat is. Holtonom már van, egy AV400-as. A hozzászólás módosítva: Ápr 18, 2020
Nincs neki tápfesz. Nagynehezen megkerestem honnan kéne kapnia, de mire megmértem volna, addigra... Nos igen, nem kattannak a relék. Kicseréltem a kis trafót, ott van kb. 10V váltó, de a reléig nem jut el. Az "útjában" vannak tranzisztorok, kondik, diódák. Nem sok, de van egy pár. Megsült volna? Mi lehet a hibás? Kondi biztosan jó, mert most cseréltem. Forrasztások szintén jók, valami alkatrész hiba lehet. Relé kiforrasztva, külön tápról kattan!
A hozzászólás módosítva: Ápr 19, 2020
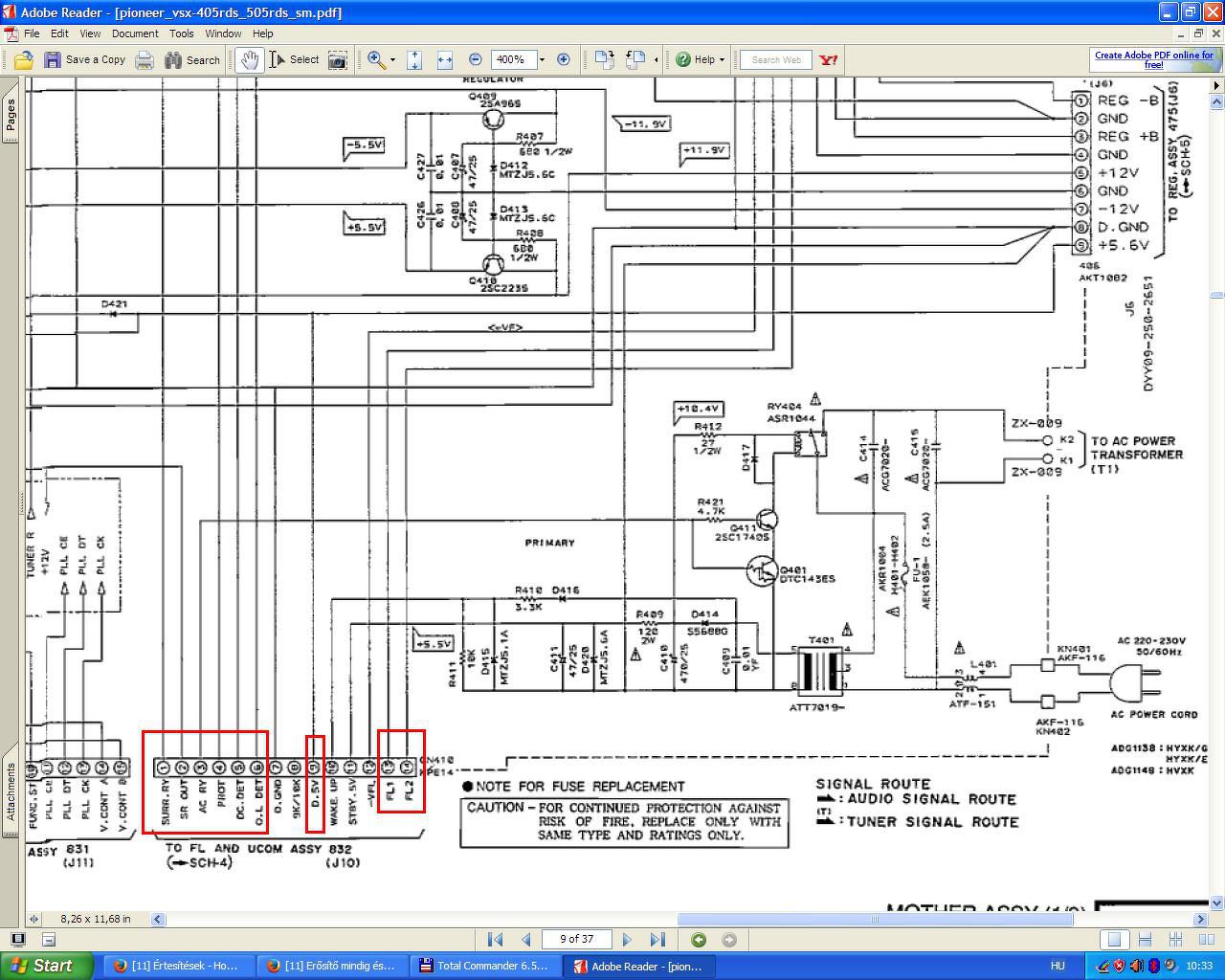
Ellenőrizd, hogy megvan-e a 10.4 VDC a C410-es kondin, illetve az 5.5 V a C411-en.
Ha nincs, akkor D414, vagy R409 lehet szakadásban.
De elég nagy a valószínűsége annak, hogy a rendszervezérlő processzor (IC826) rossz (valószínűleg emiatt nem működik a kijelzés sem).
Próbálj feszültséget mérni a 14-es (protect) lábon, ez megy a J10-es csatlakozó 4-es pontjára és itt 5 V-nak kell lennie üzemkész állapotban. Ez az 5 V húzza be a hangszóróvédő reléket.
Valaki nem tudja véletlenül hogy a Reflex PPA-200-as erősítőben melyik az eredeti meghajtó IC? LF357, vagy LF351?
Sziasztok!
Megèpítettem ezt a fetes vègfok modult,s az vele a problèma hogy zárt bemenetnèl melegszik az egyik irfp240,a többi fet teljesen hideg. Tudnátok segíteni hogy mi lehet a baj?
Szia
Nekem is volt PPA-200 eredeti vègfok Castone modullal s azon le volt csiszolva az íc teteje A hozzászólás módosítva: Ápr 19, 2020
Szia! Mérd meg a source ellenállásokon eső feszültségeket! Vesd össze a melegedő MOSFET-ével!
Össze lettek válogatva a FET-k ?
Sajnos nem
Kínai fet Akkor ez lehet a problèma.
Sziasztok.
Van egy villámverte pioneer vsx 420,áram alá helyezve nem csinál semmit. Belül semmi égési nyom nem látszik sehol. Külsőre minden alkatrész hibátlannak tűnik. Van valakinek ötlete hogy hol kellene először keresni a hibát?
Szia! Elsőként a tápokat kell ellenőrizned, kezdve a processzoréval.
Sziasztok!
Van nekem egy JVC Compact Component System MX-D85TR rendszerem. A készülék két dobozból áll: - kétkazettás Deck erősítővel, - rádió tuner és CD lejátszó és ezen van a kijelző is. A két dobozt egy un.: rendszer kábel köti össze. A CD és rádió része hibás, nem működik csak a kijelző mutatja, amit mutatnia kell, viszont az erősítő és magnó része hibátlan. A problémám a következő: Szeretném használni a készüléket, mint erősítő, a rádiós egység elhagyásával, mivel az úgy sem működik és a kijelző is nélkülözhető. Ha a két dobozt nem kötöm össze a rendszerkábellel, akkor nem tudom bekapcsolni a készüléket, csak „stand-by”-ban van. Ha összekötöm a kábellel, be tudom kapcsolni és ezt követően már bonthatom a system kábelt, az egység szépen üzemel, ki és be tudom kapcsolni, az első áramszünetig, vagy míg ki nem húzom a konnektorból. Utána ismét össze kell kötnöm az első bekapcsolás erejéig. Kapcsolási rajzot nem találtam hozzá, de lefényképeztem a kábel ereinek megnevezését a panelen. Kérdésem az lenne, hogy milyen módon (milyen átkötéssel) lehetne végleg elhagynom a rádió – CD egységet és használhatnám, csak mint erősítőt?
Üdv.
Véleményeteket kérném ezzel a kapcsolással kapcsolatban. Működőképes-e? Esetleg észrevételek hibákkal kapcsolatban. Csak demós Tinám van, neki ez nagy falat.
Közben odáig jutottam, hogy a szalagkábel erei közül kiszedtem azokat a szálakat, amik véleményem szerint nem nem szükségesek a bekapcsoláshoz, már csak a D.GND, +5.6V és a DCS maradt. A készüléket még így is be tudom kapcsolni.
Nem értek hozzá, de gondolom a rádiós dobozban lévő processzor a DCS-en keresztül küld valamit az erősítőben lévő kontroller felé. Lehet, hogy ez csak egy magas (vagy alacsony) jelszínt, vagy esetleg egy jel sorozat? A DCS-nek is csak addig kell bedugva lennie, míg a készüléket bedugom a konnektorba, utána rögtön ki is húzhatom ezt a vezetéket is, a készüléket ezek után már be tudom kapcsolni. (Mondom, nem értek a kontrollerek lelki világához.) A hozzászólás módosítva: Ápr 20, 2020
Szia! DCS talán = deck chip select ?
Ha már idáig sikerült eljutnod, sok veszetni valód nincs ha kipróbálod az alábbiakat: áramtalanítsd a készülét,válaszd le a Tunert/CD. DCS vonalra forrasztassz egy 10k ellenállst. Ha ez megvan visszakapcsolod a készüléket természetesen nem fog történni semmi hisz le van választva a bekapcs. jelet adó tuner. Végső lépésként a 10k szabadon álló végével végigpásztázod a DGND és 5,6V pontokat közben figyeled hogy mi történik. Egy próbát megér, veszteni valód nincs.
Szia!
Kipróbáltam amit mondtál, de sajnos semmi eredménye. Először 10K-val, majd 1K-val kötöttem a DCS-t az 5V-ra, majd a D.GND-re, de semmi. Ezt követően ellenállások nélkül is megtettem: semmi. Valószínű nem alacsony, vagy magas jelszintet, hanem adatsort vár a cucc ezen a lábon. Valakinek ötlete a megoldásra, vagy magyarázata okulásként erre?
C410-es 10.4V helyett 14.3V van! valószínűleg a kicserélt trafó kicsit többet ad.
C414-es 5.5V maradt. Diódák, kondik, ellenállások a közelben jók. Egyedül a zenert D417 nem tudtam kimérni, mert nem tudom hogy kell Bár szerintem az lesz a ludas, túl sok fesz esne rajta. A tranzisztorokat se tudtam kimérni, szintén, nem tudom hogy kell. !!Ennek a relének hibás IC esetén is működnie kéne. Egyébként mikor kicseréltem a trafót, akkor behúzott ez a relé és a hangszóró védő relék is. !!
Kiszedtem, rámértem
Igen valószínűleg egy jelsorozatot vagy parancsot vár a tuner felől. Az eredeti procit megkerülni úgytűnik nehézkes lessz.
Szia! A tranzisztorokat Skori irásai alapján ki tudod mérni. Q401 kicsit csalóka lehet a dolog mert nem hagyományos alkatrész. Műszer szerint a zénered jó. Bővebben: Link
A hozzászólás módosítva: Ápr 20, 2020
Szia,
Még néhány ötlet, hátha megtetszik valamelyik: Bővebben: Link Bővebben: Link Bővebben: Link üdv: A hozzászólás módosítva: Ápr 20, 2020
Q401 csalóka lehet, igen. Nem egészen tudom mi az
Valójában másra nem nagyon tudok gondolni, ami hibás lehet. Kondik, ellenállások, diódák jók. Tehát vagy Q401, vagy Q411 !szerintem!
Sajnos legtöbbször ez a gond. Ezzel nem nagyon lehet mit kezdeni.
Ha letöltöd az adatlapját látni fogod hogy nem egyszerü tranzisztor, beépitett ellenálásokat tartalmaz, kimérésénél az adatlapban feltüntetett értékek kell legyenek . A mérések eredménye mi lett Q411 esetében?
A hozzászólás módosítva: Ápr 21, 2020
Felesleges alkatrészeket kiszedegetned. A J10-es csatlakozó azon pontjain mérj feszültségeket amiket bekereteztem. 1-4 a processzor kimenetei. 5-6 a processzor bemenete. Nézd meg, hogy megvan-e a 9-es lábon az 5.6 V-os tápfesz és a 13-14-es lábon a fűtőfeszültség. Ez utóbbi AC, tehát ide kapcsold a multit. Úgy emlékszem a fűtőszál ellenállását már mérted és jónak találtad.
Ha a stand-by relé nem húz be, kényszerítheted rá úgy, hogy D417 anódját a GND-re kötöd egy darab vezetékkel. Ha mindent jónak találsz, de továbbra sincs kijelzés akkor a processzor rossz és mehet a kukába az erősítő.
Minden relé behúzott! Igazából úgy nézett ki, mint ami működik, de idő közben elromlott a tápellátás, így nem tudok feszt mérni sehol se! Tehát az a relé sem húz be, aminek akkor is be kéne húznia, ha minden más rossz. Ez a relé kapcsolja be a trafót. Lehet nem voltam elég egyértelmű idáig. Ez már egy másik probléma.
A két tranyó. Valószínűleg ezek a hibásak. Értékek alapján?
|
Bejelentkezés
Hirdetés |














Bár szerintem az lesz a ludas, túl sok fesz esne rajta. A tranzisztorokat se tudtam kimérni, szintén, nem tudom hogy kell. 

Valójában másra nem nagyon tudok gondolni, ami hibás lehet. Kondik, ellenállások, diódák jók. 






