Fórum témák

» Több friss téma
Fórum » Házilag építhető fémkereső
Lapozás: OK   253 / 275
(#) pingvin23 válasza cilinderrr hozzászólására (») Dec 24, 2019 /
 
Eltudnàd nekem küldeni esetleg emailben vagy messengeren?
(#) cnccoder hozzászólása Jan 11, 2020 /
 
Sziasztok !

Van ám fejlődés.

Android telós fémkereső.

No, de a szokásos kérdés: megvan e már a grál ?

Illetve ennek az Androidosank van e valami nyílt forrásű kódja a githubon ?

Én még csak most csöppentem ebbe, de a csúcsnál kéne kezdeni már akkor nem a legalján.

mateatek látom a videóidat az indán, valami már csak van ami működik azt látom.


Üdv.
(#) mateatek válasza cnccoder hozzászólására (») Jan 11, 2020 /
 
Kétlem, hogy lenne hozzá nyílt forrás. Kinek pakolná ki? Kevés olyan ember van, aki vágja az adott eszközt, hogy azt miként kell programozni és a fémdetektorok lelki világát is ismeri annyira, hogy értse a programot.
(#) cnccoder válasza mateatek hozzászólására (») Jan 11, 2020 /
 
Pár ember azért létezik, akinek ez nem gond.

Mesterséges intelligenciát ráhúzva nem lehetne tanítani is ezt az eszközt ?

Mint sok más egyebet, ezt is fel tudná ismerni, a sok frekis sweepet ráengedve, ami visszajön görbe, stb. ?

Ezek a mostani telók már bármire képesek szinte és elég gyorsan.

Sőt egy robotra szerelve még ki is ássa amit talál, mi meg csak ülünk a stard parton és elénk hozza a sok aranygyűrűt.
(#) mateatek válasza cnccoder hozzászólására (») Jan 11, 2020 1 / 1
 
Én egy ilyen géphez nem nagyon tudok hozzá szólni. Annak is örülök, ha egy közönséges mikrokontrollert rá tudok venni fémkeresőzésre. GPS-re nincsen szükségem közben. A kijelzőn látható sok millió információ meg eléggé felesleges. Csak az tesz ilyeneket a gépre, aki még nem keresőzött igazán. Vagy a földet nézem, vagy a gépet. De ha a gépet is nézem, hát eléggé nehézkes nézegetni lengetés közben a gépen lévő oszcillogrammokat figyelni.

A hardveres részében nem nagyon hiszek. Azt még el tudom képzelni, hogy a fejhallgató erősítő résszel meghajtanak egy adó tekercset. Persze rezonancián nem lehet, mert a keletkező nagyobb feszültségű jel esetleg hazavágja a telót. Ha a Samut nem is, de a Hüvelyt, vagy a Szifont talán. A vett jelet meg egy valamilyen mikrofon erősítő, valamilyen átvitellel erősíti, valamilyen szintre. Ezután meg valamilyen ADC, valamilyen mintavételi sebességgel, valamilyen fáziszajjal mintát vesz a jelből.
A vevőerősítő nagyon fontos fokozata egy fémdetektornak, jó néhány követelménynek meg kell felelni.
A fémdetektor az egy elég specifikus hardver. Ezt egy mobil telefonnal helyettesíteni szerintem komoly kompromisszumok árán lehet csak.
(#) mateatek válasza cnccoder hozzászólására (») Jan 11, 2020 /
 
"Conventional Very Low Frequency (VLF) detectors in Induction Balanced (IB) structure use two coils in DD configuration."

Igazából már itt sántít ez az egész. Akárhogyan nézegetem a fotókat, ez szerintem nem DD.
(#) hp deskjet hozzászólása Márc 28, 2020 /
 
Sziasztok!
Igsl építésébe kezdtem.Van valakinek eladó fejsablonja?
(#) mateatek válasza hp deskjet hozzászólására (») Márc 29, 2020 /
 
Széttúrtam a műhelyt és találtam egyet régebbről. Ha állod a postát, vagy eljössz érte, akkor ajándék.
(#) hp deskjet válasza mateatek hozzászólására (») Márc 30, 2020 /
 
Természetesen nagyon örülök ,írtam priv üzenetet!
(#) hp deskjet hozzászólása Ápr 7, 2020 /
 
Sziasztok!
Igsl fejsablont keresek(10" 254x137),nincs véletlenűl valakinek?
(#) alita hozzászólása Máj 25, 2020 /
 
Szervusztok!

Fortune-M detektor építők segítségét kérném a keresőfej adatairól:Menetszám,

huzal átmérő.Kerestem a geotech-n,de nem találtam a sok oldal leírás bogarázásán.
Lehetséges,hogy átsiklottam felette.

Egyébként sajnálom,hogy ides-tova 2 hónapja nincs új a nap alatt.Talán már nincs
akit érdekel ez a topik?
(#) mateatek válasza alita hozzászólására (») Máj 25, 2020 /
 
Idézet:
„Talán már nincs akit érdekel ez a topik?”


De, hogyne lenne. Csak még nincsen érdemben semmiről írni. Csak terv van, a kivitelezés fázisában.
A terv a következő:
A nyélen lévő készülék teljesen lecsupaszítva lesz. Se hangszóró se gombok, se LCD. Csak egy ki-be kapcsoló. Rádiós kapcsolatot csinál egy másik, zsebben lévő készülékkel, amin lesznek a kezelő szervek, LCD, és hang végfok. A zsebben lévő eszközből megy a füles a fülbe, így nem vagyok összedrótozva a géppel.
Csak lassan épül, mert kevés rá az idő és sok apró részletet kell megoldani. Mivel a zsebi készülék 1 Li-Ion celláról direktben fog menni, meg kellett oldani az LCD kontraszt automata szabályozását. Mivel feltöltött akkunál (4 V) a kontraszt feszültség akár pozitív is lehet, addig a teljesen lemerült (2.8 V) akkunál már 1 voltnál is nagyobb negatív feszültséget kell az LCD-re juttatni, úgy, hogy a kontrasztot folyamatosan és automatán szabályozza. Illetve a kellően gyors rádiós kapcsolat is szükséges a két egység között és sok más, ami majd csak későn fog az eszembe jutni.

IMG_1066.JPG
    
(#) alita válasza mateatek hozzászólására (») Máj 25, 2020 /
 
Örülök az új fejlesztésednek,kíváncsian várom a végeredményt.Ha jól emlékezem
a fortune/vagy a Kpot/is épített hasonló elven működő detektort.De például ma
akartam a geotech-n más okból a fortune-t keresni,de valamiért eltűnt valamennyi típusa.
Remélem ha elkészül beszámolsz az eredményről.
Sok sikert a fejlesztésedhez.
(#) DaviS válasza mateatek hozzászólására (») Máj 25, 2020 /
 
Szia!
Ne automata kontrasztot akarj megvalósítani szerintem, hanem keress egy jó hatásfokú buck-boost konvertert a tápba ha 3.3V kell. Ha 5V akkor használj sima boost konvertert.
(#) mateatek válasza DaviS hozzászólására (») Máj 25, 2020 /
 
Helló!
Egy automata kontraszt alkatrész igénye nekem 2 ellenállás, 2 kondenzátor és 2 diódára jött ki, plusz a szoftver. A konverter ennél több alkatrész. Illetve, ha áteresztő tápot akarok, akkor az már 2 cella.
(#) sdrlab válasza mateatek hozzászólására (») Máj 26, 2020 /
 
IP5306 - töltésvezérlő + 1 cellából 5V-ot állít elő, alig pár alkatrésszel!
(#) mateatek válasza sdrlab hozzászólására (») Máj 26, 2020 /
 
Már megoldottam. Az MCU timere PWM jelet generál. Két diódás, két kondis negatív feszültség átalakítót hajtok meg vele. Ha nagyon kicsi a négyszög kitöltése, akkor kicsi a negatív feszültség, ha 50% a kitöltés, akkor nagy a negatív feszültség. Az MCU referencia feszültsége és a negatív feszültség közé tett feszültség osztó feszültségét figyelem, azt hasonlítom az akku feszültséghez és már meg is van a kontraszt az LCD-n.
De ez a kis IC frankó, köszi, hogy felhívtad rá a figyelmemet.
(#) rexi77 hozzászólása Jún 1, 2020 /
 
Sziasztok!
Aki épített már Surf-öt, annak körül belül hány centiről érzékeli az érméket?
Az enyém csupán 10-13 centiről kezd el jelezni egy 10 forintost, nagyobb fémet, pl sörös dobozt 30 centiről jelez. Próbáltam nagyobb tekerccsel is, de ugyanúgy maradt a 10-13 centi.
Vagy ez normális, nem kell tőle többet várni?
A képen látható verzióról van szó.
(#) mateatek válasza rexi77 hozzászólására (») Jún 2, 2020 /
 
Pontos eredményekre nem emlékszem, de ennél többet kell tudnia, ha egészséges a gép.
(#) nagym6 válasza rexi77 hozzászólására (») Jún 2, 2020 /
 
Innen olvasd át, erről szól. Jobbnak kell lenni az érzékenységnek, talán a duplájának, pontosan nem emlékszem. Ha rendben működik az áramkör, a "Delay" poti (és a "Gain") állításával kell legérzékenyebbre belőni. Oszcilloszkóppal lehet rendesen beállítani.
A hozzászólás módosítva: Jún 2, 2020
(#) rexi77 válasza nagym6 hozzászólására (») Jún 2, 2020 /
 
Köszönöm a választ!
Sajnos oszcilloszkópom nincs, az a helyzet, márpedig úgy látom anélkül nem sokat lehet tenni az ügy érdekében.
(#) nagym6 válasza rexi77 hozzászólására (») Jún 2, 2020 /
 
A "Delay" potival azért lehet próbálkozni, a "Gain" -al szintén. Ha 10cm a 10Ft.-os, akkor nagyjából jól működhet, esetleg az előbbi (Delay) finomhangolás segíthet.
(#) rexi77 válasza nagym6 hozzászólására (») Jún 2, 2020 /
 
A Gain az a beültetési rajzon Thershold felirattal jelzett poti, ugye?
Ezzel a Thershold-al, és a Delay-el hangolom, de drasztikus javulás nem történik.
(#) nagym6 válasza rexi77 hozzászólására (») Jún 2, 2020 /
 
Idézet:
„A Gain az a beültetési rajzon Thershold felirattal jelzett poti, ugye?”
Nem. Enyém másik nyák változat, csatolt képen. Nem tudom elektronika ugyanez-e. Itt látható a "Treshold" és "Gain" potik szerepe.
(#) rexi77 válasza nagym6 hozzászólására (») Jún 2, 2020 /
 
Na igen, az enyémen csak Delay, és Thershold van.
Nem igazán értek az elektronikához, szóval csak sötétben tapogatózom, de úgy látom a tied alapján, hogy az LM358-hoz van köze a Gain-nek. A harmadik és a hetedig láb közzé van betéve a poti, valamint egy 1 uf fondenzátor.
Az én kapcsolásomon a harmadik, és a hetedik láb között csupán egy 470nf kondenzátor van.
Ha jól gondolom, itt kéne valamit változtatni, hogy hangolni lehessen a Gain-t?
(#) nagym6 válasza rexi77 hozzászólására (») Jún 2, 2020 /
 
Akkor a tiéd maximális erősítésen van, nem kell változtatni. A potival csak csökkenteni lehet az erősítést (leoszt). Nálam is maximumra van állítva, ekkor mintha ott sem lenne.
(#) rexi77 válasza nagym6 hozzászólására (») Jún 2, 2020 /
 
Akkor viszont marad a Delay hangolása, mint opció.
Végülis így is használható, nem nagy kincsre megyek, csupán egy kis szórakozás a cél.
Mindenesetre köszönöm a segítséget!
(#) mateatek válasza alita hozzászólására (») Júl 7, 2020 / 4
 
Kezd alakulni a gép, már működik.
A dobozolás hagy maga után némi kívánni valót, de a költséghatékonyság miatt ezek a dobozok a másodvirágzásukat érik.
Mindkettőben beépített akkuk vannak, amik a költségek kímélése végett kidobott okostelefonokból lettek kikukázva, mert még tökéletes állapotúak. A gépben kettő, a kis egységben egy darab. Bekapcsoláskor (bekapcsolásokkor) a kicsi egység megkeresi a gépet, sikeres találat után fölkonfigurálja. (frekvencia, talajkiegyenlítés és diszkrimináció)
Ha ez sikerült, akkor a gép elkezdi ontani a pici egység felé a nyers adatokat, amiket az feldolgoz és az eredményt küldi a hangszóróra, vagy a fülesre. Persze, az egész koncepciónak csak fülessel van értelme, mert hangszórónál hagyhattam volna a régi gépemet is. De füles használatakor nem vagyok összedrótozva a géppel. Ez sokszor nagy előny. Az összes beállítást a pici egységen kell beállítani. Ezen van az LCD, az enkóder és a hangerőszabályzóval kombinált bekapcsoló. (Az enkóder programozása érdekes volt, mert a neten sok száz soros programok vannak erre a célra. Mivel nem értettem őket, így megcsináltam 9 sorból.) Egyenlőre még a gép programja nincsen teljesen készen, mert a rádiós kapcsolat bonyolultabb volt, mint gondoltam és erősen visszavetett. Ha teljesen készen vagyok vele, csinálok egy videót.

IMG_1097.JPG
    
(#) alita válasza mateatek hozzászólására (») Júl 8, 2020 /
 
Gratulálok a fejlesztésedhez!Ahogy az eddigiek,úgy ez is sikerülni fog.
Várom a róla készült videót,de úgy gondolom mások is.Ez már a kereső
építés és keresés felsőbb kategóriájába tartozik.

Üdv:alita
(#) erdgab hozzászólása Júl 17, 2020 /
 
Tiszteletem Uraim!
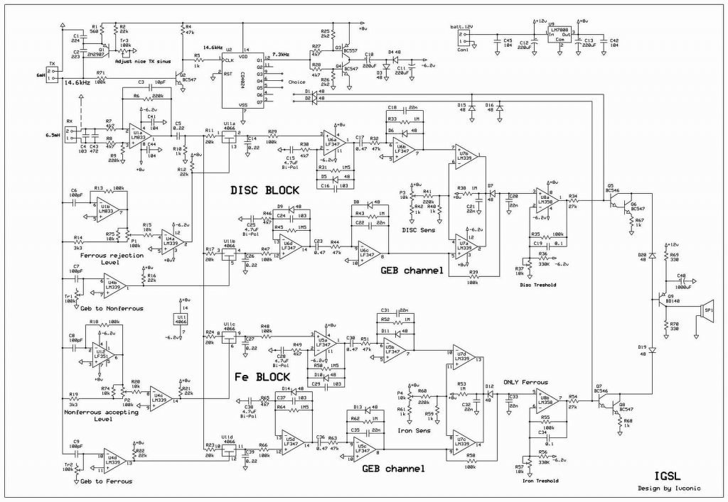
Átolvastam a fórumot és kedvet kaptam egy kereső építéséhez,ehhez kérnék segítséget.Biztosan lesznek bugyuta kérdéseim,de előre elnézést kérek a Tisztelt segítőktől.Szeretném az IGSL -t megépíteni,még akkor is,ha alkatrésztemető.Alkatrész szinte minden megvan egy IC kivételével.Ez az LF351 lenne,ez itt vidéken beszerezhetetlen.Esetleg LF357 jó lehetne helyettesítőnek? mateatek fórumtárs nyáktervét használnám a javítottat.Nincs 4,7µF bipolár elkóm,sima 10µF elkókból kialakítva életképes lenne a megoldás?Hangszórónak megfelelne a 4 vagy 8 ohmos 1-2W hangszóró?Mellékelem a rajzokat,hogy ne keljen keresgélni és egyértelmű legyen amiről beszélek.A lay filét nézegetve a 2N2907 tranzisztor lábkiosztása a nálam lévő példányé fordított,de ez nem befolyásol semmit.Először az elektronikát építeném meg.Ha úgy gondoljátok,hogy nem érdemes megépítenem,kérem,nyugodtan írjátok meg!
Köszönettel!
Következő: »»   253 / 275
Bejelentkezés

Belépés

Hirdetés
XDT.hu
Az oldalon sütiket használunk a helyes működéshez. Bővebb információt az adatvédelmi szabályzatban olvashatsz. Megértettem