Fórum témák
» Több friss téma |
Szia.
Igen castone cpa 100h 100w. Most egy tl082- vel hejettesitettem de a lábakat át kellet cseréljem ,hogy működjön. Az eredeti jobb lenne bele, de nem lehetett leolvasni mert lekaparták a tetejét.
Üdv!
Castone cpa 400b hez van valakinek rajza vagy esetleg kd503 tranyói (8db) ? A hozzászólás módosítva: Feb 22, 2020
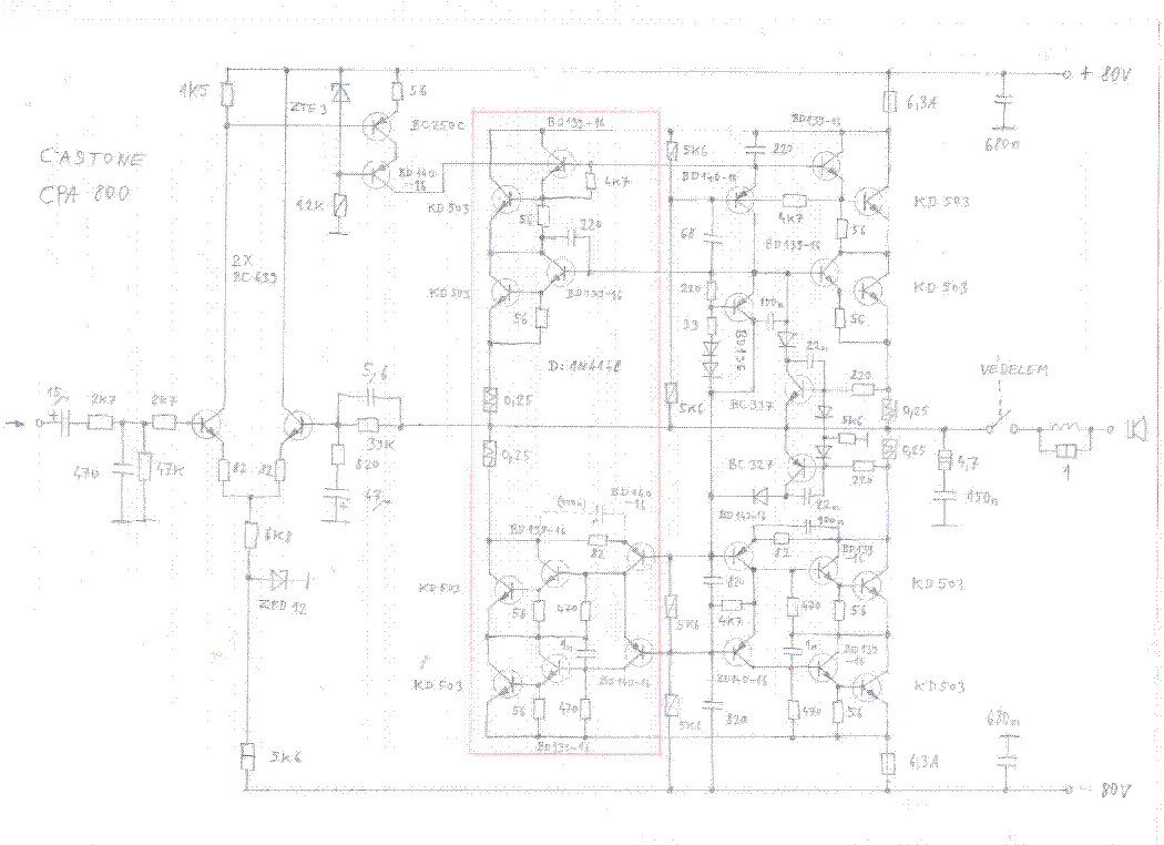
Szia,
Nekem úgy rémlik, hogy ez az. A kapcsolási rajzon a pirossal bekeretezett rész nélkül 400W. A hozzászólás módosítva: Feb 23, 2020
Üdv!
Erről kellene rajz nekem....
Sziasztok. Van egy Castone CPA1200B végfokom. Feszültség alá helyezve bekapcsol. Szóval működik is. Relé kattan. Reflex R400 hangfalakkal kötöttem be,és egy Pioneer DJM700 keverővel. A cd lejátszót elindítva a végfok csúcs hangerőn is kb 2x100 watt körül jön ki a kimenetein.Elég gyengén szól.Van egy Fisher hifi erősítőm az megveri hangerőben. Pedig az csak 2x 150 watt.Mi lehet a gond? Amire gyanakszom azok a puffer kondik. Lehetséges,hogy kiszáradtak.kb Mennyi lehet ezeknek a kondiknak a cseréje?
Kb 10ezer Ft, de clippel is az erősítő amikor "elfogy"?
Igazából ha ki is van száradva nem okozhatna ilyen hibát.
Szia.Talán egyszer láttam clippelni de az is akkor mikor 2 pár R400 Reflexet kötöttem be 4 ohm imp.A hangerő viszont a 2x 600 watthoz képest nagyon kevés.Van egy RX500 végfokom az sokkal erősebben szól.Valami más probléma lehet?
A hozzászólás módosítva: Jún 4, 2020
Szia!
Ha a keverőt pl. 7dB-ig kivezérled, ott már be kellene villannia a Clip LED-nek a végfokon. Ezt próbáltad már? Amíg nem győződsz meg arról, hogy teljesen ki van vezérelve az erősítő, addig az elég gyenge kifejezés relatív.
Szia! A ventilátor mindent tele fúj porral. A hangerő poti meg szokta sínyleni, nem megy át rajta a jel maradéktalanul. Mérés, tisztítás, átkötés, csere - melyikhez lenne affinitásod?
A pufferkondi hibája honnan jutott eszedbe? Hogyan függhet össze a teljesítmény jelentős hiányával, pláne feltűnő kísérőjelenségek nélkül?
Üdv. Aodot egy castone cpa500b kis hangerőn szépen szól ha följebb veszem a hangot eltorzul a kis tornyok újak át lett mérve.
Arra jöttem rá, hogy kis hangerőn jó, nagy hangerőn mindenhol torzít. Próbáltam kikötni a tranyóknál a visszacsatolást, de akkor is betorzít nagyobb hangerőnél. Ha a bemeneti jelet nézem a testhez, még az is.
Arra jöttem rá, hogy kis hangerőn jó, nagy hangerőn mindenhol torzít. Próbáltam kikötni a tranyóknál a visszacsatolást, de akkor is betorzít nagyobb hangerőnél. Ha a bemeneti jelet nézem a testhez, még az is.
Üdv!
Tudnátok segíteni egy Castone cpx800 kapcsolási rajzzal? Köszönöm.
Sziasztok!
Az lenne a kérdésem, hogy a Castone CPA-400B és 500B (2007év) milyen tápfeszültségről mennek? Előre is köszönöm a válaszokat!
Szevasz!
Az egyiket megkerestem: https://castone.hu/index.php?page=shop.product_details&product_...emid=1 A másikat meghagyom Neked, legyen sikerélményed. Üdv: StMiklos
Hello!
Köszönöm a válaszod de én arra lenék kíváncsi, hogy a végfok panelok milyen tápfeszültséggel mennek. Mert ami most nálam van, egy CPA-400B (2007.01.16.) azok 64volt+- kapnak. A meghajtó tranzisztorok 10perc alatt úgy felforrósodnak, hogy kézzel nem lehet őket megérinteni. A trafó Typ . Üdv:Attila
A trafó Typ : D
Erről a változatról lenne szó.
Vissza rajtoltam a fentebb látható végfok panelt, ha valakit érdekel itt pdf-ben letudja tölteni.
Üdv:Attila
Hello!
Ismerős áthozta a Castone CPA-300B erősítőjét potméter cserére meg, bekapcsoláskor az egyik oldalon 2mp világit a clip led és nem igazán szól szépen. Az egyik 2,2µF kondenzátor volt zárlatos. Mivel volt időm így vissza rajzoltam a végfok panelt. Ha valakinek szüksége lenne rá itt le tudja tölteni, másrészt ami itt a fórumban megtalálható abban amúgy is található hiba.
sziasztok,
100V-os kimenettel rendelkező Castone CPA 100H 200W-os erősítőt át lehet alakítani 4 vagy 8 Ohmosra?Ezekben kimenőtrafó van? Valakinek van hozzá kapcsolási rajza? köszönöm
Szia! Nincs bennük kimenő transzformátor. A 100 V kimenti feszültséget hídkapcsolással állítja elő.
A 240 W-os névleges terhelhetősége 50 Ω, tehát a fél hidat 25 Ω-mal terhelheted. Az 1000 W-os viszont már 10 Ω-os, azaz a fél hídra 5 Ω ( neccesen 4 Ω, kényelemese 8 Ω) hangsugárzó köthető.
Szia
Köszönöm, akkor úgy néz ki felejtős lesz a dolog.
Tisztelt Fórumtársak !
Keresem a Castone F1 D/2014/ kapcsolási rajzát.A beültetési rajz már csak hab a tortán lenne. Segítségeteket köszönöm.
Tessék...
Szervusz Karesz !
Nagyon köszönöm a segítséged.Amit még vártam pluszban a hab a tortán is megvan. Üdv:Alita
Szia!
Nagyon szívesen! Örülök, hogy segíthettem.
Üdv Mindenkinek!
A mellékelt fotón látható CPA-500B erősítő, transzformátor kimeneti feszültségei érdekelnek. Zárlatos a trafó, így nem tudom kimérni, és jó lenne tudni az értékeket, hogy tudjak egyet késztetni. A kapcsolási rajz is jó lenne, arra az esetre ha meghibásodtak a végfok panelek. Kb, 2000 környéki lehet, a hátlapon 8db-6,3mm jackaljazt van. Előre is köszönöm. |
Bejelentkezés
Hirdetés |





? 
















