Fórum témák

» Több friss téma
Fórum » Elektronikában kezdők kérdései
- Ez a felület kizárólag, az elektronikában kezdők kérdéseinek van fenntartva és nem elfelejtve, hogy hobbielektronika a fórumunk!
- Ami tehát azt jelenti, hogy a nagymama bevásárlását nem itt beszéljük meg, ill. ez nem üzenőfal!
- Kerülendő az olyan kérdés, amit egy másik meglévő (több mint 17000 van), témában kellene kitárgyalni!
- És végül büntetés terhe mellett kerülendő az MSN és egyéb szleng, a magyar helyesírás mellőzése, beleértve a mondateleji nagybetűket is!
Lapozás: OK   3514 / 4047
(#) Sorkapocs válasza gyulank hozzászólására (») Okt 3, 2020 /
 
Na IDESÜSS! Drágábbat (egy annyi, mint ebből a szükséges három) könnyűszerrel találtam, de ez jó lehet, nem túl drága, nem rossz gyártó, viszont több helyen kifutó darab.
(#) szs válasza gyulank hozzászólására (») Okt 3, 2020 / 1
 
Idézet:
„Elsősorban fényerőszabályzóra lenne szükségem”

Skory érdekes kapcsolásai közt nézted már?
fázishasítós teljesítmény szabályzó áramkör, tirisztorokkal.
A lap alja felé mintha ilyenre alkalmas kapcsolás lenne.
A hozzászólás módosítva: Okt 3, 2020
(#) Sorkapocs válasza szs hozzászólására (») Okt 3, 2020 / 1
 
Vagy fölötte a triakos kapcsolás. Ha igaz a betű, akár az összes lámpát is hathatja vele egyszerre.
(#) szs válasza Sorkapocs hozzászólására (») Okt 3, 2020 /
 
Ezért gondoltam erre/ezekre, nem kéne mindenféle furmányos kapcsolókevergetés sem
A hozzászólás módosítva: Okt 3, 2020
(#) Sorkapocs válasza szs hozzászólására (») Okt 3, 2020 /
 
Világos. Amit én linkeltem, célját tekintve az is valami ilyesmi, csak készen. Kell hozzá 3 db szerelvénydoboz a falba, vagy egy nagyobb elosztódoboz falon kívülre, aztán viszonlátás'. (Meg egy villanyszerelő)
És nem kell hozzá zárlati igénybevétel tesztállomást építeni...
(#) gyulank válasza Sorkapocs hozzászólására (») Okt 3, 2020 /
 
Jajj nagyon fárasztó befogadnom ezt a sok információt... 1. Évek óta meg van, és működőképes, de miután tönkrement az egyik kapcsoló, nem cseréltem ki olyanra, hogy megint tönkremenjen. 2. Azért csináltam, hogy melegítsen, tehát első sorban a melegítést akarom szabályozni. Nyilván... DE ETTŐL MÉG NEM FOG MEGFELELNI AMI VIBRÁL, MEG KAPCSOLGAT, mert leírtam miért. 3. ez az egy kapcsoló nagyobb, mint 3 sínes, és csak egyet szabályoz, és ugyanannyiba kerül, mint a 3 együtt, és még vésnem is kéne hozzá, meg vezetékezni a falba. 4. Skori kapcsolásán nincsenek értékek, de biztos nem lehet bele való potmétert venni, és zavarszűrő is kell, ami vagy 9e. 5. Mint írtam, itt megtalálhatón a kérdésem egy másikkal kapcsolatban amiről azt írták azon az oldalon, ahol találtam, hogy nem kell zavarszűrő, de itt nem kommentálták. 6. Ettől még az is jobb megoldás lenne, ha vennék 3-at a hestórban. De hát arról se tudni semmit, de biztos, hogy a Skoristól rosszabb. Mivel olyan jól rögzíthető lapon van, nem ártana tudni, hogy a hűtő le lehet-e földelve, mert akkor lehetne rögzíteni a fémdobozra ami hűti is, meg tartja is. 7. Én az összeset egyszerre is akarom kapcsolni, meg külön külön is. Akkor is, ha szabályozni is. Mondjuk el tudnám viselni, ha meg lehetne oldani kapcsolós potméterrel. Mert azért csak veszélyes, még a spotlámpákra is ráírják, hogy milyen messzi legyen mindentől, hogy ne gyújtsa fel, ne kapcsoljon be ha esetleg elromlik, meg sokat is fogyaszt. 8. De biztos ez után is kéne venni legalább egy 9e-es zavarszűrőt.
(#) szs válasza gyulank hozzászólására (») Okt 3, 2020 / 2
 
Idézet:
„Skori kapcsolásán nincsenek értékek, de biztos nem lehet bele való potmétert venni, és zavarszűrő is kell, ami vagy 9e. ”

Vannak ott értékek ahol fixek, -a neked megfelelőket kell kiválasztani oda, ahová nem írt értéket (feszültség, áramerősség).
Potméter a kisáramú részbe van rajzolva, nem különleges kell bele.
Zavarszűrő is bele van rajzolva a diakosba, oda is írta "zavarszűrő", be is keretezte, melyik rész az. Nem hiszem, hogy két induktivitás, egy kondenzátor meg egy ellenállás 9000 pénz lenne.
Én amikor itt kérdezek, nem azon lovaglok, mit miért nem tudok megoldani, azt kérdezem, hogyan tudnám megoldani, amit nem értek. Sokat nem értek, de szoktak segíteni.
A hozzászólás módosítva: Okt 3, 2020
(#) Sorkapocs válasza gyulank hozzászólására (») Okt 3, 2020 / 1
 

Idézet:
„[...] 2. Azért csináltam, hogy melegítsen, tehát első sorban a melegítést akarom szabályozni.”

– mondád te rendre 19:16-kor, majd 20:06-kor.

– mondám én
Idézet:
„[...]és még vésnem is kéne hozzá, meg vezetékezni a falba.”

– szóltál vala te esment, s még tovább:
Idézet:
„[...]Nyilván... DE ETTŐL MÉG NEM FOG MEGFELELNI AMI VIBRÁL, MEG KAPCSOLGAT,[...]”

Nyilván... valami [excretumot] kerestem neked, ami vibrál, meg kapcsolgat.
Mellesleg az összes égegyadta teljesítményszabályozó, ami nem egy gyerekfejnyi toroid trafó, vagy teljesítménypotméter, az félvezetős (triak, tirisztor stb.) kialakítású, azoknak pedig a működési alapelve, hogy "kapcsolgat" – mindegyik, az összes, kivétel nélkül.
Amelyik pedig egy kicsit is jobb minőségű, tartalmaz zavarszűrést (mint ahogy a neten, vagy bárhol elérhető legtöbb igényes kapcsolás az effélék közül; Skorié úgyszint) ÉS ha megfelelően, a tervezett céljának megfelelő módon és fogyasztóval van terhelve – Nyilván... olyat kerestem neked ami nem jó az izzóidhoz – nem vibrál.

Szerintem a magad dolgát is könnyíted meg, ha nem oldasz meg valamit, amit nem szeretnél megoldani és nem kérsz segítséget, ha nem szeretnéd, hogy segítsenek.
Ja, és szerintem beszélj egy villanyszerelővel...
A hozzászólás módosítva: Okt 3, 2020
(#) gyulank válasza Sorkapocs hozzászólására (») Okt 4, 2020 1 /
 
Attól, hogy megsértődsz, nem lesz igazad. Azért írtam nagybetűvel, MERT NEM AZÉRT AKAROK VALAMIT VALAHOGY MERT HÜLYE VAGYOK, MEG TUDATLAN, A JAVASLÓK MEG LEGTÖBBSZÖR ELDÖNTIK, HOGY JÓ AZ NEKEM, CSAK NEM TUDOM. Te is előadtad, hogy ha sötétebb lesz, akkor nem melegít annyira. Komolyan, erre a felvilágosításra milyen reakciót vársz? Attól, hogy te azt is magadra veszed amit nem rád írtam, még magyarul írtam, hogy javasoltak pl. kapcsolgatósat. És erre megint felvilágosítasz, hogy minden kapcsolgatós, pedig nem erről volt szó, hanem a kapcsolgatósról, amit írtam magyarul, hogy vibrál, vagy láthatóan, érezhetően be, meg ki kapcsol... Nem olyan gyorsan, hogy ne vehessem észre. Meg mit nem akarok megoldani? Mit javasoltatok, ami jobb, mint amit én megoldottam nélkületek? Esetleg az utolsó amit linkeltél, de vagy jobb, vagy nem, de túl nagy. 1/3-al több helyet foglalna, mint a 6 sínes kapcsoló, pedig az is nagy. Vagy ötször lerírtam, hogy évek óta kész van, és úgy beszéltek róla, mintha csak tervbe lenne, válasszak más fűtési módot... Majd, ha más fűtési módot akarok, akkor azzal kapcsolatban is lesznek elvárásaim, és pont azokat akarom majd megoldani vele, amit akarok, és azzal sem azt ami más szerint megfelel. Ez van, ezt akarom kapcsolgatni, meg szabályozni. Ja, a linkelteddel se lehet kikapcsolni. És a kapcsolókról se tudtam meg semmit. Te írtad, hogy 6A-es kapcsoló bírja. És ez mi alapján van? És a 10A-es nem bírja tovább? És ezen túl nem függ a kapcsoló típusától, márkájától? Én értem, hogy mondtál egy értéket, de ez a kérdéses dolgok megválaszolása nélkül úgy tűnik, hogy annyit jelent, hogy te úgy gondolod, hogy egy 6A-es bírni fogja. Ezen túl, te írtad azt is, hogy azért nem csináltál valamit, hogy dolgoztasd az agyad. Majd írtad, hogy nem informatív az ábrám, hogy mit kell kapcsolgatni. Nem tudom, én, ha látok egy zsinórkapcsolós lámpát, akkor nem a fali kapcsolóval akarom felkapcsolni. Megérteném, ha én segítenék neked, és úgy kevés számodra az infó az ábrán, és azért nem tudod, hogy majd mit hogy kapcsolj, de nem ez a helyzet. Ott vannak a kapcsolók, meg a bekötések. Innentől ha te segítesz, neked kéne megmondani, hogy működik-e, vagy miért nem... És még aki figyelmeztetett is arra az egyetlen lehetőségre, amit úgy írt, hogy például, mintha több lehetőség is lenne a zárlatra, az is úgy tette, hogy nem vette figyelembe, hogy már előtte én magamtól, direkt úgy csináltam, hogy tudtam, és leírtam, és direkt úgy helyeztem el, hogy ne kelljen rajta sokat gondolkodni, hogy az utolsó ne legyen bekapcsolva, ha az utolsó előtti is be van.
(#) gyulank válasza szs hozzászólására (») Okt 4, 2020 4 /
 
Értem, hogy nagyon meg akarod magyarázni, de akkor magyarázd el nagyon! Számold ki, hogy hány Wattos a potméter lecsavarva, meg felcsavarva, és mutasd, hogy lehet olyat venni! A zavarszűrőben nem ellenállás van, de rákereshetsz arra is, hogy mennyibe kerül. És attól, hogy be van keretezve nincs értéke. Megint csak ott tartunk, hogy én szépen leírtam, hogy mi a problémám egy olyan ábrával, amiből azért nem olyan egyszerű rájönni az értékekre, mint egy lámpakapcsoló bekötéséből rájönni, hogy melyik kapcsolja, erre le vagyok hülyézve, hogy biztos nem fogtam fel, hogy melyik lenne rajta a zavarszűrő. Én nem arról beszéltem, hogy a zavarszűrő benne van-e, a rajzban, hanem, hogy kell-e hozzá. Ha nem lenne a rajzon, akkor is kéne hozzá. Meg kiosztottál, hogy kisáramú részen van a potméter, oké, számold ki, szeretném látni, hogy hány Wattos! Ne csak dobálózz azzal, hogy biztos kötekedésből írtam, hogy nem tudom, vagy mert hülye vagyok, vagy mindkettő... Ezen túl, a többi alkatrésznek, a félvezetőknek sem annyi paramétere van, hogy erősebb-e vagy gyengébb... Nem csak áramban különböznek. Ha olyan okos vagy, fejtsd ki, hogy melyik milyen, és miért! Hagy tudjam, de mivel nem tudom, nem tudom... Márpedig ahhoz, hogy jól működjön, mindent úgy kell méretezni, hogy jól működjön. Ha nem olyan feszültség kapcsolja be, akkor nem olyan ellenállás kell elé.
(#) szs válasza gyulank hozzászólására (») Okt 4, 2020 /
 
én nem hülyéztelek le, azt sem írtem, hogy kötekszel, én csak igyekszem segíteni neked. Viselkedj már.
Annyit jegyeztem csak meg, hogy azt nézed, hogyan nem tudod...

Idézet:
„Ha olyan okos vagy”
nem olyan okos vagyok, sőt buta, hogy ilyen agrasszív gyereknek segíteni akartam.

Ott van a zavarszűrőben az ellenállás, 22 ohm, ott van két 30mH induktivitás, 100µF kondenzátor. És, ha benne van a rajzban, hát nem kell hozzá.
Tényleg nézd már át amit ajánlottam, nem olyan bonyolult.
A hozzászólás módosítva: Okt 4, 2020
(#) gyulank válasza szs hozzászólására (») Okt 4, 2020 /
 
Nem nézem át mert én több mint tíz éve ismerem a rajzot, és sose érdekelt az első, és attól, hogy úgy beszélsz az elsőről, mintha a második nem lenne, attól még a másodikról beszéltem. Láthatod, hogy melyikbe nincs ellenállás... De amúgy ha lenne értéke az induktivitásnak, akkor sem elég csak két olyan induktivitás, hanem közös megfelelő ferritmagon kell lenniük erre meg arra emelkedő menetekkel, megfelelő vezetékkel.. És 100nF van ott ahol mondod.
(#) Epu2 válasza gyulank hozzászólására (») Okt 4, 2020 / 3
 
Ilyenkor kell abbafejezni a témát, amikor egymásra köpködtök, még ha finoman is. Nem hogy nincs egyetértés, de de inkább ellenkezés van. Szerintetek?
(#) szs válasza gyulank hozzászólására (») Okt 4, 2020 /
 
A másodikba (azt is ajánlottam eredetileg) értelemszerűen beszereled az előtte levő zavarszűrőjét.
Jo, nanofarád, van, elírtam. Helyetted dolgozom, azt agressziózol
Kicsit több türelmed lehetne azzal, aki segíteni akar, azért, mert Sorkapocsra megsértődtél
A hozzászólás módosítva: Okt 4, 2020
(#) gyulank válasza szs hozzászólására (») Okt 4, 2020 2 /
 
Jó, hogy arról beszélsz, mert már épp írni akartam, hogy mindegy, amúgy ha az elsőről beszéltél volna akkor sincs megadva se gyújtófeszültség, se kapuáram, az kevés, hogy tudom, hogy jó nagy Amperos legyen. Továbbra is várom a potméter teljesítmény számolását is, persze az ellenállásokét is. Mert te még mindig azt mondod, hogy ott van minden csak nem nézem... Mindent tudni lehet. Pedig ezerszer mondtam, hogy nem tudom, és ha te tudod, mondd már meg, de csak helyettem dolgozol. Mit?
(#) szs hozzászólása Okt 4, 2020 / 1
 
Várhatod, -ha ilyen hangnemben beszélsz, oldd meg egyedül.
A hozzászólás módosítva: Okt 4, 2020
(#) gyulank válasza szs hozzászólására (») Okt 4, 2020 2 /
 
Vagyis nem tudod te se...
(#) szs válasza gyulank hozzászólására (») Okt 4, 2020 /
 
De tudom
(#) Moderátor hozzászólása Okt 4, 2020
 
Kérjük, hogy a személyeskedés helyett a kérdésre koncentráljon mindenki. Ha pedig a kérdezőt nem érdekli a válasz, akkor hagyjátok figyelmen kívül.
(#) proli007 válasza gyulank hozzászólására (») Okt 4, 2020 /
 
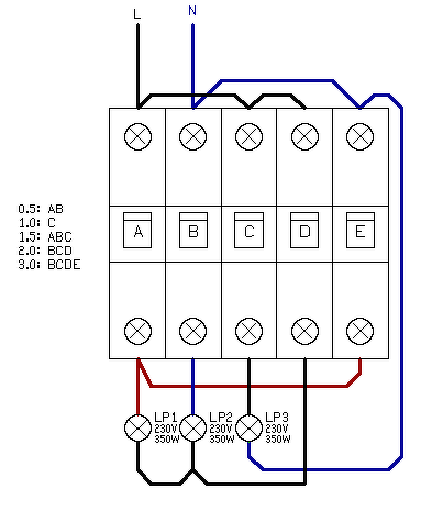
Hello! Ennyit tudok segíteni. 5 sima kisautomatával, 5 fokozat. Az "A" és "E" kapcsolót nem szaban egy időben felkapcsolni.
A hozzászólás módosítva: Okt 4, 2020
(#) Sorkapocs válasza gyulank hozzászólására (») Okt 4, 2020 /
 
Kedves barátom!
Attól tartok, tényleg nincs miről beszélgetnünk. Igazán figyelmes vagy, de ne aggódj, nem sértődtem meg. Az igazság pedig viszonylagos fogalom, ez nem az a hely, ahol késhegyre mennék bármiféle igazságért.
Innentől a Moderátor protokollja szerint járok el. Harag nincs. Jó szelet!
A hozzászólás módosítva: Okt 4, 2020
(#) silenthill2 hozzászólása Okt 4, 2020 /
 
Sziasztok!
Egy egyszerű kérdésem lenne.
Adott egy hűtőből kiszedett kompresszor.
Bekötöttem, működik, de az a (gondolom én forgást elősegítő kör alakú alkatrész) 1 perc üzemeléstől már forróvá válik!
Kérdésem az volna, hogy mit ronthattam el a bekötésnél, hiszen adja magát mit hova kell.
Képeken mutatom a bekötést, és mi az ami forrósodik.
Előre is köszönöm aki segít.
(#) Sorkapocs válasza silenthill2 hozzászólására (») Okt 4, 2020 /
 
Szia!

Sajnos hűtőkompresszor-téren én sem vagyok nagy guru, gyanítom, hogy az egyfázisú aszinkronmotor segédfázisa számára fázistolást biztosító kondenzátor, vagy induktivitás, vagy annak valamilyen kapcsolója lehet. A melegedés pedig lehet üzemszerű, de lehet attól is, hogy a segédfázist csak indításkori és nem folytonos üzemre tervezték és ha – csak fölteszem – te folytonos táplálást adsz neki, azt nem szereti.
A legjobb amit mondhatok, hogy keresd fel a Kifejezetten ezekkel a gépekkel foglalkozó témát, ott biztos tudnak segíteni, még csak leírnod sem kell még egyszer, elég, ha csak az itteni hozzászólásod, "#" alatt elérhető közvetlen linkjét beszúrod az ottani hozzászólásodba!
A hozzászólás módosítva: Okt 4, 2020
(#) pipi válasza proli007 hozzászólására (») Okt 4, 2020 / 1
 
Ne ajánljunk már olyat amitől Paksig kell szaladni a visszanyomáshoz. Senki nem garantálja, hogy ezt a "kezelő személyzet" hiányában valaki okostojás nem kapcsolja tetszőlegesen, De még a kiokosított ember is garantáltan bele fog esni a csapdába. Ne adj Isten kilazult kontakt miatt tűz lesz, akkor szabad pár évre bevonulni.
Mindenképp be kell építeni váltókapcsolós mókát, ami gondoskodik az illegális kapcsolás tiltásáról. És mint írták a kismegszakító hiba esetén történő megszakításra való, a kapcsolók, meg az üzemi áramok kapcsolgatására. Ha saját feje után másként használja övé a felelősség.
(#) kendre256 válasza silenthill2 hozzászólására (») Okt 4, 2020 / 1
 
Úgy gondolom, hogy az a segédfázist biztosító PTC. Az úgy működik, hogy induláskor átfolyik rajta a segédfázis tekercs árama, attól felmelegszik. A melegtől megnövekszik az ellenállása és utána sokkal kisebb áramot enged a segédfázis tekercsre, szinte "lekapcsolja" a segédfázis tekercset.
Normális, hogy felmelegszik.
(#) Sorkapocs válasza kendre256 hozzászólására (») Okt 4, 2020 /
 
Ahá! Jól látom, hogy – e szerint a bekötés szerint – a segédfázis nulla ágába van kötve a PTC? Tudom, hogy ez is egy valid megoldás, csak érdekel, hogy jól látom-é.
Ma is tanultam valamit...
(#) kendre256 válasza Sorkapocs hozzászólására (») Okt 4, 2020 / 1
 
Én sem láttam még ilyet. Ránézésre, meg a leírás alapján sejtettem, hogy PTC, de a gugli megerősített benne:
A leírás végén kapcsolási rajz is van.
(#) lastewer hozzászólása Okt 4, 2020 /
 
Sziasztok,

Milyen alkatrésszel lehet beállítani egy nyomtatott áramköri lap tápjának a maximális feszültség értékét?

Pl, ha 12V - ra tervezem és 16V - ot kapcsolnak rá égjen ki a biztosíték.
(#) nagym6 válasza lastewer hozzászólására (») Okt 4, 2020 / 2
 
Beteszel a nyomtatott áramköri lapra annak tápjára párhuzamosan egy 13 V zenert. Ha a feszültség eléri a 13 V-ot, a zener kinyit zárlat lesz, aminek nagy árama kiolvasztja a biztosítékot. Kellő áramú zener kell.
(#) silenthill2 válasza kendre256 hozzászólására (») Okt 4, 2020 /
 
Ezekszerint akkor üzemeltethetem így nyugodtan?
Műanyag házban van az a ptc és megvan barnulva a műanyagja.
Hát vannak kétségeim...
Maga a motor úgymond 3 fázisú.
Maga az L és N amit a 3 pólust a ptc köt össze.
Próbáltam ptc-t kivéve mindkét helyre átcserélve a kábelt, így meg se mukkant, tehát a ptc mindenképp szükséges az áramkörbe.
Következő: »»   3514 / 4047
Bejelentkezés

Belépés

Hirdetés
XDT.hu
Az oldalon sütiket használunk a helyes működéshez. Bővebb információt az adatvédelmi szabályzatban olvashatsz. Megértettem