Fórum témák
» Több friss téma |
Mit értesz a jobb alatt? Nekem csak azért. Kellene másik hogy tudjam programozni. Egy bosch programozható elég húzós áron van sajnos
Idézet: „Nekem csak azért. Kellene másik hogy tudjam programozni.” Értem.
Szia! Ha veszel egy ki-be kapcsolós programozható termosztátot azzal egy idő után elveszted a busz kommunikáció adta megtakarításokat, hiszen az folyamatosan kapcsolatban van a kazánnal. Egy idő után a ki-be kapcsolós megoldásoddal kidobod az ablakon a a programozható "buszos" termosztátra valót. Persze a Te döntésed, hogy melyik mellett döntesz, ettől olcsóbban nem lehet megúszni de hosszabb távon kifizetődik.
Sziasztok. Egy feg c21es kazanhoz szeretnek bekotni uj termosztatot. Tudnatok segiteni hogy melyik ket pontra kossem be? 230 voltot kulon adjak neki vagy a kazanbol? Mellekeltem ket kepet is. Koszi elore is.
Hello! Ha jól látom, jelenleg is van termosztát bekötve. Lehet a kazánból ezen táplálni is.
- Barna a termosztát "N" pontjára. - Fekete a termosztát "L" pontjára. - Zöld-sárga a termosztát "COM" pontjára. - Egy rövid átkötő vezeték kell még a termosztátnál az "L" és "NO" pontok közé. A hozzászólás módosítva: Okt 20, 2020
Sziasztok!
Új termosztát bekötéséhez (a régi mellé) szeretnék segítséget kérni. - Kazán: Ariston Clas B Premium, - Jelenlegi termosztát: COMPUTHERM Q7, - A fűtési rendszer egykörös. A következő termosztátot szeretném bekötni: - Computherm B300RF Wifi termosztát vezeték nélküli hőérzékelővel A kérdésem pedig az, hogy a kazánon két bekötési hely van: egy „hagyományos” és egy padlófűtés érzékelőnek. Végül is a régi termosztát mellé bekötném az új Wifi-set is, amennyiben ez lehetséges. És ha bármelyik érzékelő a beállított érték alá megy, a kazán bekapcsolna. Azt nem tudom, hogy a padlófűtési bemenet miben különbözik a hagyományostól. Ez is egy ugyanolyan bemenet, amire ha termosztátot kötök, akkor a beállított hőmérséklet alatt elindítja a kazánt? Akár köthetném erre a jelenlegi szobai termosztátot? Kell-e valamit külön programozni ehhez a kazánban? Másik megoldás, hogy veszek egy vezetékes COMPUTHERM érzékelőt, és a korábbi termosztát kéteres kábelén keresztül rákötöm az új termosztátra. Ebben az esetben az a kérdés, hogy a B300RF-nek meg tudom-e adni, hogy ha bármelyik érzékelő a beállított érték alá megy, akkor kapcsolja a kazánt? Köszi előre is a válaszokat. A hozzászólás módosítva: Okt 20, 2020
Miért nem kötöd egyszerűen párhuzamosan a kettőt?
![]() Azt nem kérdezem meg, hogy miért akarsz ilyesmit csinálni?
Hello! Elolvastam a "Beszerelési kézikönyvet". Abban azt írják, hogy a padlótermosztát biztonsági termosztátként működik. Vagy is megakadályozza a padlórendszer túlmelegedését. Működése esetén hibajelzés van.
Tehát a két termosztát sorba van, tehát ÉS logikai kapcsolatban. Te pedig VAGY logikai kapcsolatot szeretnél. Vagy is Gafly tanácsát kell követned és a két termosztás vezérlő kontaktusát párhuzamosan kell kötni. Mind két termosztát záró kontaktusát (COM-NO) a kazán TA1 bemenetének (1-2) pontjára kell kötni.
Sziasztok !
Segítségre lenne szükségem a képen látható termosztát lett bekötve amely egy keringető szivattyút működtet a padlófűtéshez.Kérdésem az lenne ,hogy tudom megoldani a termosztáton látható lámpa működését ? Jelen pillanatban nem világit . Szeretném ha látható lenne mikor kapcsol be a termosztát.Előre is köszönöm!
Hello! Pont nem látható, milyen kígyó jön ki a falból. De ha nincs csak két vezeték, akkor sok lehetőség nincs. Mert a termosztáthoz általában egy fázis érkezik meg és ezt küldöd vissza a szivattyúnak. Hogy lásd is, ahhoz kell egy nulla is.
De egy lehetőség van, hogy a lámpát (ami gondolom egy Glimm) rákötöd a két vezeték pontjára ami bejön. (5-3) és (6-1) Ekkor fog jelezni, csak épp fordítva. Mikor áll a szivattyú, akkor fog világítani. De jelzésnek az is jelzés, csak fordított logikával. A hozzászólás módosítva: Okt 22, 2020
Én nem vagyok szakértő csak amatőr a , nulla az bárhonnan jöhet vagy a szivattyútól kell jönnie és hova kéne bekötni ha lenne hogy világítson a lámpa.Köszönöm az eddigi segítséget ,ha más nem lesz a fordított megoldást választom .
Ha van nulla, rákötöd a 6-osra. Hogy az 5-ös lábat melyik pontra kell kötni, azt igazából nem lehet innen megmondani, mert a kábel barna-kék színei miatt nem lehet tartani a szokványos színeket. De feltehetően a kék-re kell kötni az 5-ös pontot. De ez nem gond, mert az egyiken állandóan fog világítani, a másikon pedig csak akkor ha ha kapcsol a termosztát. Ezt, meg egyszerű tekergetéssel megtudod.
Remélhetőleg "szabályosan" van bekötve a szivattyú és a termosztát a fázist kapcsolja és nem a nullát. Feltéve hogy fixen van az egész szivattyú bekötve, nem egy konnektorra. Ezért észszerűbb lenne ha a szivattyú bekötéstől kapná a nullát, persze ha erre mód van és nem kell bontással új háromeres vezetékeket behúzni.
Neve/tipusa nincs a fedélen?
Akkor el lehetne dönteni hogy birja-e 230V-ot a lámpa. De valószinüleg igen.
Köszönöm a választ. Így fogom csinálni. Ezek szerint elég csak a két bekötő pontra rákötnöm a két érzékelő egy-egy kimenetét.
Vettünk egy házat, ahol van egy földszinti padlófűtéses, az emeleten radiátoros kör, ezeket 1-1 Computherm Q7RF vezérli, Ariston Genus Premium Evo 24 kazánnal. Le szeretném cserélni wifis termosztátokra, Computherm B300RF-re. Gondolkoztam azon is, hogy a kazánnal talán kompatibilis Ariston Cube S Net termosztátokat vegyek, viszont ezeknek valahogy meg kell oldanom a kábelezését, amit a házban szétszórt RJ45 aljzatokkal és behúzott UTP kábelekkel össze tudnék hozni.
Kérdéseim: 1) Megéri a gyári termosztátok kábelezéseivel bíbelődni, vagy maradjak az egyszerűbb, rádiós ON/OFF vezérlés mellett? Valóban annyi megtakarítást hoz egy moduláló termosztát? 2) Két modulációs termosztát beköthető párhuzamosan a kazán BUS csatlakozójára, vagy hogy működik ebben az esetben a kétkörös vezérlés? Jó lenne, ha mindkét termosztáthoz hozzáférnék távolról.
Sziasztok. A COMPUTHERM Q7RF kapcsoltban szeretnék kis infót kapni. A No és Com lábakon a relé nyit és zár ("rövidzár") vagy 230V-ot kapcsol? A gázkazán távezérlését szeretném megoldani "sf" okos relével; párhuzamosítva a már meglévő Q7RF vevőével. Ezt meg lehet így oldani? A vevő kapcsolgatásával próbálkoztam, de az adó nem csatlakozik automatikusan csak a + - gomb megnyomásával. Előre is köszönöm a segítséget.
Hello" Az No és Com egy független záró kontaktus. Oda kötöd ahova csak szeretnéd.
Sziasztok !
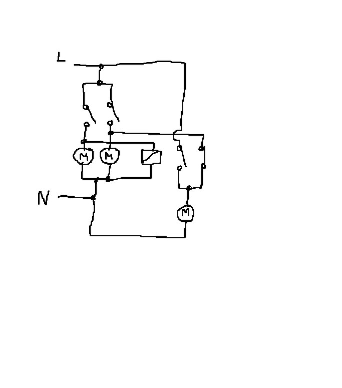
Abban kérném segítségeteket , hogy két termosztáttal szeretnék vezérelni 3 db szivattyút . Mégpedig olyan formában ,hogy mindegyik termosztát elindítja a saját szivattyúját és 3. szivattyúnak is el kéne indulni ha valamelyik szivattyú elindul a kettő közül vagy ha mind a kettő indul egyszerre. Hogyan tudnám ezt bekötni ?
Hello! Pld. Vagy használsz három 230Vac relét és közösíted a kontaktusait, vagy három diódahidat és egy 230Vdc relét.
Helo.
Szükséged lesz egy 230V os, legalább két váltóérintkezős relére. A hozzászólás módosítva: Okt 28, 2020
Computherm Q4Z zóna vezérlőt is lehetne használni, csak az többe kerülne...
Sőt, akár egy szervert is be lehet üzemelni a feladatra, igaz, az is többe kerül, mint egy relé.
...meg egy nagymamát.
Szerverrel én ezt nem tudnám megoldani, de ami nálam már évek óta működik, azt mutatom... Raádásul ez drótnélküli termosztátokkal (2 db, de akár 4-gyel) is működik. "Q8RF" szett... A hozzászólás módosítva: Okt 29, 2020
Tudom, hogy sokéves hsz-re válaszolok, de most futottam bele egy ilyenbe: TRQ 21.
Valóban analóg jelet ad,4-22V-ig. 4V alatt bekapcsolt a kazán, de én lángmodulációt nem észleltem a változó feszülgnél. A bemenet a vezérlő panelen fel van húzva, így simán helyettesítettem egy Computherm típussal. Lényeg, hogy olyankor zárja negatívra a bemenetet, amikor fűteni kell. (Ennél a típusnál "klíma" bekötésnek írták.) Ha már leszedtem, vissza is rajzoltam.
Relével kapcsolni a padló fűtés keringető szivattyúját?
Bekötöttem az okos termosztátom (Tado) a kazánra. Kimértem, 24V van a bekötésen alap állapotban, ha bekapcsol a termosztát és megy a fűtés, akkor 0 lesz. Azt mondták, hogy egy relét rakjak a termosztát bekötésére, ami bekapcsolja a keringető szivattyút ha megy a fűtés. Vettem egy relét hozzá, de alapból amikor bekötöm bekapcsolja a fűtést - rövidre zár. Ez egy Finder 49.52.0.024.0000 Ha külső áramforrásról kapcsolom, akkor NO,NC módban is megy, kapcsol fel/le amit kell, de a termosztát lábán azonnal felülírja a termosztátot... Esteleg lenne valami ötletetek? Köszi!
Rajzold le mit hogyan kötöttél, valamint add meg jól a relé típusát is. Finder 49.52.0.024.0000 típus nem létezik.
Bocs, a típusa 40.52.9.024.0000
Mindjárt lerajzolom... |
Bejelentkezés
Hirdetés |

















