Fórum témák
» Több friss téma |
Fórum » Forrasztópáka hőmérséklet szabályozása
Témaindító: (Felhasználó 712), idő: Nov 15, 2005
Témakörök:
Idézet: Igen ezt írtam már két napja , nem kel deriválni -intgrálni .... 0,5*0,5= .... „P = Ucs/2 * Ics/2 - egyutasnál” A hozzászólás módosítva: Okt 13, 2020
A normál szinusz és az egyutas arányát (hányadosát) nézd, és ne emelj ki egy részletet a bizonyítás egészéből mert ezzel magadat csapod be.
Igaza van usane-nek, meg Bakman-nak, meg úgy kb. mindenkinek, tényleg a fele a teljesítmény. Én is benéztem mert az átlagfeszültségből számolt teljesítményt számoltam ami nem az mint az effektív. De legalább most megtanultam mik azok.
Ha tizedessel akarod számolni rendben, vezessük le így.
P= 0,5*Ucs*0,5*Ics = 0,25*Ucs*Ics- egyutasra Az 1/2 ugyebár 0,5 volt az egyutasnál. A gyök2-nek 0,707 a reciproka, vagyis szinusznál: P= 0,707*Ucs*0,707*Ics = 0,5*Ucs*Ics. A 0,25 a fele a 0,5-nek. Idézet: „Ha tizedessel akarod számolni rendben, vezessük le így. P= 0,5*Ucs*0,5*Ics = 0,25*Ucs*Ics- egyutasra” Idézet: „A 0,25 a fele a 0,5-nek.” Akkor most hogy alakul a teljesítmény egyutasnál ? Ez volt az induló kérdés Én a 0,25 re szavaztam ... A hozzászólás módosítva: Okt 13, 2020
Normál szinuszhullánál 0.5 a szorzó, egyutas egyenirányításnál 0.25. Így jön ki az eredeti fele.
Jó estét!
Megcsináltam a mérést, beletettem a 100-as izzót pohár csapvízbe, megvártam, míg 60 fokra melegszik. Majd beköttem egy diódát, vizet cseréltem, és ismét bekapcsoltam a körtét, megvártam a 60 fokot. Ezután mindezt megismételtem, mert hátha az első pohár még hideg volt, de talán nem sikerült a többszöri átöblítéssel lehűteni az üveget. Szerintem házi méréshez képest hibahatáron belül van a mérésem Az első mérésnél: -dióda nélkül 340mp -diódával 555mp Ez 61% A második mérésnél -dióda nélkül 290mp -diódával 520mp Ez 56% Tehát az 50% hatásfok, leadott teljesítmény mégis az igaz. Én egyébként picivel kevesebbre gondoltam, én a 40%-on sem csodàlkoztam volna,( mint tegnapelőtt is írtam, de egyre jobban meggyőztetek, hogy ikább 50 lesz az, egyre fontosabbnak tartottam mérni), de az is közelebb van az 50-hez, mint a 25-höz ![]() ...ja, a kép a komoly mérőeszkökről le ne maradjon!!! A hozzászólás módosítva: Okt 13, 2020
Erről a 0,5 ös szorzóról nem nem tudtam (vagy csak nem emlékeztem rá )kb 40 éve tanultam fizikát és elektromosságot a fizikán belül , Így tényleg mindenkinek igaza van , végre eljutottunk a végeredményig ... A 0,25 jó és az vitathatatlanul a 0,5 fele ...
Végre beláttad, hogy feleződik a teljesítmény egyutas egyenirányítással. Nehéz menet volt.
Ha izzó helyett ellenállást használsz, akkor 50 alá ment volna kissé az eredményed. Bárcsak kipróbálnád azt is. Bár a végeredmény ott is borítékolható.
Én beváltottam az ígéretem.
Te is megcsinálhatod a te ötleded, én szívesen fogok róla olvasni! ![]() ...bár, van a fatertől örökölt hatalmaz pákám, vagy10-es vastag heggyel, azzal lehet, hogy meg kéne néznem... Egyébként ez a vitafolyam Gafly izzólámpás példájából Idézet: „szoktam javasolni szakdolgozat témának azt, hogy ha egy hatvanas izzóval sorbakötünk egy diódát, akkor mekkora lesz a teljesitménye? ” (és a rá adott válaszomból, elképzelésemből) kerekedett, ezért tartottam célszerűmek izzóval próbálni. A hozzászólás módosítva: Okt 13, 2020
A lényeg az, hogy most már mindenki tudja, mit hogyan kell számolni.
Idézet: „Én egyébként picivel kevesebbre gondoltam” Én meg többre (ami végülis be is jött a méréseid alapján), az izzó jelentős hőfokfüggése miatt. Köszönjük a konkrét mérést. ![]() És sokat tanultunk, és nem ment át durvulásba. Idézet: Pedig elég annyi is, ha valaki el tud számolni kettőig. Ugye, ha van 2 teljesen egyforma valamim (2db félperiódus) amiből elveszem az egyiket (mert nem engedi tovább a dióda), akkor vajon mennyi marad... És ezen ment a vita oldalakon át... „És sokat tanultunk”
Biztos vannak páran, akik tanulhatnak ebből a pár oldalból!
![]() Semmit se kell újrakezdened, csak logikusan gondolkozni.
Ugyanez induktív terhelésre. Dehogy, csak hülyeségből írtam.
Nem mondhatom, hogy lezárt történet, sőt inkább egyre bonyolódik!!!! (A forgalmazó nem tudja, vagy nem érdekli, hogy mit árul. Elmondtam, hogy mire használnám. Még ez sem volt zsákbamacska. Használati utasítás nem ad a problémámra vonatkozólag információt.)
Messzi el fogom kerülni ezt a boltot, ezt követően. A rejtély kulcsa a forrasztóvíz
A sóssav tartalmú forrasztóvíz szétmarja a fém pákacsúcsot...az elektronikában nem is használatos. Vannak kevésbé agresszív "folyasztószerek" is...ezek azonban drágábbak.
Összességében a "házilagosan" pótolható rézhegyek költsége a forrasztóvízzel használva kevesebb lehet, mint az "öko" folyasztószerek és az ahhoz használt gyári pákahegyek ára... A hozzászólás módosítva: Okt 30, 2020
A forrasztóvíz a panelt is véglegesen tönkreteszi, beivódik talán.
Még szerencse, hogy nem panelt forraszt . . .
Szerintem sok igazság van abban amit mondassz.
Akkor szerencsés voltam az eddig használt pákákkal, mert a 60W és 80W-os pákáim hegyei nagyon jól bírják jelenleg is a forrasztóvizet (na igen, nem oly jó minőségűek, mint a Weller). Sajnos a forrasztóvíz a legelterjedtebb ehhez a technikához.
Így nincs mese, a precíziós munkákhoz tűhegyű pákát kell találnom, ami nem 1 hónapig bírja, mert amire megszoknám egy eszközt, szétomlik. Viszont az nagyon érdekelne, hogy kedvezőbb áron lehet hegyet szerezni a pedigrés Weller-hez? (laikusként kérdezem) A hozzászólás módosítva: Okt 30, 2020
Zinn80 vagy valami ilyesmi a neve annak a folyasztószernek amit réz és horgany forrasztásához használnak a hagyományos forrasztóvíz helyett, lényege, hogy nem tartalmaz vizet, mint a hagyományos sósav és horganyadalékból készült szer. Valami glicerin és alkohol keverék cink-kloriddal. Nem fröcsköl sistereg, melegen forrasztás után rászárad, a levegő nevességétől visszafolyósodik a maradvány, szódás - lúgos ronggyal letörölhető.
Vigyázat, reklámot is tartalmaz.
Szerintem Krisztina75-nek az az egyik legfőbb gondja, hogy nagyon fogynak a hegyek. Valamint, hogy túlzottan meleg.
Köszönöm szépen az információt, utánajárok.
Kedves fórumtársak!
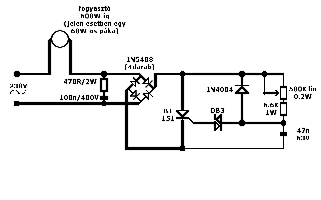
Találtam én is venni egy ilyen pákát pár hónapja: 230V/60W barkácspáka Ez sem szabályozható, és én is túl melegnek vélem a hegyét, és eszi is a hegyeket rendesen, már ott tartok, hogy inkább lecsiszoltam lamellás koronggal rézig, azt ónozom. Drága lenne naponta 600Ft-os hegy... Kitaláltam, hogy készítek hozzá szabályzót, amivel csökkenteni tudnám a teljesítményét, ezzel a hegy hőmérsékletét. Skori tirisztoros szabályzójából indultam, összehajtogattam egyoldalúra, és olyan lett (azaz lesz majd, ha ti is úgy látjátok), ami a lenti rajzon szerepel. Úgy olvastam régebben, hogy kisebb teljesítményeknél elég a 470ohm-100nF páros zavarszűrésnek, ezért (egyelőre) csak azt rajzoltam bele. de abban sem vagyok teljesen biztos, hogy ebben az esetben pont ott van-e a helye. Nagyon tanulója vagyok még ez dolgoknak ![]() Azt is olvastam, hogy a hiszterézis elkerülése érdekében ajánlatos minden nullaátmenetnél leüríteni a szabályzókörben a kondenzátort -erre szolgálna a diak előtt leágazó dióda. kérem, segítsetek, hogy jól gondolkodtam-e, nem is csak e kettő kérdésben, hanem az egész tervről várnám a hozzászólásaitok. Biztos lesz, ki megkérdezné: "de miért nem a triakosat?", nos azért, mert az már mindenütt ki van vesézve, csak azt találni mindenhol, -tirisztorosat csak Skorinál találtam. Ha ez nem annyira átbeszélt változat (a tirisztoros dimmer), hát érdemes ezen agyalni, hátha ez is jól ki lesz tárgyalva. Sokkal érdekesebb olyant megcsinálni, amivel még nem rekesztettek Dunát ![]() Köszönöm előre is a hozzászólásaitok!
Diódahídnak bőven elég az 1N4xxx-es sorozat, akár még a 4004-es is, hiszen nincs sem induktivitás, sem pufferkondenzátor a körben. A diac is leüríti a kondenzátort, mert a gyújtófeszültsége magasabb, mint a tartófeszültsége. A dióda+tirisztor nyitófeszültség valóban néhány volttal alacsonyabb. Igazából az első impulzusnál van jelentősége, az késik, a többi már egyforma lesz. Akkor számíthatna valamit, ha nem lenne benne potméter, hanem csak egy fix ellenállás. Itt úgyis oda tekered, ahol neked megfelel.
A témához csak annyit, hogy a bekapcsolt tirisztor és a dióda üríti csak le a kondit kb. 2-3 voltig a nullátmenetig. Ha a dióda nincs ott, akkor a kondi csak a poti+R tagon át sülne ki.
A diac önmagában nem üríti le a kondit, mivel van annak egy Uh ( kritikus feszültség ) értéke, ami alatt visszabillen zárt állapotba ( sacc 20 V ). A gate csak az ( Ub-Uh ) impulzust kapja mindig, ami diac függő. |
Bejelentkezés
Hirdetés |









