Fórum témák
» Több friss téma |
Szia-sziasztok!
"Semennyi benzint nem köp ha épp nem jó, egy rövid időre halványan sem villan a led? Nem g13a amúgy?" Nem villanik--nem köp be. Motorkód ? G13BBA449514 Ma reggeli inditási riport: ( Fordjel+Szikra+Kajak Akksi+gyujtásra kötött AC-pumpa +Betáp a Befecskendező szelepen adott-biztosan meglévő !!!) 1. Ismerős megkérve .hogy addig öninditózzan folyamatosan .,amig el nem indul és számolja a másodperceket. 2. Én lámpával bevilágitva figyelni fogom majd ,a tényleges benzinbefecskendezés megindulását. (Ami a motorbeindulását is jelenti automatikusan). 3. KB 13-15 mp köszörülés után beindult a befecskendezés (LED) villogás is., és beindult a motor is.Semmi gyenge LED bevillanások--bespriccelések a nem indulás ciklus alatt nem voltak. 4.KB fél percet járatás után.., motor leállitva .,és ilyenkor sorozatban lehet egymás után akár tucatszor is inditani. 5.KB negyedóra állás után inditva visszajön a kiindulási állapot---köszörülni kell megint kb hasonló ideig.
Még EZT megnézheted, hátha bejön. Már mondani (kérdezni) akartam, hogy a hőfok jeladó az rendben van-e, mert anélkül nem lesz dúsítás.
Úgy rémlik, ha megszakad a hőérzékelő állandóan dúsít, fordítva meg ...
Nagyon érdekes ez a motorkód. Ez egy sima 8V motor, központi befecskendezéssel, nem? G13A/G13BA - 1.3 8v egy vezértengely központi befecskendezés
G13BB - 1.3 16v egy vezértengely hengerenkénti befecskendezés Szóval itt valami kavar van, lehet hogy nem a saját motorja van benne. Rádugnék egy másik ecut próbából. Nyomásszabályzót felesleges elállítgatni szerintem.
Ez van a forgalmiban .G13BA449514. 8.szelepes.., Denso SinglPoint-os
Régota van a tulajnál.,a hiba nemrég jött bele egyébbként. Most néztem a vizhőmérőt : 7C-nál 4.6Kohm. De aktiv lehet mert tegnap elfelejtettem visszadugni és mindjárt észrevette....
Arról nincs adat, hogy köztes hőmérsékleten milyen értékek mérhetők. Ez az NTC a zöld becsavarós volna és az oda van becsavarva ahol a termoviszos szelep tere van.
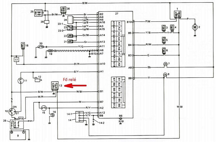
G13BBA449514 vs G13BA449514. Nem mindegy. A vízhőmérőt felesleges nézni mert ha rá sincs dugva akkor sem tilt le teljesen a befecskendezés. Ha szikrát ad mikor teker de benzint nem, én nagyon valószínűnek tartom az ecu hibát. Esetleg még az osztófejben szét lehet nézni a jeladónál, de az a motor fő pozíció jeladója, ha nem lenne onnan jel, szikra sem lenne.
A hozzászólás módosítva: Nov 20, 2020
Ami még nem került szóba az a MAP szenzor. Ez biztosan fő szerepet kap az üzemanyag mennyiség képzésében de a WTS és az ATS (levegő hőmérséklet) is hozzá kapcsolódik a kiértékeléshez. Valamelyiknek nem lehet jó az értéke, mert (mint mondtad) a gyújtás az jó és az indítások is ismételhetők csak az első indításnál telik el hosszabb idő az üzemanyag mennyiségének meghatározásához az ECU-nak. Nem próbáltad még kivillogtatni a hibakódot vagy nem derült ki belőle semmi?
A WTS és az ATS sorba van kötve és úgy csatlakozik az ECU-hoz a közöse pedig a MAP-hoz megy. Bővebben: Link Kifogytam ...
MAP nyilván nagyon meghatároźó lehet, mert ha lehuzom a vákumcsövet leáll rögtön.., ez normális ?? Értéket nem találtam ., de az 5V táp az megvan.., megnézem mégegyszer a hibavillogtatást., de nem nagyon várok csodát.., hajlok egy ECU hiba felé is.., bár Suzukis kollégák cseréltek ugyan .., de más miatt.., mondották volt..,
Az is fura hogy ha az inditas elött egy töredéknyi időre befecskendezek akkor már indul is..., hanem akkor jön ez a kötelező kb 15mp- s köszörülés elindulás elött.. Kiváncsi vagyok reggel mivel hidegebb lesz.., van - e valami változás...a link az viszont nem piskóta.. Köszi és üdv
Ma reggel...
Kb 0C.nál Viz--5.8Kohm Levegő--5.6Kohm Vizet lehuztam inditáskor.., de semmi változás kiszedem az ECU-t---fölteszem a spartherdre., hátha fázik..., vicc volt.., de volt valaha egy nem induló Puntó Robotváltós autónk .,ami motor ECU-val való kommunikáció hiánya miatt nem indult el..,addig amig a sebváltó ECU-t meg nem hőpisztolyoztuk... Indulás kb ugyanaz esetleg nem 15mp hanem 20mp---
Ma reggel...
Kb 0C.nál Viz--5.8Kohm Levegő--5.6Kohm Vizet lehuztam inditáskor.., de semmi változás kiszedem az ECU-t---fölteszem a spartherdre., hátha fázik..., vicc volt.., de volt valaha egy nem induló Puntó Robotváltós autónk .,ami motor ECU-val való kommunikáció hiánya miatt nem indult el..,addig amig a sebváltó ECU-t meg nem hőpisztolyoztuk... Indulás kb ugyanaz esetleg nem 15mp hanem 20mp--- A fentiek után ., gondoltam azért még egy hibakódkiolvasást csinálok.,mielött kiszerelem az ECU-t. A tesztelgetésnél lehuzott viz+ levegő szenzor hibakódja voltak..,levettem a sarut,törölve lettek.., bedugott vezetékkel probáltam inditani visszaellenőrzésnek. Első pöcre elindult és azóta tökéletesen indul viszont [b]folyamatosan ég a cheklámpa járó motornál! Mostani Hibakódkiolvasásnál látszólag 12-es nincs hibákodókat villog..,,bár néha olyan érzésem van mintha most állandóan 3-sokat villogna ., és mintha nem lenn a szünet az első villogás után??[/b]!!! Mennyi ideig kell sarut levénne lenni??? vagy valami procedurája van az áthidaló vezeték kihuzásának?? Ezenkivül nincs már módszer??
Mivel "életre" lett hívva a hibakód kiolvasás így a "check engine" lámpa jelzésének megfelelő impulzus sorozat adja a hibakód számát. Ez csak akkor fog onnan "elaludni" ha hiba meg lett szüntetve, ekkor az ECU megszünteti a jelzőfényt. Nincs lehetőség törlésre avagy az akkusaru levétellel talán megszűnik de a hiba az megmarad. Szóval ha megnézed a kapcsolási rajzokat akkor azon látható, hogy a WTS és az ATS (zöld és kék NTC) mintha sorba volna kötve de a közös száluk a MAP szenzoréval is az. Nem lehet, hogy kontakt hiba is közrejátszott ebben a nehéz indításban? Még mindig fennállhat a MAP szenzor problémája (a hármas sorozatú villogás, 31 és 32). Ha kitisztogatod egy kis féktisztító sprével az érzékelőt és a csöveket a szűrővel együtt, majd megszárítod, pöcc-röfnek kell lennie. A csatlakozásokat nem tudom, hogy hol vannak közösítve és az ECU-hoz milyen szálon megy oda de a rajzon talán az is fel van tüntetve.
Korrekt amit irsz feltételezésképp...,időközben rájöttem hogy mi a 33-s hibakód..., balgán elfelejtettem visszadugni a MAP szenzor csatiti idegességemben....,visszadugtam aztán Ok-s lett...
MAP szenzor vákumcsövét huzzam le és fujjak be féktisztitót magába az elektronikába is?? Vagy csak a szürőbe meg a vákumcsőbe??? Miért van az hogy nem minden gyujtásráadásra indul el az AC pumpa (AC Relé) ?? Első pillanatra nekem is ugy tünt hogy sorba vannak kötve.., de szerintem csak a tápjuk van közösitve üdv
Ha most nincs hibakód akkor bizonyára rendben vannak a perifériák. Az AC relét pedig szét lehet szedni és esetleg érintkezőt tisztítani ha ez volna a hibája. Ha nem működne az már valójában az ECU-n múlik ha nem adja ki a negatívat hozzá. A legelső "A1" ponton van az AC kimenete. Az NTC-k az ECU két pontjára "sorosan" csatlakoznak és a közösük a MAP szenzoréval együtt is közös. Persze ez csak látszatra tűnik annak ahogyan az ECU-hoz van bekötve. A hibakód kiolvasásának van egy kapcsolós változata is ami a kórmány jobb oldalán a műszerfal alatt keresendő (fehér billenő kapcsoló). Tükörrel nézz be ott jobb oldalon és megleled. Ezt kell átkapcsolni ezeknél a korábbi típusoknál ha szükséges a motortéri az olyan mint egy interfész de ott is lehetőség van erre a testelésre. A MAP szenzorba is befújhatsz de a szűrő az nyilván tisztán tartja a járatokat és nem szennyezett de a szűrő és az az előtti cső koszos lehet.
Közhirré tétetik...,
Szuki 1.3i 8V Densó.., 1996 indulási rejtélye.... Autó elinditásához megkell várni amig gyujtásráadásra hallani lehessen hogy elindul az AC pumpa., csak akkor inditani és jó minden. Ez a büvös gyujtásráadás utáni várakozás a pumpa elindulásáig nagyon különböző : Lehet hogy első gyujtásráadásnál hallani az AC pumát---lehet hogy háromszor gyujtás rá és le ., és csak a harmadik gyujtásráadásra indul -el az AC pumpa és ilyenkor az autó is. (AC müködéshez szükséges fordjel+Gyujtás+ 50a jel mindig megvan) Ha beülsz és anélkül hogy inditasz hogymegvárnád az AC pumpa hangját---nem fog elindulni!!!! Ac relét már fölcseréltem. Lehet hogy ECU-hibás???
Közhirré tétetik...,
Szuki 1.3i 8V Densó.., 1996 indulási rejtélye.... Autó elinditásához megkell várni amig gyujtásráadásra hallani lehessen hogy elindul az AC pumpa., csak akkor inditani és jó minden. Ez a büvös gyujtásráadás utáni várakozás a pumpa elindulásáig nagyon különböző : Lehet hogy első gyujtásráadásnál hallani az AC pumát---lehet hogy háromszor gyujtás rá és le ., és csak a harmadik gyujtásráadásra indul -el az AC pumpa és ilyenkor az autó is. (AC müködéshez szükséges fordjel+Gyujtás+ 50a jel mindig megvan) Ha beülsz és anélkül hogy inditasz hogymegvárnád az AC pumpa hangját---nem fog elindulni!!!! Ac relét már fölcseréltem. Lehet hogy ECU-hibás??? Nem jól fogalmaztam a lényeget: NEM MINDEN GYUJTÁSRÁADÁSRA INDUL EL AZ AC PUMPA--VAN MIKOR ELSŐ GYUJTÁSRÁADÁSRA--VAN MIKOR HARMADIK GYUJTÁSRÁADÁSRA!!!! EZ MIÉRT VAN????
Szevasz!
Egy tipp: tedd szabaddá a pumpa tetejét, az én autómnál tudom hol van, és gyujtásráadás után koccants a tetejére. Ha ekkor elindul, vélhetően kopott/szorult szénkefe. (Hány éve szolgál?) Üdv: StMiklós
Szevasz!
Jut eszembe > relé. Kattant, jó volt (mint később kiderült) semmi baja. De mégse ment, akkor szembesültem először autóm e részével. Csúnyán othagyott este, sötétben, igaz a telken. A relé/biztosíték dobozban, hamar azonosítottam a reklétm, kiszedtem, de jónak volt mérhető ohm mérővel. Nem kap vezérlést, vagy mi az isten baja van? 2 láb a vezérlésé, 2 a szivattyúé. A relé helyén 1 helyen ott a direkt 12V, vele szemben a kapcsolt.. Ujjnyi, U alaku 1,5mm2 tömör vezetéket lapított véggel bedugva, ment a szivattyú, de már reggel! Csoda volt, hogy az akku legalább 12-15 nem is rövid indítási kísérlet után be tudta indítani. Kiderült: A teljesen takart, beépített faston "aljzatok" nem voltak már elég rugalmasak... Kicsit torzitott relé lábakkal működik a dolog, de van egy spec. vezetékem. Relé ki, 2 csonkvég be a 2 aljzatba, 1 méteres vezeték be az ajtó mellett kabinba, kapcsoló a végén, én indítom állítom a szivattyút. Egyszer szükség volt rá, a vásárolt relének megszakadt 1 hónap után a behúzó tekercse. Azóta töltő is van kocsiban: 12V 10A tulajdonképpen LED meghajtó, 14.4-re feltekerve, tulajdonképpen automatikus a 14,4 miatt. Max. 4e volt, ma jött meg a testvére, nagy a család ... Így jártam, üdv: StMiklos
Szia!
Még mindig Swift 1.3i 8V állás utáni inditási probléma..,AC BEKAPCSOLÁSI PROBLÉMA!!! Előzetesnek-emlékeztetésnek : Ha hallani hogy elindult az AC pumpa akkor biztos az indithatóság is!!! Ez 100%!!! Ma pontosan följegyeztem a történéseket., autó szabadban áll., Egy próbalámpa közvetlenül az AC motorra kötve--Másik Probalámpa az AC relé tekercs lábára .,ahová a motorvezérlő testet kapcsol ki az AC pumpa bekapcsolásához.., Tehát ha AC pumpa müködik akkor egyszer hallani fogom a hangját és egyidejüleg mindkét próbalámpának is ki kell gyulladni. Tehát kizárólag csak az lesz vizsgálva hogy gyujtásráadásra elindul-e az AC motor vagy nem!!! 1.Ma 8.00 kor Gyujtásráadás .., 15mp-ig rajt hagytam, de semmi..,mégegyszer 15mp ig rákapcsoltam., de semmi.., harmadik gyujtásráadás után kb 10mp-mulva elindul az AC és egyidejüleg kigyulladnak a próbalámpák is.Autó inditható., ha ilyenkor elinditom egyet.,akkor leállitás után közvetlenül, akár sorozatban is inditható az autó.,tehát rögtön indul az AC gyujtásráadásra ., nem ilyen hosszu várlozások után. 2. Kb 2-3 óra várakozás után (nincs gyujtásráadás) az a fönt ismétlődik : Első kétszeri kb 15 mp-es gyujtásráadásra semmi se történik--amikor harmadik alkalommal teszem rá a gyujtást akkor kb 10 mp mulva indul az AC és kigyulladnak az ellenőrző lámpák is egyidejüleg!!! 3.Ugy tünik mintha .,hogy kb 2-3 óra állás után a fentiek ismétlődnek.., a motor ugyanolyan hideg stb A hozzászólás módosítva: Nov 25, 2020
Tápot adsz, az AC nem indul. Egyértelmű AC hiba. Lehet kapni hozzá csak motort. Bontottat nem érdemes, ha csak nem akarod sokáig használni, mert a bontáskor sok szennyeződés kerülhet bele. Ez igaz az újnál is, de ha a szűrő tiszta és jó, akkor nincs gond. Ha ráérsz, megpróbálhatod kivenni az AC-t, ellenőrizni a tisztaságát, ha hozzáférsz a keféhez annak elégséges méretét, mozgékonyságát. Szerencsével hónapokig is mehet.
Ez annál érdekesebb ha a relén is van próbalámpa. Az ac relét a motorvezérlő működteti, ha az sem gyullad ki akkor más gond van. Mérnék közvetlenül a vezérlőnél hogy megkapja e a gyújtás 12V ot a ráadáskor, nincs e valami alattomos kontakthiba, de ez az idővel összefüggő viselkedés érthetetlen akkor is, ezért nem tudom másra fogni csak az ecura. Bár annak meg talán reagálni kellett volna a melegítésre. Esetleg a főrelé ragad le...
A "2." pontodra hivatkozva mondanám, hogy akkor a főrelét kellene megnézni, mert az a gyújtáson azonnal meghúz vagy a maga a gyújtáskapcsoló lenne a következő vizsgálati alany.
Lefényképeztem az ECU- t indulván a bontóba., meglepö módón fél zsáknyiból egy se volt pont ilyen a bontóban..., de egy rendelek egyet...
Most volt az utolsó proba benzineskanna vagy géprombolás elött.. Órák óta áll az autó: Ráadom a gyujtást.., és figyelőállásba helyezem magam. ,a kb menetrendszerinti történik., kb a szokás 40 mp mulva gyulladnak a lámpák+ indul az AC motor.Most nem kapcsolgattam le 15 mp- n ként. ( Természeresen inditható az autó is). Mintha valami timer költözött volna az autóba..., biztonságért még egy főrelé cserét csinálok
Ez a ECU melegitésre való motorbeindulást félreérthetted..., mert nem ez az ECU lett melegitve egy sikeres motorinditáshoz...., ( GR.Punto robotválto ECU - ja volt ami csak melegitésre engedélyezte a motor ECU- t ).
Egyelőre már nincs lelkierőm ezt kipróbálni...,
Sziasztok!
Sikerült elb@sznom a kilóméterórámat, vagyis a kilómétereket számolja csak a sebességet nem mutatja. swift 2001-es
Swift 1.3i 8V DENSO ECU Kompatibilitás beazonitása!
A csatolt fényképen lévő számokból melyik számsor stb az.,ami felététlenül releváns egy csere esetén??? Pont ilyent ugyanis nem találnak a bontóban...., B.pla---ban sem... köszi!!!! UI: eddig kétszer megkellett melegitenem hosszu állás és hideg esetén hogy elinduljon az ACC. (Nem ACC hiba!!! hanen a +12V nincs ilyenkor kikapcsolva az ACC-ra.
Szerintem a pirossal jelölt számsor a gyári. Bővebben: Link
Köszi...., most hoztam be "melegedni" 15.30 kor .,egy kb 20 mp-es gyujtásráadás utáni nulla AC bekapcsolás miatt..,( Már 3 probalámával tesztelem a kimeneteket...). Reggel tesztelem igy szobamelegről kivive..,most beszéltem helyi bontosokkal...,szerintük negyon sok fajta van.., egyelőre nincs pont ilyen pedig mindennap bontanak....,referálok majd ha stabilizálodik a szituáció.
üdv Laci |
Bejelentkezés
Hirdetés |












