Fórum témák
» Több friss téma |
Mielőtt kérdezel, a következő két dolgot ellenőrizd!
I. A helyes tápfeszültségek megléte.
II. A kimeneten van-e egyenfeszültség.
Élesztés.
Szia! 2Q2 eszközből mintha kijött volna az éltető füst. Az utolsó képen ez különösen jól látható. Érdemes cserélni mégha, mérrve jónak is tűnik. De ha mechanikasi sérülés okozta a lyukat akkor maradhat:S
A hozzászólás módosítva: Nov 15, 2020
A neten ha keresgélsz találsz kapcsolást amiben Sg3525, Ir2110, LM339 es IC-k vannak, biztosan hasonló lesz hozzá, támpontot ad, a panelodhoz.A frekvenciát nem csak a kondenzátor, hanem még 2 db ellenállás határozza meg az Sg3525 ic nél.
A kondenzátor (CT) az 5. láb és a föld közöttvan. Az ellenállás (RT) a 6. láb és a test között van. Az 5. és 7. láb közötti ellenállás (RD) meghatározza a holtidőt (és kissé befolyásolja a frekvenciát is).RD tipikus értékei a 10 Ω és 47 Ω között Az RT-nek a 2kΩ és 150kΩ között A CT-nek az 1nF (102. kód) és 0,2 µF (224. kód) tartományon belül kell lennie A hozzászólás módosítva: Nov 15, 2020
Itt egy rajz talán jó lesz neked is. https://www.hobbielektronika.hu/forum/getfile.php?id=331006
Ezt az utat végig jártam. Sajnos nem hozott eredményt. Minden (RT) (RD) tag jó. Érintkezik a vezetősáv. Végig követtem. Ezert vagyok tanácstalan.
Szia! tanulmányozd át a belinkelt rajzot. Ha 470pf os a CT, akkor rakj bele 1 nf-ost vagy nagyobbat, és lehetőleg ne kerámia kondenzátor legyen, hanem fólia, az a zöld ami a képen is látszik.
A hozzászólás módosítva: Nov 16, 2020
oké, értem az az lm399 nél van, de egy olyat tegyél be ct-re a KA3525 A 5 láb és a föld közé.
Biztosan változni fog a frekvencia.
Okés. Probálkoztam már igaz kerámiával de. Se felfelé , módosítva se lefelé semmi változás. Persze igbt nincs a készülékbe . A vezérlésnek . Menni kéne
Még szerencse, ilyen tüskével ha 600V-ot bir az igbt nem sokáig bírná. A készüléket ne helyezd hálózati áram alá ! A vezérlésnek labortápról 100mA áramkorláttal adj tápot, miután rendben lesz a KA3525 és Ir2110 nél a kimenő jelek csak aztán léphetsz tovább.
Sziasztok! Gyárilag gerjedésmentesen legyártott végfok(+DSP) mitől kezdhet el egy idő után magas hangon gerjedni? A GND kapcsoló annyit segít, hogy kicsit más frekvenciájú lesz a sípolás.(Táp szűrés probléma?) Lehetnek kisebb okai is mint például kiszáradt kondenzátor?
A hozzászólás módosítva: Nov 23, 2020
Sziasztok!
Olyan projektbe vagyok, hogy egy bluetooth transzmittert szeretnék kötni egy Sony str-de445-be. A kérdés hogy a tápnak melyik pontjára köthetném rá biztonságosan a modult. Olyan lenne jó ahol kikapcsolt állapotban is jelen van az 5 volt, hogy ne felejtse el a párosított fejhallgatót. Vagy inkább egy külön táppal jobban járnék. (?)
Szia!
Már rengeteg megoldás született erősítő és BT modul illesztésére. Függetlenül attól hogy adó vagy vevő az alany, a földhurok mindig kerregéssel jelzi hogy nem jó valami. Az erősítőd készenléti tápja sem földfüggetlen, vélhetően ott is jelentkezne a zavar, ráadásul nem is biztos hogy a plusz terhelés nem okozna gondot neki. Egy gyári telefon töltő szerintem elfér az erősítőben.
Sziasztok.
Volt már valakinek dolga HL Electronics MPA-804-es erősítővel? Került hozzám egy ilyen csoda és hiányzik pár alkatrész róla..
Sziasztok.
Egy ideje bajlódom a HEXFET-es erősítő panelom újraélesztésében. Azt hiszem közel járok hozzá, de a nyugalmi áram (P2)potméterére elenyésző mértékben reagál (az erősítő áramfelvétele 35-45mA között mozdítható). Félvezetők, diódák ellenőrizve. T12 Source:~100mV T13 Source:-1.1V T10 Emitter: -3.5V T11 Emitter: 3V T8 Emitter: 0.8V T13-nál valami ok nélkül nyitva van egy kicsit, de nem tudok rájönni miért. A műveleti erősítő is volt cserélve, bár a régi is működött,utólag megmérve.Valakinek bármi ötlete, mit érdemes még ellenőrizni? Köszönettel,
Szia!
Itt valami nem kóser. A pozíció számok alapján a T10 emittere kellene hogy pozitív legyen, a T11 a negatív, de tegyük fel hogy felcserélted a mérőzsinórokat, és valójában jót mérsz. Legalábbis ezt látom. Viszont a T3 source ellenállása szakadt lehet, mert egyébként több mint 2 A nyugalminak kellene folynia.
Igen, fordított polaritással mértem, mivel a fekete mérőfej szűkebb helyre befér. Valóban, kétszer is visszafordíthattam az értékeket. Tehát T13 source lóghat a levegőben, jó az ötlet, utánajárok!
Köszi a tippet.
A képen látható műszert csak tápegységnek használtam. Túl sok infó lenne egy kijelzőn. Kézi multimétert használtam, RS Pro RS-14
Szuper volt a tipp, az ellenállás megaohm körüli értéket mutatott. A segítségeddel már nyilvánvaló volt a hiba, de mivel ránézésre jó állapotban volt az ellenállás, érzékenyebb alkatrészekre gyanakodtam, mint például félvezetők, diódák. Hétvégén összehozom a trafójával. Köszi a segítséget!
Csatolnék egy videót, amiben hallatszik a sípolás. Kellene valami kiindulópont, hogy mi okozhatja ezt. Meg tudnátok mondani, hogy ez egyáltalán gerjedés-e vagy mi lehet? Bemeneti jeltől független, bekapcsolás után pár perccel kezdődik. Néha elhalkul, frekvenciát vált, van hogy megszűnik majd újra. Gondoltam arra, hogy a bluetooth panel vagy a DSP okozza esetleg? A DSP ADAU1701-re épül. Csatolok képeket is a panelről.
Bővebben: Google Drive Link (A sípolásról)
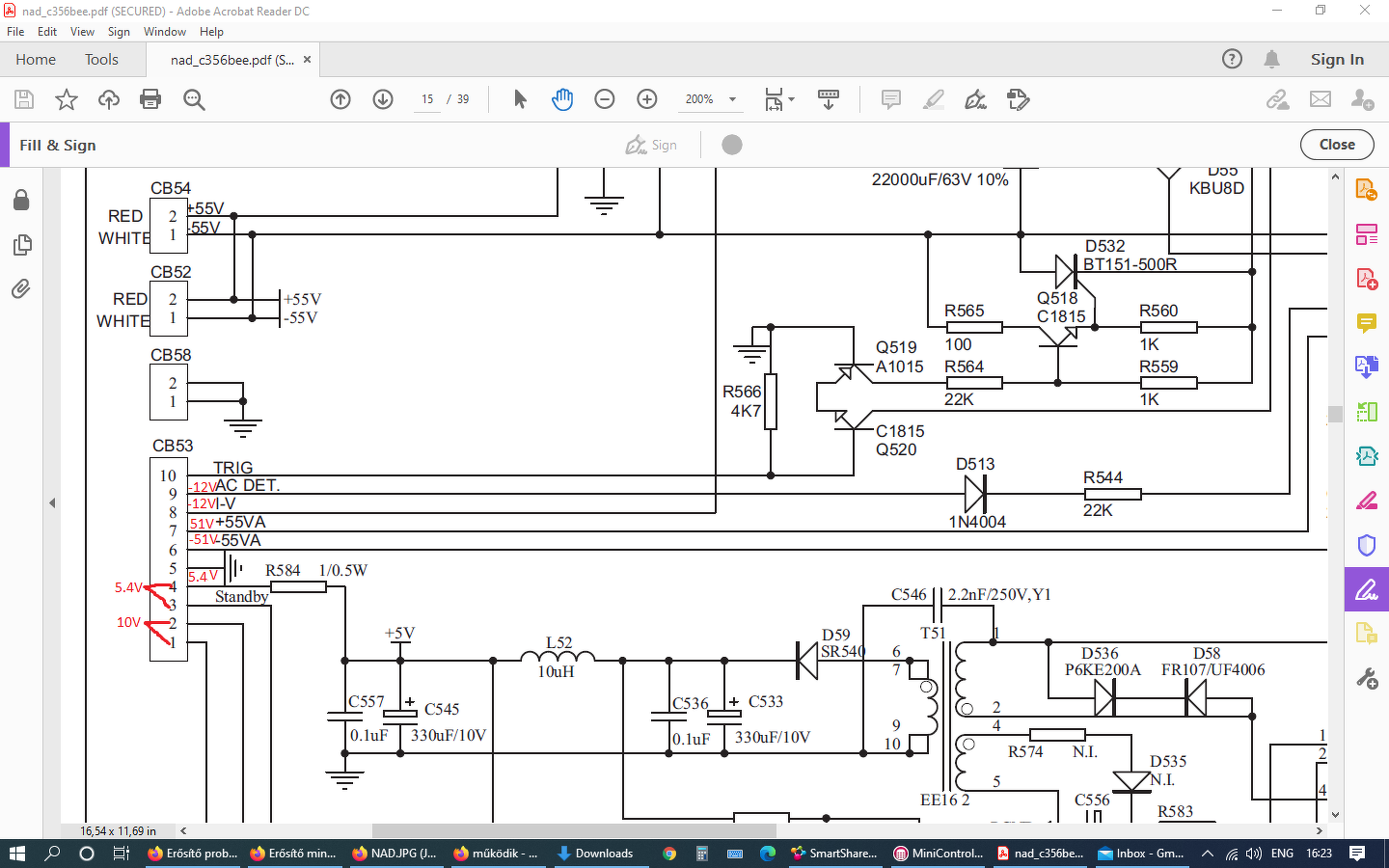
Sziasztok! Egy Nad C356 erősítő nem kapcsol be, még készenléti módba sem jut el, csak egy relé kattog megállás nélkül kb. két másodpercenként a potméterek nyákján. A +5V ingadozik 0.4V-2V között a relékattogással szinkronban. A többi feszültség hiányzik (12, 18, 26, 55V). A táp nyákján cseréltem 7 elkót, nem segített. Ha az előlapot lehúzom az alaplapról, akkor megjelenik minden feszültség az alaplapon. Ha a leválasztott előlapnak adok 5 voltot akkor készenléti sárga led világít rajta, bekapcsoló gombra kékre vált ahogy kell, távirányítóval is tudom kapcsolni. Mit ellenőrrizzek még? Köszi.
Lehet, hogy RL51 érintkezője van beégve. Hidald át kísérletképpen és utána ellenőrizd az 5V-ot. Persze, ha ez a feszültség meglesz, akkor a többi is.
Ha a táp le van húzva az alaplapról, akkor az RL51 hallhatóan működik ahogy ki-be kapcsolom hátul a főkapcsolót, a feszültségek is megjelennek. Ezért furcsa... táp magában>vannak feszültségek, táp alaplappal>vannak feszültségek, előlap magában>működik. A három együtt nem működik.
Ezeket mértem ott ahol megjelölted.
A D52 egyik diódája zárlatos, ha tudok szerezni holnap kicserélem, aztán meglátjuk mi lesz.
Így mérted ki a Graetz-et és az egyik esetben 0,7V-ot mutatott a dióda vizsgáló?
Csak a táp+alaplap felállásban terheld le az 5V-os kimenetet 47 Ohm-mal, hogy leesik-e a feszültség.
A D52 lábait kiforrasztottam a nyákról és úgy mértem dióda vizsgálóval, 0.6V mértem. Amit bejelöltem, annál zárlat volt mindkét irányban.
A hozzászólás módosítva: Dec 1, 2020
Sziasztok. Egy Saba Mi212 végfok javításba kezdtem. Első körben egy teoretikai kérdést szeretnék feltenni. Cseréltem a végfok és meghajtó tranzisztorokat. Emellett az elégett ellenállásokat és elkókat . Ezután indítottam próbaizzós táppal. 100-100w izzó mindkét tápfelen.A relé nem húzott be. A hangszóró kimeneten +25V volt. További keresgélés után kiderült hogy az egyik 0,33 (R658) teljesítmény ellenállás szakadt volt. Sajnos látszatra nem volt nyoma. Cseréltem. Ugyanaz a jelenség. Azonban a nyugalmi áram potmétert tekergetve az egyik 100w os izzó elkezd halványan világítani és néha behúz a relé ilyenkor.
A fő kérdés, hogy a hibás ellenállás tönkretehette az új tranzisztorokat?
Szia! A T671 felé talált magának utat az áram és valószínűleg tönkre is tette.
Illett volna végtranzisztor nélkül megmérned a kimeneti egyenfeszültséget és a várható végtranzisztor B-E feszültségeket. Sokszor leírtam már, bizonyára elkerülte a figyelmedet. |
Bejelentkezés
Hirdetés |






















